Autonics BWC Series Cross-Beam Area Sensor Instruction Manual

Safety Considerations
※Please observe all safety considerations for safe and proper product operation to avoid hazards.
※ symbol represents caution due to special circumstances in which hazards may occur.
Warning
- Fail-safe device must be installed when using the unit with machinery that may cause serious injury or substantial economic loss. (e.g. nuclear power control, medical equipment, ships, vehicles, railways, aircraft, combustion apparatus, safety equipment, crime/disaster prevention devices, etc.)
Failure to follow this instruction may result in personal injury, economic loss or fire. - Do not use the unit in the place where flammable/explosive/corrosive gas, high humidity, direct sunlight, radiant heat, vibration, impact, or salinity may be present.
Failure to follow this instruction may result in explosion or fire. - Do not connect, repair, or inspect the unit while connected to a power source.
Failure to follow this instruction may result in fire. - Check ‘Connections’ before wiring.
Failure to follow this instruction may result in fire. - Do not disassemble or modify the unit.
Failure to follow this instruction may result in fire. - This product is not safety sensor and does not observe any domestic nor international safety standard.
Do not use this product with the purpose of injury prevention or life protection, as well as in the place where economic loss maybe present.
Caution
- Use the unit within the rated specifications.
Failure to follow this instruction may result in fire or product damage. - Use dry cloth to clean the unit, and do not use water or organic solvent.
Failure to follow this instruction may result in fire.
Ordering Information
Ordering Information
| Wiring connection | |||
| Pin no | Cable color | Emitter | Receiver |
| 1 | Brown | 12-24VDC | 12-24VDC |
| 2 | White | SYNC | SYNC |
| 3 | Blue | 0V | 0V |
| 4 | Black | MODE | OUT |
Connection Cable (sold separately)
Function
Interference Protection
You can change transmitted light frequency to prevent interference from several units.
To change transmitted light frequency, input 0V for over 1 second to 4th terminal, (black) MODE, in installation mode.
Frequency type is displayed by frequency indicator.
|
||||||||||||||||||||||||||||
Installation Mod
This function is for stable installation.
Inputting 0V to 4th terminal of emitter which is (black) MODE, supply power to the product to enter to the installation mode.
Self-Diagnosis Output
This function outputs self-diagnosis signal, when front screen is contaminated with dust, optical axis is misaligned due to vibration, emitter is damaged due to the long-term usage, or light t is not received due to obstacle such as leaves and trash on the product.
It operates in the operation mode, and you can check the status through an external device which is connected to 4th terminal of emitter, (black) MODE.
Self-Diagnosis
If there is checked malfunction during normal operation by regular self-diagnosis, control output
● Diagnosis item
① Break of light emitting element ② Break of emitter
③ Break of adjacent emitting element more than 2. ④ Break of receiver
⑤ Emitter failure ⑥ Receiver failure
⑦ Malfunction of synchronous cable
Specifications
Control Output Diagram
Operating Mode
Operation Timing Diagram
Installations
For the first installation, enter installation mode.
①Entry method for installation mode: Supply power with inputting 0V to 4th terminal (Black) MODE.
②After entering installation mode, install the unit at the position where green LED of receiver operation indicator turns ON.
③After installation, re-supply power to the unit.
For Direction Of Installation
Emitter and receiver should be installed in same up/down direction.
For Reflection From The Surface Of Wall And Flat When installing it as below, the light reflected from the surface of wall and flat is not shaded. Please check whether it operates normally or not with a sensing
For Protection Of Interference
It may cause interference when installing more than 2 sets of the sensor. In order to avoid the interference of the sensor, please install as following figures and use the transmitted light frequency changing function.
● Transmission direction should be opposite between 2 sets.
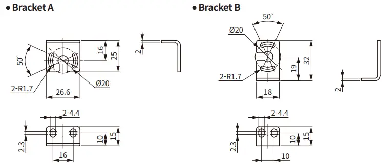
Dimensions
Optical Axis Pitch/Number of Optical Axis/Sensing Height
Operation Indicator
Troubleshooting































