HiKOKI C8FSHE Slide Compound Miter Saw

Slide Compound Miter Saw
Read through carefully and understand these instructions before use.
Handling instructions




| 1 | Handle |
| 2 | Lock Lever |
| 3 | Motor Head |
| 4 | Gear Case |
| 5 | Motor |
| 6 | Dust Bag |
| 7 | Hing |
| 8 | Holder (A) |
| 9 | Light (Only C8FSHE) |
| 0 | Indicator (For bevel scale) |
| A | Laser Marker (Only C8FSHE) |
| B | Saw Blade |
| C | Vise Assembly |
| D | Fence (B) |
| E | Sub Fence |
| F | Lever |
| G | Side Handle |
| H | Turntable |
| I | Table Insert |
| J | Indicator (For miter scale) |
| K | Fence (A) |
| L | Lower Guard |
| M | Washer (D) |
| N | Spindle Cover |
| O | Switch (For laser marker) (Only C8FSHE) |
| P | Trigger Switch |
| Q | Switch (For light) (Only C8FSHE) |
| R | Making (Pre-marked) |
| S | Spindle Lock |
| T | 6 mm Flat Head Screw |
| U | Guard |
| V | Base |
| W | Holder |
| X | Set Pin |
| Y | Clamp Lever |
| Z | 6 mm Depth Adjustment Bolt |
| Slide Securing Knob | |
| Adjuster (For laser marker) (Only C8FSHE) | |
| Locking Pin | |
| 6 mm Bolt | |
| a | Workpiece |
| b | Auxiliary Board |
| c | 8 mm Depth Adjustment Bolt |
| d | 6 mm Nut |
| e | 6 mm Knob Bolt (Optional accessory) |
| f | Holder (Optional accessory) |
| g | Steel Square |
| h | 6 mm Wing Nut (Optional accessory) |
| i | Height Adjustment Bolt 6 mm (Optional accessory) |
| j | Base Surface |
| k | Stopper (Optional accessory) |
| l | 6 mm Knob Bolt (Optional accessory) |
| m | Line |
| n | Warning sign |
| o | Screw Holder |
| p | 6 mm Wing Bolt (B) |
| q | Vise Shaft |
| r | Light lens |
| s | Fence |
| t | 6 mm Wing Bolt (A) |
| u | Vise Plate |
| v | Knob |
| w | Laser line |
| x | Groove |
| y | Bevel Scale |
| z | Miter Scale |
| Crown molding Vise Ass’y (Optional accessory) | |
| 6 mm Wing Nut (Optional accessory) | |
| Crown molding Stopper (L) (Optional accessory) | |
| Crown molding Stopper (R) (Optional accessory) | |
| Crown molding | |
| 10 mm Box Wrench | |
| Bolt | |
| Light | |
| Wear limit line | |
| Color (A) |
| Symbols The following show symbols used for the machine. Be sure that you understand their meaning before use. | |
| Read instruction manual. | |
| Always wear eye protection. | |
| Always wear hearing protection. | |
|
| Only for EU countries Do not dispose of electric tools together with household waste material! In observance of European Directive 2002/96/EC on waste electrical and electronic equipment and its implementation in accordance with national law, electric tools that have reached the end of their life must be collected separately and returned to an environmentally compatible recycling facility. |
GENERAL OPERATIONAL PRECAUTIONS
WARNING! When using electric tools, basic safety precautions should always be followed to reduce the risk of fire, electric shock and personal injury, including the following.
Read all these instructions before operating this product and save these instructions.
For safe operations:
- Keep work area clean. Cluttered areas and benches invite injuries.
- Consider work area environment. Do not expose power tools to rain. Do not use power tools in damp or wet locations. Keep work area well lit. Do not use power tools where there is risk to cause fire or explosion.
- Guard against electric shock. Avoid body contact with earthed or grounded surfaces (e.g. pipes, radiators, ranges, refrigerators).
- Keep children and infirm persons away. Do not let visitors touch the tool or extension cord. All visitors should be kept away from work area.
- Store idle tools. When not in use, tools should be stored in a dry, high or locked up place, out of reach of children and infirm persons.
- Do not force the tool. It will do the job better and safer at the rate for which it was intended.
- Use the right tool. Do not force small tools or attachments to do the job of a heavy duty tool. Do not use tools for purposes not intended; for example, do not use circular saw to cut tree limbs or logs.
- Dress properly. Do not wear loose clothing or jewelry, they can be caught in moving parts. Rubber gloves and non-skid footwear are recommended when working outdoors. Wear protecting hair covering to contain long hair.
- Use eye protection. Also use face or dust mask if the cutting operation is dusty.
- Connect dust extraction equipment.
Cutting operation by this compound saw may produce considerable amount of dust from extraction duct on fixed guard. (Dust material: Wood or Aluminium)
If devices are provided for the connection of dust extraction and collection facilities ensure these are connected and properly used. - Do not abuse the cord. Never carry the tool by the cord or yank it to disconnect it from the receptacle. Keep the cord away from heat, oil and sharp edges.
- Secure work. Use clamps or a vise to hold the work. It is safer than using your hand and it frees both hands to operate tool.
- Do not overreach. Keep proper footing and balance at all times.
- Maintain tools with care. Keep cutting tools sharp and clean for better and safer performance. Follow instructions for lubrication and changing accessories. Inspect tool cords periodically and if damaged, have it repaired by authorized service center. Inspect extension cords periodically and replace, if damaged. Keep handles dry, clean, and free from oil and grease.
- Disconnect tools. When not in use, before servicing, and when changing accessories such as blades, bits and cutters.
- Remove adjusting keys and wrenches. Form the habit of checking to see that keys and adjusting wrenches are removed from the tool before turning it on.
- Avoid unintentional starting. Do not carry a plugged-in tool with a finger on the switch. Ensure switch is off when plugging in.
- Use outdoor extension leads. When tool is used outdoors, use only extension cords intended for outdoor use.
- Stay alert. Watch what you are doing. Use common sense. Do not operate tool when you are tired.
- Check damaged parts. Before further use of the tool, a guard or other part that is damaged should be carefully checked to determine that it will operate properly and perform its intended function. Check for alignment of moving parts, free running of moving parts, breakage of parts, mounting and any other conditions that may affect its operation. A guard or other part that is damaged should be properly repaired or replaced by an authorized service center unless otherwise indicated in this handling instructions. Have defective switches replaced by an authorized service center. Do not use the tool if the switch does not turn it on and off.
- Warning
The use of any accessory or attachment, other than those recommended in this handling instructions, may present a risk of personal injury. - Have your tool repaired by a qualified person.
This electric tool is in accordance with the relevant safety requirements. Repairs should only be carried out by qualified persons using original spare parts. Otherwise this may result in considerable danger to the user.
PRECAUTIONS ON USING SLIDE COMPOUND MITER SAW
- Keep the floor area around the machine level. Well maintained and free of loose materials e.g. chips and cut-offs.
- Provide adequate general or localized lighting.
- Do not use power tools for applications other than those specified in the handling instructions.
- Repairing must be done only by authorized service facility. Manufacturer is not responsible for any damages and injuries due to the repair by the unauthorized persons as well as the mishandling of the tool.
- To ensure the designed operational integrity of power tools, do not remove installed covers or screws.
- Do not touch movable parts or accessories unless the power source has been disconnected.
- Use your tool at lower input than specified on the nameplate; otherwise, the finish may be spoiled and working efficiency reduced due to motor overload.
- Do not wipe plastic parts with solvent. Solvents such as gasoline, thinner, benzine, carbon tetrachloride, alcohol, may damage and crack plastic parts. Do not wipe them with such solvent. Clean plastic parts with a soft cloth lightly dampened with soapy water.
- Use only original Hikki replacement parts.
- This tool should only be disassembled for replacement of carbon brushes.
- The exploded assembly drawing on this handling instructions should be used only for authorized service facility.
- Never cut ferrous metals or masonry.
- Adequate general or localized lighting is provided. Stock and finished workpieces are located close to the operators normal working position.
- Wear suitable personal protective equipment when necessary, this could include:
Hearing protection to reduce the risk of induced hearing loss.
Eye protection to reduce the risk of injuring an eye.
Respiratory protection to reduce the risk of inhalation of harmful dust. Gloves for handling saw blades (saw blades shall be carried in a holder wherever practicable) and rough material. - The operator is adequately trained in the use, adjustment and operation of the machine.
- Refrain from removing any cut-offs or other parts of the workpiece from the cutting area whilst the machine is running and the saw head is not in the rest position.
- Never use the slide compound miter saw with its lower guard locked in the open position.
- Ensure that the lower guard moves smoothly.
- Do not use the saw without guards in position, in good working order and properly maintained.
- Use correctly sharpened saw blades. Observe the maximum speed marked on the saw blade.
- Do not use saw blades which are damaged or deformed.
- Do not use saw blades manufactured from high speed steel.
- Use only saw blades recommended by Hikki.
Use of saw blade comply with EN847-1. - The saw blades should be 216 mm external diameter.
- Select the correct saw blade for the material to be cut.
- Never operate the slide compound miter saw with the saw blade turned upward or to the side.
- Ensure that the workpiece is free of foreign matter such as nails.
- Replace the table insert when worn.
- Do not use the saw to cut other than aluminum, wood or similar materials.
- Do not use the saw to cut other materials than those recommended by the manufacturer.
- Blade replacement procedure, including the method for repositioning and a warning that this must be carried out correctly.
- Connect the slide compound miter saw to a dust collecting device when sawing wood.
- Take care when slotting.
- When transporting or carrying the tool, do not grasp the holder. Grasp the handle instead of the holder.
- Start cutting only after motor revolution reaches maximum speed.
- Promptly cut OFF the switch when abnormality observed.
- Shut off power and wait for saw blade to stop before servicing or adjusting tool.
- During a miter or bevel cut the blade should not be lifted until it has stopped rotation completely.
- During slide cutting operation, the saw must be pushed and sided away from the operator.
- Take all the possibility of residual risks in cutting operation into your consideration, such as the laser radiation to your eyes, the inadvertent access to moving parts on slide mechanical parts on machine and so on.
SPECIFICATIONS
|
Max. Cutting Capacity Height ´ Width | 0° | 65 mm ´ 312 mm **75 mm ´ 262 mm with aux. board (30 mm) | ||
| Miter 45° | 65 mm ´ 220 mm **75 mm ´ 185 mm with aux. board (20 mm) | |||
| Bevel | Left 45° | 45 mm ´ 312 mm **50 mm ´ 252 mm with aux. board (30 mm) | ||
| Right 5° | 60 mm ´ 312 mm **70 mm ´ 252 mm with aux. board (30 mm) | |||
| Compound | Bevel (Left) 45° + Miter 45° | 45 mm ´ 220 mm **50 mm ´ 170 mm with aux. board (30 mm) | ||
| Bevel (Right) 5° + Miter 45° | 60 mm ´ 220 mm **70 mm ´ 170 mm with aux. board (30 mm) | |||
| Saw Blade Dimensions (oD ´ iD ´ Thickness) | 216 mm ´ 30 mm ´ 2 mm | |||
| Miter Cutting Angle | Right 0° – 57°, Left 0° – 45° | |||
| Bevel Cutting Angle | Right 0° – 5°, Left 0° – 48° | |||
| Compound Cutting Angle | Bevel (Left) 0° – 45° | Miter (Right and Left) 0° – 45° | ||
| Bevel (Right) 0° – 5° | ||||
| Voltage (by areas)* | (110 V, 230 V) | |||
| Power Input* | 1050 W | |||
| No-Load Speed | 5500 min–1 | |||
| Machine Dimensions (Width ´ Depth ´ Height) | 555 mm ´ 790 mm ´ 485 mm | |||
| Weight (Net) | 15 kg (C8FSHE) / 14 kg (C8FSE) | |||
| Laser Marker (Only Model C8FSHE) | Maximum output | Po<3 mW Class Laser Product | ||
| (Lambda) | 654 nm | |||
| Laser medium | Laser Diode | |||
* Be sure to check the nameplate on product as it is subject to change by areas.
When cutting the workpiece which has the dimension of “**” there might be some possibility of the lower end of the circular saw to touch with the workpiece, even if the motor head is located at the lower limit position. Pay attention when cutting the workpiece. For further details, refer to “PRACTICAL APPLICATIONS”. Mount the auxiliary board on the fence surface (Refer ( ) the thickness of auxiliary board). Refer to “12. Cutting large workpieces” (Fig. 16).
STANDARD ACCESSORIES
- 216 mm TCT Saw blade (mounted on tool) ………………………………………….. 1
- Dust bag …………………………………………………………………………………………….. 1
- 10 mm Box wrench …………………………………………………………………………….. 1
- Vise Assembly ……………………………………………………………………………………. 1
- Holder ………………………………………………………………………………………………… 1
- Side Handle ………………………………………………………………………………………… 1
Standard accessories are subject to change without notice.
APPLICATION
- Cutting various types of aluminum sash and wood.
UNPACKING
- Carefully unpack the power tool and all related items (standard accessories).
- Check carefully to make certain all related items (standard accessories) are
OPTIONAL ACCESSORIES (SOLD SEPARATELY)
- Extension Holder and Stopper
- Saw blade 216 mm TCT Saw blade (Total teeth: 60)
- Crown molding Vise Assay (Include Crown molding Stopper (L))
- Crown molding Stopper (L)
- Crown molding Stopper (R)
- Sub Fence
Optional accessories are subject to change without notice.
PRIOR TO OPERATION
- Power source
Ensure that the power source to be utilized conforms to the power requirements specified on the product nameplate. - Power switch
Ensure that the power switch is in the OFF position. If the plug is connected to a receptacle while the trigger switch is in the ON position, the power tool will start operating immediately, inviting serious accident. - Extension cord
When the work area is removed from the power source, use an extension cord of sufficient thickness and rated capacity. The extension cord should be kept as short as practicable. - When the power tool is prepared for shipping, its main parts are secured by a locking pin
Move the handle slightly so that the locking pin can be disengaged. During transport, lock the locking pin into the gear case (Fig. 4). - Attach the dust bag to the main unit (Fig. 1)
- Installation
Ensure that the machine is always fixed to bench.
Attach the power tool to a level, horizontal work bench.
Select 8 mm diameter bolts suitable in length for the thickness of the work bench.
Bolt length should be at least 25 mm plus the thickness of the work bench. For example, use 8 mm × 65 mm bolts for a 25 mm thick work bench.
ADJUSTING THE POWER TOOL PRIOR TO USE
CAUTION
Make all necessary adjustments before inserting the plug in the power source.
- Check to see that the lower guard operates smoothly
CAUTION- This slide compound miter saw is equipped with a saw head lock as safety device.
- To lower the saw head to cut, the lock must be released by pressing the lock lever with your thumb.
- When you push down the handle while pushing the lock lever, check that the lower guard revolves smoothly (Fig. 5).
- Next, check that the lower guard returns to the original position when the handle is raised.
- Checking the saw blade lower limit position (Fig. 6 and Fig. 7)
Check that the saw blade can be lowered 10 mm to 11 mm below the table insert.
When you replace a saw blade with a new one, adjust the lower limit position so that the saw blade will not cut the turntable or complete cutting cannot be done.
To adjust the lower limit position of the saw blade, follow the procedure (1) indicated below. (Fig. 7)
Furthermore, when changing the position of a 8 mm depth adjustment bolt that serves as a lower limit position stopper of the saw blade.- Turn the 8 mm depth adjustment bolt, change the height where the bolt head and the hinge contacts, and adjust the lower limit position of the saw blade.
NOTE
Confirm that the saw blade is adjusted so that it will not cut into the turntable.
- Turn the 8 mm depth adjustment bolt, change the height where the bolt head and the hinge contacts, and adjust the lower limit position of the saw blade.
- Lower limit position of saw blade when cutting a large workpiece
NOTE
When cutting a workpiece exceeding 65 mm in height in right-angle cutting or 60 mm in left bevel angle cutting or 45 mm in right bevel angle cutting, adjust the lower limit position so that the base of the motor head (Fig. 6) will not come in contact with the workpiece.
PRACTICAL APPLICATIONS
WARNING
- To avoid personal injury, never remove or place a workpiece on the table while the tool is being operated.
- Never place your limbs inside of the line next to warning sign while the tool is being operated. This may cause hazardous conditions (See Fig. 8). CAUTION
- It is dangerous to remove or install the workpiece while the saw blade is turning.
- When sawing, clean off the shavings from the turntable.
- If the shavings accumulate too much, the saw blade from the cutting material will be exposed. Never subject your hand or anything else to go near the exposed blade.
- Tightly secure the material by vise assembly to be cut so that it does not move during cutting
- Switch operation
Pulling the trigger turns the switch on. Releasing the trigger turns the switch off. - Base holder adjustment (Fig. 3)
Loosen the 6 mm bolt with the supplied 10 mm box wrench. Adjust the base holder until its bottom surface contacts the bench or the floor surface. After adjustment, firmly tighten the 6 mm bolt. - Using the Vise Assembly (Standard accessory) (Fig. 9)
- The vise assembly can be mounted on either the left fence {Fence (B)} or the right fence {Fence (A)} by loosening the 6 mm wing bolt (A).
- The screw holder can be raised or lowered according to the height of the workpiece by loosening the 6 mm wing bolt (B). After the adjustment, firmly tighten the 6 mm wing bolt (B) and fix the screw holder.
- Turn the upper knob and securely fix the workpiece in position.
WARNING- Always firmly clamp or vise to secure the workpiece to the fence; otherwise the workpiece might be thrust from the table and cause bodily harm.
CAUTION - Always confirm that the motor head does not contact the vise assembly when it is lowered for cutting. If there is any danger that it may do so, loosen the 6 mm wing bolt and move the vise assembly to a position where it will not contact the saw blade.
- Always firmly clamp or vise to secure the workpiece to the fence; otherwise the workpiece might be thrust from the table and cause bodily harm.
- Positioning the table insert (Fig. 1)
- Right angle cutting
Loosen the three 6 mm machine screws, then secure the left side table insert and temporarily tighten the 6 mm machine screws of both ends. Then fix a workpiece (about 200 mm wide) with the vise assembly and cut it off. After aligning the cutting surface with the edge of the table insert, securely tighten the 6 mm machine screws of both ends. Remove the workpiece and securely tighten the 6 mm center machine screw. Adjust the right hand table insert in the same way. - Left and right bevel angle cutting
Adjust the table insert in the manner same procedure for right angle cutting.
CAUTION- After adjusting the table insert for right angle cutting, the table insert will be cut to some extent if it is used for bevel angle cutting.
When bevel cutting operation is required, adjust the table insert for bevel angle cutting.
- After adjusting the table insert for right angle cutting, the table insert will be cut to some extent if it is used for bevel angle cutting.
- Right angle cutting
- Confirmation for use of sub fence (Optional accessory)
This power tool is equipped with a sub fence. In the case of direct angle cutting and right bevel angle cutting, use the sub fence. Then, you can do Left bevel angle cutting, Right bevel angle cutting and Direct angle cutting and realize stable cutting of the material with a wide back face.
WARNING- In the case of left bevel cutting, turn the sub fence counterclockwise (Fig. 10). Unless it is turned counterclockwise, the main body or saw blade may contact the sub fence, resulting in an injury.
- Using an ink line
Upon lowering the motor section, the lower guard is raised and the saw blade appears.
Align the ink line with the saw blade.
CAUTION
Never lift the lower guard while the saw blade is rotating.
The sub fence will not only make contact and adversely affect cutting accuracy, this could also result in damage to the guard. - Install the side handle (Fig. 1)
Install the side handle that came enclosed with this unit. - Position adjustment of laser line (Only Model C8FSHE)
Ink lining can be easily made on this tool to the laser marker. A switch lights up the laser marker (Fig. 11).
Depending upon your cutting choice, the laser line can be aligned with the left side of the cutting width (saw blade) or the ink line on the right side. The laser line is adjusted to the width of the saw blade at the time of factory shipment. Adjust the positions of the saw blade and the laser line taking the following steps to suit the use of your choice.- Light up the laser marker and make a groove of about 5 mm deep on the workpiece that is about 20 mm in height and 150 mm in width. Hold the grooved workpiece by vise as it is and do not move it. For grooving work, refer to “21. Groove cutting procedures”.
- Then, turn the adjuster and shift the laser line. (If you turn the adjuster clockwise, the laser line will shift to the right and if you turn it counterclockwise, the laser line will shift to the left.) When you work with the ink line aligned with the left side of the saw blade, align the laser line with the left end of the groove (Fig. 12). When you align it with the right side of the saw blade, align the laser line with the right side of the groove.
- After adjusting the position of the laser line, draw a right-angle ink line on the workpiece and align the ink line with the laser line. When aligning the ink line, slide the workpiece little by little and secure it by vise at a position where the laser line overlaps with the ink line. Work on the grooving again and check the position of the laser line. If you wish to change the laser line’s position, make adjustments again following the steps from (1) to (3).
WARNING- Make sure before plugging the power plug into the receptacle that the main
body and the laser marker are turned off. - Exercise utmost caution in handling a switch trigger for the position adjustment of the laser line, as the power plug is plugged into the receptacle during operation.
If the switch trigger is pulled inadvertently, the saw blade can rotate and result in unexpected accidents. - Do not remove the laser marker to be used for other purposes.
CAUTION (Fig. 13) - Laser radiation – Do not stare into beam.
- Laser radiation on work table. Do not stare into beam.
If your eye is exposed directly to the laser beam, it can be hurt. - Do not dismantle it.
- Do not give strong impact to the laser marker (main body of tool); otherwise, the position of a laser line can go out of order, resulting in the damage of the laser marker as well as a shortened service life.
- Keep the laser marker lit only during a cutting operation. Prolonged lighting of the laser marker can result in a shortened service life.
- Use of controls or adjustments or performance of procedures other than those specified herein may result in hazardous radiation exposure. NOTE
- Perform cutting by overlapping the ink line with the laser line.
- When the ink line and the laser line are overlapped, the strength and weakness of light will change, resulting in a stable cutting operation because you can easily discern the conformity of lines. This ensures the minimum cutting errors.
- In outdoor or near-the-window operations, it may become difficult to observe the laser line due to the sunlight. Under such circumstances, move to a place that is not directly under the sunlight and engage in the operation.
- Do not tug on the cord behind the motor head or hook your finger, wood and the like around it; otherwise, the cord may come off and the laser marker may not be lit up.
- Check and make sure on a periodic basis if the position of the laser line is in order. As regards the checking method, draw a right-angle ink line on the workpiece with the height of about 20 mm and the width of 150 mm, and check that the laser line is in line with the ink line [The deviation between the ink line and the laser line should be less than the ink line width (0.5 mm)].(Fig. 14)
- Make sure before plugging the power plug into the receptacle that the main
- Cutting operation
- As shown in Fig. 15 the width of the saw blade is the width of the cut. Therefore, slide the workpiece to the right (viewed from the operator’s position) when length is desired, or to the left when length is desired. If a laser marker is used, align the laser line with the left side of the saw blade, and then align the ink line with the laser line.
- After turning on the switch and checking that the saw blade is rotating at maximum speed, slowly push down the handle while holding down the lock lever and bring the saw blade in the vicinity of the material to be cut.
- Once the saw blade contacts the workpiece, push the handle down gradually to cut into the workpiece.
- After cutting the workpiece to the desired depth, turn the power tool OFF and let the saw blade stop completely before raising the handle from the workpiece to return it to the full retract position.
CAUTION- For maximum dimensions for cutting, refer to “SPECIFICATIONS” table.
- Increased pressure on the handle will not increase the cutting speed. On the contrary, too much pressure may result in overload of the motor and/or decreased cutting efficiency.
- Confirm that the trigger switch is turned OFF and the power plug has been removed from the receptacle whenever the tool is not in use.
- Always turn the power off and let the saw blade stop completely before raising the handle from the workpiece. If the handle is raised while the saw blade is still rotating, the cut-off piece may become jammed against the saw blade causing fragments to scatter about dangerously.
- Every time one cutting of deep-cutting operation is finished, turn the switch off, and check that the saw blade has stopped. Then raise the handle, and return it to the full retract position.
- Be absolutely sure to remove the cut material from the top of the turntable, and then proceed to the next step.
- Cutting narrow workpieces (Press cutting)
Slide the hinge down to holder (A), then tighten the slide securing knob (Fig. 2). Lower the handle to cut the workpiece. Using the power tool this way will permit cutting of workpieces of up to 65 mm square. - Cutting large workpieces
There may be case when a complete cutting cannot be done depending on the height of workpiece. In this case, mount an auxiliary board with the 6mm flat head screws and the 6mm nuts using the 7mm holes on the fence surface (two holes on each side). (Fig. 16)
Refer to “SPECIFICATIONS” for the thickness of the auxiliary board. - Cutting wide workpieces (Slide cutting)
Loosen the slide securing knob (Fig. 2), grip the handle and slide the saw blade forward. Then press down on the handle and slide the saw blade back to cut the workpiece. This facilitates cutting of workpieces of up to 312 mm in width.
WARNING- Never put your hand on the side handle during the cutting operation because
the saw blade comes close to the side handle when the motor head is lowered.
- Never put your hand on the side handle during the cutting operation because
- Miter cutting procedures
- Loosen the side handle and pull up the lever for angle stoppers. Then, adjust the turntable until the indicator aligns with desired setting on the miter scale (Fig. 17).
- Re-tighten the side handle to secure the turntable in the desired position.
- The miter scale indicates both the cutting angle on the angle scale and the gradient on the grade scale.
- The gradient, which is the ratio of the height to the base of the triangular section to be removed, may be used for setting the miter scale instead of the cutting angle, if desired.
- Therefore, to cut a workpiece at a grade of 2/10, set the indicator to position.
NOTE- Positive stops are provided at the right and left of the 0° center setting, at 15°, 22.5°, 31.6° and 45° settings.
Check that the miter scale and the tip of the indicator are properly aligned. - Operation of the saw with the miter scale and indicator out of alignment, or with the side handle not properly tightened, will result in poor cutting precision.
- Positive stops are provided at the right and left of the 0° center setting, at 15°, 22.5°, 31.6° and 45° settings.
- Bevel cutting procedures (Fig. 18)
CAUTION- Ensure that the clamp lever is securely fixed when beveling.
- Please do this if the length of the material being cut off is more than 25 mm long. Sometimes cutting cannot be accomplished because the saw blade will catch on the inside of the lower guard.
- Loosen the clamp lever and bevel the saw blade to the left or to the right.
When tilting the motor head to the right pull the set pin towards the rear.
NOTE
Loosen the clamp lever, tilt the main unit to the left and then pull the set pin to enable 48-degree cuts.
Loosen the clamp lever and slant to the left a little at a time while pushing the set pin into the main unit. At this time, the set pin will enter one step and fit into the 30° left slant and 33.9° left slant setting slots.
With the set pin in the slot as described above, setting to the 30° left slant position is possible by pushing to the right side.
Also, with the set pin in the slot as described above, setting to the 33.9° left slant position is possible by pushing to the left side. - Adjust the bevel angle to the desired setting while watching the
bevel angle scale and indicator, then secure the clamp lever.
WARNING- When the workpiece is secured on the left or right side of the blade, the short cut-off portion will come to rest on the right or left side of the saw blade. Always turn the power off and let the saw blade stop completely before raising the handle from the workpiece.
If the handle is raised while the saw blade is still rotating, the cut-off piece may become jammed against the saw blade causing fragments to scatter about dangerously.
When stopping the bevel cutting operation halfway, start cutting after pulling back the motor head to the initial position.
Starting from halfway, without pulling back, causes the lower guard to be caught in the cutting groove of the workpiece and to contact the saw blade.
- When the workpiece is secured on the left or right side of the blade, the short cut-off portion will come to rest on the right or left side of the saw blade. Always turn the power off and let the saw blade stop completely before raising the handle from the workpiece.
- Loosen the clamp lever and bevel the saw blade to the left or to the right.
- Compound cutting procedures Compound cutting can be performed by following the instructions in 13 and 14 above. For maximum dimensions for compound cutting, refer to “SPECIFICATIONS” table.
CAUTION- Always secure the workpiece with the right or left hand and cut it by sliding the round portion of the saw backwards with the left hand.
It is very dangerous to rotate the turntable to the left during compound cutting because the saw blade may come into contact with the hand that is securing the workpiece.
In case of compound cutting (angle + bevel) by left bevel, turn the sub-fence (optional accessory) counterclockwise, and engage in the cutting operation.
- Always secure the workpiece with the right or left hand and cut it by sliding the round portion of the saw backwards with the left hand.
- Cutting long materials
When cutting long materials, use an auxiliary platform which is the same height as the holder (optional accessory) and base of the special auxiliary equipment.
Capacity: wooden material (W × H × L)
300 mm × 45 mm × 1050 mm, or
180 mm × 25 mm × 1600 mm - Installing the holders … (Optional accessory)
The holders help keep longer workpieces stable and in place during the cutting operation.- As indicated in Fig. 19, use a steel square for aligning the upper edge of the holders with the base surface.
Loosen the 6 mm wing nut. Turn a height adjustment bolt 6 mm, and adjust the height of the holder. - After adjustment, firmly tighten the wing nut and fasten the holder with the 6 mm knob bolt (optional accessory). If the length of Height Adjustment Bolt 6 mm is insufficient, spread a thin plate beneath. Make sure the end of Height Adjustment Bolt 6 mm does not protrude from the holder.
CAUTION- When transporting or carrying the tool, do not grasp the holder.
- There is the danger of the holder slipping out of the base. Grasp the handle instead of the holder.
- As indicated in Fig. 19, use a steel square for aligning the upper edge of the holders with the base surface.
- Stopper for precision cutting … (Stopper and holder are optional accessory) The stopper facilitates continuous precision cutting in lengths of 280 mm to 450 mm.
To install the stopper, attach it to the holder with the 6 mm knob bolt as shown in Fig. 20. - Confirmation for use Crown molding vise, Crown molding Stopper (L) and
(R) (Optional accessory)- Crown molding Stopper (L) and (R) (optional accessories) allow easier cuts of crown molding without tilting the saw blade. install them in the base both-sides side to be shown in Fig. 21. After inserting
tighten the 6 mm knob bolts to secure the Crown molding Stoppers. - The crown molding vise (B) (Optional accessory) can be mounted on either the left fence (Fence (B)) or the right fence (Fence (A)). lt can unite with the slope of the crown molding and vice can be pressed down.
Then turn the upper knob, as necessary, to securely attach the crown molding in position. To raise or lower the vise assembly, first loosen the 6 mm knob bolt. After adjusting the height, firmly tighten the 6 mm wing bolt; then turn the upper knob, as necessary, to securely attach the the crown molding in position (Fig 22).
Position crown molding with its WALL CONTACT EDGE against the guide fence and its CEILING CONTACT EDGE against the Crown molding Stoppers as shown in Fig. 22. Adjust the Crown molding Stoppers according to the size of the crown molding.
Tighten the 6 mm wing bolt to secure the Crown molding Stoppers.
WARNING- Always firmly clamp or vise to secure the crown molding to the fence; otherwise the crown molding might be thrust from the table and cause bodily harm.
Do not bevel cutting. The main body or saw blade may contact the sub fence, resulting in an injury.otherwise the crown molding might be thrust from the table and cause bodily harm.
Do not bevel cutting. The main body or saw blade may contact the sub fence, resulting in an injury.
CAUTION
Always confirm that the motor head (Fig. 1) does not contact the crown molding vise ass’y when it is lowered for cutting. If there is any danger that it may do so, loosen the 6mm knob bolt and move the crown molding vise ass’y to a position where it will not contact the saw blade.
- Always firmly clamp or vise to secure the crown molding to the fence; otherwise the crown molding might be thrust from the table and cause bodily harm.
- Crown molding Stopper (L) and (R) (optional accessories) allow easier cuts of crown molding without tilting the saw blade. install them in the base both-sides side to be shown in Fig. 21. After inserting
- Groove cutting procedures
Grooves in the workpiece can be cut by adjusting the 6 mm depth adjustment bolt (Fig. 23).- Lower the motor head, and turn the 6 mm depth adjustment bolt by hand.(Where the head of the 6 mm depth adjustment bolt contacts the hinge.)
- Adjust to the desired cutting depth by setting the distance between the saw blade and the surface of the base. (Fig. 24)
NOTE- When cutting a single groove at either end of the workpiece, remove the
unneeded portion with a chisel.
- When cutting a single groove at either end of the workpiece, remove the
- Using the Light (Model C8FSHE Only)
WARNING- Check to ascertain that the main unit and light are off before plugging the cord into the power socket.
- The light lens reaches high temperatures during and immediately after use and should not be touched under any circumstances.
Failure to observe this may result in burns.
CAUTION - Do not subject the light to strong impact.
Failure to observe this may result in damage to the light or a reduced life span. - Only switch the light on when cutting.
- Do not shine the light continuously into the eyes.
Failure to observe this may result in damage to the eyes. - Wipe all dirt that adheres to the light lens with a soft cloth gently so that the light is not scratched or damaged.
Scratches on the light lens may result in less luminance. - The light switch is fitted with an anti-dust cover. Make sure that the switch cover is not scratched or otherwise damaged.
- There are cases in which shavings may enter the switch and prevent the light from functioning.
- Insert the plug on the main unit into a power socket.
- Set the light switch into the upper position (ON) to light it, and into the lower position (OFF) to switch it off. (See Fig. 28)
- Move the light fitting to the right and left to adjust the lighting position.
MOUNTING AND DISMOUNTING SAW BLADE
WARNING
To prevent an accident or personal injury, always turn off the trigger switch and disconnect the power plug from the receptacle before removing or installing a blade.
- Mounting the saw blade (Fig. 25, Fig. 26 and Fig. 27)
- Use the accessory 10 mm box wrench to loosen the 6 mm bolt fastening the spindle cover and then rotate the spindle cover.
- Press in spindle lock and loosen bolt with 10 mm box wrench.
Since the bolt is left-hand threaded, loosen by turning it to the right.
NOTE- If the spindle lock cannot be easily pressed in to lock the spindle, turn the bolt with 10 mm box wrench while applying pressure on the spindle lock. The saw blade spindle is locked when the spindle lock is pressed inward.
- Remove the bolt and washer (D).
- Lift the lower guard and mount the saw blade.
WARNING
When mounting the saw blade, confirm that the rotation indicator mark on the saw blade and the rotation direction of the gear case are properly matched. - Thoroughly clean washer (D) and the bolt, and install them onto the saw blade spindle.
- Press in the spindle lock and tighten the bolt by turning it to the left by 10 mm box wrench.
- Rotate the spindle cover until hook in spindle cover is in the original position. Then tighten the 6mm bolt.
CAUTION- Confirm that the spindle lock has returned to the retract position after installing or removing the saw blade.
- Tighten the bolt so it does not come loose during operation.
- Confirm that the bolt has been properly tightened before the power tool is started.
- Confirm that the lower guard has closed position.
- Dismounting the saw blade
Dismount the saw blade by reversing the mounting procedures described in paragraph 1 above.
The saw blade can easily be removed after lifting the lower guard.
CAUTION- Never attempt to install saw blades except 216 mm in diameter.
MAINTENANCE AND INSPECTION
WARNING
To avoid an accident or personal injury, always confirm the trigger switch is turned OFF and that the power plug has been disconnected from the receptacle before performing any maintenance or inspection of this tool. Report to qualified person as soon as possible, if you discover the fault of machine including guards or blade saw.
- Inspecting the saw blade
Always replace the saw blade immediately upon the first sign of deterioration or damage.
A damaged saw blade can cause personal injury and a worn saw blade can cause ineffective operation and possible overload to the motor.
CAUTION
Never use a dull saw blade. When a saw blade is dull, its resistance to the hand pressure applied by the tool handle tends to increase, making it unsafe to operate the power tool. - Inspecting the mounting screws
Regularly inspect all mounting screws and ensure that they are properly tightened. Should any of the screws be loose, re-tighten them immediately. Failure to do so could result in serious hazard. - Inspecting the carbon brushes (Fig. 29)
The motor employs carbon brushes which are consumable parts. Since an excessively worn carbon brush can result in motor trouble, replace the carbon brushes with new ones having the same carbon brush No. shown in the figure when it becomes worn to or near the “wear limit”. In addition, always keep carbon brushes clean and ensure that they slide freely within the brush holders. - Replacing a carbon brushes
Disassemble the brush cap with a slotted-head screwdriver. The carbon brushes can then be easily removed. - Maintenance of the motor
The motor unit winding is the very “heart” of the power tool. Exercise due care to ensure the winding does not become damaged and/or wet with oil or water. - Inspecting the lower guard for proper operation
Before each use of the tool, test the lower guard (Fig. 5) to assure that it is in good condition and that it moves smoothly.
Never use the tool unless the lower guard operates properly and it is in good mechanical condition. - Storage
After operation of the tool has been completed, check that the following has been performed:- Trigger switch is in OFF position,
- Power plug has been removed from the receptacle,
When the tool is not in use, keep it stored in a dry place out of the reach of children.
- Lubrication
Lubricate the following sliding surfaces once a month to keep the power tool in good operating condition for a long time.
Use of machine oil is recommended.
Oil supply points:
* Rotary portion of hinge
* Rotary portion of holder (A)
* Rotary portion of vise assembly - Cleaning
Periodically remove chips and other waste material from the surface of the power tool with a damp, soapy cloth. To avoid a malfunction of the motor, protect it from contact with oil or water.
(Only Model C8FSHE)
If the laser line becomes invisible due to chips and the like adhered onto the window of the laser marker’s light-emitting section, wipe and clean the window with a dry cloth or a soft cloth moistened with soapy water, etc. - Service parts list
CAUTION
Repair, modification and inspection of Hikoi Power Tools must be carried out by a Hikki Authorized Service Center.
Especially laser device should be maintained by the authorized agent by laser manufacturer.
Always assign the repair of laser device to Hikki Authorized Service Center. This Parts List will be helpful if presented with the tool to the Hikki Authorized Service Center when requesting repair or other maintenance. In the operation and maintenance of power tools, the safety regulations and standards prescribed in each country must be observed.
MODIFICATIONS
HiKOKI Power Tools are constantly being improved and modified to incorporate the latest technological advancements.
Accordingly, some parts may be changed without prior notice.
GUARANTEE
We guarantee Hikki Power Tools in accordance with statutory/country specific regulation. This guarantee does not cover defects or damage due to misuse, abuse, or normal wear and tear. In case of complaint, please send the Power Tool, dismantled, with the GUARANTEE CERTIFICATE found at the end of this Handling instruction, to a Hikki Authorized Service Center.
NOTE
Due to Hikki’s continuing program of research and development the specifications herein are subject to change without prior notice.
Information concerning airborne noise and vibration
The measured values were determined according to EN61029.
The typical A-weighted sound pressure level: 90 dB(A)
The typical A-weighted sound power level: 103 dB (A)
Wear ear protection.
The typical weighted root mean square acceleration value does not exceed 2.5 m/s2.
Information for power supply system to be used with electric tools provided with rated voltage 230 V~
Switching operations of electric apparatus cause voltage fluctuations.
The operation of this electric tool under unfavorable mains conditions can have adverse effects to the operation of other electric apparatus.
With a mains impedance equal or less than 0.29 Ohms there will probably be no negative effects.
Usually, the maximum permissible mains impedance will not be exceeded when the branch to the power outlet is fed from a junction box with a service capacity of 25 ampere or higher.
In case of power failure, or when the power plug is pulled out, immediately return the switch to OFF position. This prevents an uncontrolled restart.


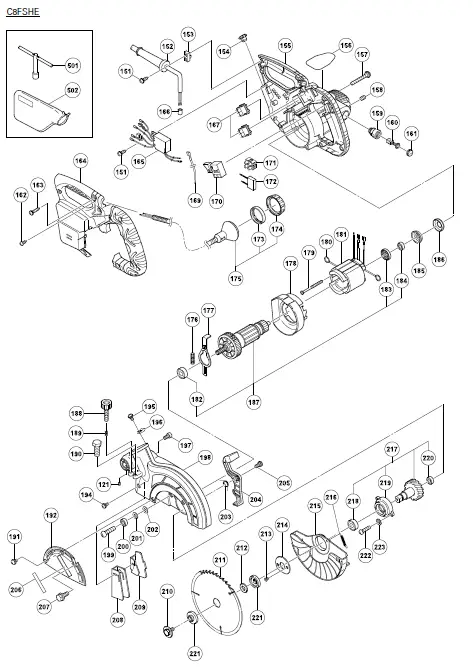
| Item No. | Part Name | Q’TY |
| 1 | MACHINE SCREW (W/WASHERS) M4´12 | 1 |
| 2 | CLAMP LEVER | 1 |
| 3 | BOLT (LEFT HAND) D10 | 1 |
| 4 | SPECIAL WASHER | 1 |
| 5 | SET PIN | 1 |
| 6 | O-RING (1AP-12) | 1 |
| 7 | MACHINE SCREW M4´8 | 5 |
| 8 | BOLT WASHER M4 | 6 |
| 9 | HINGE SHAFT (A) | 1 |
| 10 | SCALE (B) | 1 |
| 11 | LINER (A) | 1 |
| 12 | SPRING | 1 |
| 13 | TURN TABLE ASS’Y | 1 |
| 14 | SHAFT (B) | 1 |
| 15 | BOLT WASHER M12 | 2 |
| 16 | MACHINE SCREW M4´12 | 1 |
| 17 | INDICATOR | 1 |
| 18 | MACHINE SCREW M6´16 | 6 |
| 19 | TABLE INSERT | 2 |
| 20 | SPACER (A) | 1 |
| 21 | SHAFT (A) | 1 |
| 22 | E-RING | 1 |
| 23 | SIDE HANDLE | 1 |
| 24 | LEVER SHAFT | 1 |
| 25 | LEVER | 1 |
| 26 | SPRING (D) | 1 |
| 27 | CAUTION LABEL (D) | 1 |
| 28 | SHAFT (C) | 1 |
| 29 | SEAL LOCK HEX. SOCKET SET SCREW M6´6 | 1 |
| 30 | SPRING (E) | 1 |
| 31 | STOPPER (A) | 1 |
| 32 | COVER (B) | 1 |
| 33 | THRUST WASHER | 1 |
| 34 | PIN COVER | 1 |
| 35 | KNOB BOLT M10´66 | 1 |
| 36 | WING BOLT M6´15 | 1 |
| 37 | SCREW HOLDER | 1 |
| 38 | BOLT WASHER M6 | 1 |
| 39 | VISE SHAFT | 1 |
| 40 | VISE PLATE | 1 |
| 41 | MACHINE SCREW M4´10 | 1 |
| 42 | VISE ASS’Y | 1 |
| 43 | BOLT M8´35 | 4 |
| 44 | SPRING WASHER M8 | 4 |
| 45 | BOLT WASHER M8 | 4 |
| 46 | WING BOLT M6´17 | 1 |
| 47 | FENCE (B) | 1 |
| 52 | HOLDER | 1 |
| 53 | BOLT M6´10 | 1 |
| 54 | LINER | 3 |
| 55 | FENCE (A) | 1 |
| 56 | BASE ASS’Y | 1 |
| 57 | BASE RUBBER | 4 |
| 58 | SCALE (A) | 1 |
| 59 | CAUTION LABEL (A) | 1 |
| 81 | MACHINE SCREW | 2 |
| 82 | BOLT WASHER M4 | 6 |
| 83 | COVER | 1 |
| 84 | SLEEVE | 1 |
| 85 | SPRING | 1 |
| Item No. | Part Name | Q’TY |
| 86 | SEAL LOCK HEX. SOCKET SET. SCREW M8´10 | 4 |
| 87 | HINGE (A) ASS’Y | 1 |
| 88 | ADJUSTER | 1 |
| 89 | MACHINE SCREW M5´12 | 1 |
| 90 | SPACE | 1 |
| 91 | LINK | 1 |
| 92 | HINGE SHAFT (A) | 1 |
| 93 | BASE RUBBER | 1 |
| 94 | O-RING (P-6) | 1 |
| 95 | STOPPER PIN ASS’Y | 1 |
| 96 | CLUTCH SCREW | 1 |
| 97 | CLUTCH SPRING | 1 |
| 98 | ADJUSTING WASHER (B) T0.5 | 1 |
| 99 | PLATE (B) | 1 |
| 100 | SPRING | 1 |
| 101 | CLUTCH SPRING | 1 |
| 102 | SPRING | 2 |
| 103 | SEAL LOCK HEX. SOCKET SET SCREW M5´6 | 2 |
| 104 | COVER (A) | 1 |
| 105 | PLATE (A) | 1 |
| 106 | HOLDER (B) | 1 |
| 107 | LASER MARKET | 1 |
| 108 | MACHINE SCREW M4´12 | 3 |
| 109 | CAUTION LABEL (J) | 1 |
| 110 | CORD | 1 |
| 111 | MACHINE SCREW (W/WASHERS) M4´12 | 1 |
| 112 | NYLON CLIP | 1 |
| 113 | SUPPORT | 1 |
| 114 | BALL BUSHING | 1 |
| 115 | BUSHINGH | 1 |
| 116 | KNOB BOLT M6´25 | 1 |
| 117 | LOCK SPRING | 1 |
| 118 | SEAL LOCK HEX. SOCKET SET SCREW M6´10 | 1 |
| 119 | MACHINE SCREW M4´12 | 1 |
| 120 | INDICATOR | 1 |
| 121 | SEAL LOCK HEX. SOCKET SET SCREW M6´8 | 2 |
| 122 | TAPPING SCREW (W/FLABGE) D5´25 | 1 |
| 123 | NYLOCK BOLT (A) M8´25 | 2 |
| 124 | HOLDER (A) | 1 |
| 125 | GUARD ASS’Y | 1 |
| 151 | TAPPING SCREW (W/FLANGE) D4´16 | 3 |
| 152 | CORD ARMOR D10.1 | 1 |
| 153 | CORD CLIP | 1 |
| 154 | CORD BUSH | 1 |
| 155 | HOUSING ASS’Y | 1 |
| 156 | NAME PLATE | 1 |
| 157 | MACHINE SCREW (W/WASHERS) M5´40 | 3 |
| 158 | HEX. SOCKET SET SCREW M5´8 | 2 |
| 159 | BRUSH HOLDER | 2 |
| 160 | CARBON BRUSH | 2 |
| 161 | BRUSH CAP | 2 |
| 162 | TAPPING SCREW (CLASS 2) D4´14 | 1 |
| 163 | TAPPING SCREW (W/FLANGE) D4´20 | 7 |
| 164 | HANDLE COVER | 1 |
| 165 | SWITCHING POWER SUPPLY | 1 |
| 166 | FERRITE CORE | 1 |
| 167 | SWITCH (W/COVER) | 2 |
| 169 | INTERNAL WIRE (G) | 1 |
| 170 | SWITCH | 1 |
| 171 | PILLAR TERMINAL (A) | 1 |
| Item No. | Part Name | Q’TY |
| 172 | NOISE SUPPRESSOR | 1 |
| 173 | CLEAR COVER | 1 |
| 174 | CAP | 1 |
| 175 | LIGHT (H) ASS’Y | 1 |
| 176 | SPRING | 1 |
| 177 | LOCK LEVER | 1 |
| 178 | FAN GUIDE | 1 |
| 179 | HEX. HD. TAPPING SCREW D4´60 | 2 |
| 180 | BRUSH TERMINAL | 2 |
| 181 | STATOR ASS’Y | 1 |
| 182 | BALL BEARING 608VVC2PS2L | 1 |
| 183 | DUST SEAL | 1 |
| 184 | BALL BEARING 6000VVCMPS2L | 1 |
| 185 | BEARING BUSHING | 1 |
| 186 | RUBBER BUSHING | 1 |
| 187 | ARMATURE ASS’Y | 1 |
| 188 | KNOB BOLT M6´37 | 1 |
| 189 | LOCK SPRING | 1 |
| 190 | NYLOCK BOLT M8´25 | 1 |
| 191 | MACHINE SCREW (W/WASHERS) M5´8 | 1 |
| 192 | SPINDLE COVER | 1 |
| 194 | MACHINE SCREW (W/WASHERS) M4´12 | 1 |
| 195 | MACHINE SCREW (W/WASHERS) M4´12 | 1 |
| 196 | NYLON CLIP | 1 |
| 197 | SEAL LOCK HEX. SOCKET HD. BOLT M5´10 | 1 |
| 198 | GEAR CASE | 1 |
| 199 | MACHINE SCREW M6´25 | 1 |
| 200 | BALL BEARING 606ZZC2PS2L | 1 |
| 201 | SPRING WASHER M6 | 1 |
| 202 | WASHER M6 | 1 |
| 203 | LOCK LEVER SPRING | 1 |
| 204 | LOCK LEVER | 1 |
| 205 | SPECIAL SCREW M6 | 2 |
| 206 | BRAND PLATE | 1 |
| 207 | BOLT (W/WASHER) M6´16 | 1 |
| 208 | DUST GUIDE | 1 |
| 209 | GUIDE HOLDER | 1 |
| 210 | BOLT (LEFT HAND) W/WASHER M7´17.5 | 1 |
| 211 | TCT SAW BLADE | 1 |
| 212 | COLLAR (A) | 1 |
| 213 | FLAT HD. SCREW M4´10 | 2 |
| 214 | COVER | 1 |
| 215 | LOWER GUARD | 1 |
| 216 | RETURN SPRING | 1 |
| 217 | SPINDLE ASS’Y | 1 |
| 218 | BALL BEARING 6003VVCM | 1 |
| 219 | BEARING HOLDER | 1 |
| 220 | BALL BEARING 608VVC2PS2L | 1 |
| 221 | WASHER (D) | 2 |
| 222 | MACHINE SCREW M5´20 | 2 |
| 223 | SPRING WASHER M5 | 2 |
| 501 | BOX WRENCH 10MM | 1 |
| 502 | DUST BAG | 1 |
| 601 | NYLON NUT M6 | 1 |
| 602 | PLATE | 1 |
| 603 | SUB FENCE | 1 |
| 604 | FLAT SCREW M6´25 | 1 |
| 605 | SUB FENCE ASS’Y | 1 |
| 606 | CROWN MOLDING STOPPER (L) ASS’Y | 1 |
| Item No. | Part Name | Q’TY |
| 607 | KNOB BOLT M6´32 | 1 |
| 608 | CROWN MOLDING STOPPER HOLDER | 1 |
| 609 | CROWN MOLDING STOPPER (L) | 1 |
| 610 | WING BOLT M6´15 | 1 |
| 611 | VISE (B) ASS’Y | 1 |
| 612 | KNOB BOLT M6´11 | 1 |
| 613 | SCREW HOLDER (B) | 1 |
| 614 | WASHER (H) | 1 |
| 615 | BASE RUBBER | 1 |
| 616 | MACHINE SCREW (W/WASHERS) M4´10 | 1 |
| 617 | VISE SHAFT | 1 |
| 618 | KNOB BOLT M10´54 | 1 |
| 619 | CROWN MOLDING VISE ASS’Y | 1 |
| 620 | STOPPER | 1 |
| 621 | WING BOLT M6´20 | 1 |
| 622 | CROWN MOLDING STOPPER HOLDER | 1 |
| 623 | CROWN MOLDING STOPPER (R) | 1 |
| 624 | WING BOLT M6´15 | 1 |
| 625 | CROWN MOLDING STOPPER (R) ASS’Y | 1 |
| 626 | HOLDER ASS’Y | 1 |
| 627 | HOLDER | 2 |
| 628 | WING NUT M6 | 2 |
| 629 | NUT M6 | 2 |
| 630 | WASHER (H) | 4 |
| 631 | VISE PLATE | 2 |
| 632 | HIGH TENSION BOLT M6´25 | 2 |
| 633 | GUIDE ASS’Y | 1 |



C8FSE
| Item No. | Part Name | Q’TY |
| 1 | MACHINE SCREW (W/WASHERS) M4´12 | 1 |
| 2 | CLAMP LEVER | 1 |
| 3 | BOLT (LEFT HAND) D10 | 1 |
| 4 | SPECIAL WASHER | 1 |
| 5 | SET PIN | 1 |
| 6 | O-RING (1AP-12) | 1 |
| 7 | MACHINE SCREW M4´8 | 5 |
| 8 | BOLT WASHER M4 | 6 |
| 9 | HINGE SHAFT (A) | 1 |
| 10 | SCALE (B) | 1 |
| 11 | LINER (A) | 1 |
| 12 | SPRING | 1 |
| 13 | TURN TABLE ASS’Y | 1 |
| 14 | SHAFT (B) | 1 |
| 15 | BOLT WASHER M12 | 2 |
| 16 | MACHINE SCREW M4´12 | 1 |
| 17 | INDICATOR | 1 |
| 18 | MACHINE SCREW M6´16 | 6 |
| 19 | TABLE INSERT | 2 |
| 20 | SPACER (A) | 1 |
| 21 | SHAFT (A) | 1 |
| 22 | E-RING | 1 |
| 23 | SIDE HANDLE | 1 |
| 24 | LEVER SHAFT | 1 |
| 25 | LEVER | 1 |
| 26 | SPRING (D) | 1 |
| 27 | SHAFT (C) | 1 |
| 28 | SEAL LOCK HEX. SOCKET SET SCREW M6´6 | 1 |
| 29 | SPRING (E) | 1 |
| 30 | STOPPER (A) | 1 |
| 31 | COVER (B) | 1 |
| 32 | THRUST WASHER | 1 |
| 33 | PIN COVER | 1 |
| 34 | KNOB BOLT M10´66 | 1 |
| 35 | WING BOLT M6´15 | 1 |
| 36 | SCREW HOLDER | 1 |
| 37 | BOLT WASHER M6 | 1 |
| 38 | VISE SHAFT | 1 |
| 39 | VISE PLATE | 1 |
| 40 | MACHINE SCREW M4´10 | 1 |
| 41 | VISE ASS’Y | 1 |
| 42 | BOLT M8´35 | 4 |
| 43 | SPRING WASHER M8 | 4 |
| 44 | BOLT WASHER M8 | 4 |
| 45 | WING BOLT M6´17 | 1 |
| 46 | FENCE (B) | 1 |
| 51 | HOLDER | 1 |
| 52 | BOLT M6´10 | 1 |
| 53 | LINER | 3 |
| 54 | FENCE (A) | 1 |
| 55 | BASE ASS’Y | 1 |
| 56 | BASE RUBBER | 4 |
| 57 | SCALE (A) | 1 |
| 58 | CAUTION LABEL (A) | 1 |
| 81 | SLEEVE | 1 |
| 82 | SPRING | 1 |
| 83 | SEAL LOCK HEX. SOCKET SET. SCREW M8´10 | 4 |
| 84 | HINGE (A) ASS’Y | 1 |
| 85 | MACHINE SCREW M5´12 | 1 |
| 86 | SPACE | 1 |
| Item No. | Part Name | Q’TY |
| 87 | LINK | 1 |
| 88 | HINGE SHAFT (A) | 1 |
| 89 | O-RING (P-6) | 1 |
| 90 | STOPPER PIN ASS’Y | 1 |
| 91 | HINGE COVER | 1 |
| 92 | BOLT WASHER M4 | 5 |
| 93 | MACHINE SCREW M4´8 | 3 |
| 94 | CORD | 1 |
| 95 | MACHINE SCREW (W/WASHERS) M4´12 | 1 |
| 96 | NYLON CLIP | 1 |
| 97 | SUPPORT | 1 |
| 98 | MACHINE SCREW M4´8 | 1 |
| 99 | BALL BUSHING | 1 |
| 100 | BUSHINGH | 1 |
| 101 | KNOB BOLT M6´25 | 1 |
| 102 | LOCK SPRING | 1 |
| 103 | SEAL LOCK HEX. SOCKET SET SCREW M6´10 | 1 |
| 104 | MACHINE SCREW M4´12 | 1 |
| 105 | INDICATOR | 1 |
| 106 | SEAL LOCK HEX. SOCKET SET SCREW M6´8 | 2 |
| 107 | TAPPING SCREW (W/FLABGE) D5´25 | 1 |
| 108 | NYLOCK BOLT (A) M8´25 | 2 |
| 109 | HOLDER (A) | 1 |
| 110 | GUARD ASS’Y | 1 |
| 151 | TAPPING SCREW (W/FLANGE) D4´16 | 3 |
| 152 | CORD ARMOR D10.1 | 1 |
| 153 | CORD CLIP | 1 |
| 154 | HOUSING ASS’Y | 1 |
| 155 | NAME PLATE | 1 |
| 156 | MACHINE SCREW (W/WASHERS) M5´40 | 3 |
| 157 | HEX. SOCKET SET SCREW M5´8 | 2 |
| 158 | BRUSH HOLDER | 2 |
| 159 | CARBON BRUSH | 2 |
| 160 | BRUSH CAP | 2 |
| 161 | TAPPING SCREW (WFLANGE) D4´20 | 7 |
| 162 | HANDLE COVER | 1 |
| 163 | FERRITE CORE | 1 |
| 165 | INTERNAL WIRE (G) | 1 |
| 166 | SWITCH | 1 |
| 167 | PILLAR TERMINAL (A) | 1 |
| 168 | NOISE SUPPRESSOR | 1 |
| 169 | CAP | 1 |
| 170 | SPRING | 1 |
| 171 | LOCK LEVER | 1 |
| 172 | FAN GUIDE | 1 |
| 173 | HEX. HD. TAPPING SCREW D4´60 | 2 |
| 174 | BRUSH TERMINAL | 2 |
| 175 | STATOR ASS’Y | 1 |
| 176 | BALL BEARING 608VVC2PS2L | 1 |
| 177 | DUST SEAL | 1 |
| 178 | BALL BEARING 6000VVCMPS2L | 1 |
| 179 | BEARING BUSHING | 1 |
| 180 | RUBBER BUSHING | 1 |
| 181 | ARMATURE ASS’Y | 1 |
| 182 | KNOB BOLT M6´37 | 1 |
| 183 | LOCK SPRING | 1 |
| 184 | NYLOCK BOLT M8´25 | 1 |
| 185 | MACHINE SCREW (W/WASHERS) M5´8 | 1 |
| 186 | SPINDLE COVER | 1 |
| 188 | MACHINE SCREW (W/WASHERS) M4´12 | 1 |
| Item No. | Part Name | Q’TY |
| 189 | SEAL LOCK HEX. SOCKET HD. BOLT M5´10 | 1 |
| 190 | GEAR CASE | 1 |
| 191 | BRAND PLATE | 1 |
| 192 | BOLT (W/WASHER) M6´16 | 1 |
| 193 | MACHINE SCREW M6´25 | 1 |
| 194 | BALL BEARING 606ZZC2PS2L | 1 |
| 195 | SPRING WASHER M6 | 1 |
| 196 | WASHER M6 | 1 |
| 197 | LOCK LEVER SPRING | 1 |
| 198 | LOCK LEVER | 1 |
| 199 | SPECIAL SCREW M6 | 2 |
| 200 | DUST GUIDE | 1 |
| 201 | GUIDE HOLDER | 1 |
| 202 | BOLT (LEFT HAND) W/WASHER M7´17.5 | 1 |
| 203 | TCT SAW BLADE | 1 |
| 204 | COLLAR (A) | 1 |
| 205 | FLAT HD. SCREW M4´10 | 2 |
| 206 | COVER | 1 |
| 207 | LOWER GUARD | 1 |
| 208 | RETURN SPRING | 1 |
| 209 | SPINDLE ASS’Y | 1 |
| 210 | BALL BEARING 6003VVCM | 1 |
| 211 | BEARING HOLDER | 1 |
| 212 | BALL BEARING 608VVC2PS2L | 1 |
| 213 | WASHER (D) | 2 |
| 214 | MACHINE SCREW M5´20 | 2 |
| 215 | SPRING WASHER M5 | 2 |
| 501 | BOX WRENCH 10MM | 1 |
| 502 | DUST BAG | 1 |
| 601 | NYLON NUT M6 | 1 |
| 602 | PLATE | 1 |
| 603 | SUB FENCE | 1 |
| 604 | FLAT SCREW M6´25 | 1 |
| 605 | SUB FENCE ASS’Y | 1 |
| 606 | CROWN MOLDING STOPPER (L) ASS’Y | 1 |
| 607 | KNOB BOLT M6´32 | 1 |
| 608 | CROWN MOLDING STOPPER HOLDER | 1 |
| 609 | CROWN MOLDING STOPPER (L) | 1 |
| 610 | WING BOLT M6´15 | 1 |
| 611 | VISE (B) ASS’Y | 1 |
| 612 | KNOB BOLT M6´11 | 1 |
| 613 | SCREW HOLDER (B) | 1 |
| 614 | WASHER (H) | 1 |
| 615 | BASE RUBBER | 1 |
| 616 | MACHINE SCREW (W/WASHERS) M4´10 | 1 |
| 617 | VISE SHAFT | 1 |
| 618 | KNOB BOLT M10´54 | 1 |
| 619 | CROWN MOLDING VISE ASS’Y | 1 |
| 620 | STOPPER | 1 |
| 621 | WING BOLT M6´20 | 1 |
| 622 | CROWN MOLDING STOPPER HOLDER | 1 |
| 623 | CROWN MOLDING STOPPER (R) | 1 |
| 624 | WING BOLT M6´15 | 1 |
| 625 | CROWN MOLDING STOPPER (R) ASS’Y | 1 |
| 626 | HOLDER ASS’Y | 1 |
| 627 | HOLDER | 2 |
| 628 | WING NUT M6 | 2 |
| 629 | NUT M6 | 2 |
| 630 | WASHER (H) | 4 |
| 631 | VISE PLATE | 2 |
| Item No. | Part Name | Q’TY |
| 632 | HIGH TENSION BOLT M6´25 | 2 |
| 633 | GUIDE ASS’Y | 1 |
GUARANTEE CERTIFICATE
- Model No.
- Serial No.
- Date of Purchase
- Customer Name and Address
- Dealer Name and Address
(Please stamp dealer name and address)
Hikoki Power Tools Österreich GmbH
IndustrieZentrum NÖ –Süd, Straße 7, Obj. 58/A6 2355 Wiener Neudorf, Austria
Tel: +43 2236 64673/5
Fax: +43 2236 63373
URL: http://www.hikoki-powertools.at
Hikoki Power Tools Hungary Kft.
1106 Bogáncsvirág u.5-7, Budapest, Hungary
Tel: +36 1 2643433
Fax: +36 1 2643429
URL: http://www.hikoki-powertools.hu
Hikoki Power Tools Polska Sp. z o. o.
ul. Gierdziejewskiego 1
02-495 Warszawa, Poland
Tel: +48 22 863 33 78
Fax: +48 22 863 33 82
URL: http://www.hikoki-narzedzia.pl
Hikoki Power Tools Czech s.r.o.
Modřická 205, 664 48 Moravany, Czech Republic
Tel: +420 547 422 660
Fax: +420 547 213 588
URL: http://www.hikoki-powertools.cz
Hikoki Power Tools RUS L.L.C.
Kashirskoe Shosse 41, bldg. 2, 115409, Moscow, Russia Tel: +7 495 727 4460
Fax: +7 495 727 4461
URL: http://www.hikoki-powertools.ru
Hikoki Power Tools Romania S.R.L.
Ring Road, No. 66, Mustang Traco Warehouses, Warehouse
No.1, Pantelimon City, 077145, Ilfov County, Romania
Tel: +40 371 135 109
Fax: +40 372 899 765
URL: http://www.hikoki-powertools.ro
EC DECLARATION OF CONFORMITY
We declare under our sole responsibility that Slide Compound Miter Saw, identified by type and specific densify cation code *1), is in conformity with all relevant requirements of the directives *2) and standards *3). Technical fi le at *4) – See below. The European Standard Manager at the representative office in Europe is authorized to compile the technical file.
The declaration is applicable to the product affixed CE marking.



















