![]()

User manual
Robot vacuum cleaner
CRD4550S, CRD4550V
Thank you
for your trust and the purchase of our product. This user manual is supplied to help you use this product. The instructions should allow you to learn about your new product as quickly as possible.
Make sure you have received an undamaged product. If you do find transport damage, please contact the seller from which you purchased the product, or the regional warehouse from which it was supplied.
![]()
Publication date: 2021-09-20
This document and its content, including written material and images, are the property of Elon Group AB. You may not copy, reproduce, modify, republish or distribute this document or any of its content without express written permission from Elon Group AB. © 2021, Elon Group AB. All rights reserved.

WARRANTY
Guarantee of quality for the consumer (does not include wear parts).
1. SAFETY AND WARNING INFORMATION
1.1 Notes
Before using the product, please observe the following safety precautions:
- Read the instructions carefully and use the product according to the operating instructions.
- Keep the user manual in a safe place for future reference.
- If you want to give the product to someone else, please enclose the user manual with it.
- Incorrect operation may lead to serious personal injury and damage to the product.
1.2 Safety precautions
Only use the original power adapter, battery and charging station, otherwise the appliance may be damaged and there is a risk of fire, electric shock and high voltage.
If you find that the main body and accessories are damaged, please do not use the robot vacuum and get in touch with the after-service department. Do not attempt to disassemble, service or modify the appliance.
Unplug the power adapter before carrying out any maintenance.
Do not touch the battery socket or the appliance when your hands are wet, otherwise you may get an electric shock. If the power cord is damaged, please contact us and get it professionally replaced.

If the robot vacuum is used above ground floor level, make sure it cannot fall to a lower level and cause personal injury.
The user must not replace the battery without permission.
Keep clothing and body parts (hair, fingers, etc.) away from the main brush and wheels, to avoid personal injury.
Do not use the appliance near fire, inflammable, explosive or corrosive materials.
If the user manual is lost, please contact the local distributor or call the after-sales service centre to request an electronic copy of the manual.

The appliance is only intended for use indoors.

Do not expose the appliance to water, oil or other liquids.

Clear any wires and objects from the floor that could become entangled in the wheels and brushes.

Remove any fragile objects.

The charging station should be placed against the wall on a flat floor, or it may not operate correctly.

Switch off the robot vacuum before removing the battery.

Please turn off the charging station if it is not used for a long time.

If the charging station is moved while the robot vacuum is working, it will prevent the robot from recharging.

Do not try to sweep up anything sharp with the appliance, such as glass, nails, etc., to avoid damaging the appliance.

Do not use this appliance in humid, flammable, explosive or corrosive environments.
1.3 Child safety
![]()

- Do not let children use this appliance on their own.
- Keep the polythene bag away from children, to avoid suffocation.
1.4 About the battery
![]()
1. The robot vacuum must only be used with the original battery.
2. The battery must be removed before you dispose of the robot vacuum.
3. If you want to replace the battery, please contact our after-service department. Installing the wrong type of battery in the appliance could lead to an accident.
4. If the battery has leaked, please do not touch the liquid; wipe off the liquid with a dry cloth. Dispose of the battery in a recycling bin or at a maintenance centre, do not dispose of it with general household waste.
5. Dispose of the old battery carefully. The battery contains hazardous substance, please dispose of it at a recycling centre according to local environmental protection regulations.
1.5 Suitable floor surfaces
Floor surfaces. The robot vacuum is suitable for the following surfaces:



Wooden floors Tiled floors Carpets
1.6 Suitable floor surfaces
Free servicing under warranty does not apply in the following circumstances: Repairs may be carried out at the owner’s expense:
A. If damage to the product is a result of operation or storage that does not comply with this user manual.
B. The warranty period has expired.
C. If damage to the product is a result of disassembly by service personnel not sent or authorized by our company.
D. A valid purchase invoice cannot be provided.
E. The model stated on the warranty card does not match the product for repair, or the card has been altered.
F. The damage to the product is a result of unpredictable events such as natural disasters.
G. Failure or damage to the product arises out of accidental or human factors (including incorrect operation, contact with liquids, improper insertion and pulling of cords, scratches, rough handling, impact, incorrect supply voltage, etc.).
2. PRODUCT INFORMATION
2.1 Main body and accessories

Main body x1 Charging station x1 Adapter x1

Side brush x2 Cleaning brush x1 Filter x1
![]()
User manual x1 Screwdriver x1 Screw x2 EVA tap x1
Tips:
The battery, two side brushes and a filter are already fitted to the main body.
2.2 Accessories
Front view

- Radar
- Box pop-out button
- Dust box
- Control button
- Signal window
- Front shell
- Top cover
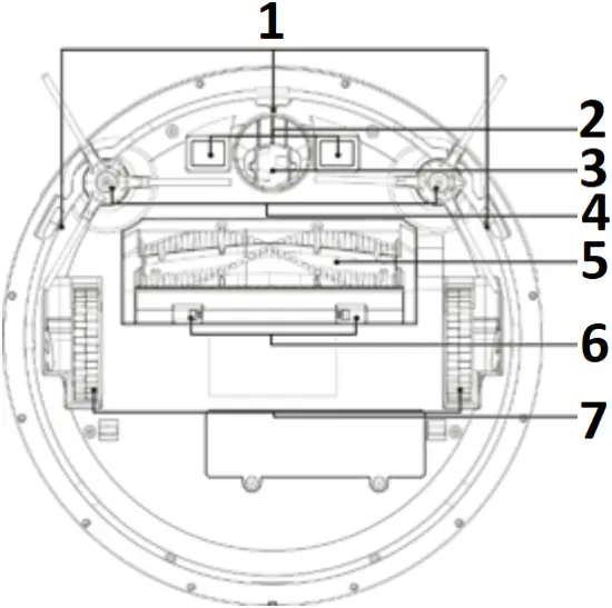
Bottom view

- Anti-drop sensor
- Charging contact
- Front wheel
- Side brush
- Middle brush
- Main brush cover and clip
- Left/right wheels
Side view

- Anti-bump sensor on radar cover
- PSD wall-following sensor
- Infrared bump sensor
- Recharge sensor
Side view

- Power indicator
- Signal emission area
- Charging plate
Front view

- Reset button
- ON/OFF button
- Dust box cover
- Box stand
- HEPA filter
- Filter sponge
- Filter stand
- Dust box
3. PRODUCT INSTALLATION
3.1 Installation of charging station

- Adapter socket
- Charging terminal
- Wall surface
- Floor
1. Place the charging station on a flat and level floor.
Check that there are no obstacles 0.5 metres to either side and 1.5 metres in front of the charging station.
2. To ensure the robot vacuum can recharge correctly, do not move the charging station frequently. If the location of the charging station is changed, the robot vacuum may lose track of its position. When the robot vacuum has completed charging and restarted it will create and memorize the map.
Note: If the map is reset, all information about prohibited areas and cleaning areas will be lost.

3. Before use, please remove the protective strip to ensure proper operation of the appliance.
4. Connect the adapter to the charging station and the power socket. Coil up any loose connecting cable from the adapter neatly so that it will not obstruct the robot vacuum while it is working.
5. Power on and charging. Start the robot vacuum by pressing the power button underneath the dust box, see illustration on page 10.
Method 1: Press the
button to power on. Place the main body within 1 metre in front of the charging station after the ring indicator lights up. Press the
button and the device will automatically search for the charging station in order to charge up.
Method 2: If the robot vacuum does not start up because the battery is low, place the main body directly on the charging station and aim it at the charging terminal. After the power indicator on the charging station turns off, the main body will start charging.


- Danger!
Electric shock - Charging station
- Main body
- Pay attention to the alignment of the charging plate
6. Apply the protective EVA tape to the radar cover.

7. Download the mobile app
Method 1: Download after scanning the QR code below with a mobile phone.
Method 2: Search for “Tuya smart” in the app store to find the app and download it.
Note: If your mobile cannot connect to the robot vacuum, please refer to Reset WiFi on page 14 to connect it.
4. OPERATING GUIDE
4.1 Control buttons and indicators

- Sweep On/Off button:
1. Short press: start or pause.
2. Press for 3 seconds to shut down. - Ring indicator:
1. Green light: normal operation or recharge.
2. Red light: abnormal or low battery.
3. Yellow light: appliance not networked. - Recharge/Area cleaning:
1. Short-press: recharge or pause standby.
2. Long-press: Local cleaning after 3 seconds (covers a square area measuring 2 m x 2 m, centred on the current location).
Tips:
- Press any key while cleaning, recharging or area cleaning to pause the current task.
- Press and hold the
and
buttons simultaneously for 3 seconds at to reset WiFi. - Press the Reset button to power off the system. If the power switch is on at this time, the robot vacuum will restart automatically.
4.2 What the indicator lights mean
| No. | State | Display | Beeping |
| 1. | Initialization after turning on | Pulsing green light | Long beep on start-up |
| 2. | Initialization finished | Green light on | Beeps twice |
| 3. | Not connected to WLAN after initialization | Yellow light on | |
| 4. | Connecting to WLAN | Yellow light on after flash | Single beep |
| 5. | Connected to WLAN | Green light on | Beeps twice |
| 6. | Reset WiFi connection | Yellow light flashes slowly | Single beep |
| 7. | Start cleaning | Green/yellow light on after flash | Start-up music |
| 8. | Pause cleaning | Green/yellow light on after flash | |
| 9. | Resume cleaning | Green/yellow light on after flash | Start-up music |
| 10. | Cleaning finished | Green/yellow light on after flash | Beeps twice |
| 11. | Low voltage and start auto-recharging | Green/yellow light turning to red after flash | Recharge start music |
| 12. | Start searching for charging station | Green/yellow flashes slowly | Recharge start music |
| 13. | Pause auto-recharging | Green/yellow light on after flash | |
| 14. | Start charging at charging station | Pulsing green/yellow light | Beeps twice |
| 15. | Received a command while appliance is being charged and does not have enough power | A red light restores after on | Single beep |
| 16. | Fully charged | Green/yellow light on | |
| 17. | The dust box was removed | Red light flashes quickly | Single beep |
| 18. | The dust box was refitted | Red light flashes quickly and reddens / A yellow light on | Single beep |
| 19. | Recreating map | Green/yellow light on after flash | Single beep |
| 20. | Appliance is turning off | Red light goes out after flashing quickly until shutdown | |
| 21. | Start upgrading firmware | Green/yellow light flashes quickly | Single beep |
| 22. | Firmware upgrade failed | Red light turns green after quick flash | Beep 1.5 seconds |
| 23. | Firmware upgrade complete | Green/yellow light on after quick flash | Beeps twice |
| 24. | Locating robot (finding it) | Green/yellow light on after flash | Locating robot music |
4.3 Mobile app (see Appendix)

5. PRODUCT MAINTENANCE
5.1 Cleaning the charging plate



Note:
Carry out regular maintenance according to usage.
- Charging plate
1. Turn off the power switch or disconnect the power plug first.
2. Clean the charging plate monthly with a dry cloth.
3. Do not use oil for cleaning.
5.2 Cleaning the dust box
5.2.1 Assembling and dismantling the dust box

As shown in the above figure, press the button on the box and the box will pop out. Then remove the dust box.
5.2.2 Cleaning the dust box

1. Open the baffle first, then pour out the dust. Tip: The dust box should be cleaned periodically.

2. Clean the dust box using the cleaning brush.
3. After removing the filter, wipe off the dust with the cleaning brush.

4. The dust box can be washed under running water.
(Note: the dust box should be completely air-dried before re-inserting.)

5. After cleaning, refit the filter in the dust box first, then insert the dust box into the body.




5.3 Cleaning the main brush
5.3.1 Disassembling the main brush

1. Slide the locking bar and lift it upwards.

2. Grasp the main brush and lift it out.

3. Take out the middle brushes and the scraper assembly.
5.3.2 Cleaning the main brush and the rubber brush

1. Clean the main brush compartment with a soft cloth

2. Clean the main brush with the cleaning tool or use scissors to remove tangled hair.
5.4 Cleaning the side brushes

1. Undo the screws that hold the side brushes, using a screwdriver.

2. Take out the side brush, remove the hair and debris from the side brush and surrounding area.

Clean the front, left and right wheels regularly with a cleaning brush.
(Note: Hairs and the like may become wrapped around the wheel axle. Please remove them as soon as possible.

- Floor detection sensor
- IR sensor
After each cleaning session is completed, use a dry cotton cloth to dry the transparent plate and prevent dust from accumulating on the plate, which could affect the performance of this product.
6. COMMON FAULTS
| Fault description | Symptom | Cause | Solution |
| Dust box failure | A red light flashes slowly and there is a single beep | Dust box not securely fitted | Secure the dust box to the main body |
| Dust box full | Sequence of 5 beeps | The box is full or the filter needs to be changed | Clean the box or change the filter |
| Radar failure | A red light flashes slowly and there are 4 beeps | Top radar is covered or appliance is placed in open area (no barriers within 6 x 6 m) | Check if the radar is covered or place the robot vacuum indoors |
| Takeoff fault | A red light comes on and there are 2 beeps | The robot vacuum is picked up and shut down | Put the robot vacuum on the floor and don’t suspend it in mid-air |
| Failure of floor detection sensor | A red light flashes slowly and there are 3 beeps | The anti-drop sensor is shielded or set too high | Check if the bottom induction window is obscured, or put the robot vacuum back on the floor |
| Wall detection failure | A red light flashes slowly and there are 2 beeps | Wall detection is faulty | Check if the transparent window is obscured by foreign matter |
| Front collision failure | A red light comes on and there are 4 beeps | The collision rail or sensor is stuck | Check that the bumper is unobstructed and free to move |
| Main wheel failure | A red light comes on and there is a single beep | The main wheel is entangled or jammed | Check if the main wheel is entangled |
| Failure of side brush | A red light comes on and there are 2 beeps | The side brush is entangled or jammed | Check if the side brush is entangled by foreign matter |
| Main brush failure | A red light comes on and there are 3 beeps | The main brush is entangled or jammed | Check if the main body is entangled |
| Trapping failure | A red light comes on and there are 4 beeps | The main body is trapped | Recharge start music |
| Slope failure | A red light comes on and there are 5 beeps | Appliance is trying to start on a slope | Place the main body back on a level floor |
| Failure of charging station | A red light comes on and there are 3 beeps | The charging station cannot be found, or short of power | Keep the main body near the charging station or connect the charging station to the adapter |
| Low battery | A red light comes on and there is a single beep | Battery level is too low, and the robot is not docked with the charging station | Recharge appliance |
| Blower failure | A red light comes on and there are 5 beeps | Blower is not working | Check if the blower blades are loose or entangled by foreign matter. |
| Unknown fault | A red light comes on and the appliance beeps for 1.5 seconds. | An unknown fault or error has caused an exception | Restart the appliance |
Tip: If any fault cannot be resolved, please contact our after-sales team.
7. TECHNICAL PARAMETERS
| Main body parameters | Accessory parameters | ||
| Working voltage | 14.4 V ⎓ | Adapter | |
| Rated power | 27 W | Output voltage | 24V ⎓ |
| Battery | Lithium battery | Output current | 630mA ⎓ |
| Battery capacity | 2500 mAh | Charging station | |
| Charging time | 4–5 hrs | Operating voltage | 24V — |
| Run time | 60–80 min | ||
| Working temp. range | 0 ° C – 45 ° C | ||
| Working humidity range | ≤80% RH | ||
| Sound level | ≤68 dB | ||
| Net weight | 3.32 kg | ||
| Dimensions | Φ 34 x 10 cm | ||
Caution:
- The red line indicates the positive (+) and the black line indicates the negative (-).
- This appliance contains batteries that are only replaceable by skilled persons.
- The electrode is sealed with glass glue and must be treated as non-combustible waste.
- Do not fit non-rechargeable batteries. Turn off the appliance, safely remove the battery, and return the battery to the processing plant.
Remarks: Our company reserves the right to revise products in response to changes in technology, product design and product improvements.
8. INSTALLING AND USING THE WATER TANK
1. Fill with water at the water inlet, then seal the inlet.

2. Attach the mop.

3. Press the water tank in place as shown in the diagram below.


Warning:
- For use on hard floors only; do not use on carpets.
- Remove water tank and mop before charging.
- Wet the mop and wring it out before use.
© 2021, Elon Group AB. All rights reserved.
![]()

![]()
Elvita products are distributed and marketed by Elon Group AB.
Elon Group AB Bäcklundavägen 1 | 702 03 Örebro Sweden
ELON GROUP | +46(0)10-220 40 00 | ELONGROUP.SE
Support and service: ELVITA.SE




















