OWNER’S MANUAL
RC23 & RC30 Trailer Winches 
RC23 Trailer Winch
These instructions apply to all models listed.
Details and procedures unique to a specific model are labeled appropriately.
- 12 Volt Powered Winch
- Wireless Remote Operation
- Remote Power-In / Freewheel-out operation
- Spot Light Mounted in Housing
- Refer to the Specifications Page for Load Capacity
Thoroughly read the manual furnished with this product and be familiar with the controls. Do not allow individuals to operate the winch without understanding the safe operation and procedures for the equipment.
PROPRIETARY STATEMENT
The Powerwinch RC23 and RC30 Trailer Winches are products of Scott Fetzer Electrical Group or SFEG, located in Fairview, Tennessee, USA. The information contained in or disclosed in this document is considered proprietary to SFEG. Every effort has been made to ensure that the information presented in the document is accurate and complete. However, SFEG assumes no liability for errors or for any damages that result from the use of this document.
The information contained in this manual pertains to the current configuration of the models listed on the title page. Earlier model configurations may differ from the information given. SFEG reserves the right to cancel, change, alter or add any parts and assemblies, described in this manual, without prior notice.
SFEG agrees to allow the reproduction of this document for use with SFEG products only. Any other reproduction or translation of this document in whole or part is strictly prohibited without prior written approval from SFEG.
SAFETY INFORMATION
The following Safety Precautions Must be Followed at ALL Times. Failure to follow the warnings and cautions in this manual could result in serious injury and/or property damage.
WARNING This product can expose you to chemicals including Di-isodecyl phthalate (DIDP), Vinyl Chloride and Cumene, which are known to the state of California to cause cancer or birth defects or other reproductive harm. For more information visit www.P65warnings.ca.gov
CAUTION ALWAYS block the vehicle wheels to help prevent the vehicle from moving when pulling a load with the winch.
CAUTION SHOCK HAZARD. ALWAYS unplug the wiring harness before attempting to install, relocate, service or perform maintenance on the winch.
CAUTION NEVER use the winch to lift or move people or animals.
CAUTION NEVER use the winch for overhead lifting.
CAUTION NEVER attempt to pull a load greater than the rated load of the winch.
CAUTION ALWAYS stand away from the winch during operation.
ALWAYS keep objects, people and animals away from the camper and camper top when operating the winch. Serious injury could occur if the cable breaks.
CAUTION NEVER wear loose fitting clothes, scarves, ties or jewelry when operating the winch. Loose clothing can become caught in moving parts.
CAUTION ALWAYS keep hands clear of the cable spool (drum area).
CAUTION ALWAYS wear leather gloves when handling the cable.
Steel cable can cause serious damage to hands.
CAUTION Remove all tools used for manual override operation before operating the winch with the electrical power.
CAUTION NEVER use the winch to exclusively hold, support or permanently secure the load. Use separate straps to support the load.
CAUTION ALWAYS stand away from the winch during operation.
ALWAYS stand clear of the area behind and between the load and the winch.
Serious injury could occur if the cable breaks.
SPECIFICATIONS
Various load conditions affect winch performance. The line pull required for a specific application depends on the weight of the load, condition of the trailer rollers, and the degree of the loading ramp incline. The chart below is based on a single line pull and is provided as a guideline in calculating pulling capabilities.
WARNING The cable fasteners on this or any winch are not designed to hold rated loads independently. Always leave a minimum of five wraps of cable on the drum to achieve the rated load values.
Chart 1. Approximate Rolling Load Capacities (values are in pounds)
| %Incline | Level | 5% | 10% | 20% | 30% | 26˚ | 50% | 70% | 100% |
| ˚ Incline | 0˚ | 3˚ | 6˚ | 11˚ | 17˚ | 3720 | 26˚ | 35˚ | 45˚ |
| RC23 | 24000 | 13340 | 10040 | 6800 | 5220 | 3720 | 3060 | 2580 | |
| RC30 | 40000 | 23345 | 17570 | 11900 | 5220 | 6510 | 6510 | 5355 | 4515 |
- A 10% incline (6˚) is 1 foot rise in 10 feet.
- To convert from pounds (lbs) to kilograms (kgs) divide by 2.2.
- Capacity can be increased by using a pulley block.
Chart 2. Winch & Boat Capacities (values are in pounds)
Model | Vertical Lift Capacity | Double Line Pull | Approximate Boat Weight* | Approximate |
RC23 | 2,400 | 4300 | 7500 | 17-23 Feet |
| RC30 | 4000 | 7500 | 11500 | 23-30 Feet |
* Boat size and weight is approximate and varies depending on boat type.
When calculating boat weight, use the fully loaded weight that includes boat, motor, fuel, water, gear etc.
Chart 3. Approximate Rolling Load Capacities (values are in pounds)
| Model | Line Speed @ Capacity (FPM) | Gear Ratio | Voltage | Circuit Breaker | Unit Weight |
RC23 | 14 | 225:1 | 12 vdc | 60 amps | 34 lbs |
| RC30 | 8 | 450:1 | 12 vdc | 60 amps | 36 lbs |
Noise Level during Operation: less than 98db (A).
INSTALLATION
MOUNTING THE UNIT
The following instructions are for standard mounting of the winch. A quick mount kit is available (p/n P7700000AJ). If installing with the quick mount kit, follow the directions with the kit. Steps 3, 4 and 6 apply when using the kit.
The winch can be mounted on the trailer in the same position and location as an existing hand winch.
- Remove the existing hand winch.
- Position the unit on the trailer mount stand.
- Confirm that the winch’s cable hook and the bow eye on the boat are at the same height when the boat is in the fully loaded position on the trailer.
If the bow eye is too high, extra pull is required of the winch and extra stress is exerted on the boat’s stern and bow eye.
If necessary to create equal height, raise or lower the winch stand. In most cases, trailer manufacturers have adapters available for use with a winch. - Confirm that there is a minimum of 12 inches clearance between the winch and the bow eye when the boat is in the fully loaded position. If necessary, extend the bow stop to obtain the clearance.
- Bolt the unit using a minimum of two (2) 3/8″ grade 5 machine bolts and lock nuts. If the existing mounting holes do not line up with the winch, use the bottom of the winch as a template and drill two (2) 7/16″ holes in the mounting surface of the trailer stand.
- If using a double line pull (using a pulley block), install a 3/8″ eyebolt on the stand as close as possible to the base of the winch. Eyebolt is supplied by the installer.
ASSEMBLING THE PULLEY BLOCK
- Place the two screws through one of the tear drop plates and hold in place.
- Slide a bushing over each screw.
- Slide the pulley wheel and hook over the bushings as shown. The components fit loosely on the bushings.
- Wrap the cable around the pulley.
- Place the second tear drop plate over the screws and secure using the washers and nuts provided.
Double Lining the Winch
- With the cable threaded through the block, hook the pulley block to the bow eye.
- Power out the cable and attach the cable hook to the eyebolt next to the winch.
- Power in the cable.
WIRING THE UNIT
The following instructions are for permanently wiring the winch. Two additional wiring kits are available and sold separately: A universal bumper wiring kit (p/n P7702101AJ)
and a quick connect wiring harness (p/n P7866000AJ) for temporary connections. If installing one of the kits, follow the directions with the kit.
- Attach the circuit breaker to the battery’s POSITIVE (+) post or positive (+) terminal of the starter solenoid.
- Attach the ground wire (black) to the vehicle frame. Clean the metal frame with a wire brush or equivalent then attach the ground lug using a 5/16″ bolt and lock nut (bolt and nut not furnished).
- Route the wire under the vehicle and along the frame. Avoid sharp edges and moving parts. Secure the wire to the frame approximately every 18″ using nylon ties or equivalent.
NOTE: If the winch does not operate, follow the troubleshooting guide on page 9 and check the in-line fuse (page 10) before returning the winch.
THE REMOTE TRANSMITTER
The RC23 and RC30 winches are equipped with to operate with a RF (Radio Frequency) transmitter and receiver. The transmitter and receiver are factory programmed to communicate with each other.
Testing the Remote
- Connect the 12V power cord to the winch.
- Press and hold the remote’s ON/OFF button for 3 seconds.
The blue LED will illuminate and the winch light will flash. - Loosen the clutch knob (turn counter clockwise) to prevent the winch from pulling the cable in.
- Press and hold the ⇑ button and verify that the motor is running. Release the button.
If the motor runs, the winch is ready for use. - Tighten the clutch knob, the winch can now pull the boat onto the trailer.

CAUTION When not in use, press the on/off button to turn off the remote. This will prevent the winch from accidentally operating when not in use.
Programming a Replacement Remote
- Connect the 12V power cable to the winch.
- Release the clutch knob and pull the cable out about 4 feet.
- Hold down the up position of the toggle on the back of the winch for 5 seconds.
- When the LED on the winch lights up, release the toggle.

- Press the ↑ button on the key fob until LED flashes one time. Then release.
- Wait for the light on the winch to flash 4 times, and turn off.
- Hold the on/off button on the key fob for 3 seconds until the LED on the winch flashes once.
- After the LED has flashed one time, tighten the clutch knob and press the ↑ button on the key fob to run the cable in. Press the light button on then off to test the LED.
Remote Operational Notes
- The transmitter (remote) is an electronic device and should be kept dry at all times.
- The remote operates best within a 10′-15′ range from the winch (receiver).
Maximum operating distance is 30′- 40′. Actual distance may vary depending on the environment the remote is used in. - For best operation, hold the remote level with or above the winch.
- The transmitter and receiver have been tested and complies with the limits for a Class B digital device pursuant to Part 15 of the FCC Rules.
This equipment generates, uses and can radiate radio frequency energy. There is no guarantee that interference will not occur in any particular installation. This interference may affect radio and television reception. - To prevent accidental operation of the winch and to preserve battery life, the remote must be turned off after every use.
Replacing the Remote Battery
The remote uses a 12V size A23 battery. Batteries are available through your local battery outlets. For best performance, the battery should be changed every 3 months or twice during the boating season. Actual battery life is dependent on frequency of use, environmental conditions and the condition of the remote.
- Remove the small screw from the back of the remote.
- Carefully separate the two halves of the remote.
NOTE: When removing the old battery, make note of the polarity of the battery. When inserting the new battery, place the negative end against the coil spring terminal. - Remove the old battery and insert the new battery.
- Reattach the covers and screw removed previously.
OPERATING THE WINCH
WARNING To avoid personal injury and property damage, clear the area around and behind the boat of people, animals and obstructions before loading or unloading the boat.
WARNING Never stand between the load or anchor point and the winch. Serious personal injury could occur if the cable breaks.
WARNING NEVER use the winch alone to secure the boat to the trailer during transit. Use separate straps or equivalent to secure the boat to the trailer.
CAUTION ALWAYS wear leather gloves when handling the cable. Steel cable can cause serious damage to hands.
NOTICE After using the winch, always disconnect the power cord from the socket to avoid moisture collection in the socket and prevent the possibility of short circuiting.
NOTICE To prevent damage to the motor, do not operate the winch continuously for periods over 20 minutes. Allow the motor to “rest” for a minimum of 1 hour. UNLOADING THE BOAT
- Attach the winch cable hook to the bow eye on the boat.
- Connect the power to the winch. The power cord plug goes into the socket on the right side of the winch.
- Remove the tie down straps from the boat.
- Slowly turn the clutch knob (counterclockwise) to release the winch brake.
- Allow the boat to slide off the trailer. If necessary, the clutch knob can be tightened to slow the speed of the boat.
- When the boat is in the water, release the cable hook.
- Tighten the clutch control knob clockwise until finger tight to set the brake.
- While maintaining tension in the cable, press the ⇑ button on the remote.
Roll the cable up completely.
NOTICE Do not allow the cable hook to roll into the winch. Damage to the level wind plate can occur. - Secure the cable hook to prevent any accidental injury or damage.
LOADING THE BOAT
- Align the boat and trailer.
- Loosen the clutch knob (turn counterclockwise) and free-wheel the cable to the boat. Attach the hook to the eye on the bolt.
NOTE: If the winch cable is initially difficult to pull out, try engaging the motor for a few seconds with the clutch fully released. This should free the clutch allowing the cable to pull out. - Tighten the clutch control knob clockwise until finger tight to set the brake.
DO NOT over tighten the clutch knob; over tightening can cause damage to the clutch. - Step clear of the cable, winch and boat.
- Turn on the remote by pressing the ON/OFF button until the blue LED illuminates and the winch light flashes.
- Press and hold the ⇑ button. Power in the cable until the boat touches the bow stop. Release the button.
- When fully loaded, secure the boat to the trailer.
MANUAL OVERRIDE SWITCH
If the remote is lost or damaged before retrieving the boat, a manual override switch is provided on the back of the winch.
- Connect the power to the winch. The power cord plug goes into the socket on the right side of the winch.
- Align the boat and trailer.
- Loosen the clutch knob (turn counterclockwise) and free-wheel the cable to the boat. Attach the hook to the eye on the boat.
- Tighten the clutch control knob clockwise until finger tight to set the brake. DO NOT over tighten the clutch knob; over tightening can cause damage to the clutch.
- Press down and hold the manual override switch Power in the cable until the boat touches the bow stop. Release the switch.
- When fully loaded, secure the boat to the trailer.

EMERGENCY HAND CRANK
An emergency hand crank is stored in the LH cover. The crank is used when there is no power (i.e. a dead battery).
WARNING Never use the hand crank to assist a running motor.
Serious personal injury can occur.
- Disconnect the power cord from the winch.
- Remove the outer nut from the shaft on the side opposite the clutch knob.
- Remove the emergency crank handle from the storage position and place on the shaft.
- Secure the handle to the shaft with the nut removed previously. Tighten the nut snugly against the handle.

- Tighten the clutch control knob clockwise until finger tight to set the brake. DO NOT over tighten the clutch knob; over tightening can cause damage to the clutch.
- Turn the crank handle to wind in the cable. (clockwise for RC30, counterclockwise for RC23)
- After the boat has been secured on the trailer, remove the handle from the shaft. Replace the nut on the shaft and tighten firmly against the inner nut.
- Place the handle in the storage position. Make sure the handle is firmly seated in the storage position before traveling.
CAUTION Remove all tools used for manual override operation before operating the winch with the electrical power.
OPERATING THE LIGHT
NOTICE To avoid damage to the light, do not operate the light for longer than 20 minutes at a time.
The RC23 and RC30 winches are equipped with a 12V light mounted on the top of the unit. The light can be used when the winch is running or when it is idle. Two methods of operating the light are available.
Connect the power cord to the winch.
From the winch: A switch is located on the top of the unit. To turn the light on or off press and release the light switch.
With the remote: To turn the light on or off press and release the light button.
NOTE: The light will automatically turn off after 20 minutes
Replacing the Light Bulb Units
For units built prior to July 2012, the light uses a filament type bulb. For units built after July 2012, the light is an LED assembly. The LED lights have an approximate life span of 50,000 hours. 
- Remove the two (2) screws that hold the lens onto the cover.
- Remove the gasket and inspect for tears or damage, replace if necessary.
- Rotate the old bulb 1/4 turn and pull out of the clips.
- Insert the new bulb and lock with a 1/4 turn in the clips.
- Reattach the gasket and lens.
The 12V bulb (p/n 55908) is a 212-2 automotive bulb available at local automotive parts stores.
A lens replacement kit (p/n R001312) includes lens, gasket and bulb.
Older units can be updated with the LED light assembly (p/n R001728).
MAINTENANCE
WARNING Always disconnect the power harness from the winch before attempting to install, service or perform any maintenance on the unit.
LUBRICATION
The following steps should be performed a minimum of once a year.
Cable: Lubricate the cable with Whitmore’s Wire Rope Spray, WD40 or equivalent. Spray the shaft and the cable as the cable is being wound.
Gears: Remove the covers and lubricate the gears with a lithium base grease.
Be careful not to get grease on the clutch lining.
REPLACING THE CABLE
CAUTION Always use the exact Powerwinch replacement cable (p/n P7188800AJ). Winch rating and cable strength are matched for safe and optimum performance. NEVER replace the cable with rope.
CAUTION ALWAYS wear leather gloves when handling the cable.
Steel cable can cause serious damage to hands.
- Unplug the wire harness from the winch.
- Loosen the clutch knob (turn counterclockwise) and pull the cable out completely.
- Cut the old cable off approximately 2″ from the cable drum.
- Slide the collar away from the cable then push the old cable out of the drum shaft.
- Insert the new cable through the shaft. The cable must be inserted through the side opposite the counter bore.
- Insert the stop sleeve over the end of the cable until the cable is flush with the end of the stop. Solder or crimp the stop onto the cable.

- Pull the cable back through the shaft until the stop is seated in the counter bore of hole.
- Slide the collar around the cable. The notch on the collar fits around the cable.
- Tighten the clutch control knob clockwise until finger tight to set the brake.
DO NOT over tighten the clutch knob; over tightening can cause damage to the clutch. - Reconnect the harness to the unit. Power-in the cable, keeping tension on the cable as it is winding.
NOTICE If the cable is not wound correctly, it may cause loss of power and risk damage to the level wind plate. If the cable is not correct (too loose or wound on one side), unwind the cable then rewind while keeping tension on the cable.
TROUBLESHOOTING GUIDE
WINCH DOES NOT OPERATE | ||||
| A. | Confirm power to winch 1. Check vehicle battery is fully charged 2. Confirm connections are for tight & clean. 3. Check wires are worn or bare that may cause shorts | Correct as required. | ||
| B. | Check circuit breaker at battery | |||
| Bypass circuit breaker and test winch. Does the winch run? | YES | If winch runs, circuit breaker is bad, replace. | ||
| NOTICE | Do not operate the winch | NO | Reconnect circuit breaker and go to step C. | |
| without the circuit breaker. Removing the CB from the circuit is ONLY for testing. | ||||
| C. | Check In-Line Fuse | |||
| A 5 amp in-line fuse is located under the top cover of the winch. Refer to page 10. | YES | Fuse is good. Contact your authorized service center. | ||
| NO | Replace Fuse and test. | |||
| NOTE: If fuse blows immediately when power is applied, disconnect power cord from winch and battery. Check the polarity of the wiring in the connector (refer to page 10). Correct as required. | ||||
LOAD SLIPS | ||||
| A. | Load slips during retrieval | Thrust washers and thrust bearings are worn or deformed. Replace | ||
| B. | Load slips back after boat is retrieved | Clutch bearing inside the 120 gear has failed. Replace gear assy | ||
| C. | Check clutch lining | |||
| The clutch lining is located on the 120 tooth gear under the LH (clutch side) of the case. Ensure that the clutch is clean free of grease. | Clean as required. If clutch lining is worn or damaged, replace the 120 tooth gear assy. | |||
KEY FOB REMOTE DOES NOT OPERATE WINCH | ||||
| For optimum performance, the remote should be operated within 10-15 feet from winch. Refer to page 2 for additional information. | ||||
| A. | Check the remote battery | |||
| The battery must provide a minimum of 9V to correctly transmit to the receiver. | YES | Battery is good, go to step B. | ||
| NO | Replace battery. | |||
| B. | Reprogram the remote/receiver | |||
| Follow the directions on page 3. | YES | Remote works | ||
| NO | Transmitter or receiver is defective. Contact your authorized service center. | |||
LIGHT WILL NOT TURN ON (Winch does operate) | ||||
| A. | Check the bulb | |||
| Refer to page 7 for access and replacement information | YES | Bulb is good, go to step B. | ||
| NO | Replace bulb | |||
| B. | Light does not turn on with switch but works with remote | Switch is bad, replace | ||
| C. | Light does not turn on with remote but works with switch | Check the remote. Refer to page 2 | ||
Replacing the In-Line Fuse
NOTICE Always use the correct rated fuse. Using the wrong fuse can cause the winch to not operate and/or cause damage to the electrical components.
An in-line fuse is located under the top cover of the unit. The in-line fuse is a standard automotive AGC glass type fuse. Required rating is 5A, 250V. Fuses are available at local automotive parts stores.
To access the fuse:
- Disconnect the power cord from the winch.
- Remove the four (4) T-30 torx drive screws that attach the top.
- Lift the top up. Use care to not break or damage the wires.
- Locate the fuse holder and open to inspect/replace the fuse.
- Test operation of the winch.
If the fuse blows when power is applied, check the polarity of the wires in the power cord connector.
- Disconnect the power cord from the winch AND battery.
- Test the continuity of the cable:
• Using a continuity tester, place one probe in the negative terminal of the connector. Touch the second probe against the vehicle frame. - If there is no continuity, remove the cover from the plug.
- The smooth wire goes to the gold terminal (+). The ribbed wire goes to the silver terminal (-).
![]() | ![]() |
If the connector is wired correctly (step 4), but there is no continuity (step 3), the harness is defective and must be replaced.
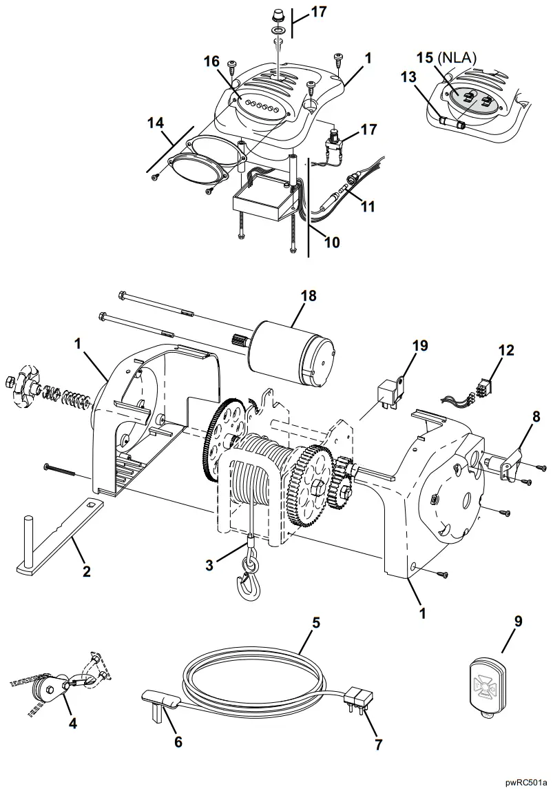
ILLUSTRATED PARTS LIST
Cover and Electronics 
| Item | RC23 | RC30 | Description | Notes |
| 1 | R001333 | R001311 | Cover Kit | |
| 2 | P5594700AJ | P5594700AJ | Hand Crank Handle | |
| 3 | P7188800AJ | P7188800AJ | Replacement Cable | |
| 4 | P7904300AJ | P7904300AJ | Pulley Block Kit | |
| 5 | P7830201AJ | P7830201AJ | Wire Harness w/ items 6 & 7 | |
| 6 | P7810500AJ | P7810500AJ | Plug, Wire Harness | |
| 7 | P7837300AJ | P7837300AJ | Circuit Breaker, 60amp | |
| 8 | P7810300AJ | P7810300AJ | Power Socket | |
| 9 | R001501 | R001501 | Key FOB Remote | |
| 10 | R001499 | R001500 | Receiver Module | 4 |
| 11 | – Note 1 – | Fuse, In-Line, 5A, 250V | 1 | |
| 12 | – Note 4 – | Switch, Learn/Override | 4 | |
| 13 | P55908 P55908 | Bulb | ||
| 14 | R001312 R001312 | Lens Replacement Kit | ||
| 15 | – Note 2 – | Light Replacement Kit | 2 | |
| 16 | R001728 | R001728 | LED Light Kit | 2 |
| 17 | R001320 | R001320 | Switch, Light | 3 |
| 18 | R001287 | R001295 | Motor Assy | |
| 19 | R001317 | r001317 | Solenoid | |
Notes
- The in-line fuse is a standard automotive AGC glass type fuse.
Required rating is 5A, 250V. Fuses are available at local automotive parts stores. - Light Replacement Kit (item 15) with reflector, clips, bulb and lens kit is no longer available. Order LED Light kit (item 16)
- All items marked “17” are included in light switch kit.
- The learn/override switch (item 12) is part of the receiver module (item 10)
























