
superbrightleds com PLLD2 Series LED Parking Lot/Area Light User Manual

PLLD2-50K300-H3-HV (with PLLD2-SF)
Safety and Notes
- Product should be installed and serviced by a certified electrician in accordance with applicable national, state, and local building and electrical codes.
- To reduce the risk of electric shock, ensure that the main power source and circuit breakers are switched off before performing any installation or wiring procedures.
- Avoid looking directly into lamp when illuminated.
- Ensure all mounts are securely attached and will support the weight of the fixture. Failure to properly support fixture may result in damage or injury, for which the manufacturer does not assume responsibility.
Specifications

Check product label for specific electrical specifications related to installation. Improper installation will void warranty.
Mounting Options

Lens Removal and Installation
Note: make certain to keep the light away from excess dust and moisture during this process.
- Remove screws around perimeter of lens.
- Gently pry lens from light.
- Install new lens and securely tighten all screws.

Important: Read all instructions prior to installation.
LED Parking Lot/Area Light
Slip-Fitter Knuckle Mount (PLLD2-SF) Installation

- Remove the center bolt to separate the flange end from the slip-fitter end of the mount.
- Run wiring through the flange that attaches to the light while sliding the flange into the light.
- Tighten the two bolts to secure flange to light.
- Route wiring through slip-fitter end, then reattach slip-fitter end to flange end.
- With supply power off, connect wiring.
- Slide mount over pole/post and tighten the four retaining bolts.
- Once mount is secure, the center mount bolt that holds the flange end and slip-fitter end together can be loosened to adjust the mounting angle of the light. Retighten center bolt when the desired angle is achieved.
Trunnion Wall/Surface Mount (PLLD2-WM) Installation

- Detach light flange bracket from trunnion mount.
- Run wiring through the flange that attaches to the light while sliding the flange into the light.
- Tighten the two bolts to secure flange to light.
- Use trunnion mount to make mounting holes on wall/surface and attach trunnion mount.
- Route wiring through trunnion mount, then attach trunnion mount to light flange bracket.
- With supply power off, connect wiring.
- Once installation is complete, the position locking bolts can be removed and the center trunnion bolts can be loosened to adjust the mounting angle of the light. Reinstall the position locking bolts and retighten center bolt when the desired angle is achieved.
Pole/Post Knuckle Mount (PLLD2-APM) Installation

- Remove the center bolt to separate the flange end from the pole/post mount end of the mount.
- Run wiring through the flange that attaches to the light while sliding the flange into the light.
- Tighten the two bolts to secure flange to light.
- Make appropriate mounting and wiring holes in pole/post and attach mount end to pole/post.
- Open lower access plate, route wiring through to mount and attach flange end to mount.
- With supply power off, use the lower access plate to connect wiring. Then close access plate.
- Once installed, the center mount bolt that holds the flange end and the pole/post mount end together can be loosened to adjust the mounting angle of the light. Retighten center bolt when the desired angle is achieved.
Fixed Pole/Post Mount (PLLD2-FPM) Installation

- Open lower access plate on mount.
- Run wiring through the flange that attaches to the light while sliding the flange into the light.
- Tighten the two bolts to secure flange to light.
- Make appropriate mounting and wiring holes in pole/post and attach mount to pole/post.
- With supply power off, use the lower access plate to connect wiring. Then close access plate.
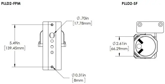
Dimensional Drawings (Accessories)


Wiring Diagram

Note: External dimming is not applicable to 277–480 VAC models.

Rev Date: V2.0 12/06/2019
4400 Earth City Expy, St. Louis, MO 63045 866-590-3533
Read More About This Manual & Download PDF:

















