USER MANUAL

S12T
S12


S12S
S12X


PUBLISHED: SEP.6TH, 2012
VERSION: 1 PART NO.: 70030175
Warning! Do not, under any circumstance, climb a slope greater than the maximum climbing angle (10 degree) with this power scooter. Any attempt to climb a slope steeper/greater than 10 degree may put your power scooter in an unstable position and cause it to tip. When on any sort of an incline or decline slope, never place the power scooter in freewheel mode
SAFETY INSTRUCTION
- General
![]() Always use a seat belt, and keep your feet on the scooter all the time. | ![]() Never operate the scooter while you are under the influence of alcohol. |
![]() Never use electronic radio transmitters such as walkie-talkies, or cellular phones. | ![]() Make sure that there are no obstacles behind you while reserving your scooter. |
![]() Do not make a sharp turn or a sudden stop while riding your scooter. | ![]() Do not ride your scooter in traffic. |
![]() Do not attempt to climb curbs greater than limitation show on Technical Specification | ![]() Do not leave your hands and legs off the scooter when driving. |
![]() Do not ride your scooter during snow in order to avoid accident on slippery road. | ![]() Do not allow unsupervised children to play near this equipment while the batteries are charging. |
![]() Be aware of the obstacle height | ![]() Be aware of the safety slop (Maximum Climbing Angle 10 Degree) |
- Warning – Don’t operate your scooter for the first time without completely reading and understanding this user manual.
- Don’t operate scooter on public streets and roadways. Be aware that it may be difficult for traffic to see you when you are seated on the scooter. Obey all local pedestrian traffic rules. Wait until your path is clear of traffic, and then proceed with extreme cautions.
- To prevent injury to yourself or others, always ensure that the power is switched off when getting on or off of the scooter.
- Always check that the drive wheels are engaged (drive mode) before driving. Do not switch off the power when the scooter is still moving forward. This will bring the chair to an extremely abrupt stop.
- Do not use this product or any available optional equipment without first completely reading and understanding these instructions. If you are unable to understand the warnings, cautions or instructions, contact a healthcare professional, the dealers or technical supports before attempting to use this equipment, otherwise, injury or damage may occur.
- There are certain situations, including some medical conditions, where the scooter user will need to practice operating the scooter in the presence of a trained attendant. A trained attendant can be defined as a family member or care professional especially trained in assisting a scooter user in various daily living activities. Consult with your physician if you are taking any medication that may affect your ability to operate your scooter safely.
- Do not attempt to lift or move a power scooter by any of its removable parts including the armrests, seats or shrouds. Personal injury and damage to the power chair may result.
- Never try to use your scooter beyond its limitations as described in this manual.
- Please do not sit on your scooter while it is in a moving vehicle.
- Keep your hands away from the wheels (tires) while driving scooters. Be aware that loose fitting clothing can become caught in the drive tires.
- Consult your physician if you are taking prescribed medication or if you have any certain physical limitations. Some medications and limitations may impair your ability to operate scooters in a safe manner.
- Be aware when the drive mode is unlocked or locked.
- Don’t remove anti-tipper if there is any-tipper equipped with the scooter.
- Contact with tools can cause electrical shock and do not connect an extension cord to the AC/DC converter or the battery charger.
- Do not attempt to lift or move your scooter by any of its removal parts, such as the armrests, seats, or shroud.
- When climbing an incline, don’t drive at an angle up the face of the incline. Drive your scooter straight up the incline. This greatly reduces the possibility of a tip or a fall.
- Don’t climb a slope steeper than the scooter’s limitation.
- Don’t attempt to have your scooter proceed backward down any step, curb or other obstacle. This may cause the scooter to fall or tip.
- Always reduce your speed and maintain a stable center of gravity when cornering sharply. Don’t corner sharply when driving scooters at higher speeds.
- Operating in rain, snow, salt, mist conditions and on icy or slippery surfaces may have an adverse affect on the electrical system.
- Never sit on your scooter when it is being used in connection with any type of lift or elevation product. Your scooter is not designed with such use in mind and any damage or injury incurred from such use is not the responsibility of Heartway.
- Modifications
Heartway Medical Product has designed and engineered power scooters to provide maximum utility. However, under no circumstances should you modify, add, remove, or disable any part or function of your power scooter. Personal injury and damage to the power chair may result.
- Do not modify your power scooter in any way not authorized by Heartway. Do not use accessories if they have not been tested or approved for Heartway products.
- Get to know the feel of your power scooter and its capabilities. Heartway recommends that you perform a safety check before each use to make sure your scooter operates safely.
- Inspections prior to using your power scooter:
- If equipped with pneumatic tires, please check for proper tire inflations.
- Please check all electrical connections and make sure they are tight and not corroded.
- Please check all harness connections and make sure they are secured properly.
- Please check the brakes.
- Weight limitation.
- Please refer to the specifications table for weight capacity information. Power scooter is rated for a maximum weight capacity.
- Stay within the specified weight capacity for your scooter. Exceeding the weight capacity voids your warranty. Heartway will not be held responsible for injuries or property damage resulting from failure to observe weight limitations.
- Don’t carry passengers on scooters. Carrying passengers on scooter may affect the center of gravity, resulting in a tip or a fall.
- Tire inflation
- If your scooter is equipped with pneumatic tires, it is necessary to check the air pressure at least one time a week.
- Proper inflation pressures will prolong the life your tires and ensure the smooth operation while riding.
- Do not under-inflate or over-inflate your tires. It is critically important that 30-25 psi (2-2.4bar) tire pressure be maintained in pneumatic tires at all times.
- Inflating your tires from an unregulated air source could over-inflate them, resulting in a burs tire.
- Temperature
- Some of the parts of the power scooter are susceptible to change in temperature. The controller can only operate in temperature that ranges between -25℃ ~ 50℃.
- At extreme low temperatures, the batteries may freeze, and your power scooter may not be able to operate. In extreme high temperatures, it may operate at slower speeds due to a safety feature of the controller that prevents damage to the motors and other electrical components.
ELECTROMAGNETIC INTERFERENCE (EMI)
The rapid development of electronics, especially in the area of communications, has saturated our environment with electromagnetic (EM) radio waves that are emitted by television, radio and communication signals. These EM wave are invisible and their strength increases as one approach the source. All electrical conductors act as antennas to the EM signals and, to varying degrees, all power wheelchairs and scooters are susceptible to electromagnetic interference (EMI). The interference could result in abnormal, unintentional movement and/or erratic control of the vehicle. The United States Food and drug Administration (FDA) suggests that the following statement be incorporated to the user’s manual for all power scooters like the S12, S12T, S12S, S12X. Power scooters may as susceptible to electromagnetic interference (EMI), which is interfering electromagnetic energy emitted from sources such as radio stations, TV stations, amateur radio (HAN) transmitter, two-way radios, cellular phones and alarm systems of shops. The interference (from radio wave sources) can cause the power scooter to release its brakes, move by itself or move in unintended directions. It can also permanently damage the powered scooter’s control system. The intensity of the EM energy can be measured in volts per meter (V/m).Each powered scooter can resist EMI up to a certain intensity. This is called “immunity level”. The higher the immunity level the greater the protection. At this time, current technology is capable of providing at least 20 V/m of immunity level, which would provide useful protection against common sources of radiated EMI.
Following the warnings listed below should reduce the chance of unintended brake release or powered scooter movement that could result in serious injury:
- Do not turn on hand-held personal communication devices such as citizens band (CB) radios and cellular phones while the powered scooter is turned on.
- Be aware of nearby transmitters such as radio or TV stations and try to avoid coming close to them.
- If unintended movement or brake release occurs, turn the powered scooter off as soon as it is safe.
- Be aware that adding accessories or components, or modifying the powered scooter, may make it more susceptible to interference from radio wave sources (Note: It is difficult to evaluate the effect on the overall immunity of the powered scooter).
- Report all incidents of unintended movement or brake release to the powered scooter manufacturer, and note whether there is a radio wave source nearby.
TURN OFF YOUR POWERED SCOOTER AS SOON AS POSSIBLE WHEN EXPERIENCING THE FOLLOWING:
- Unintentional scooter movements
- Unintended or uncontrollable direction.
- Unexpected brake release
The FDA has written to the manufacturers of power scooters asking them to test new products to be sure they provide a reasonable degree of immunity against EMI. The FDA requires that a powered wheelchair should have an immunity level at least 20 V/m, which provides a reasonable degree of protection against more common sources of EMI. The higher the immunity level the greater the protection. Your powered scooter has an immunity level of 20 V/m which should protect against common sources of EMI. Warning: The scooter itself can disturb the performance of the electromagnetic fields such as emitted by alarm systems of shops.
S12/S12S/S12X – TECHNICAL SPECIFICATIONS
| MODEL | S12 |
| WEIGHT CAPACITY | 160kgs(350 lbs) |
| SEAT: TYPE/SIZE | 20″ A2 |
| DRIVE WHEEL | 330mmx100mm(13″x5″”) |
| FRONT CASTER (WHEEL) | 330mmx100mm(13″x4″) |
| REAR CASTER (ANTI-TIPPER) | None |
| MAX SPEED | 15 KM/H |
| BATTERY SPECIFICATIONS | 12V 80Ah x 2pcs |
| BATTERY RANGE | 50km |
| CHARGER TYPE | 8Amp,Off Board120/240 Volt,50/60Hz |
| CONTROLLER TYPE | S-Drive 120 AMP |
| MOTOR TYPE | 4-Pole 700W |
| WEIGHT: W/ BATTERY | 135 KG |
| WEIGHT: W/O BATTERY | 100 KG |
| TURNING RADIUS | 1280mm |
| SUSPENSION | FULL |
| LENGTH | 1420mm |
| WIDTH | 700mm |
| HEIGHT | 1360mm |
| SEAT WIDTH | 510mm |
| SEAT HEIGHT | 460mm |
| SEAT DEPTH | 480mm |
| BACK HEIGHT | 750mm |
| WHEEL BASE | 1025mm |
| GROUND CLEARANCE | 80mm |
| Maximum Climbing Angle | 10 Degree |
| LEG ROOM | 320mm |
| MODEL |
| |
| WEIGHT CAPACITY | 160kgs(350 lbs) | |
| SEAT: TYPE/SIZE | 20″ A2 | |
| DRIVE WHEEL | 330mmx100mm(13″x5″) | |
| FRONT CASTER (WHEEL) | 330mmx100mm(13″x4″) | |
| REAR CASTER (ANTI-TIPPER) | None | |
| MAX SPEED | 14 KM/H | |
| BATTERY SPECIFICATIONS | 80 AH BATTERIES (LEAD-ACID BATTERIES) | |
| BATTERY RANGE | 45 KM | |
| CHARGER TYPE | 8 AMP CHARGER (OFF BOARD) | |
| CONTROLLER TYPE | S-Drive 120 AMP | |
| MOTOR TYPE | 5500rpm 700W | |
| WEIGHT: W/ BATTERY | 133kgs(293 lbs) | |
| WEIGHT: W/O BATTERY | 93kgs(205 lbs) | |
| TURNING RADIUS | 1150mm | |
| SUSPENSION | FULL | |
| LENGTH | 1400 mm | |
| WIDTH | 700mm | |
| HEIGHT | 1360mm | |
| SEAT WIDTH | 510mm | |
| SEAT HEIGHT | 460mm | |
| SEAT DEPTH | 480mm | |
| BACK HEIGHT | 750mm | |
| WHEEL BASE | 980mm | |
| GROUND CLEARANCE | 80mm | |
| Maximum Climbing Angle | 10 Degree | |
| LEG ROOM | 340mm |
| MODEL | S12X |
| WEIGHT CAPACITY | 160kgs(350 lbs) |
| SEAT: TYPE/SIZE | 20” A2 |
| DRIVE WHEEL | 380mmx160mm(15”x6.3”) |
| FRONT CASTER (WHEEL) | 330mmx120mm(13”x4.8”) |
| REAR CASTER (ANTI-TIPPER) | None |
| MAX SPEED | 15 KM/H (Standard)/ 18 KM/H (Optional) |
| BATTERY SPECIFICATIONS | 12V 80Ah x 2pcs |
| BATTERY RANGE | 25km/45km |
| CHARGER TYPE | 8Amp,Off Board120/240 Volt,50/60Hz |
| CONTROLLER TYPE | S-DRIVE 200Amp |
| MOTOR TYPE | 4-Pole 900W |
| WEIGHT: W/ BATTERY | 150kgs(330 lbs) |
| WEIGHT: W/O BATTERY | 100kgs(220 lbs) |
| TURNING RADIUS | 1350mm |
| SUSPENSION | FULL |
| LENGTH | 1620mm |
| WIDE | 790mm |
| HEIGHT | 1360mm |
| SEAT WIDTH | 510mm |
| SEAT HEIGHT | 460mm |
| SEAT DEPTH | 480mm |
| BACK HEIGHT | 750mm |
| WHEEL BASE | 1075mm |
| GROUND CLEARANCE | 100mm |
| Maximum Climbing Angle | 10 Degree |
| LEG ROOM | 320mm |
. S12/S12S – DIMENSION

. COMFORT ADJUSTMENT
Adjustments for Seating Comfort:


Press the bottom to adjust the height of the headrest.
The flip-up armrest height can be adjusted by turning the adjustment dial.


Adjust the seat back lever for seating back angle.
- Turn the swivel lever downwards to rotate the seat.
- Push the front lever upwards to move the seat forward and backward.
Driving and braking
Optional hand brake lever



Forward
Reverse
- For driving, please pull the right throttle lever (forward) or the left throttle lever (backward).
- Please release the throttle lever to stop the scooter. In the center position the magnetic motor brake system works also as a parking brake. Optional there is a hand brake system available.
- For safety, when rolling at free-wheel mode down slope, the automatic brake will take action if the transferring speed is more than 30% of the scooter’s maximum speed.

Engaged
Disengaged
(Free Wheel)
- Please be noted that the scooter will be at free-wheel mode, when the motor is disengaged.
- To use the parking brake, you must move and lock the lever into the engaged position!
Tiller Positioning
Press down the lever and move it to your preferred position.


The adjustment of rear suspension system:

The softness of the rear suspension system is adjustable. There are altogether 5-level of adjustments. It is applicable with around 120kg and each level can bear up to 13.5 kg.


Tooling bar
OPERATION OF CONTROL PANEL
LCD(Liquid Crystal Display)Power Scooter Control Panel, TN Type
| Model | LCD(Liquid Crystal Display)
|
| Functions |
|
| Buttons |
:High/low speed switch :Parking |
| Buttons |
:Headlight :MODE :SET :Back-up Light |
| LED Indicators | Right & Left indicator (Green) ,Parking light (Red),Warning light (Red),Back-up lamps (Yellow),Headlight (Blue) |
| LCD Backlight | LED (White) |
| Connector | CON1: 20PIN AMP |
| Usage Condition |
| ITEM | SPECIFICATION |
| Voltage | DC24 V |
| Operation Voltage | DC 16 ~32 V |
| Storage TEMP. | -40℃ ~ 65℃ |
| Operation TEMP. | -25℃ ~ 50℃ |
| Meter Angle at Handle Cover | 30 of elevation while scooter assembly (LCD orientate to six o’clock) |
2、General Characteristic Performance Test (20 5℃)
2.1、Headware Circuit:
| ITEM | SPECIFICATION | RESULT |
| Lowest Operation VOLT | 16 V max | V |
| Consuming Current (VB = 24.0V) | Dynamic: 200 mA max — Backlight and LED light status Static: 5 mA max — Key OFF status | mA mA |
Operating Instruction
1、Speed Sensor and Display
| ITEM | SPECIFICATION |
| Operation Features | Speed detection by speed sensor from transaxle with conversion at 1800rpm equal to 60km/h. |
| Tolerance | 5~15% (±2%) |
| Digital Range | 0.0 ~ 99 |
| Display Switch Button | Initial setting at km/h, switch to MPH by MODE and SET buttons |
2、High / Low Speed
| ITEM | SPECIFICATION |
| Operation Features | (1) Switch High / Low speed by pressing button (2) Take exterior turn-switch as determinant signal (TRN as control signals). |
| Symbols on LCD | "H"symbol means “High Speed” "L"symbol means “Low Speed”:
|
| Flicker Frequency | 1 sec |
3、Power Indication
| ITEM | SPECIFICATION | ||||||||||||||||||||||||
| Battery Remaining Capacity |
| ||||||||||||||||||||||||
| Flicker Frequency | 2 sec. | ||||||||||||||||||||||||
| Operation Characters |
While (a) Key Off (b) Charging Mode (c) Sleep Mode, warning sound released. |
| ITEM | SPECIFICATION | |||||||||||||||||||||
| Charge Indication |
| |||||||||||||||||||||
| Increase Frequency | 0.5 sec. | |||||||||||||||||||||
| Operation Character | (1) Scale status only decrease, won’t increase. (2) Take the PIN3(CH3) of charger as determinant signal, enter「Charging Mode」when CH3 grounding (L), not only “KEY ON” or “KEY OFF”. | |||||||||||||||||||||
| Remarks | Above scale bar status only for reference, must take the indicator of charger as the precise diagnosis. |
4、Clock Meter
| ITEM | SPECIFICATION |
| Tolerance (per day) | ± 2 sec |
| Initial Setting Value | 『Hour:Min』mode :『AM 12:00』 |
| 『Hour : Min』Setting (12-Hour format) | Display range : AM12:00 ~ PM11:59
When『Hour』is between 1 and 9 o’clock, displayed at 1~9. |
5、Odometer
| ITEM | SPECIFICATION |
| Operation Features | Odometer detected by the signal of Opto Coupler then converts into distance. |
| Display Switch Button | 「km/h」 means the odometer displayed as kilometer. 「mph」 means the odometer displayed as mile. |
| Accumulative Display [ODO] |
(2) Once the total mileage up to 99999km or 62149mile (99999÷1.609mile), the counter will restart from “00000”. |
| TRIP Counter | (1) Display Range:00.0~99.9
(2) When over 99.9km, display stop counting (won’t restart from “00.0”). |
| Operation status | (1) Odometer indication display on ODO mode when Power On, then switch to TRIP mode after 5 seconds. (2) TRIP can be reset to “00.0”. |
6、Headlight Control
| ITEM | SPECIFICATION |
| Operation Feature | Take exterior headlight switch as determinant signal. (1) Switch on/off the head light by pressing button (2) LCD backlights turn on / turn off with head light. |
| Power Saving Mode | When motor stop, the modulation down to 30% (Headlight) When motor act, 100% output power (Headlight) |
| Usage Condition | While (a) KEY OFF (b) Power-Saving mode (c) Sleep mode, all functions closed. |
| Determinant Condition | (1) 2.2V>WIP>2.8V ( 100% Full-power ) (2) 2.2V<WIP>2.8V ( 100% Full-power ) (3) Full / Half power switch at real time. (4) The determination of “Reversing Mode” need to consider the motor direction and panel setting. |
| Remarks | (1) Loop Load: 24V/50W max (2) With “short circuit” and “overload” protection |
7、Back-up Lamp control
| ITEM | SPECIFICATION |
|---|---|
| Operation Feature | Take exterior back-up lamp switch as determinant signal. (1) Switch on/off the head light by pressing button (2) LCD backlights turn on / turn off with head light. |
| (Control Mode) Brake-lamp Mode Reversing-lamp Mode | When motor changes from act (go forward) to stop, the lamp reinstated after flashing for 3 sec. Determine as “Reversing Mode”, back-up lamp keep flashing. Reverse warning sound can be set by panel ( Turn on / Turn off) |
| Usage Condition | While (a) KEY OFF (b) Charging Mode (c) Sleep Mode, all functions closed. * Brake-lamp & Reversing-lamp Mode won’t be limited by Back-up lamp switch on or off. |
| Flicker Frequency | 1 sec. |
| Determinant Condition | (1) 2.2V>WIP>2.8V ( 50% Half-power ) (2) 2.2V<WIP>2.8V ( 100% Full-power ) (3) Full / Half power switch at real time. (4) The determination of “Reversing Mode” need to consider the motor direction and panel setting. |
| Remarks | (1) Loop Load : 24V/50W max (2) With “short circuit” and “overload” protection |
8、9、10 Indicators and Parking Lamp Control
| ITEM | SPECIFICATION |
|---|---|
| Operation Feature | Take exterior left-right indicators and parking-lamps switch as the determinant signal. |
| Control Mode (Left-direction lamp) (Right-direction lamp) (Parking lamp) | Press button Press button Press button |
| Usage Condition | While (a) KEY OFF (b) Charging Mode (c) Sleep Mode, all functions closed. |
| Flicker Frequency | 1 sec. |
| Warning Sound Frequency | One short “Bi” sound per second |
| Remarks | (1) Load circuit for left-direction light: 24V/50W max (2) Load circuit for right-direction light: 24V/50W max (3) With “short circuit” and “overload” protection |
11、Power on Self-Test
| ITEM | SPECIFICATION |
| Initial Status | When scooter power on, the control panel will go through a self-test routine; the backlight and all LCD segments will be tuned on for 3 seconds, then switch automatically to the general operation mode (ODO). |
12、Temperature Sensor
| ITEM | SPECIFICATION |
| Operation Feature | Temperature detected by temperature sensor (NTC) from transformation with signal. |
| Tolerance | 2C |
| Display Range | -20C ~50C ![]() -4F ~122F |
| Display Switch Button | When display C, degree stand for Celsius thermometer When display F, degree stand for Fahrenheit thermometer |
13、Reverse Indicator
| ITEM | SPECIFICATION |
| Operation Feature | Take exterior forward / backward switch as determinant signal. |
| Power Saving Mode | When switch direct to “forward”, no symbol on LCD. When switch direct to “backward”, |
| Flicker Frequency |
|
14.Buttons
| ITEM | SPECIFICATION | |
|---|---|---|
| Button | “MODE” switchMODE | Function setSET |
| General Display Mode (TRIP) | Press SET for 3 seconds to reset TRIP at “00.0”. | |
| Setting Mode | Press MODE and SET simultaneously for more than 2 seconds. to enter “Setting Mode”, then 『Hour:MIN』start flashing. (1) When『Hour』flashing: Press SET to increase of number, then press MODE to enter “Setting Mode” of 『MIN』. (2) When『MIN』flashing: Press SET to increase of number, then press MODE to enter “Setting Mode” of 『km/h & mph』. (3) When 『km/h』 or 『mph』flashing Press SET to choose “km/h” or “mph” type, then press .MODE to enter “Setting Mode” of 『C / F』 (4) When『C』or『F』flashing Press SET to choose C or F . | |
| Escape from Setting Mode | Under setting mode, if below situations happened, will auto save the last setting value then escape to general operation mode. (1) No any operation of ADJ button for 20 sec. (2) Press MODE and SET at same time for more than 2 sec. | |
| Operation Status | (1) 『Hour:Min』,『km/h』or『mph』,『C』or『F』offer Cyclical Switch function. (2) When adjusting 『Hour:Min』, press SET to increase number, if press SET for more than 2 seconds, the number will increase continuously until button released, setting value with Cyclical Switch function (only 2 seconds from 0 to 9). * If『Hour』less than 10, the denary “0” doesn’t display.。 | |
| Remarks | Button tones: one short “Bi” sound | |
Battery Charger Instruction
1. APPEARANCE

Power Cord
Output Plug to Battery
Indicator:
Green Flash: Power On
Orange Flash: Pre Charge
Orange: Charging
Green & Orange Flash: Charged 80%
Green: Full Charged
Red Flash:Defected
2. SPECIFICATION
Item | BATTERY CHARGER (SWITCHING MODE) |
| Model | 4C24080A |
| Output Current(DC) | 8A±5% |
| Charging Voltage(DC) | 28.8V |
| Floating Voltage(DC) | 27.6V |
| Input Current (AC) | 3.8A max. |
| Input Voltage(AC) | 100 ~ 240 V 50/60Hz |
| Efficiency | AC-DC 85% min |
| Operating Temperature | 0°C ~ 40°C |
| Switching Method | SWITCHING MODE |
| Charging Method | Constant current two stage constant voltage |
Battery Application | 24V Lead Acid Rechargeable Battery (26Ahr ~ 75Ahr) |
| Output Detection | 1.Short Circuit Protection 2.Reverse Power Protection 3.Overheat Protection 4.Charging Plug Protection |
| Operating Humidity | 20% ~ 85 % |
| Measure | L 185mm×W 130mm×H 195mm |
| Weight | 1.7K g |
| Color | Blue |
3. OPERATING INSTRUCTION
(1)Make sure the battery charger output voltage is the same as the connecting battery.
(2)Plug in the power cord. LED indicates green flash when AC power on.
(3)Connect the battery charger to the battery. Start charging; please refer to LED INDICATION
4. LED INDICATION
(1)Green Flash:Power on
(2)Orange:Charging
(3)Orange Flash:Pre charge
(4)Green & Orange Flash:Charged 80%。
(5)Green:Full charged(Floating charge)。
(6)Red Flash:Defect
5. TROUBLE SHOOTING
- If green indicator is off:
․Check AC input. If it works functionally, the battery charger may be defective.
- If green indicator keeps flashing and cannot turn to charging indication:
․Check if the battery connector is connected successfully.
․Check if there is any short circuit on the output connection.
․The battery charger may be defective if the battery connection works functionally.
- If red indicator keeps flashing:
․Check if the battery connection is reversed.
․Check if there is any short circuit on the output connection.
․Check if the environment temperature is too low (0oC)
․The battery charger may be defective if the red indicator still keeps flashing.
- Charging indicator (orange) cannot turn to green:
․The battery might be defective, please stop charging and have the battery be repaired.
- If the charging indicator (orange) turns to green (fully charged) immediately:
․The battery may be in well-charged condition.
․The battery may be defective if the battery is not fully charged.
6. CAUTION
- Before using the battery charger, read all instructions and cautionary markings.
- Use the battery charger in a well-ventilated area
- To avoid the risk of injury, charge only lead-acid or gel cell type rechargeable batteries.
- Please turn off the power after charging

Charging Port
Important!
- Always charge your batteries in well ventilated areas.
- The charger is intended for indoor use only. Please protect it from the moisture.
- For maximum performance, it is recommended that you replace both batteries at the same time if the batteries are weak.
- If the scooter will not be used for a long period of time, arrange to have the batteries recharge at least once every month to avoid deterioration of the batteries.
BATTERY INSTRUCTION & MAINTENANCE
- Read through the charger operating instruction before using it.
- Make sure you charge the battery every time after you use the power chair or scooter.
- Charge the battery at least 24 hours a week if the power chair or scooter has not been used.
(This is to make sure that the electrolyte is always at the top level)
- If the battery cannot be charged (Orange light cannot turn to Green) or if the Orange light turns to Green immediately, please check it with the technicians. The battery may be defective.
- The voltage difference between the two batteries on a power unit cannot be more than 0.5 V; the battery case should be inspected for cleanliness and evidence of damage.
- If the charger indicates red light, please kindly check if the charger is defected or if the cable wiring connection is poor.
- Please keep the battery and ⊕connectors clean otherwise the charging condition will be poor.
SCOOTER MAINTENANCE & REPAIR
Your power scooter is designed for minimal maintenance. However, like any motorized vehicle it requires routine maintenance. To keep your Vita Scooter for years of trouble-free operation, we recommend you follow the following maintenance checks as scheduled.
DAILY CHECKS
1. Visual check on the conditions of tires. 2. Inspect the battery condition meter on the controller to determine if batteries need to be charged.
WEEKLY CHECKS
1. Your power scooter comes with standard pneumatic tires. If your power scooter comes with optional air tires, make sure to maintain the pressure of the tires between 30-35 psi.
MONTHLY CHECKS
1. Visually inspect the controller harnesses. Make sure that they are not frayed, cut or have any exposed wires.
SEMI-ANNUAL CHECKS
1. Check the motor brushes. We recommended that your authorized dealer inspect the brushes every six months or sooner if your power scooter is not operating smoothly. If inspection determines excessive wear on the brushes, they must be replaced or motor damage will result.
Warning! Failure to maintain the brushes could void the power scooter warranty.
To inspect or replace the motor brushes:
1. Unscrew the motor brush caps.
2. Remove the brushes.
Less than 9 mm
3. Inspect the brushes for wear.
4. Replace the brushes if necessary.


New Motor Brush Worn Motor Brush Motor Brush caps
Inspect the state of the battery terminals every six months. Make sure that they are not corroded and the connections are tight. Periodically apply a thin film of petroleum jelly on the surface of terminals to guard against corrosion.
CHECKS:
- Make sure to keep the controller clean while protecting it from rain or water. Never hose off your power scooter or place it in direct contact with water.
- Keep wheels free from lint, hair, sand and carpet fibers.
- Visually inspect the tire tread. If less than 1mm (1/32”), please have your tires replaced by your local dealer.
- All upholstery can be washed with warm water and mild soap. Occasionally check the seat and back for sagging, cuts and tears. Replace if necessary. Do not store your scooter in damp or humid conditions as this will lead to mildew and rapid deterioration of the upholstery parts.
- All moving mechanism will benefit from simple lubrication and inspection. Lubricate using petroleum jelly or light oil. Do not use too much oil, otherwise small drips could stain and damage carpets and furnishings etc. Always perform a general inspection of the tightness of all nuts and bolts.
TROUBLESHOOTING & FAULT REPAIR
S-Drive controller: Your scooter is fitted with S-Drive controller, which continuously monitors the operating conditions of your scooter. If it detects a problem it will indicate with error message by flashing light on the power ON/ OFF light. You must count the number of the flash, and see the list to check what kind of error has happened according to the number. If you experience any technical problems, it is recommended that you check with your local dealer before attempting to troubleshoot on your own.
The following symptoms could indicate a serious problem with your power scooter. Contact your local dealer if any of the following arises:
- Motor noise
- Frayed harnesses
- Cracked or broken connectors
- Uneven wear on any of tires
- Jerky motion
- Pulling to one side
- Bent or broken wheel assemblies
- Does not power up
- Powers up, but does not move
PG S-Drive controller: PG D-Drive Controller continuously monitors the operating conditions of your scooter. If it detects a problem it will indicate with error message by flashing light. You must count the number of the flash, and see the list to check what kind of error has happened according to the number) S-Drive Controller – Troubleshooting

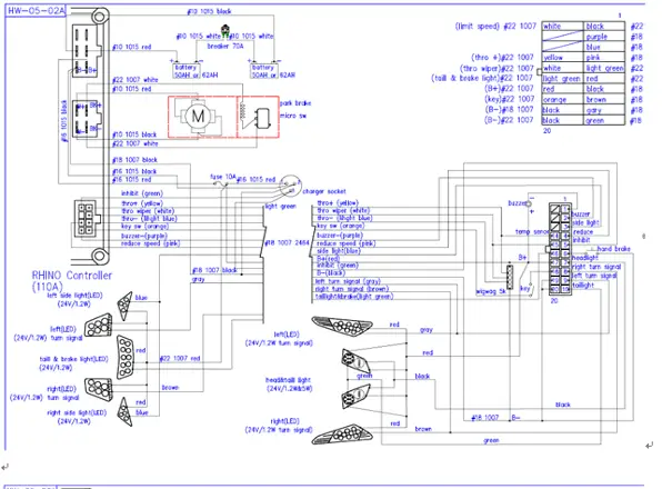
CIRCUIT DIAGRAM

HEARTWAY’S PATENT
A brand new double-A arms suspension system.



WARRANTY DECLARATION
Quality/ Warranty Declaration
Products are to be fit for purpose and of excellent quality and performance. For valid warranty claims Heartway will, at their discretion, replace/ repair/ refund items mutually agreed to be defective.
Heartway’s Warranty as Following:
- Frame: Two-year limited warranty
- Controllers: One-and-a-half-year limited warranty
- Electronic Components and Charger: One-year limited warranty
- Warranty Exclusion. The following items are not covered by warranty.
|
|
|
|
|
|
|
|
|
Any damage or defect of any nature occurring from the misuse, abuse of the product, improper operation or improper storage is not to be covered. The warranty is to start from the date of arrival of our products.

HEARTWAY MEDICAL PRODUCTS CO., LTD.
NO. 6, ROAD 25, TAICHUNG INDUSTRIAL PARK,
TAICHUNG. TAIWAN R.O.C.408
S12, S12T, S12S, S12X Electric Mobility Scooters User Manual – Download












S12T


Warning LED Flashing


will turn on/off simultaneously.
will turn on/off simultaneously.


















