Honeywell DR90/DR120 90 Pint Whole House Dehumidifier

Product Information: TrueDRYTM DR90/DR120
The TrueDRYTM DR90/DR120 is a dehumidifier product that is no longer manufactured but is still supported by Resideo. The product is designed to remove excess moisture from the air, which can help prevent mold and mildew growth and improve indoor air quality.
What’s Included in the Box
- A1 TrueDRYTM DR90 (1) or A2 TrueDRYTM DR120 (1)
- B 10-in. duct collar (2)
- C 6-in. duct collar (1)
- D MERV 11 Filter (1)
- E Filter Door (2)
- F Installation Guide
- G Optional Controls Sold Separately
Tools Required for Installation
- 3/8-in. hex drive Drill or duct cutting tool
- Wire stripper/cutter
- Scissors or utility knife
- Standard screwdriver
- T25 Torx screwdriver
- Duct tape
- 10-in. round duct and starter collar
- 3/4-in. male NPT to drain line adaptor (1/2-in. Dia. recommended)
- 1/2-in. diameter drain line (8 ft.)
- 1/2-in. drain clamps (2)
Optional Control Options Sold Separately
- G1 Prestige Comfort System (RedLINKTM Wireless)
- G2 TruelAQ
- G3 H8908 Manual Dehumidistat
- G4 VisionPRO IAQ control
- G5 H6062 HumidiPRO Digital Humidity Control
Product Usage Instructions
Warning: Installation must be performed by a qualified service technician and must comply with local codes. Remove power to the device before installing or servicing the device. Failure to connect the device according to these instructions may result in damage to the device or the controls.
- Refer to the installation guide included in the box for detailed instructions on how to install the TrueDRYTM DR90/DR120 dehumidifier.
- Ensure that all required tools and optional control options are available before beginning installation.
- Follow local codes and regulations when installing the dehumidifier.
- Connect the device according to the instructions provided in the installation guide.
- After installation, refer to the user manual for instructions on how to use and maintain the dehumidifier.
INCLUDED IN THIS BOX

Tools required to install TrueDRY DR90/DR120
- 3/8-in. hex drive
- Drill or duct cutting tool
- Wire stripper/cutter
- Scissors or utility knife
- Standard screwdriver
- T25 Torx screwdriver
- Duct tape
- 10-in. round duct and starter collar
- 3/4-in. male NPT to drain line adaptor (1/2-in. Dia. recommended)
- 1/2-in. diameter drain line (8 ft.)
- 1/2-in. drain clamps (2)
Options
- 1/2-in. drain p-trap (may be required by local code)
- Drain pan
- Float switch or water sensor
- A1 TrueDRY™ DR90 (1) or
- A2 TrueDRY™ DR120 (1)
- B 10-in. duct collar (2)
- C 6-in. duct collar (1)
- D MERV 11 Filter (1)
- E Filter Door (2)
- F Installation Guide
- G1 Prestige IAQ Kit
- G2 TruelAQ
- G3 H8908 Manual Dehumidistat
- G4 VisionPRO or Prestige Thermostat
- G5 H6062 HumidiPRO Digital Humidity Control
Installation Checklist
Included in This Box
- A1 TrueDRY™ DR90 (1) or
- A2 TrueDRY™ DR120 (1)
- B 10-in. duct collar (2)
- C 6-in. duct collar (1)
- D MERV 11 Filter (1)
- E Filter Door (2)
- F Installation Guide
Control Options (Sold separately)
- G1 Prestige IAQ Kit
- G2 True IAQ
- G3 H8908 Manual Dehumidistat
- G4 VisionPRO or Prestige Thermostat
- G5 H6062 HumidiPRO Digital Humidity Control
Tools Required (Not Supplied)
- 3/8-in. hex drive
- Drill or duct cutting tool
- Wire stripper/cutter
- Scissors or utility knife
- Standard screwdriver
- T25 Torx screwdriver
- Duct tape
- 10-in. round duct and starter collar
- 18-22 gauge, 5 band thermostat wire
- 1/2-in. diameter drain line (8 ft.)
- 1/2-in. drain clamps (2)
- 3/4-in. male NPT to drainline adaptor (1/2-in. Dia. recommended)
Options
- 1/2-in. drain p-trap (may be required by local code)
- Drain pan
- Float switch or water sensor
Warning: Installation must be performed by a qualified service technician and must comply with local codes.
Remove power to the device before installing or servicing the device.
Failure to connect the device according to these instructions may result in damage to the device or the controls.
INSTALLATION INSTRUCTIONS BEGIN
- The TrueDRY™ DR90/DR120 is designed to be installed indoors in a space that is protected from rain and flooding.
- Install the unit with space to access the front panel for maintenance and service.
- Avoid directing the discharge air at people, or over the water in pool areas.
- If used near a pool or spa, be certain there is no chance the unit could fall into the water or be splashed, and that it is plugged into a ground fault interrupt (GFI) outlet.
- To ensure quiet operation, do not place the device directly on the structural supports of the home.
- A drain pan must be placed under the unit if installed above a living area or above an area where water leakage could cause damage.
- Never operate a unit with a damaged power cord. If the power cord is damaged it must be replaced by the manufacturer, its service agent, or similarly qualified person in order to avoid a hazard.
- The appliance is not intended for use by persons (including children) with reduced physical, sensory, or mental capabilities, or lack of experience and knowledge, unless they have been given supervision or instruction concerning use of the appliance by a person responsible for their safety. Children should be supervised to ensure that they do not play with the appliance.
NEED HELP?
For assistance with this product please visit http://forwardthinking.honeywell.com or call Honeywell Customer Care toll-free at 1-800-468-1502.
Read and save these instructions.
® U.S. Registered Trademark. Patents pending. Copyright © 2016 Honeywell International Inc. All rights reserved.
About the TrueDRY™ DR90/DR120 Dehumidifier
The Honeywell TrueDRY DR90/DR120 ensures the home is maintained at proper humidity levels through its high performance and efficiency.
Benefits
- Removes up to 90 (DR90) or 120 (DR120) pints of water per day from the indoor air
- Built-in fresh air supply
- Energy Star Rated
- Built-in transformer circuit breaker

Maintaining Ideal Humidity
Dew points and relative humidity (RH) affect the way your body senses heat. Higher humidity levels cause the air to feel much hotter than the actual temperature. When maintained properly, your cooling equipment may not run as much because dehumidified air feels cooler.
Ideal humidity is defined by industry experts* as being between 40-60% on an average annual basis.
WHAT THE AIR FEELS LIKE
HOW HOT THE HEAT-HUMIDITY COMBINATION MAKES IT FEEL.
EXAMPLE: AIR AT 90ºF WITH 50% RH FEELS LIKE 96ºF TO THE HUMAN BODY!

SOURCE: TEMPERATURE – HUMIDIY INDEX WAS DERIVED BY R.G. STEADMAN, JOURNAL OF APPLIED METEOROLOGY, JULY 1979.
When indoor humidity exceeds 60%, the home is more susceptible to mold and mildew growth. TrueDRY DR90/DR120 safeguards against excessive humidity in the home year-round.
*American Society of Heating, Refrigerating and Air Conditioning Engineers (ASHRAE).

Control Options
The TrueDRY DR90/DR120 may be used with one of the following external controls:
Prestige™ IAQ Kit
- Controls both heating/cooling and ventilation.
- Wireless sensor for displaying outdoor temperature and humidity.
- Advanced ventilation programming includes economizing and extreme condition shutdown.
- Maintenance and service reminders.
- High definition color display.
- RedLINK™ Wireless technology

TrueIAQ Digital Control
- Automatic adjustments maintain fresh air in home.
- Sensor for displaying outdoor temperature and humidity.
- Advanced ventilation programming includes economizing and extreme condition shutdown.
- Maintenance and service reminders.
- Controls other indoor air quality equipment.

VisionPRO™ or Prestige™
- Controls both heating/cooling and ventilation.
- Wireless sensor for displaying outdoor temperature and humidity.
- Ventilation programming for time of day or Ashrae standards.
- Optional ventilation lockouts for high/low temp or humidity conditions when C7089R1013 wireless outdoor sensor is used.
- Wi-Fi™ or RedLINK™ Wireless technology

Manual Dehumidistat and Automatic Ventilation Controls

- Manual humidity control with intuitive comfort settings.
- Automatic W8150 ventilation control to ASHRAE standard, or for continuous operation.
HumidiPRO Digital Control

- Manual dehumidification control
- Dehumidifier compressor protection
- RH% and outdoor temperature calibration
- Adjustable high and low range stops (10-90%)
DR90 Specifications
Install TrueDRY DR90 according to National Electric Codes.
| Dry-Bulb Temp | Intake Humidity | Capacity (Pints/Day) |
| 80°F (26.7°C) | 60% RH | 97 |
| 70°F (21.1°C) | 60% RH | 74 |
| 60°F (15.6°C) | 60% RH | 55 |
* Based on extreme climates where outdoor humidity is 70-90% RH. For less extreme climates, larger homes can be adequately served with less capacity. Actual requirements may vary.
| Home Size (square ft [m]) | Dehumidifier Capacity Required to Maintain Desired Indoor RH* | ||
| 60% RH Indoor (pints/day) | 50% RH Indoor (pints/day) | 40% RH Indoor (pints/day) | |
| 2080 (193.2) | 49–54 | 55–58 | 71–78 |
| 2600 (241.5) | 61–68 | 65–72 | 90–97 |
| 3120 (289.9) | 75–82 | 79–86 | 95–110 |
Dimensions in inches and (mm):

Airflow versus external static pres-sure (0–1 in. [0 – 25.4 mm] water pressure) with collars attached
| 0 in. (0 mm) | 262 CFM |
| 0.2 in. (5 mm) | 225 CFM |
| 0.4 in. (10 mm) | 172 CFM |
| 0.6 in. (15.2 mm) | 106 CFM |
- Product weight: 82 lbs.
- Shipping weight: 93 lbs.
- Shipping dimensions: 21.5”H x 18.5”W x 40.0”L
- Media Filter: MERV 11, 14”H x 18”W x 2”L
- Drain connection: 3/4-in. threaded female NPT connection.
- Duct connections: 10-in. round inlet and outlet. 6-in. supply inlet. ABS plastic, compatible for connection to rigid or
- flexible ducting with sheet metal screws and/or tape. Cabinet: 20 ga
- Insulation: R value 1
- Compressor: Rotary, 8.0k BTU
- Refrigerant: R-410A, 21 oz
- Operating Temp Range (outside cabinet): 34ºF to 135ºF (1.1ºC to 57.2ºC)
- Operating Humidity Range: 0-99% RH
Input ratings
- Electrical input voltage: 120 VAC, 60 Hz nominal
- Input current: 5.9 A
Output ratings
- Power transformer to R/C terminals: 24 VAC, 0.85 A
- Energy Performance: 2.9 liters (6.1 pints) per kilowatt hour (KWH)
Standards and approval body requirements
ETL Tested per standard UL 60335-2-40 ducted dehumidifier.
ENERGY STAR rated.
DR120 Specifications
Install TrueDRY DR120 according to National Electric Codes.
| Dry-Bulb Temp | Intake Humidity | Capacity (Pints/Day) |
| 80°F (26.7°C) | 60% RH | 121 |
| 70°F (21.1°C) | 60% RH | 92 |
| 60°F (15.6°C) | 60% RH | 72 |
| Home Size (square ft [m]) | Dehumidifier Capacity Required to Maintain Desired Indoor RH* | ||
| 60% RH Indoor (pints/day) | 50% RH Indoor (pints/day) | 40% RH Indoor (pints/day) | |
| 2080 (193.2) | 49–54 | 55–58 | 71–78 |
| 2600 (241.5) | 61–68 | 65–72 | 90–97 |
| 3120 (289.9) | 75–82 | 79–86 | 95–110 |
* Based on extreme climates where outdoor humidity is 70-90% RH. For less extreme climates, larger homes can be adequately served with less capacity. Actual requirements may vary.
Dimensions in inches and (mm):

Airflow versus external static pressure (0–1 in. [0 – 25.4 mm] water pressure) with collars attached
| 0 in. (0 mm) | 350 CFM |
| 0.2 in. (5 mm) | 285 CFM |
| 0.4 in. (10 mm) | 210 CFM |
| 0.6 in. (15.2 mm) | 150 CFM |
- Product weight: 90 lbs.
- Shipping weight: 101 lbs.
- Shipping dimensions: 23.5”H x 18.5”W x 40.0”L
- Media Filter: MERV 11, 14”H x 18”W x 2”L
- Drain connection: 3/4-in. threaded female NPT connection. Duct connections: 10-in. round inlet and outlet. 6-in. supply inlet. ABS plastic, compatible for connection to rigid or
- flexible ducting with sheet metal screws and/or tape. Cabinet: 20 ga
- Insulation: R value 1
- Compressor: Rotary, 10.0k BTU
- Refrigerant: R-410A, 26 oz
- Operating Temp Range (outside cabinet): 34ºF to 135ºF (1.1ºC to 57.2ºC)
- Operating Humidity Range: 0-99% RH
Input ratings
- Electrical input voltage: 120 VAC, 60 Hz nominal
- Input current: 7.3 A
Output ratings
- Power transformer to R/C terminals: 24 VAC, 0.85 A
- Energy Performance: 2.9 liters (6.1 pints) per kilowatt hour (KWH)
Standards and approval body requirements
ETL Tested per standard UL 60335-2-40 ducted dehumidifier.
ENERGY STAR rated.
Install to Fit Your Application
Flex duct is recommended in connecting to the TrueDRY DR90/DR120 collars to reduce vibration noise.
- Duct Sizing: Use minimum 10-in. diameter round for duct lengths up to 25 ft. Minimum 12-in. required for lengths longer than 25 ft. Duct branches from the main inlet/exhaust should be minimum 10-in. round for 2-3 branches, and 12-in. round or larger for 4 branches or more.
For the optional fresh air ventilator port, use 6-in. round, insulated duct for lengths up to 50 ft.
Use 8-in. round duct for more than 50 ft. of if more than 100 CFM is required. - Isolated Areas: Effective dehumidification may require ducting to isolated or stagnant air flow areas.

Electrical requirements:
115 VAC outlet. Ground fault interrupter (GFI) recommended.
Dedicated Return to Main Supply
Ideal when…

- Access to dedicated central return for TrueDRY is available.
- Requires backdraft damper on the exhaust port to minimize backdraft when TrueDRY is not on but A/C is.
- (optional) Duct TrueDRY supply with 20%open gravity damper to provide dry air to a specific are
Main Return to Main Supply
Ideal when…

- Running TrueDRY when not running A/C.
- Requires damper on the exhaust port to minimize backdraft when TrueDRY DR90/DR120 is not on but A/C is.
- Access to a dedicated central return is not possible.
Main Return to Main Return
Ideal when…

- Running TrueDRY DR90/DR120 with A/C operation.
- Minimizing discharge air temperature (DAT) increase is preferred.
- Access to a dedicated return is not possible.
NOTE: Running TrueDRY after A/C shutoff may cause excess water on A/C evaporator coil to re-humidify air for a short amount of time.
Dedicated Return to Dedicated Supply
Ideal when…

- TrueDRY will not be ducted to a forced air HVAC system.
Plumbing

Attach 3/4” male NPT drain nozzle.
Connect 1/2-in. drain tube to male connection drain outlet. Secure drain tube to connector with hose clamp.
Run drain hose continuously downhill to an approved drain or condensate pump.
The drain line must include a water trap to prevent air from entering or exiting the dehumidifier.
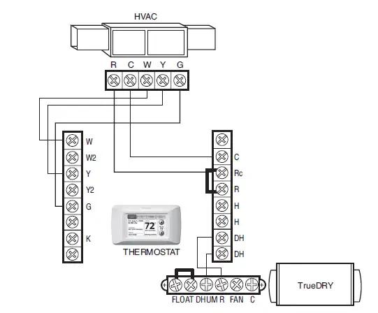
Terminal Description
CAUTION: Low voltage hazard.
Can cause equipment damage.
Disconnect HVAC equipment before beginning installation.

* NOTE: The outer screws on the terminal block secure the block to the chassis. They are not used for wiring.
A wiring terminal block is located on the side panel of the TrueDRY unit.
The six terminals for the terminal block (reading from left to right in the photo) are:
- FLOAT: External low voltage float switch or water sensor (two terminals). Use normally closed switch.
- DHUM: Compressor and fan operation for dehumidification
- R: DR90/DR120 24V output
- FAN: Fan activation only for ventilation
- C: DR90/DR120 24V output
- External 24V devices can be powered from R and C terminals (20VA max.).
Wiring
Wire the TrueDRY DR90/DR120 according to the diagram that applies to your desired operation.
Follow this diagram if using the Prestige™ thermostat.

NOTE: THERMOSTAT MUST BE CONFIGURED TO DRIVE FURNACE FAN DURING DEHUMIDIFICATION CALL.
Follow this diagram if using the HumidiPro Digital Humidity Controller.

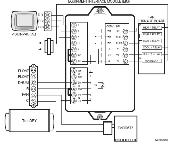
Follow this diagram for ducted operation with an external humidity control.

Follow this diagram for ducted operation with external humidity and ventilation control.

Follow this diagram if using TrueDRY DR90/DR120 with a powered dehumidistat such as TrueIAQ (DG115EZIQ).

IF A THERMOSTAT OTHER THAN A TH5110, TH5220, TH5320, TH6110, TH6220, TH6320, TH8110, TH8320, OR TH8321 IS USED, A RELAY MAY BE REQUIRED TO ISOLATE THE G WIRE.
PROGRAM ISU SETTING 60 TO Ø TO FORCE SYSTEM FAN ON WITH DEHUMIDIFICATION CALL.
Follow this diagram if using TrueDRY DR90/DR120 with a VisionPRO IAQ.

Circuit Breaker
To prevent damage to the 24 volt control transformer, the DR90A2000/DR120A2000 comes with a resettable circuit breaker. Check wiring for any electrical short and repair before resetting breaker. Resetting the circuit breaker without correcting the electrical short may result in transformer damage. Be sure to check the electrical schematics in this manual or inside the access panel of the DR90A2000/DR120A2000 before making any control connections. The reset button for the circuit breaker can be found on the back of the unit.
Checkout
Apply power to TrueDRY DR90/DR120. Turn the humidity control to a low RH% level to initiate a dehumidification call. Confirm that the TrueDRY DR90/DR120 compressor and fan turn on. The furnace blower will also turn on to circulate air. This will take up to two minutes. Be sure to turn the control to the desired RH% or to Off when checkout is complete.
- Cut and remove plastic strap holding compressor in place. This strap is only used for shipping.
- Apply power to TrueDRY DR90/DR120. Turn humidity control to a low RH% to initiate a dehumidification call. Confirm that the compressor and fan turn on. The furnace blower will also turn on to circulate air. Be sure to turn the control to the desired RH% or to Off when the checkout is complete.

- If using for ventilation, initiate a call for ventilation. Confirm that the DR90/DR120 fan turned on, but that the compressor remained off.
Cleaning
On an annual basis, maintenance is required to ensure TrueDRY runs at peak efficiency.
- Unplug TrueDRY DR90/DR120 before beginning service. Remove the magnetic filter door.

- Remove filter (50049536-003) and replace with new filter.

- Remove cover on output side of dehumidi-fier. Using a damp cloth, remove excess dust and debris from blower and internal cabinet. Reattach cover when finished.

- Check the drain connection and drain line to ensure it is clear of debris and sludge. Ensure all hose connections are secure once maintenance of the drain lines is complete.

- When service is complete, initiate a call for dehumidification and check that the compressor and fan activate. If using the VisionPRO IAQ or TrueIAQ controls, reset maintenance reminders.
Horizontal to Vertical Conversion
- Remove the twelve screws attached to the wiring side of the duct collar using a T25 Torx screwdriver.

- Remove the duct collar.

- Rotate the collar to the position shown in the figure and place it back on the cabinet.

- Reattach the duct collar using the twelve screws.

Technical Description
TrueDRY DR90/DR120 uses a refrigeration system similar to an air conditioner to remove heat and moisture from incoming air and add heat to the air that is discharged. Hot, high-pressure refrigerant gas is routed from the compressor to the condenser coil. The refrigerant is cooled and condensed by giving up its heat to the air that is about to be discharged from the unit. The refrigerant liquid then passes through a filter drier and capillary tubing which causes the refrigerant pressure and temperature to drop. It next enters the evaporator coil where it absorbs heat from the incoming air and evaporates. The evaporator operates in a flooded condition, which means that all the evaporator tubes contain liquid refrigerant during normal operation. A flooded evaporator should maintain nearly constant pressure and temperature across the entire coil, from inlet to outlet.

DR90 Parts List
| Figure Reference | Base and Accessory Parts | Part Number (device date code up to K12XXXXX) | Part Number (device date code L12XXXXX and up) |
| 1 | TrueDRY | DR90A2000/U | |
| 2 | Motorized Ventilation Damper | EARD6TZ | |
| Figure Reference | Replacement Parts | Part Number (device date code up to K12XXXXX) | Part Number (device date code L12XXXXX and up) |
| 4 | Compressor Relay, 24 VAC, 30 A (found in control box) | 50035445-014 | |
| 5 | Compressor Run Capacitor | 50070171-001 | |
| 6 | 10″ Duct Collar | 50049536-005 | |
| 7 | Fan Assembly | 50049537-006 | DR90XFAN1 |
| 8 | Capacitor – Fan | 50070204-001 | DR90XCFA1 |
| 9 | Fan Relay, SPDT, 24 VAC, 15A | 50035445-011 | |
| 10 | Transformer 120/24 VAC, 40 VA | 50035445-013 | |
| 11 | Defrost Thermostat | 50070204-002 | |
| 12 | Filter | 50070171-002 | |
| 14 | 6” Duct Collar | 50049536-004 | |
| 15 | Magnetic Filter Door | 50070171-003 | |

DR120 Parts List
| Figure Reference | Base and Accessory Parts | Part Number (device date code up to K12XXXXX) | Part Number (device date code L12XXXXX and up) |
| 1 | TrueDRY | DR120A2000/U | |
| 2 | Motorized Ventilation Damper | EARD6TZ | |
| Figure Reference | Replacement Parts | Part Number (device date code up to K12XXXXX) | Part Number (device date code L12XXXXX and up) |
| 4 | Compressor Relay, 24 VAC, 30 A (found in control box) | 50035445-014 | |
| 5 | Compressor Run Capacitor | 50070205-001 | DR120XCRC1 |
| 6 | 10″ Duct Collar | 50049536-005 | |
| 7 | Fan Assembly | 50070205-002 | |
| 8 | Capacitor – Fan | 50070205-003 | |
| 9 | Fan Relay, SPDT, 24 VAC, 15A | 50035445-011 | |
| 10 | Transformer 120/24 VAC, 40 VA | 50035445-013 | |
| 11 | Defrost Thermostat | 50070204-002 | |
| 12 | Filter | 50070171-002 | |
| 14 | 6” Duct Collar | 50049536-004 | |
| 15 | Magnetic Filter Door | 50070171-003 | |

5-Year Limited Warranty
Honeywell warrants this product to be free from defects in the workmanship or materials, under normal use and service, for a period of five (5) years from the date of purchase by the consumer. If at any time during the warranty period the product is determined to be defective or malfunctions, Honeywell shall repair or replace it (at Honeywell’s option).
If the product is defective,
- return it, with a bill of sale or other dated proof of purchase, to the place from which you purchased it; or
- call Honeywell Customer Care at 1-800-468-1502. Customer Care will make the determination whether the product should be returned to the following address: Honeywell Return Goods, Dock 4 MN10-3860, 1985 Douglas Dr. N., Golden Valley, MN 55422, or whether a replacement product can be sent to you.
This warranty does not cover removal or reinstallation costs. This warranty shall not apply if it is shown by Honeywell that the defect or malfunction was caused by damage which occurred while the product was in the possession of a consumer.
Honeywell’s sole responsibility shall be to repair or replace the product within the terms stated above. HONEYWELL SHALL NOT BE LIABLE FOR ANY LOSS OR DAMAGE OF ANY KIND, INCLUDING ANY INCIDENTAL OR CONSEQUENTIAL DAMAGES RESULTING, DIRECTLY OR INDIRECTLY, FROM ANY BREACH OF ANY WARRANTY, EXPRESS OR IMPLIED, OR ANY OTHER FAILURE OF THIS PRODUCT. Some states do not allow the exclusion or limitation of incidental or consequential damages, so this limitation may not apply to you.
THIS WARRANTY IS THE ONLY EXPRESS WARRANTY HONEYWELL MAKES ON THIS PRODUCT. THE DURATION OF ANY IMPLIED WARRANTIES, INCLUDING THE WARRANTIES OF MERCHANTABILITY AND FITNESS FOR A PARTICULAR PURPOSE, IS HEREBY LIMITED TO THE FIVE-YEAR DURATION OF THIS WARRANTY. Some states do not allow limitations on how long an implied warranty lasts, so the above limitation may not apply to you.
This warranty gives you specific legal rights, and you may have other rights which vary from state to state.
If you have any questions concerning this warranty, please write Honeywell Customer Relations, 1985 Douglas Dr, Golden Valley, MN 55422 or call 1-800-468-1502.
Home and Building Technologies
In the U.S.:
Honeywell
1985 Douglas Drive North Golden Valley, MN 55422
http://yourhome.honeywell.com
® U.S. Registered Trademark
© 2016 Honeywell International Inc. 69-2690EFS—06 M.S. Rev. 12-16 Printed in U.S.A
Home and Building Technologies
En los EE. UU.:
Honeywell
1985 Douglas Drive North
Golden Valley, MN 55422
http://yourhome.honeywell.com
® Marca Registrada en los Estados Unidos
© 2016 Honeywell International Inc.
69-2690EFS—06 M.S. Rev. 12-16




























