
MoTeC ADR2 Accident Data Recorder

Printed documents are not controlled.
While every effort has been taken to ensure correctness, MoTeC, its employees, contractors and authorised representatives and agents take no responsibility, make no express or implied guarantees, representations or warranties to any third party in relation to consequences arising from any inaccuracies or omissions in this document.
This is a proprietary document and the property of MoTeC Pty. Ltd. No part of this publication may be reproduced in any retrieval system, or transmitted in any form or by any means, whether electronic, graphic, mechanical, photocopy, recorded or otherwise, without the prior express written permission of MoTeC.
MoTeC reserves the right to make changes to this document without notice.
Copyright 2021
All rights reserved.
Overview
The ADR2 is MoTeC’s second generation Accident Data Recorder. It records critical data from vehicle accidents, such as lateral, longitudinal and vertical accelerations. This data can help to better understand forces in high impact collisions and may assist with the medical assessment of drivers.
The ADR2 captures minimum 30 seconds of data per event, including 15 seconds immediately before the accident which triggered recording. Subsequent impacts extend the event recording time.
The device can be used stand-alone or in conjunction with other devices such as a GPS, Display Logger or ECU.
The MoTeC ADR2 conforms to FIA standard 8872-2018 and is included in the FIA ADR Program.
Features
- Configurable thresholds to trigger an event – password protected feature
- Configurable thresholds to trigger the medical light output – password protected feature
- Support for external medical and status lights
- CAN and GPS inputs for data recording
- Internal backup power to continue recording if power is lost
- Real time clock for accurate time keeping
- Password protection restricts selected features to FIA access only
Specifications
Communications
- CAN for transmitting and receiving FIA specified data
- RS232 for receiving GPS data
- USB for communication with ADR2 Manager
Connectors
- 1 x 13 pin Autosport connector size 10
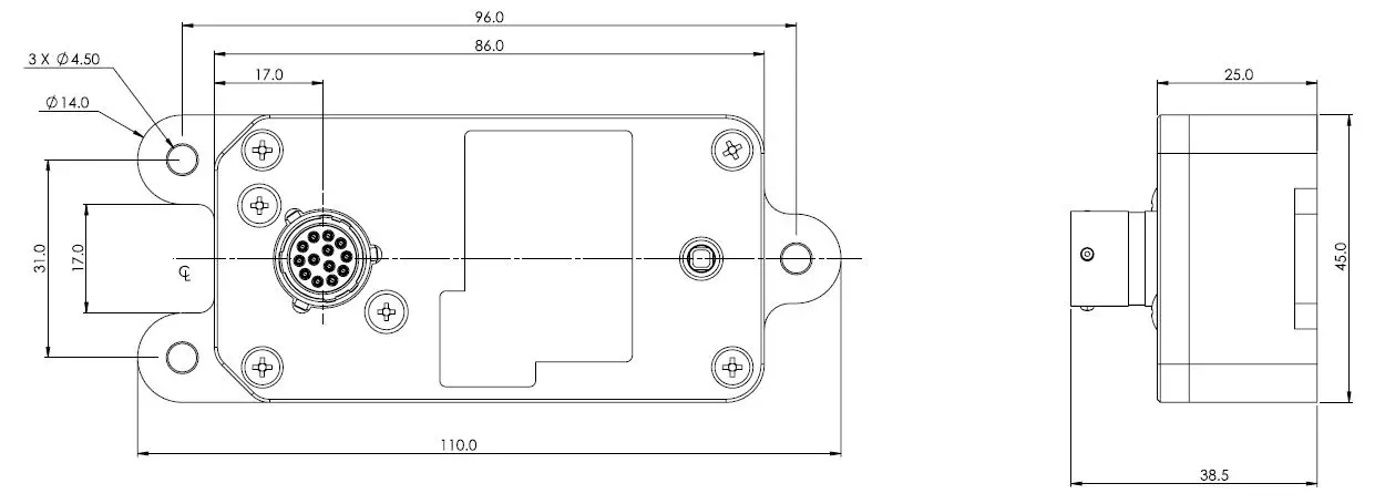
Physical construction and dimensions
- Case size: 86 mm x 45 mm x 25 mm
- Case material: anodized aluminium
- Ingress protection rating: IP66 / IP67
- Operating temperature: -40 to 85 °C
- Weight: 130 g
Power
- Power supply: 6 – 32 V
- Current: nominal 200 mA @ 12 V (with external GPS), maximum 1 A when charging backup power supply
- USB power when connected to PC (when no other power source connected)
- Backup power supply
- provides power for at least 45 seconds of continued recording after vehicle power is lost
- recharges in less than one minute after vehicle power is applied
Medical and status light outputs
- Topology: current limited open collector high-side drive
- External load: LED to GND or logic level input with pull-down resistor
- Voltage on: 5 V – Regulated
- Voltage off: 0.3 V (with external 10k load to ground)
- Voltage off: 2 V (approximately, when not connected)
- Current Limit: 20 mA
- Reverse polarity protected
- Voltage diagnostic feedback
Operational
- Recording of lateral, longitudinal and vertical accelerations at 3000 Hz
- Recording of CFC60 filtered acceleration data at 1000 Hz
- Acceleration channel resolution: 0.125G
- Recording of FIA specified CAN channels
- GPS data recorded:
- Date and Time
- Latitude and Longitude
- Accelerometers range: -480G to +480G
- Accelerometers overload: 1800G minimum
- Pre-accident recording: 15 seconds
- Total event recording: minimum 30 seconds, extended on subsequent impacts
- Data output format: CSV
Functional Reference
Lights
A single RGB LED indicator is visible on the enclosure. Support is provided for external medical and status lights.
RGB LED Indicator
| Device State | Colour | Flash Rate | Duty Cycle [%] | Brightness [%] |
| Firmware starting | OFF | |||
| Event stored* | RED | 4 Hz | 5% | 100% |
| Recording event | GREEN | 10 Hz | 50% | 50% |
| Normal operation (on vehicle power) | GREEN | Solid | 100% | 50% |
| Normal operation (on internal backup power) | GREEN | 2 Hz | 10% | 25% |
| Backup power supply charging** (on vehicle power) | GREEN | 1 Hz | 20-100% | 50% |
| Low power | GREEN | 1 Hz | 10% | 5% |
| No GPS lock (on vehicle power) | GREEN | 1 Hz | 90% | 50% |
| ORANGE | 10% | 100% | ||
| USB communications*** | CYAN | |||
| Normal operation (on USB power) | BLUE | Solid | 100% | 50% |
| Diagnostics | ORANGE | refer to Diagnostics |
- When an event is recorded, the LED shows Event stored until the device is powered down. If the device is powered on and a recorded event has not been retrieved by ADR2 Manager, the LED will show Event stored for 60 seconds.
- Duty cycle equals charge level; i.e. 20% duty cycle = 20% charge level.
- Flashing to indicate command in progress e.g. firmware update. All normal operations are suspended.
Diagnostics
When an error occurs, the RGB LED indicator will flash orange ON for 250 ms at 50% brightness, OFF for 250 ms, repeated according to the error number (see table), followed by a one second pause.
Only the highest priority error (lowest number) is displayed and this continues for as long as the error is active.
| Error | Number of flashes |
| CAN bus fault | 2 |
| No FIA CAN frames | 3 |
| External power supply failure | 4 |
| Over temperature | 5 |
| Internal fault | 6 |
Additional information on errors or internal faults can be found in the diagnostic channels section in ADR2 Manager software.
External Status Light
| Device State | Output State |
| Event stored* | Flashing |
| Vehicle power connected | ON |
| Vehicle power disconnected | OFF |
When an event is recorded the status light will flash until the device is powered down. If the device is powered on and a recorded event has not been retrieved by ADR2 Manager the status light will flash for 60 seconds.
External Medical Light
| Device State | Output State |
| Medical event detected since device powered on | ON |
| No medical event detected since device powered on | OFF |
GPS and Timekeeping
The ADR2 provides 5 V external power for a GPS receiver.
The ADR2 can receive time, speed and location data from a GPS receiver via either:
- CAN in the specified format. See CAN Bus.
- RS232 NMEA 0183 GPRMC and GPGGA.
The RS232 baud rate can be specified in the device configuration: see Communications Tab GPS time is used to synchronise the ADR2’s internal Real Time Clock.
Event Triggering and Recording
An accident is an impact where the accelerations exceed set thresholds. This triggers the start of the recording process. The log file contains 15 seconds of pre-trigger data and 15 seconds of post-trigger data.
When recording is in progress and a subsequent impact exceeds the threshold, the recording duration will be extended with an additional 30 sec. This process will be repeated for any subsequent impact during the recording period to ensure there is always at least 15 sec of data available after the last impact.
The thresholds for triggering an event are set in the device configuration; see Thresholds Tab. Separate thresholds are set to activate the medical light output.
The generated log file consists of a header containing the event date, start time (UTC) and the ADR2 serial number, and a listing of the following channels:
| Channel Name | Unit / Format | Update Rate | Description |
| tTime | [s] | Sample time | |
| gADRX | [G] | 3000 Hz | Accelerometer readings with anti-aliasing filters applied |
| gADRY | |||
| gADRZ | |||
| gCFC60X | [G] | 1000 Hz | Accelerometer readings filtered to the SAE J211 CFC60 crash test standard |
| gCFC60Y | |||
| gCFC60Z | |||
| ASI | [G] | on change | Accident Severity Index* |
| NLap | [-] | on reception of CAN message | Lap number |
| sLap | [m] | Lap distance | |
| vCarWheel | [kph] | Car speed (calculated from Wheel Speed) | |
| rThrottle | [%] | Throttle actuator position | |
| aSteer | [deg] | Steer angle | |
| pBrakeF | [bar] | Front brake pressure | |
| pBrakeR | [bar] | Rear brake pressure | |
| nEngine | [rev/min] | Engine rotational speed | |
| gpsLat | DDD.DDDDDDD | on reception of GPS message | GPS latitude coordinate |
| gpsLong | DDD.DDDDDDD | GPS longitude coordinate | |
| gpsVCar | [kph] | Car speed (calculated from GPS) | |
| gpsStatus | GPS status |
The Accident Severity Index – ASI is the maximum absolute acceleration recorded in either the X, Y or Z acceleration channel during the medical warning event.
Power
Power Supply
During normal operation, the ADR2 is powered from vehicle power via connector pin 12 (Battery positive). The internal backup power supply is charged while the ADR2 is powered from vehicle power.
For ADR2 Manager communications, the ADR2 can be powered from USB. Vehicle power is only required to Simulate an Accident or to Zero Accelerometers.
Power Loss Handling
When vehicle power is lost the ADR2 switches to its internal power supply. If the internal power supply is fully charged the ADR2 will continue to trigger events and record accelerometer data for 45 seconds. The ADR2 then stops accident detection and event recording but continues to display status information via the LED until the internal power supply is depleted (typical > 60 seconds).
External 5 V Power Supply
An external power supply pin (connector pin 11) is provided to power a GPS receiver. The 5 V supply is current limited to 90 mA.
CAN Bus
The CAN bus is used to:
- receive vehicle data messages
- transmit ADR2 status messages
Receive Messaging
The ADR2 receives up to five CAN messages.
During an event, the data in the received CAN messages is recorded and included in the log files. Only valid CAN data is recorded. If the CAN connection is lost, no values will be recorded.
Message 1
- Message Id: 0x200
- Message rate: 100 Hz
- Format: Big Endian
| Byte | Description | Scaling | Type |
| 0-1 | Engine rotational speed | 1 rpm/bit | 16-bit unsigned |
| 2 | Front brake pressure | 1 bar/bit | 8-bit unsigned |
| 3 | Rear brake pressure | 1 bar/bit | 8-bit unsigned |
| 4-5 | Lap distance | 1 m/bit | 16-bit unsigned |
| 6-7 | Throttle actuator position | 0.1 %/bit | 16-bit signed |
Message 2
- Message Id: 0x204
- Message rate: 100 Hz
- Format: Big Endian
| Byte | Description | Scaling | Type |
| 0-1 | Vehicle speed | 0.1 km/h/bit | 16-bit unsigned |
| 2-3 | Steering angle | 1 °/bit | 16-bit signed |
| 4-5 | Throttle pedal position | 0.1 %/bit | 16-bit signed |
| 6-7 | Not used |
Message 3
- Message Id: 0x680
- Message rate: 10 Hz
- Format: Big Endian
Byte Description Scaling Type 0-3 GPS latitude 1e7 degrees 32-bit fixed point (7dps) value 4-7 GPS longitude 1e7 degrees 32-bit fixed point (7dps) value
Message 4
- Message Id: 0x681
- Message rate: 10 Hz
- Format: Big Endian
| Byte | Description | Scaling | Type |
| 0-3 | GPS time | HHMMSS.sss | 32-bit unsigned |
| 4-5 | GPS speed | 0.1 km/h/bit | 16-bit unsigned |
| 6-7 | GPS altitude | 0.1 m/bit | 16-bit signed |
Message 5
- Message Id: 0x682
- Message rate: 10 Hz
- Format: Big Endian
| Byte | Description | Scaling | Type |
| 0-2 | GPS date | DDMMYY | 24-bit unsigned |
| 3-7 | Not used |
Transmit Messaging
There are two messages transmitted from the ADR2.
Message 6
- Message Id: 0x7B
- Message rate: 10 Hz
- Format: Big Endian
| Byte | Description | Scaling | Type |
| 0 | Accident Severity Index | 0 = no accident | 8-bit unsigned |
| 1-255 = severity of last accident detected since power on | |||
| 1 | ADR2 software version | e.g. 24 = version 1.2.4 | unsigned |
| 2-3 | ADR2 status | See ADR2 Status | bitmapped |
| 4-5 | ADR2 serial number | – | 16-bit unsigned |
| 6-7 | Not used |
ADR2 Status
| Bit | Description | Value | |
| 0 | Logging is in progress | True = 1 | False = 0 |
| 1 | Recording configuration is OK | True = 1 | False = 0 |
| 2 | Receiving CAN messages from the team’s ECU | True = 1 | False = 0 |
| 3 | Accident stored which has not been retrieved by ADR2 Manager | True = 1 | False = 0 |
| 4 | New accident detected since ADR2 powered on | True = 1 | False = 0 |
| 5 | USB connected for data download | True = 1 | False = 0 |
| 6-15 | 0 | Always zero | |
Message 7
- Message Id: 0x81
- Message rate: 100 Hz
- Format: Big Endian
| Byte | Description | Scaling | Type |
| 0-1 | Not used | ||
| 2-3 | Acc Y (G-lateral) | 0.006125 G/bit | 16-bit signed |
| 4-5 | Acc X (G-longitudinal) | 0.006125 G/bit | 16-bit signed |
| 6-7 | Acc Z (G-vertical) | 0.006125 G/bit | 16-bit signed |
Installation
Correct installation is critical for reliable operation of the ADR2 and to record useful accident data.
CAUTION
To ensure that your ADR2 installation complies with all FIA requirements, you are requested to follow 8872-2018 ADR – Installation specification available on the FIA website.
- Mount the ADR2 so that each side is parallel to one of the 3 primary axes of the vehicle. There are 24 possible mounting orientations. See Orientation.
- Mount the ADR2 securely on a rigid structural member close to the driver’s seat. Don’t mount it to sheet metal bodywork or other vibrating surfaces.
- Mount the ADR2 so that the RGB LED indicator is clearly visible for race crew, officials and emergency personnel.
Orientation
The ADR2 must be installed in alignment with the primary axes of the vehicle. The orientation is specified in the device configuration; see Orientation Tab. The position is defined using the orientation of the connector and the single point mount with respect to the vehicle axes. FIA has prescribed installation as shown.
Primary vehicle axes
- X-axis, longitudinal, positive forward acceleration
- Y-axis, lateral, positive left acceleration
- Z-axis, vertical, positive upward acceleration
FIA prescribed mounting orientation
ADR2 mounting orientation where the connector points towards the ceiling and the single mount points towards the left of the vehicle.
Dimensions
Connector and Pinout
Connector: 13 pin Autosport size 10 (AS 2 10-35 PN) Mating connector: AS 6 10-35 SN
| Pin | Function |
| 1 | RS232 – receive |
| 2 | Medical light output |
| 3 | CAN-high |
| 4 | CAN-low |
| 5 | Status light output |
| 6 | Not used |
| 7 | USB 5 V |
| 8 | USB D+ |
| 9 | USB D- |
| 10 | Not used |
| 11 | 5 V supply (GPS power) |
| 12 | Battery positive |
| 13 | Ground and USB 0 V |
ADR2 Manager Software
The ADR2 Manager application requires Windows 10, 64 bit.
The software is used to:
- Configure the device (password protected, FIA access only)
- Download data
- Format the ADR2 to erase stored events (password protected, FIA access only)
- Update the firmware
Managing Events
The ADR2 can store more than 100 events. When the ADR2 is connected to the PC via USB, ADR2 Manager automatically shows a summary of recorded events in the main window.
Each event has one of the following states:
- New: events will be listed as New if they are recorded after the last time the ADR2 was connected to this computer.
- Historic: events will be listed as Historic if they were already recorded when the ADR2 was last connected to the computer.
- Unavailable: older events that have been overwritten with more recent ones, will be listed as Unavailable.
The event file name contains the ADR2 serial number and event date and time.
For example: SN10_20210127_053141.CSV
- SN10: ADR2 serial number 10
- _20210127: Event date Jan 27 2021
- _053141: Event time 05:31:41 (UTC)

Online
Most ADR2 Manager features require the ADR2 to be connected to the PC via USB. When the device is in this online state, the Online menu items become available.
When the ADR2 device is password protected, it will restrict access to the following operations:
- Online > Device Configuration
- Online > Zero Accelerometers
- Online > Format Device
Export Events
- To select events from the ADR2 either:
- check the relevant events in the main window
- or right-click on any event in the main window and select Check All (or Uncheck All )
- To export the checked events to csv either:
- right-click and select Export Checked Events
- or go to Online > Export Checked Events
- Alternatively, when only one event is required, double-click the event to export it
The files will be downloaded in the destination location. See Default download location.
Simulate
Accident
- To simulate an accident, the ADR2 needs to be connected to vehicle power.
- Go to Online > Simulate, then select Accident and Simulate.
This will store an event in the ADR2.
Medical Warning
- To simulate a medical warning, go to Online > Simulate, then select Medical Warning, enter an Accident Severity Index* and select Simulate.
- Select Monitor Channels to check the medical light output and ASI* channel.
This will not store an event in the ADR2.
The ASI Accident Severity Index is the maximum absolute acceleration recorded in either the X, Y or Z acceleration channel during the medical warning event.
Device Configuration
This is a password protected feature.
- To configure the ADR2, go to Online > Configure
This will display the configuration as retrieved from the connected ADR2. - Edit the existing configuration in the Orientation, Thresholds and Communications tabs.
- On each tab there is the option to select Defaults to reset the settings to factory defaults.
- Select Send to apply the configuration to the ADR2.
- Select Close to exit Device Configuration.
Orientation Tab
See Orientation for more details on device orientation.
- To specify the orientation of the installed ADR2 go to Online > Configure and select the Orientation tab.
- In Mounting Orientation set the orientation of the connector and the single mount point with respect to the vehicle.
The image on the right will change to show a representation of the orientation that is set.
Thresholds Tab
Important:
Before configuring the thresholds ensure you are familiar with the methods explained in Event Triggering and Recording.
- To specify the event thresholds go to Online > Configure and select the Thresholds tab.
- In Accident set thresholds for impact and duration in all three axes that will trigger an accident.
- In Medical set thresholds for impact and duration in all three axes that will trigger the medical light output.
Communications Tab
- To specify the communication bus speeds go to Online > Configure and select the Communications tab.
- In Speeds select the required values for GPS baud rate and CAN bit rate.
Firmware Updates
- To download available firmware updates select Help > Check for Updates. See also Software Updates
- To update the ADR2 firmware, select Online > Update Firmware
The Current firmware version loaded on the ADR2 is listed. - Other available firmware versions are listed in Version to send. Select a different version if required and select Send.
Connecting
When an ADR2 is connected to the PC via USB, ADR2 Manager automatically shows the connected ADR2 in the status bar at the bottom of the main window.
- To change the connection to a different ADR2, select Online > Select ADR2. All ADR2 devices connected are listed.
- Select the correct ADR2 serial number and select OK.
Other Online Actions
Monitor Channels
- Select Online > Monitor Channels to view the momentary value of any channel in the ADR2. Keyboard shortcut Ctrl+M provides quick access to this function.
Use this function also to find additional information on errors or internal faults in the diagnostics section.
Zero Accelerometers
This is a password protected feature.
- Select Online > Zero Accelerometers
- Zero Accelerometers is only available when the ADR2 device is connected to vehicle power. The Zero Sensors window shows the current power connection in the channel Power.State value.
- Select Zero to apply the Zero Offset to all accelerometers.
Update Device Clock
- When the ADR2 internal Real Time Clock is different from the PC time, select Online > Update Device Clock and select Set to synchronise the RTC to the current PC time.
Format Device
This is a password protected feature.
- To erase all events stored in the ADR2 device, select Online > Format Device and select Yes to confirm this action.
This erases the events from the ADR2 internal memory, however, all events downloaded on the connected PC will still be listed in the main window as ‘Historic Events’.
Device Information
- To retrieve device details about the connected ADR2, select Online > Device Information.
Refresh
- To refresh the list of events recorded in the ADR2 memory, select Online > Refresh. Use this function when recording is finished to ensure the latest events are listed. Keyboard shortcut F5 provides quick access to this function.
Tools
Default download location
- To configure the destination folder for downloaded event files, go to Tools > Options.
- Select the ellipsis button (…) and navigate to the preferred folder.
- Optional: to reset to the default location, select Reset.
The default location is C:\Users\username\Documents\MoTeC\ADR2\Events
Beta Software
- Select Offer Beta Versions to take advantage of early access to new software features.
Software Updates
- To check for available software or firmware updates, select Help > Check for Updates.
- To update ADR2 Manager software, select the required version, select Install Now and follow the prompts.
- To update ADR2 firmware, first download it and then send it to the device:
- Select the required version and select Download Now
- To send it to the device, ensure the ADR2 is connected to the computer and go to Online > Update Firmware. See also Firmware Updates.
ADR2 User Manual – Published 28 April 2021
MoTeC Ⓒ 2021 – www.motec.com





















