

Cut control
Instructions for use
- Push main cable through cable entry part of the wall bracket and ensure tight seal.
- Attach wall bracket. Pay attention of position „top“. Use the washer gaskets with rubberized face against to the wall bracket. Seal unused mounting holes.
- Establish ground connection and connect power lines.
- Hook light housing into notch of the wall bracket. Press luminaire to the wall bracket and tight set screws flush and evenly. Avoid pinched cables.
- Turn the protection cover of the sensor by 180° to the right.
- Time setting: adjust the lighting time with the timecontrol as requested between 5 seconds and 8 minutes.
- Lux setting: adjust the lux with the lux-control as requested between 10-2000 lux.
- Turn back the protection cover of the sensor by 180° to the left to protect the small adjusting wheels and to ensure the motion detection.
Light technology:
230V Power LED/2700K + 3000K
system performance:
2700K: 16,5 W/996 lm + 3000K: 16,5 W/1078 lm
EEC
Technical information:
operating voltage: 230V / 50Hz
protection class
safety class 1
Luminaire is suitable for mounting on normal inflammable surfaces.
conformity mark
- detection range: 9 m max.
- time setting: 5 sec – 8 min
- detection angle: 120°
- light-control: 10-2000 lux
- working temperature: -25° ~+45°C
Sensor information:

Note:
Please don’t adjust the two functional controllers too much. That is because the two functional controllers are connected to the components directly. There is a small stopper in each of the two components. When you adjust the controllers from start to end, the excessive turn will damage the stopper, and lead to the 360°non-stop turn around. Please consider that the adjust range limit is 270°. Factory setting: lux-control is max, time setting is min.
- Unrest objects hinder the correct initial operation of the sensor.
- In front of the detection area there should be no obstacles or unrest objects effecting detection.
- Avoid an installation near air temperature alteration zones, such as: air condition, central heating, etc.
Maintenance:
This luminaire contains built-in LED lamps. The LED lamps can be replaced by IP44.de in case of a failure of the LED. In this case, please get in touch with your retailer.
Care:
Regularly clean luminaire from dirt and deposits. Do not use a high pressure cleaner for cleaning. Please note care instructions at www.IP44.de.
Safety:
We point out that the electric connection of light fixtures has to be done by a certified installer. We assume no accountability for damages which are a result of non-appropriate mounting or application of the luminaire. Modifications on the luminaire will result in loss of warranty.
Cut control
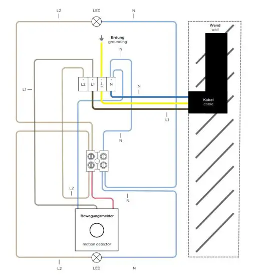
Anschlussschema 3-adrig
wiring diagram 3-core

cut control
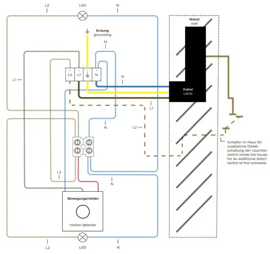
Anschlussschema 4-adrig
wiring diagram 4-core



















