16.8 ~ 30W Power Adaptor with Charging Function
GC30B series

User’s Manual Video
■ Features
- Charger for lead-acid batteries (flooded, Gel and AGM) and li-ion batteries (lithium iron and lithium manganese)(Note.1)
- Universal AC input / Full range
- 2 pole AC Inlet IEC320-C8
- Class II power (without earth pin)
- No load power consumption <1.0W
- Constant current and voltage(CC,CV mode)
- Suitable for continue load
- For high surge current equipment
- Protections: Short circuit / Overload / Over voltage / Over temp.
- 2 colors LED indicate for charging status
- Fully enclosed plastic case
- High reliability
- Approvals: UL / CUL / TUV / EAC / CB / FCC / CE / UKCA
- 2 years warranty
■ GTIN CODE
MW Search: https://www.meanwell.com/serviceGTIN.aspx
![]()
SPECIFICATION
| ORDER NO. | GC30B-0P1J | GC30B-1P1J | GC30B-11P1J | GC30B-2P1J | GC30B-4P1J | GC30B-5P1J | GC30B-6P1J | |
| OUTPUT | SAFETY MODEL NO. | GC30B-0 | GC30B-1 | GC30B-11 | GC30B-2 | GC30B-4 | GC30B-5 | GC30B-6 |
| DC VOLTAGE SET AT Note.3 | 4.2V | 5.6V | 7.2V | 8.4V | 14.3V | 16.8V | 28.6V | |
| RATED CURRENT | 4A | 3.99A | 3A | 3A | 2.09A | 1.6A | 1.04A | |
| CURRENT RANGE | 0 ~ 4A | 0 ~ 3.99A | 0 ~ 3A | 0 ~3A | 0 ~ 2.09A | 0 ~ 1.6A | 0 ~ 1.04A | |
| RATED POWER | 16.8W | 22.38W | 21.6W | 25.2W | 30W | 27W | 30W | |
| RIPPLE & NOISE (max.) Note.4 | 50mVp-p | 50mVp-p | 80mVp-p | 80mVp-p | 100mVp-p | 100mVp-p | 150mVp-p | |
| CHARGING VOLTAGE RANGE Note.5 | 3.6 ~ 4.4V | 5 ~ 5.8V | 6.5 ~ 7.5V | 7.7 ~ 8.6V | 13.5 ~ 14.5V | 16 ~ 17V | 27.1 ~ 28.8V | |
| LINE REGULATION Note.6 | ±1.0% | ±0.5% | ±0.5% | ±0.5% | ±0.5% | ±0.5% | ±0.5% | |
| LED INDICATOR | Green LED ON < 100mA, Red LED ON > 250mA | |||||||
| SETUP, RISE, HOLD UP TIME | 200ms, 50ms, 16ms at full load | |||||||
| INPUT | VOLTAGE RANGE | 90 ~ 264VAC 127 ~ 370VDC | ||||||
| FREQUENCY RANGE | 47 ~ 63Hz | |||||||
| EFFICIENCY (Typ.) | 55% | 70% | 74% | 76% | 78% | 78% | 80% | |
| AC CURRENT | 0.7A /100VAC; 0.35A/230VAC | |||||||
| INRUSH CURRENT (max.) | 40A/230VAC | |||||||
| LEAKAGE CURRENT(max.) | 0.25mA /240VAC | |||||||
| PROTECTION | OVERLOAD | 90 ~ 110% Constant current mode and over 300% pulsing mode | ||||||
| Protection type : Constant current limiting, recovers automatically after fault condition is removed | ||||||||
| OVER VOLTAGE | 110 ~ 135% rated output voltage | |||||||
| Protection type : Clamp by zener diode | ||||||||
| OVER TEMPERATURE | IC1_Tj > 130℃ | |||||||
| Protection type : Shut down o/p voltage, recovers automatically after temperature goes down | ||||||||
| ENVIRONMENT | WORKING TEMP. | 0 ~ +50℃(Refer to output load derating curve) | ||||||
| WORKING HUMIDITY | 20% ~ 90% RH non-condensing | |||||||
| STORAGE TEMP., HUMIDITY | -20 ~ +85℃, 10 ~ 95% RH | |||||||
| TEMP. COEFFICIENT | ±0.03% / ℃ (0 ~ 50℃) | |||||||
| VIBRATION | 10 ~ 500Hz, 2G 10min./1cycle, period for 60min. each along X, Y, Z axes | |||||||
| SAFETY & EMC | SAFETY STANDARDS | UL62368-1, CSA22.2, BS EN/EN62368-1, EAC TP TC 004 approved | ||||||
| WITHSTAND VOLTAGE | I/P-O/P:3KVAC | |||||||
| ISOLATION RESISTANCE | I/P-O/P:100M Ohms / 500VDC / 25℃/ 70% RH | |||||||
| EMC EMISSION | Compliance to BS EN/EN55014-1 class B, FCC part 15 Class B, EAC TP TC 020 | |||||||
| EMC IMMUNITY | Compliance to BS EN/EN61000-4-2,3,4,5,6,11, light industry level, criteria A, EAC TP TC 020 | |||||||
| OTHERS | DIMENSION | 108*67*36mm (L*W*H) | ||||||
| PACKING | 309g; 54pcs / 19kg / CARTON | |||||||
| CONNECTOR | PLUG | Standard type P1J: 2.1ψ* 5.5ψ* 11mm, tuning fork type center positive for stock ; Other type available by customer requested | ||||||
| CABLE | Standard type 18Awg UL1185 6ft and 4ft for 4.2V~8.4V output only for stock ; Other type available by customer requested | |||||||
| NOTE |
| |||||||
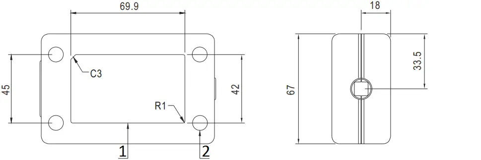
■ Mechanical Specification
Unit:mm
UL1185 16AWG 1230±50 for 4.2V~8.4V
UL1185 18AWG 1830±50 for 14.3V~28.6V



- NAME PLATE
- RUBBER FOOTX4
■ Charging Curve

Suitable for lead-acid batteries (flooded,Gel and AGM) and Li-ion batteries (lithium iron and lithium manganese)
■ LED Display
| LED Status | Load Condition |
| Red | Charging |
| Green | Float Charging |
■ Plug Assignment
Standard plug: P1J (option)
| P1J | |
| P/N | OUTPUT |
| CENTER | + |
■ Derating Curve

■ Static Characteristics

File Name:GC30B-SPEC 2022-04-15





















