HIKVISION Face Recognition Terminal UD19518B-A

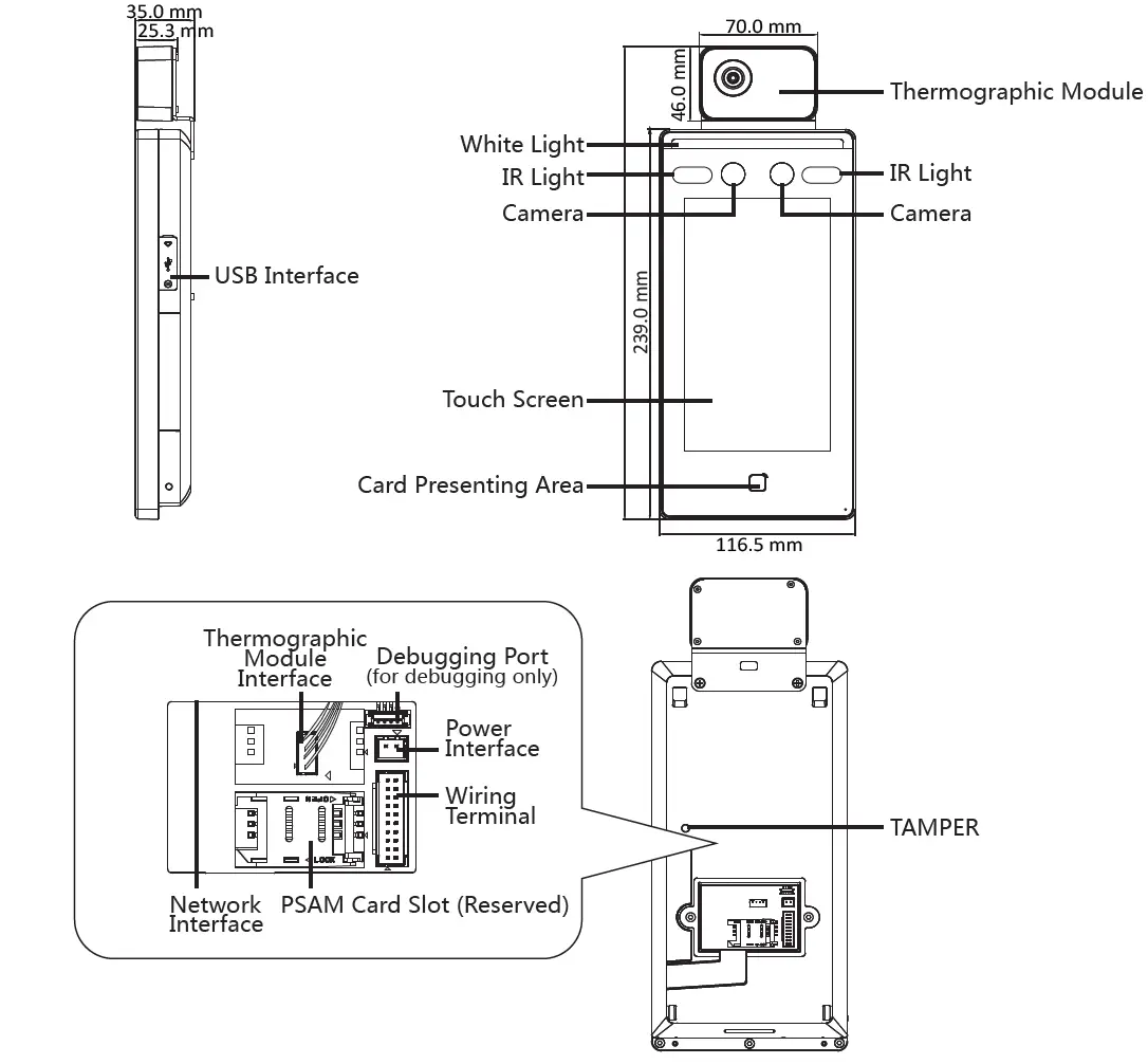
Appearance

Installation
Installation Environment
- The device should be at least 2 meters away from the light, and at least 3 meters away from the window.
- Make sure the environment illumination is more than 100 Lux.
- Indoor and windless environment use only.

Steps
- Drill holes on the wall or other surface and install the gang box.
- Connect the thermographic module and the main body of the device.
Use 5 supplied screws (4_KA4×22-SUS) to secure the mounting plate on the gang box. - Align the device with the mounting plate and hang the device on the mounting plate.
Make sure the two sheets on each side of the mounting plate have been in the slots at the back of the device. - Use 2 supplied screws (SC-M4×14.5TP10-SUS) to secure the device and the mounting plate.
- When the screw’s head is beneath the device surface, the device is secured.
- The installation height here is the recommended height. You can change it according to your actual needs.
- You can also install the device on the wall or other places without the gang box. For details, refer to the User Manual.
- For easy installation, drill holes on mounting surface according to the supplied mounting template.

Device Wiring (Normal)

- When connecting door magnetic sensor and exit button, the device and the RS-485 card reader should use the common ground connection.
- The Wiegand terminal here is a Wiegand input terminal. You should set the face recognition terminal’s Wiegand direction to “Input”. If you should connect to an access controller, you should set the Wiegand direction to “Output”. For details, see Setting Wiegand Parameters in Communication Settings in the user manual.
- The suggested external power supply for door lock is 12 V, 1A.
- The suggested external power supply for Wiegand card reader is 12 V, 1 A.
- Do not wire the device to the electric supply directly.

Device Wiring (With Secure Door Control Unit)

The secure door control unit should connect to an external power supply separately. The suggested external power supply is 12 V, 0.5 A.
Activation
Power on and wire the network cable after installation. You should activate the device before the first login.
If the device is not activated yet, it will enter the Activate Device page after powering on.
Steps:
- Create a password and confirm the password.
- Tap Activate to activate the device.
For other activation methods, see the device user manual.
STRONG PASSWORD RECOMMENDED
We highly recommend you create a strong password of your own choosing (using a minimum of 8 characters, including upper case letters, lower case letters, numbers, and special characters) in order to increase the security of your product. And we recommend you reset your password regularly, especially in the high security system, resetting the password monthly or weekly can better protect your product.
Temperature Measurement Settings
- Hold the screen surface and verify the identity to enter the main page.
- Tap “Temperature” to enter the Temperature Settings page. Configure the parameters.
- Enable Temperature Detection:
When enabling the function, the device will authenticate the permissions and at the same time take the temperature. When disabling the device, the device will authenticate the permissions only. - Over-Temperature Alarm Threshold:
Edit the threshold according to actual situation. If the detected temperature is higher than the configured one, an alarm will be triggered. By default, the value is 37.3°。 - Door Not Open When Detecting Abnormal Temperature:
When Enabling the function, the door will not open when the detected temperature is higher than the configured temperature threshold. By default, the temperature is enabled. - Temperature Measurement Only:
When enabling the function, the device will not authenticate the permissions, but only take the temperature. When disabling the function, the device will authenticate the permissions and at the same time take the temperature. - Measurement Area Calibration/Measurement Area Settings
Configure the temperature measurement area and the correction parameters.
Adding Face Information
- Hold the screen surface and verify the identity to enter the main page.
- Enter the User Management page, tap + to enter the Add User page.
- Set the user parameters according to actual needs.
- Tap Face and collect the face information according to the instructions.
You can view the captured picture at the upper right corner of the page. Make sure the face picture is in good quality and size.
For details about the tips and positions when collecting or comparing the face picture, see the contents on the right. - Tap TICK to save the settings.
Go back to the initial page to start authentication.
For other authentication methods, see the device user manual.
Use other authentication methods if the device is affected by the light or other items.
WARNING: Biometric recognition products are not 100% applicable to anti-spoofing environments. If you require a higher security level, use multiple authentication modes.
Tips When Collecting/Comparing Face Picture
Expression
- Keep your expression naturally when collecting or comparing face pictures, just like the expression in the picture on the right.
- Do not wear hat, sunglasses, or other accessories that can affect the facial recognition function.
- Do not make your hair cover your eyes, ears, etc. and heavy makeup is not allowed.

Posture
In order to get a good quality and accurate face picture, position your face looking at the camera when collecting or comparing face pictures.

Size
Make sure your face is in the middle of the collecting window.

Positions When Collecting / Comparing Face Picture
(Recommended Distance: 0.5m)

Regulatory Information
FCC Information
Please take attention that changes or modification not expressly approved by the party responsible for compliance could void the user’s authority to operate the equipment.
FCC compliance: This equipment has been tested and found to comply with the limits for a Class B digital device, pursuant to part 15 of the FCC Rules. These limits are designed to provide reasonable protection against harmful interference in a residential installation. This equipment generates, uses and can radiate radio frequency energy and, if not installed and used in accordance with the instructions, may cause harmful interference to radio communications. However, there is no guarantee that interference will not occur in a particular installation. If this equipment does cause harmful interference to radio or television reception, which can be determined by turning the equipment off and on, the user is encouraged to try to correct the interference by one or more of the following measures:
- Reorient or relocate the receiving antenna.
- Increase the separation between the equipment and receiver.
- Connect the equipment into an outlet on a circuit different from that to which the receiver is connected.
- Consult the dealer or an experienced radio/TV technician for help.
This equipment should be installed and operated with a minimum distance 20cm between the radiator and your body.
FCC Conditions
This device complies with part 15 of the FCC Rules. Operation is subject to the following two conditions:
- This device may not cause harmful interference.
- This device must accept any interference received, including interference that may cause undesired operation.
This device complies with Industry Canada license-exempt RSS standard(s). Operation is subject to the following two conditions:
- This device may not cause interference, and
- This device must accept any interference, including interference that may cause undesired operation of the device.
Safety Instruction
These instructions are intended to ensure that user can use the product correctly to avoid danger or property loss.
The precaution measure is divided into Warnings and Cautions:
Warnings: Neglecting any of the warnings may cause serious injury or death.
Cautions: Neglecting any of the cautions may cause injury or equipment damage.
Warnings
- All the electronic operation should be strictly compliance with the electrical safety regulations, fire prevention regulations and other related regulations in your local region.
- Please use the power adapter, which is provided by normal company. The power consumption cannot be less than the required value.
- Do not connect several devices to one power adapter as adapter overload may cause over-heat or fire hazard.
- Please make sure that the power has been disconnected before you wire, install or dismantle the device.
- When the product is installed on wall or ceiling, the device shall be firmly fixed.
- If smoke, odors or noise rise from the device, turn off the power at once and unplug the power cable, and then please contact the service center.
- If the product does not work properly, please contact your dealer or the nearest service center. Never attempt to disassemble the device yourself. (We shall not assume any responsibility for problems caused by unauthorized repair or maintenance.)
Cautions
- Do not drop the device or subject it to physical shock, and do not expose it to high electromagnetism radiation. Avoid the equipment installation on vibrations surface or places subject to shock (ignorance can cause equipment damage).
- Do not place the device in extremely hot (refer to the specification of the device for the detailed operating temperature), cold, dusty or damp locations, and do not expose it to high electromagnetic radiation.
- The device cover for indoor use shall be kept from rain and moisture.
- Exposing the equipment to direct sun light, low ventilation or heat source such as heater or radiator is forbidden (ignorance can cause fire danger).
- Do not aim the device at the sun or extra bright places. A blooming or smear may occur otherwise (which is not a malfunction however), and affecting the endurance of sensor at the same time.
- Please use the provided glove when open up the device cover, avoid direct contact with the device cover, because the acidic sweat of the fingers may erode the surface coating of the device cover.
- Please use a soft and dry cloth when clean inside and outside surfaces of the device cover, do not use alkaline detergents.
- Please keep all wrappers after unpack them for future use. In case of any failure occurred, you need to return the device to the factory with the original wrapper. Transportation without the original wrapper may result in damage on the device and lead to additional costs.
- Improper use or replacement of the battery may result in hazard of explosion. Replace with the same or equivalent type only. Dispose of used batteries according to the instructions provided by the battery manufacturer.
- Biometric recognition products are not 100% applicable to anti-spoofing environments. If you require a higher security level, use multiple authentication modes.
- Indoor use. If installing the device indoors, the device should be at least 2 meters away from the light, and at least 3 meters away from the window or the door.
- Input voltage should meet both the SELV (Safety Extra Low Voltage) and the Limited Power Source with 100~240 VAC or 12 VDC according to the IEC60950-1 standard. Please refer to technical specifications for detailed information.





![Hikvision Ds-k1t671 Series Face Recognition Terminal [ud15607b-a] User Manual Hikvision Ds-k1t671 Series Face Recognition Terminal [ud15607b-a] User Manual](https://static-data1.manualsee.com/1/img/170/17304/2020/12/Hikvision-DS-K1T671-Series-Face-Recognition-Terminal.jpg)














