EATON GHG 960 x-e/i Cable Glands

Product Information
The CROUSE-HINDS SERIES offers a range of explosion-protected cable entries, blanking plugs, screw plugs, trumpet-shaped cable glands, reducing glands, and drain plugs.
Technical Data
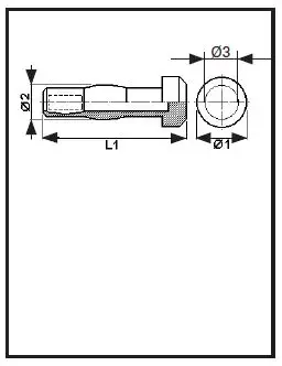
Bild A Druckschraube, Zwischenstutzen
- Diameter range: M12x1.5 to M63x1.5
- Approval: PTB 14 ATEX 1015 X(A), EN 60079-0
- Protection class according to EN/IEC 60529: IP 66 (when fully assembled)
- Type: Ex e IIC Gb, Ex tb IIIC Db
- SW: 15 mm to 68 mm
Usage and Properties
The CROUSE-HINDS SERIES explosion-protected cable entries are designed for use in hazardous environments where there is a risk of explosion. These cable entries provide a safe and secure connection for cables and wires, preventing the entry of flammable substances and protecting against the risk of explosion. The trumpet-shaped cable glands and reducing glands allow for easy installation and maintenance.
Installation
Mounting
- Select the appropriate cable entry based on the diameter of the cable or wire.
- Ensure that the cable or wire is clean and free from any damage.
- Insert the cable or wire through the cable entry.
- Tighten the Druckschraube to secure the cable or wire in place.
- Ensure that the cable entry is securely mounted to the surface.
Putting into Operation
After installation, ensure that the cable entry is fully assembled and that all components are securely in place. Check that the cable or wire is properly connected and that there are no signs of damage or wear. Test the cable entry to ensure that it is functioning properly before putting it into operation.
Maintenance and Servicing
Regular maintenance and servicing of the CROUSE-HINDS SERIES explosion-protected cable entries are essential to ensure that they continue to function safely and effectively. Check for signs of wear or damage, and replace any components as necessary. Clean the cable entry regularly to prevent the build-up of dirt or debris.
Disposal and Recycling
Dispose of the CROUSE-HINDS SERIES explosion-protected cable entries in accordance with local regulations. Where possible, recycle any components or materials.
Technical data
Technical details for:


| Type | SW | L1 | L2 | E | weight app. | ||||||
| M12x1,5 | 15 | mm | 19,3 | mm | 12 | / 8 | mm | 16,2 | mm | 3,4 | g |
| M16x1,5 | 20 | mm | 23,0 | mm | 12 | / 8 | mm | 22,0 | mm | 6,5 | g |
| M20x1,5 | 24 | mm | 25,0 | mm | 13 | / 8 | mm | 26,5 | mm | 10,1 | g |
| M25x1,5 | 29 | mm | 29,5 | mm | 13 | / 8 | mm | 32,0 | mm | 16,9 | g |
| M32x1,5 | 36 | mm | 35,5 | mm | 15 | / 10 | mm | 40,0 | mm | 27,6 | g |
| M40x1,5 | 46 | mm | 39,5 | mm | 15 | / 10 | mm | 50,5 | mm | 50,3 | g |
| M50x1,5 | 55 | mm | 44,0 | mm | 16 | / 12 | mm | 60,0 | mm | 75,9 | g |
| M63x1,5 | 68 | mm | 47,0 | mm | 16 | / 12 | mm | 75,0 | mm | 117,6 | g |
| Type | operating tempera- ture | impact resistance | Cable diameter | Screw-in thread in enclosure | Colour of dust protection cover | |||||||||||||||
| Seal 1+2+3 1 2 3 | Seal 1+2 | 1 2 | Seal 1 | 1 | ||||||||||||||||
| min. | max. | min. | max. | min. | max. | |||||||||||||||
| °C | Joule | Ø | Nm** | Ø(1)(2) | Nm** | Ø | Nm** | Ø(1)(2) | Nm** | Ø | Nm** | Ø(2) | Nm** | Nm** | ||||||
| M12x1,5 | -20 | – | 70 | 4 | 5,0 | 0,8 | 7,0 | 1,0 | 1,2 | white/clear | ||||||||||
| M16x1,5 | -20 | – | 70 | 4 | 5,5 | 1,0 | 7,0 | 1,0 | 7,0 | 1,0 | 10,0 | 1,4 | 3,3 | white/clear | ||||||
| M20x1,5 | -20 | – | 70 | 7 | 5,5 | 1,5 | 7,0 | 1,0 | 7,0 | 1,5 | 9,0 | 1,4 | 9,5 | 1,0 | 13,0 | 1,7 | 2,7 | white/clear | ||
| M20x1,5 | -40 | – | 70 | 4 | 5,5 | 1,5 | 7,0 | 1,0 | 7,0 | 1,5 | 9,0 | 1,4 | 9,5 | 1,0 | 11,0 | 1,7 | 2,7 | green/other | ||
| M25x1,5 | -20 | – | 70 | 7 | 8,0 | 1,5 | 10,0 | 2,0 | 10,0 | 2,3 | 13,0 | 2,6 | 13,5 | 1,3 | 17,5 | 2,3 | 3,0 | white/clear | ||
| M25x1,5 | -55 | – | 70 | 7 | 8,0 | 1,5 | 10,0 | 2,0 | 10,0 | 2,3 | 13,0 | 2,6 | 13,5 | 1,5 | 15,0 | 2,3 | 3,0 | green/other | ||
| M32x1,5 | -20 | – | 70 | 7 | 14,0 | 3,0 | 17,0 | 4,0 | 17,5 | 1,5 | 21,0 | 1,3 | 5,0 | white/clear | ||||||
| M32x1,5 | -55 | – | 70 | 7 | 14,0 | 3,0 | 17,0 | 4,0 | 17,5 | 1,5 | 21,0 | 1,3 | 5,0 | green/other | ||||||
| M40x1,5 | -55 | – | 70 | 7 | 19,0 | 3,3 | 22,0 | 5,5 | 22,0 | 3,3 | 28,0 | 6,7 | 7,5 | green/other | ||||||
| M50x1,5 | -55 | – | 70 | 7 | 24,0 | 6,0 | 28,0 | 7,0 | 28,0 | 5,0 | 35,0 | 7,0 | 7,5 | green/other | ||||||
| M63x1,5 | -55 | – | 70 | 7 | 29,0 | 12,0 | 35,0 | 12,0 | 36,0 | 12,0 | 41,0 | 13,0 | 7,5 | green/other | ||||||
| additional seal | 41,0 | 13,0 | 48,0 | 7,8 | ||||||||||||||||
| ** Test torques at 20°C | ||||||||||||||||||||
Test torques at 20°C
- The tests of clamping ranges and torque values were performed with the metal mandrel. The clamping range can vary by using cables with different manufacturing tolerances and material properties. Please use the combination of sealing 1 + 2 + 3 for the intermediate region.
- When selecting the seal rubber, ensure that the cap nut can be tightened when carrying out any future maintenance work on the cable entry.

Multiple glands
| Type | SW | L1 | L2 | E | weight app. |
| M25x1,5 2 – times | 29 mm | 29,5 mm | 13 / 8 mm | 32,0 mm | 16,9 g |
| M32x1,5 4 – times | 36 mm | 35,5 mm | 15 / 10 mm | 40,0 mm | 27,6 g |
| Type | Operating temperature | Impact resistant | Cable diameter | ||||
| Seal 1 | |||||||
| min. | max. | ||||||
| °C | Joule | Ø | Nm | Ø | Nm | ||
| M25x1,5 2 – times | -20 – 70 | < 7 | 2x | 4,5 | 2,0 | 7,0 | 2,0 |
| M32x1,5 4 – times | -20 – 70 | < 7 | 4x | 4,5 | 3,0 | 7,0 | 3,5 |
Dimension drawings and dimensions in mm
Enlargement glands
| Type | SW | L1 | L2 | E | weight app. | ||||||
| M16x1,5 | / M20x1,5 | 24 | mm | 25,0 | mm | 12 | mm | 26,5 | mm | 9,2 | g |
| M20x1,5 | / M25x1,5 | 29 | mm | 29,5 | mm | 13 | mm | 32,0 | mm | 16,7 | g |
| M25x1,5 | / M32x1,5 | 36 | mm | 35,5 | mm | 15 | mm | 40,0 | mm | 27,0 | g |
| M32x1,5 | / M40x1,5 | 46 | mm | 39,5 | mm | 15 | mm | 50,5 | mm | 46,5 | g |
| M40x1,5 | / M50x1,5 | 55 | mm | 44,0 | mm | 15 | mm | 60,0 | mm | 73,5 | g |
| M50x1,5 | / M63x1,5 | 68 | mm | 47,0 | mm | 16 | mm | 75,0 | mm | 106,4 | g |

| Type | Operating temperature | Impact resistant | Cable diameter | Screw-in thread in an enclosure | ||||||||||||||
| Seal 1+2+3 1 2 3 | Seal 1+2 1 2 | Seal 1 1 | ||||||||||||||||
| min. | max. | min. | max. | min. | max. | |||||||||||||
| °C | Joule | Ø | Nm** | Ø(1)(2) | Nm** | Ø | Nm** | Ø(1)(2) | Nm** | Nm** | Ø(1) | Nm** | Nm** | |||||
| M16x1,5 | / M20x1,5 | -20 | – | 70 | < 7 | 5,5 | 1,5 | 7,0 | 1,0 | 7,0 | 1,5 | 9,0 | 1,4 | 9,5 | 1,0 | 13,0 | 1,7 | 3,3 |
| -40 | – | 70 | < 4 | 5,5 | 1,5 | 7,0 | 1,0 | 7,0 | 1,5 | 9,0 | 1,4 | 9,5 | 1,0 | 11,0 | 1,7 | 3,3 | ||
| M20x1,5 | / M25x1,5 | -20 | – | 70 | < 7 | 8,0 | 1,5 | 10,0 | 2,0 | 10,0 | 2,3 | 13,0 | 2,6 | 13,5 | 1,3 | 17,5 | 2,3 | 2,7 |
| -40 | – | 70 | < 4 | 8,0 | 1,5 | 10,0 | 2,0 | 10,0 | 2,3 | 13,0 | 2,6 | 13,5 | 1,5 | 15,0 | 2,3 | 2,7 | ||
| M25x1,5 | / M32x1,5 | -55 | – | 70 | < 7 | 14,0 | 3,0 | 17,0 | 4,0 | 17,5 | 1,5 | 21,0 | 1,3 | 3,0 | ||||
| M32x1,5 | / M40x1,5 | -55 | – | 70 | < 7 | 19,0 | 3,3 | 22,0 | 5,5 | 22,0 | 3,3 | 28,0 | 6,7 | 5,0 | ||||
| M40x1,5 | / M50x1,5 | -55 | – | 70 | < 7 | 24,0 | 6,0 | 28,0 | 7,0 | 28,0 | 5,0 | 35,0 | 7,0 | 7,5 | ||||
| M50x1,5 | / M63x1,5 | -55 | – | 70 | < 7 | 29,0 | 12,0 | 35,0 | 12 | 36,0 | 12,0 | 41,0 | 13,0 | 7,5 | ||||
| additional seal | 41,0 | 13,0 | 48,0 | 7,8 | ||||||||||||||
Test torques at 20°C
- The tests of clamping ranges and torque values were performed with the metal mandrel. The clamping range can vary by using cables with different manufacturing tolerances and material properties. Please use the combination of sealing 1 + 2 + 3 for the intermediate region.
- When selecting the seal rubber, ensure that the cap nut can be tightened when carrying out any future maintenance work on the cable entry.
Cable entries in special versions
| Type | SW | L1 | L2 | E | weight app. | ||||||
| M20 with seal Ø 2 mm | 24 | mm | 25,0 | mm | 13 | / 8 | mm | 26,5 | mm | 10,1 | g |
| M20 with slotted seal Ø 7,0 – 13 mm |
24 |
mm |
25,0 |
mm |
13 |
/ 8 |
mm |
26,5 |
mm |
10,1 |
g |
| M25 flat cable | 29 | mm | 29,5 | mm | 13 | / 8 | mm | 32,0 | mm | 16,9 | g |
| M25 with PG 16 thread | 36 | mm | 35,5 | mm | 15 | / 10 | mm | 40,0 | mm | 27,6 | g |

| Type | Operating temperature | Impact resistant | Cable-diameter | Screw-in thread in an enclosure | |||||||||
| Seal 1+2 | Seal 2 | ||||||||||||
| min. | max. | min. | max. | ||||||||||
| °C | Joule | Ø | Nm** | Ø(1)(2) | Nm** | Ø | Nm** | Ø(1)(2) | Nm** | Nm** | |||
| M20 with seal Ø 2 mm | -20 | – | 60 | < 7 | 2,0 | 3,5 | 2,7 | ||||||
| M20x1,5 with slotted seal Ø 7,0 – 13 mm | -5 | – | 45 | Breakout-Innenkabel Typ: orange | 2,7 | ||||||||
| -20 | – | 60 | Ultra-Fox Plus Typ: 903 AG 621 02 709 | 2,7 | |||||||||
| -20 | – | 60 | Ehret / ICS 24 Typ: 84 305 … .. | 2,7 | |||||||||
| M25x1,5 with PG 16 thread M25x1,5 flat cable | -20 | – | 70 | < 7 | 10,0 | 2,3 | 13,0 | 2,6 | 13,5 | 1,3 | 17,5 | 2,3 | 3,0 |
| -55 | – | 70 | < 7 | 10,0 | 2,3 | 13,0 | 2,6 | 13,5 | 1,5 | 15,0 | 2,3 | 3,0 | |
| -55 | – | 70 (110) | < 7 | G18 = 5-8×9-12,5 Flachkabel | 5,0 | 3,0 | |||||||
| M25x1,5 flat cable | -55 | – | 70 (110) | < 7 | G24 / G26 = 6-8×11-14 Flachkabel | 3,5 | 3,0 | ||||||
| Cable type | Seal dimensions | Cable dimensions | |||||||||||
| M25 flat cable | Raychem XTV-4XTV 2 … | 8,0 | x | 11,0 | mm | 7,5 | x | 11,0 | mm | 3,0 | |||
| M25 flat cablel | Raychem VPL-5VPL 2 … | 8,0 | x | 11,0 | mm | 7,5 | x | 11,5 | mm | 3,0 | |||
| M25 flat cable | Raychem BTV-3BTV 2 … | 8,0 | x | 11,0 | mm | 6,0 | x | 11,0 | mm | 3,0 | |||
| M25 flat cable | Raychem QTV-10QTVR2 | 8,0 | x | 11,0 | mm | 5,0 | x | 12,5 | mm | 3,0 | |||
| M25 flat cable Raychem | Raychem BTV-10BTV 2 … | 8,0 | x | 14,0 | mm | 6,0 | x | 14,0 | mm | 3,0 | |||
| M25 flat cable | Raychem KTV-5KTV 2 … | 8,0 | x | 14,0 | mm | 7,5 | x | 13,5 | mm | 3,0 | |||
Test torques at 20°C
- The tests of clamping ranges and torque values were performed with the metal mandrel. The clamping range can vary by using cables with different manufacturing tolerances and material properties. Please use the combination of sealing 1 + 2 for the intermediate region.
- When selecting the seal rubber, ensure that the cap nut can be tightened when carrying out any future maintenance work on the cable entry.
Reducing glands
| Type L1 M16x1,5 | L2 / M12x1,5 | Operating temperature / °C -55 – 70 | SW | L1 | L2 | E | Screw-in thread in enclosure / Nm | weight app. | ||||
| 3,3 Nm | ||||||||||||
| M20x1,5 | / M12x1,5 | -55 | – | 70 | 24 mm | 6,0 | mm | 8 mm | 26,5 | mm | 2,7 Nm | 9,0 g |
| M20x1,5 | / M16x1,5 | -55 | – | 70 | 24 mm | 6,0 | mm | 8 mm | 26,5 | mm | 2,7 Nm | 9,0 g |
| M25x1,5 | / M12x1,5 | -55 | – | 70 | 29 mm | 6,0 | mm | 8 mm | 32,0 | mm | 3,0 Nm | 12,5 g |
| M25x1,5 | / M16x1,5 | -55 | – | 70 | 29 mm | 6,0 | mm | 8 mm | 32,0 | mm | 3,0 Nm | 12,5 g |
| M25x1,5 | / M20x1,5 | -55 | – | 70 | 29 mm | 6,0 | mm | 8 mm | 32,0 | mm | 3,0 Nm | 12,5 g |
| M32x1,5 | / M12x1,5 | -55 | – | 70 | 36 mm | 6,0 | mm | 10 mm | 40,0 | mm | 5,0 Nm | 13,5 g |
| M32x1,5 | / M16x1,5 | -55 | – | 70 | 36 mm | 6,0 | mm | 10 mm | 40,0 | mm | 5,0 Nm | 13,5 g |
| M32x1,5 | / M20x1,5 | -55 | – | 70 | 36 mm | 6,0 | mm | 10 mm | 40,0 | mm | 5,0 Nm | 13,5 g |
| M32x1,5 | / M25x1,5 | -55 | – | 70 | 36 mm | 6,0 | mm | 10 mm | 40,0 | mm | 5,0 Nm | 13,0 g |
| M40x1,5 | / M16x1,5 | -55 | – | 70 | 46 mm | 6,0 | mm | 10 mm | 50,5 | mm | 7,5 Nm | 21,0 g |
| M40x1,5 | / M20x1,5 | -55 | – | 70 | 46 mm | 6,0 | mm | 10 mm | 50,5 | mm | 7,5 Nm | 21,0 g |
| M40x1,5 | / M25x1,5 | -55 | – | 70 | 46 mm | 6,0 | mm | 10 mm | 50,5 | mm | 7,5 Nm | 23,0 g |
| M40x1,5 | / M32x1,5 | -55 | – | 70 | 46 mm | 6,0 | mm | 10 mm | 50,5 | mm | 7,5 Nm | 21,0 g |
| M50x1,5 | / M20x1,5 | -55 | – | 70 | 55 mm | 6,0 | mm | 12 mm | 60,0 | mm | 7,5 Nm | 72,0 g |
| M50x1,5 | / M25x1,5 | -55 | – | 70 | 55 mm | 6,0 | mm | 12 mm | 60,0 | mm | 7,5 Nm | 72,0 g |
| M50x1,5 | / M32x1,5 | -55 | – | 70 | 55 mm | 6,0 | mm | 12 mm | 60,0 | mm | 7,5 Nm | 72,0 g |
| M50x1,5 | / M40x1,5 | -55 | – | 70 | 55 mm | 6,0 | mm | 12 mm | 60,0 | mm | 7,5 Nm | 65,0 g |
| M63x1,5 | / M25x1,5 | -55 | – | 70 | 68 mm | 6,0 | mm | 12 mm | 75,0 | mm | 7,5 Nm | 40,0 g |
| M63x1,5 | / M32x1,5 | -55 | – | 70 | 68 mm | 6,0 | mm | 12 mm | 75,0 | mm | 7,5 Nm | 40,0 g |
| M63x1,5 | / M40x1,5 | -55 | – | 70 | 68 mm | 6,0 | mm | 12 mm | 75,0 | mm | 7,5 Nm | 40,0 g |
| M63x1,5 | / M50x1,5 | -55 | – | 70 | 68 mm | 6,0 | mm | 12 mm | 75,0 | mm | 7,5 Nm | 30,0 g |
| L1 = Screw-in thread in enclosure | ||||||||||||

Blanking plug for multiple glands
| Type | Operating temperature / °C | Ø 1 | Ø 2 | L1 | Ø 3 | weight app. | ||||||
| M12x1,5* | -55 | / +70 | 7,0 | mm | 6,0 | mm | 30,3 | mm | 5,0 | mm | 1,0 | g |
| M16x1,5 | -55 | / +70 | 8,0 | mm | 7,0 | mm | 33,0 | mm | 6,0 | mm | 1,3 | g |
| M20x1,5 | -55 | / +70 | 12,0 | mm | 8,5 | mm | 34,5 | mm | 7,0 | mm | 6,6 | g |
| M25x1,5 | -55 | / +70 | 16,0 | mm | 11,0 | mm | 36,0 | mm | 10,0 | mm | 2,8 | g |
| M32x1,5 | -55 | / +70 | 20,0 | mm | 14,0 | mm | 39,5 | mm | 13,0 | mm | 4,6 | g |
| M40x1,5 | -55 | / +70 | 24,0 | mm | 20,0 | mm | 42,0 | mm | 19,0 | mm | 7,0 | g |
| M50x1,5 | -55 | / +70 | 32,0 | mm | 26,0 | mm | 44,0 | mm | 25,0 | mm | 8,0 | g |
| M63x1,5 | -55 | / +70 | 39,0 | mm | 34,0 | mm | 45,0 | mm | 32,0 | mm | 9,0 | g |
for multiple glands M25x1,5 and M32x1,5
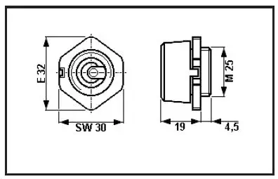
Trumpet-shaped glands M20 to M63
Dimension drawings and dimensions in mm
| Type | SW | L1 | L2 | E width across corners | weight app. |
| M20x1,5 | 27 mm | 64 mm | 15 mm | 47 mm | 57 g |
| M25x1,5 | 32 mm | 65 mm | 15 mm | 51 mm | 68 g |
| M32x1,5 | 41 mm | 80 mm | 15 mm | 68 mm | 138 g |
| M40x1,5 | 50 mm | 86 mm | 15 mm | 81 mm | 191 g |
| M50x1,5 | 60 mm | 95 mm | 16 mm | 96 mm | 325 g |
| M63x1,5 | 75 mm | 105 mm | 17 mm | 107 mm | 757 g |

| Type | Operating temperature | Impact resistant | Cable diameter | Test torques | |||||
| Trumpet-shaped gland | strain Relief (screws) | Screw-in thread/ Intermediate gland | |||||||
| min. | max. | ||||||||
| °C | Joule | Ø | Ø | Nm | Nm | Nm | |||
| M20x1,5 | -55 | – | 75 | < 7 | 8.0 | 13.0 | 3.0 | 1.5 | 5.0 |
| M25x1,5 | -55 | – | 75 | < 7 | 11.0 | 16.0 | 3.0 | 2.0 | 7.0 |
| M32x1,5 | -55 | – | 75 | < 7 | 15.0 | 20.0 | 6.0 | 4.0 | 10.0 |
| M40x1,5 | -55 | – | 75 | < 7 | 19.0 | 27.0 | 8.0 | 6.0 | 15.0 |
| M50x1,5 | -55 | – | 75 | < 7 | 26.0 | 34.0 | 20.0 | 10.0 | 35.0 |
| M63x1,5 | -55 | – | 75 | < 7 | 35.0 | 46.0 | 40.0 | 11.0 | 50.0 |

Screw plugs
Dimension drawings and dimensions in mm
| Type | Operating temperature / °C | Ø 1 | L1 | L2 | L3 | Screw-in thread in enclosure / Nm | weight app. |
| M16x1,5 | -55 / +95 | 21 mm | 12 mm | 11 mm | 4,0 mm | 3,3 | 2,4 g |
| M20x1,5 | -55 / +95 | 25 mm | 13 mm | 12 mm | 4,0 mm | 2,7 | 4,3 g |
| M25x1,5 | -55 / +95 | 30 mm | 13 mm | 12 mm | 4,0 mm | 3,0 | 6,6 g |
| M32x1,5 | -55 / +95 | 37 mm | 15 mm | 14 mm | 5,5 mm | 5,0 | 12,0 g |
| M40x1,5 | -55 / +95 | 45 mm | 15 mm | 14 mm | 5,5 mm | 7,5 | 36,6 g |
| M50x1,5 | -55 / +95 | 55 mm | 16 mm | 15 mm | 5,5 mm | 7,5 | 56,6 g |
| M63x1,5 | -20 / +80 | 72 mm | / mm | 12 mm | 11,0 mm | 7,5 | 64,5 g |
| = Socket head spanner or screwdriver, size 8 mm | |||||||
Drain plug

Legend
Caution: This symbol warns of a possible failure. Failure to observe this caution may result in the total failure of the device or the system or plant to which it is connected. X ATEX – IEC Special conditions: This symbol indicates that special conditions apply for a safe operation in accordance with the EC Type Examination Certificate / IECEx Certificate of Conformity.
Safety instructions
The operations must be carried out by electrical suitably trained in hazardous area with knowledge of increased safety explosion protection IEC/EN 60079-14. All the entries and components listed in these operating and mounting instructions are not suited for use in Zone 0 and Zone 20. In addition, they may not be used as direct cable entries or seals for flameproof enclosures in potentially explosive atmospheres in Zone 1, Zone 2 and Zone 21, Zone 22. They shall be used for their intended purpose and shall be in a perfect and clean state. Prior to mounting, check the entries and components, as well as the screw-in threads of the apparatus into which they are to be mounted to ensure that they are in a perfect state. The requirements of the IEC/EN 60079-0 and EN/IEC 60079-31 regarding excessive dust deposits and temperature are to be considered by the user. The national safety rules and regulations for the prevention of accidents, as well as the safety instructions included in these operating instructions, that, like this text, are set in italics, shall be observed!
Conformity with standards
The apparatus is conform to the standards specified in the EU-Declaration of conformity, enclosed separately. References to standards and directives in these operating instructions always relate to the latest version. Other additions (e.g. details relating to the year) shall be observed.
Field of application
The entries and components covered by these instructions (see Technical Data) are suited for mounting in potentially explosive atmospheres in Zone 1, Zone 2, and Zone 21, Zone 22 in accordance with IEC/EN 60079-10-1 and IEC/EC 60079-10-2! The materials used, including the exterior metal parts, are high-quality materials that ensure corrosion resistance and resistance to chemical substances according to the requirements for use in a ”normal industrial atmosphere”:
- impact resistant polyamide
- stainless steel In case of use in an extremely aggressive atmosphere, please refer to the manufacturer
Application / Properties
All the cable entries and components covered by these operating and mounting instructions are suited for use in enclosures and apparatus in the type of protection ”Increased Safety”. Trumpet-shaped cable glands are used for feeding flexible cables into enclosures and apparatus. The fitting of seal inserts one inside the other or the interchanging of seal inserts of different entries to reduce the cable opening is not permitted. Reducing glands can be used to reduce the size of threaded or through holes in enclosures to a smaller thread size. Blanking plugs are used to seal metric COOPER CROUSE-HINDS cable entries and COOPER CROUSE-HINDS multiple entries. Screw glands are used to seal unused through and threaded holes. Any condensation in the apparatus can escape via drain plugs (see 6.1, Mounting). Applications other than those described are not permissible without a written declaration of consent from Messrs. COOPER CROUSE-HINDS. The instructions according to section 7 of the operating instructions shall be observed during operation. The sole responsibility with respect to the suitability and proper use of these entry components with regard to the basic conditions of these instructions (see Technical Data) lies with the operator. X ATEX – IEC The EC-Type Examination Certificate and any future supplements thereto shall, at the same time, be regarded as supplements to the EC-Type Examination Certificates PTB 99 ATEX 3128 X and PTB 99 ATEX 3101 X.
Installation
The relevant national regulations and the generally recognized rules of engineering apply to the installation and operation. (IEC/EN 60079-14). The improper installation and operation of enclosures can result in the invalidation of the guarantee. Observe the special operational conditions in accordance with IEC/EN 60069-14.
- X ATEX – IEC Only fixed cables may be used. The operator shall ensure that appropriate strain relief is provided. This is not required for trumpet-shaped glands.
- X ATEX – IEC The degree of protection IP66 is only attained if the seals and cable entries are installed correctly.
- X ATEX – IEC Cable entries that are only suited for low impact energy shall be built into an enclosure in such a way as to protect them from mechanical impact energy.
- Attention: In case of unused cable entries, remove their protective cover and close the entries with a blanking plug (see Technical data).
Mounting
- Prior to mounting, ensure that the threads of the entry components match the threads of the apparatus or enclosure. If the entries and components are to be screwed directly into the walls, the wall thickness of the apparatus shall be at least 4 mm.
- Counter-nuts shall be used if enclosure walls are less than 4 mm thick. The minimum thickness of the enclosure wall shall be 1.5 mm.
- The use of entry elements with damaged or dirty threads can impair the IP degree of protection.
- Imported Cables and wiring shall be relieved of tensile forces (eg with a cable clamp).
Cable entries (KLE)
The intermediate gland (see Fig. 1) 
of the cable entries shall be fitted with a suitable tool, e.g. fork, ring or box spanner. It is mounted directly in the threaded hole or via the through hole of the enclosure 
If the sealing surfaces are uneven, seals shall be used between the enclosure wall and the intermediate gland
. Counter-nuts shall be used for walls with a thickness of less than 4 mm (see Fig. 2). Cables are fed in as shown in Fig. 4. The seal inserts shall be chosen to suit the respective cable diameter (Page 13 Figs. A, B, C and D). Use COOPER CROUSE-HINDS spanners with a side opening can be used to facilitate the tightening of the pressure screw when the cable entry has been mounted 
Order No. GHG 960 1951 R0001 for Set 1 (M12, 16, 20, 25, 32 and 40) Order No. GHG 960 1951 R0002 for Set 2 (M50 and M63) To ensure the required minimum degree of protection, the gland body and the pressure cap shall be tightened with the given test torques (see Technical Data). When tightening the pressure cap, the gland body shall be prevented from turning with a suitable tool, e.g. a spanner.
Overtightening can impair the degree of protection.
Optionally, cable entries with color-coded (light blue) pressure screws can be used for intrinsically safe circuits (see main COOPER CROUSE-HINDS catalog for order numbers).
Blanking plugs
X ATEX – IEC Blanking plugs of the types GGH 960 6107 P**** or GHG 960 1944 R**** may only be used in conjunction with cable entries of the types GHG 960 92** P**** or GHG 960 19** R****.
The following shall be observed when mounting blanking plugs for COOPER CROUSE-HINDS metric cable entries (see Fig. 6):
- Only the blanking plug associated with the KLE shall be used.
- When closing the gland with a blanking plug, always use sealing inserts 1+2!
- The head of the blanking plug shall, as shown in
, be on the outside. - The blanking plug shall be pushed into the KLE until it reaches the stop.
- The pressure screw of the KLE shall be tightened down as described in 6.1.1.
Screw plug
The screw plug shall be screwed tightly into the threaded hole in the enclosure using a suitable tool, e.g. 8 mm socket head spanner or a suitable screwdriver. A counter-nut shall be used for through holes or enclosures that are less than 4 mm thick. An additional seal shall be used for uneven sealing surfaces. In general, the M50 screw plug shall be mounted together with the seal supplied.
Trumpet-shaped gland
A suitable tool, e.g. a fork spanner, shall be used for mounting the intermediate gland in the trumpet-shaped gland in such a way that it cannot twist. It is necessary to ensure that the gland cannot twist once the cable has been fed in and the trumpet-shaped gland mounted (e.g. by using a counter-nut, see Figs. 7 + 8). A counter-nut shall be used for through holes or enclosures that are less than 4 mm thick. When mounting, a seal shall always be used between the enclosure wall and the intermediate gland (see Fig. 7).
The following describes the mounting of the cable in the trumpet-shaped gland, as shown in

- Cut out the individual rings of the ”onion ring” seal insert to match the respective cable diameter.
- After feeding in the cable, that has been cut to length and has the seal mounted, into the intermediate gland, screw the trumpet-shaped gland tightly into the intermediate gland to seal off the cable.
- Then mount the pull relief on the trumpet-shaped gland.
It is necessary to ensure that there is sufficient pull relief, that damage to the cable is not possible, and that the trumpet-shaped gland cannot twist.
Reducing gland
A suitable tool, e.g. a fork, ring or box spanner, shall be used for screwing the reducing gland tightly into the threaded hole in the enclosure. A counter-nut shall be used for through holes or enclosures that are less than 4 mm thick. An additional seal shall be used for uneven sealing surfaces.
Screwing several reducing glands one inside the other to reduce the size of the entry thread is not permitted.
Drain plug
- A suitable tool, e.g. a fork, ring, or box spanner, shall be used for screwing the drain plug tightly into the threaded hole in the enclosure.
- An additional seal shall be used for uneven sealing surfaces.
- The drain plug shall be mounted at the lowest point of the apparatus or enclosure

- The minimum wall thickness may not be less than 4 mm.
- Entry components shall be screwed in tightly to ensure the specified minimum degree of protection (see Technical Data for test torques).
- Overtightening can impair the degree of protection.
Putting into operation
Prior to putting the mounted entry components into operation, the tests specified in the individual national regulations shall be performed. In addition to this, prior to putting the entries into operation, the correct mounting shall be checked in accordance with these operating and mounting instructions and any other applicable regulations. In locations where they are particularly at risk, the entries shall be safeguarded against being torn out of the apparatus or enclosure walls by external mechanical influences (e.g. by forklift trucks, by knocking, or similar).
Maintenance / Servicing
The valid national regulations for the servicing/maintenance of electrical apparatus for use in potentially explosive atmospheres shall be observed (e.g. IEC/EN 60079-17). The necessary intervals between servicing depend upon the specific application and shall be stipulated by the operator according to the respective operating conditions. As part of the routine testing, above all, parts on which the explosion protection depends shall be checked ( e.g. intactness of entry components and seals). Pressure screws of cable entries and trumpet-shaped glands of trumpet-shaped cable entries shall be checked at regular intervals to ensure that they are screwed in tightly and, if necessary, they shall be tightened down. If, in the course of servicing, it is ascertained, that repairs are necessary, section 8 of these operating instructions shall be observed.
Repairs / Modifications
Only original COOPER CROUSE-HINDS parts shall be used for carrying out repairs that concern explosion protection. Repairs that affect the explosion protection may only be carried out by COOPER CROUSE-HINDS or by a qualified electrician in compliance with the respective national regulations (e.g. IEC/EN 60079-19). Modifications to the entry components are not permitted.
Disposal / Recycling
When the apparatus is disposed of, the respective national regulations on waste disposal will have to be observed. In case of disposal, you can obtain additional information from your Cooper Crouse-Hinds / EATON branch. Subject to modifications or supplements of the product range.
Changes to the products, to the information contained in this document, and to prices are reserved; so are errors and omissions. Only order confirmations and technical documentation by Eaton is binding. Photos and pictures also do not warrant a specific layout or functionality. Their use in whatever form is subject to prior approval by Eaton. The same applies to Trademarks (especially Eaton, Moeller, and Cutler-Hammer). The Terms and Conditions of Eaton apply, as referenced on Eaton Internet pages and Eaton order confirmations. Eaton is a registered trademark. All trademarks are the property of their respective owners.
Cooper Crouse-Hinds GmbH
- Neuer Weg-Nord 49
- 69412 Eberbach
- E-Mail: [email protected].
- www.crouse-hinds.de.
- © 2022 Eaton
- All Rights Reserved
- Printed in Germany
- Publication No.
- GHG 960 7001 P0001 D/GB/F (w) /
- Auflage / 17.2022 / MS
Explosion-protected cable entries, blanking plugs, screw plugs, trumpet-shaped cable glands, reducing glands, and drain plugs

, be on the outside.















