CleanFreak SAN-86-R3100 6-Gallon Carpet Extractor

New Equipment Warranty
Limited Warranty
CleanFreak warrants new equipment against defects in material and workmanship under normal use and service to the original purchaser. Any statutory implied warranties, including any warranty of merchantability or fitness for a particular purpose, are expressly limited to the duration of this written warranty. CleanFreak will not be liable for any other damages, including but not limited to indirect or special consequential damages arising out of or in connection with the furnishing, performance, use or inability to use the machine. This remedy shall be the exclusive remedy of the purchaser. The warranty period is subject to the conditions stated below.
Lifetime Warranty on Body, 2 Years on Vacuum Motors and Pump, 1 Year on Heater and all Electrical Parts, 90 Days on Tools and Accessories
CleanFreak warrants the roto-molded body to be free from defects in material and workmanship, under normal use and service for a lifetime. CleanFreak warrants the motors and pump to be free from defects in material and workmanship, under normal use and service for two (2) years from the original date of sale, heater for two (2) years and all electrical parts one (1) year. Parts replaced or repaired under this warranty are warranted for the remainder of the original warranty period. Service labor charges are covered for one (1) year from the date of purchase, when performed by a CleanFreak Repair Center.
Labor is only provided by a CleanFreak Repair Center. If a CleanFreak Repair Center is not near you, it is the purchaser’s responsibility to take their machine to a CleanFreak Repair Center.
Normal wear items, such as capacitors, cords, finishes or switches, will be warranted for manufacturing defects for ninety (90) days from the purchase date.
All warranties of motors and associated components will be voided: if the machine is serviced by anyone other than a CleanFreak Repair Center; if the machine is mechanically modified; if the machine is operated when not operating properly; or if the machine is misused or abused.
The warranty starts on the purchase date by the original purchaser from CleanFreak subject to proof of purchase. The Machine Registration Card must be completed and returned immediately at the time of purchase. If proof of purchase cannot be identified, the warranty start date is ninety (90) days after the inventory stocking date at the distributor’s warehouse.
- 5109 N National Dr, Knoxville, TN 37914
- Toll Free: 888-722-5508 | Local: 920-882-8453
- www.CleanFreak.com
- Make a copy of this card for future reference.
- © All Rights Reserved
Lifetime warranty on molded body parts, 2-years on vacuum motor and pump, 1-year on heater and all electrical parts.
Warranty Policy
All equipment is inspected and tested before shipping from the manufacturer. All parts are warranted to be new and free from defects in workmanship and material, under normal use to the original retail purchaser. This warranty limits manufacturer’s liability for defects in workmanship or materials for replacement of defective parts only. The manufacturer accepts no liability for incidental or consequential damages arisen from the use of any equipment, defective or not. This warranty is in lieu of all expressed or implied warranties and is extended only to the original retail purchaser. Manufacturer sales and service representatives are not authorized to waive or alter the terms of this warranty, or to increase the obligations of the manufacturer under the warranty. Parts replaced or repaired under this warrant are warranted for the remainder of the original warranty period.
Freight charges and travel charges to and from the service provider shall be covered for ninety (90) days from the purchase date. After the ninety (90) day period, these freight charges shall be paid by the equipment owner, subject to manufacturer discretion. Certain circumstances may require additional consideration. No travel charges shall be covered after ninety (90) days.
The manufacturer covers up to one (1) year (365 days) of service labor at the manufacturer’s calculated hourly labor rate/repair time when performed by a manufacturer’s authorized service provider. Ultimately, labor reimbursement costs are at the discretion of the manufacturer. After one (1) year, the original retail purchaser is responsible for all labor costs with no manufacturer reimbursement.
The original purchaser must contact the manufacturer to follow correct RMA/warranty procedures. They must have a copy of the RMA Sheet enclosed in the box with the returned item. No returns shall be authorized unless the proper RMA procedures are followed. It is the responsibility of the distributor to repair the customer’s equipment as soon as possible. If the distributor does not have the facilities to repair the equipment, it may be shipped or taken to an authorized service center for repair.
The manufacturer charges a 15% restocking fee for any items that are being returned to stock. Items must be new, unused, free of damage and are only good for up to one (1) year. After one (1) year, the manufacturer does not accept the return of any item(s) for a reimbursed price.
Authorized warranty replacement parts need to come directly from the manufacturer. Any use of any other parts will void warranty. CleanFreak does not reimburse for parts used by customer that were not supplied directly for the machine under warranty.
The customer must contact the manufacturer prior to working on or changing out of any parts, etc. The manufacturer must issue an RMA Sheet containing approved labor time and replacement parts. Do not send parts or equipment back to the manufacturer without an RMA Number and approval. No labor will be paid for, nor parts cost paid for or reimbursed, that have not previously been approved by the manufacturer. All warranty work must be approved and authorized to qualify, and appropriate warranty procedures must be followed.
The warranty starts on the purchase date by the original purchaser from an authorized CleanFreak distributor, subject to proof of purchase. The Machine Registration Form must be completed online at the time of purchase. If proof of purchase cannot be identified, the warranty start date is ninety (90) days after the date of sale to an authorized CleanFreak distributor.
(2) 6-Gallon Carpet Extractor Series
Original purchaser must contact the manufacturer to follow correct RMA/warranty procedures. Must include a copy of RMA Sheet enclosed in the box with returned item. No returns shall be authorized unless the proper RMA procedures are followed. It is the responsibility of the distributor to repair the customer’s equipment as soon as possible. If the distributor does not have the facilities to repair the equipment, it may be shipped or taken to an authorized service center for repair.
Customer must contact the manufacturer prior to working on or changing out any parts, etc. Manufacturer must issue an RMA Sheet containing approved labor time and replacement parts. Do not send parts or equipment back to manufacturer without an RMA Number and approval. No labor will be paid for, nor part costs paid for or reimbursed that have not been previously approved by manufacturer. All warranty work must be approved and authorized to qualify and appropriate warranty procedures must be followed.
Safety Instructions
READ THIS MANUAL BEFORE USING YOUR CARPET EXTRACTOR. KNOW THE PROPER OPERATION, CORRECT APPLICATIONS AND THE LIMITATIONS OF THIS EQUIPMENT BEFORE USE.
Reduce the Risk of Fire, Electric Shock or Injury:
- Use only as described in this manual. Use only the attachments recommended by the manufacturer.
- Test all outlets with an outlet tester before plugging machine into any outlet. Plug cord into the nearest grounded outlet.
- DO NOT unplug by pulling on the cord, grasp the plug. DO NOT pull unit by the cord.
- Keep cord away from heated surfaces.
- Never attempt adjustments or repairs while the machine is plugged in.
- DO NOT use if cord or plug are damaged.
- DO NOT use outdoors, in standing water on wet surfaces.
- Pay close attention when using machine near children.
- DO NOT pick up flammable or combustible materials or use machine where they may be present.
- DO NOT leave machine outdoors, in extreme heat or cold. Harsh weather elements will damage components and void warranty.
- Lift using only the appropriate handles.
- Always wear the appropriate clothing and safety equipment when operating the machine.
- Keep all body parts, hair and loose clothing away from openings and moving parts.
- Use extra care when cleaning stairs. Never move the machine up or down stairs with fluid in the machine.
- Use common sense to protect yourself and others from injury when using the machine.
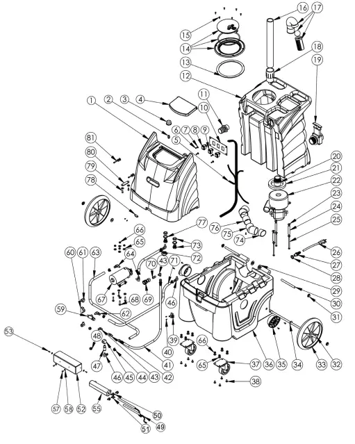
Machine Parts List Continued – with Heat
Drawing No. Item No. Description Quantity
- 1 SN-6-ST-GRNGRAN 12-Gallon Solution Tank – Green Granite 1.00
- 2 10-0479 1/4” Male Close Nipple 1.00
- 3 10-0845 1/4” Strainer for Extractor 1.00
- 4 SN-6-L-BLK 12-Gallon Lid – Black 1.00
- 5 80-0200 Extractor Harness 1.00
- 6 10-0379 8-32 x 3/8 Screw 8.00
- 7 10-0204 Motor Mount Back-Up Washer 3.00
- 8 10-0803 Splash-proof Switch for Extractor 3.00
- 9 10-0803 Splash-proof Switch for Extractor 3.00
- 10 10-0809 Extractor 3-Hole Switch Plate 1.00
- 11 10-0806 Barb Hose Fitting for Extractor 1.00
- 12 SN-6-RT-GRNGRAN 12-Gallon Recovery Tank – Green Granite 1.00
- 13 10-0804-A Hatch Cover Gasket for Extractor 1.00
- 14 10-0804 Hatch Cover for Extractor 1.00
- 15 10-0419-A Screw for Extractor Hatch 12.00
- 16 10-0416-A 1-1/2” Black ABS Stand Pipe 12.50
- 17 80-0012 Shut-Off Assembly for Extract. 1.00
- 18 80-0008 1.5 PVC Female Adapter 1.00
- 19 10-0805 Dump Valve for Extractor 1.00
- 20 10-0849 1-1/2 ABS Fitting 1.00
- 21 10-1030-S3 3-Stage Extractor Motor Gasket 1.00
- 22 10-0810 3-Stage Extractor Motor 1.00
- 23 10-0834 Pump Flat Washer 37.00
- 24 80-0121 Spacer 6-Gallon Extractor Motor 9.00
- 25 10-0833-6 Motor Mount Bolt for 6-Gallon 4.00
- 26 10-0838 Pigtail for Extractor 1.00
- 27 10-0850 Strain Relief for Extractor 1.00
- 28 10-0851 Strain Relief Nut for Extractor 1.00
- 29 10-0830 Hinge Keeper for Extractor 2.00
- 30 10-0821-6 6-Gallon Extractor Hinge 2.00
- 31 10-0820 End Cap for Rod on Extractor 4.00
- 32 10-0836-6 16-3/8” Axle for 6-Gallon Extractor 1.00
- 33 10-0807 Wheels for Extractor 2.00
- 34 10-0840 Nylon Washer for Extractor Axle 2.00
- 35 10-0822 Exhaust Grate for Extractor 3.00
- 36 SN-6-MB-BLKGRAN 6-Gallon Motor Base – Black Granite 1.00
- 37 10-0808 Caster for Extractor 2.00
- 38 10-0835 Pump Bolt 200 & 500 psi 4.00
- 39 10-0400-D Latch for Extractor 1.00
- 40 10-0379 8-32 x 3/8 Screw 8.00
- 41 80-0040 3000 psi Hose for Extractor 3.75
- 42 80-0041 1/4 FJIC Crimp Fitting 2.00
- 43 10-0801-I 90 FPT for Extractor Heater 2.00
- 44 10-0826 3/4” Hose Clamp for Extractor 6.00
- 45 10-0852 1/4” 90 Degree Brass Elbow 2.00
- 46 80-0014 3/8” B x 1/4” F 90 Degree 1.00
- 47 80-0101-M 1/4” Male Check Valve 1.00
- 48 10-0907 Strain Relief for Tube Heater 2.00
- 49 10-1500-B Heater Element 600 Watt 2.00
- 50 10-0814 Sensor for Extractor Heater 2.00
- 51 10-0814-B Manual Sensor for Heater 2.00
- 52 10-0921 Aluminum Box for Dual Rod Heater 1.00
- 53 80-0022-A 8-32 x 3/8 Screw 4.00
- 55 10-0920 Dual Rod Heat Exchanger Tube 1.00
- 57 80-0022-A 8-32 x 3/8 Screw 4.00
- 58 10-0204 Motor Mount Back-Up Washer 8.00
- 59 10-0901 175 psi Relief Valve for Heater 1.00
- 60 80-0010 1/4” Brass Tee 1.00
- 61 80-0011-2 90 Degree Street Elbow 1.00
- 62 80-0026 3/8 Barb x 1/4 MPT 90 Degree 3.00
- 63 10-0843 3/8” Black Hose for Extractor 6.00
- 64 10-0356 3/8 MNPT x 3/8 Barb 90 Degree 2.00
- 65 10-0834 Pump Flat Washer 37.00
- 66 10-0835-N Nut for Pump Bolt on Extractor 12.00
- 67 10-0812 100 psi Extractor Pump 1.00
- 68 10-0835-B Pump Bolt 100 psi 4.00
- 69 10-0868 1/4” Female QD for Extractor 1.00
- 70 80-0004-A 1/4” x 1-3/4” Brass Nipple 1.00
- 71 10-0843 3/8” Black Hose for Extractor 3.00
- 72 10-0843 3/8” Black Hose for Extractor 3.00
- 73 80-0017 Bulk Head fitting for Extractor 2.00
- 74 10-0416-A 1-1/2” Black ABS Stand Pipe 12.50
- 75 80-0070 1-1/2 PVC Elbow 45 Degree 1.00
- 76 10-0416-A 1-1/2” Black ABS Stand Pipe 12.50
- 77 80-0017 Bulk Head fitting for Extractor 2.00
- 78 10-0400-C Keeper Latch for Extractor 1.00
- 79 10-0832 S/R Strap Bolts 2.00
- 80 10-0831 S/R Bracket for Extractor 1.00
- 81 10-0818 S/R Top of Tank Bolt on Extractor 1.00
Grounding Instructions
DANGER: IMPROPER GROUNDING METHOD CAN RESULT IN A RISK OF ELECTRIC SHOCK.
Electrical equipment must be grounded. If the machine should malfunction or breakdown, grounding provides a path of least resistance for electrical current to reduce the risk of electric shock. The Carpet Extractor is equipped with a cord containing a grounding conductor and grounding plug. The plug must be inserted into an appropriate outlet that is properly installed and grounded in accordance with all local codes and ordinances.
If repair or replacement of the cord or plug is necessary, DO NOT connect the grounded wire to a flat bed terminal. The grounding wire is the wire with insulation and an outer green surface, with or without yellow stripes.
Grounding Method
The equipment is for use on a normal 120 Volt circuit. It includes a grounded plug (plug shown in Figure A). A temporary adapter (Figure B and C) may be used to connect this plug into a 2-pole receptacle (Figure B) if a properly grounded outlet is not available.
The temporary adapter should be used only until a properly grounded outlet
(Figure A) can be installed by a qualified electrician. The green colored rigid ear lug or the like extending from the adapter must be connected to a permanent ground, such as a properly grounded outlet box cover. Whenever an adapter is used, it must be held in place by a metal screw.
WARNING:
Improper connection of the equipment grounding conductor can result in a risk of electric shock. Check with a qualified electrician or service person if you are in doubt as to whether the outlet is properly grounded. DO NOT modify the plug provided with the equipment. If the plug will not fit into the outlet, have a proper outlet installed by a qualified electrician.
NOTE: In Canada, the use of a temporary adapter is not permitted by the Canadian Electrical Code.
Prepare Unit for Use
DO NOT USE ON WET SURFACES. DO NOT EXPOSE TO RAIN. STORE INDOORS.
- All Carpet Extractors, no matter what the time of year, are shipped with antifreeze in the solution lines. Prior to first use, fill the tank with one quart of warm water. Attach the hose and using the hand tool wand, flush out the system by spraying the one quart of water through the pump.
- Attach the 1-1/2 inch vacuum hose and the brass quick disconnect.
- Fill the base unit (the recovery tank must be removed) with warm water (less than 100 degrees Fahrenheit). Fill to approximately 4 inches from the top. Use a liquid detergent made for carpet cleaning or upholstery. Read and mix to the dilution ratios as directed.
Electrical
Plug cord(s) into 20 AMP grounded wall outlet(s). 20 AMP circuits are normally found in kitchens and bathrooms. Never remove ground prong from the plug. If a circuit breaker trips during operation, turn machine off, reset the breaker and move the electrical cord to a different outlet and resume operation.
Vacuum System
The extractor uses a single vacuum motor system that provides outstanding water lift and air flow.
Automatic Vacuum Shut-Off: The float assembly shut-off, located in the recovery tank on the vacuum stand pipe, prevents the waste tank from overflowing into the stand pipe and damaging the vacuum motor. The float assembly will cut-off vacuum to the waste tank. When this happens, immediately turn off the vacuum motor and empty the waste tank.
It is also necessary to use low foaming chemicals or defoamer to eliminate foam buildup in the recovery tank and damage to the vacuum motor. If moisture does enter the vacuum motor, it is necessary to WD-40 the motor. Remove the float assembly from the stand pipe and turn on both vacuum motor. Spray a five second burst of WD-40 into the stand pipe and continue to let the vacuum motor run for three minutes.
Maintenance
Regular maintenance is required to keep your carpet extractor in proper working condition. Thoroughly clean all equipment and accessories after each use:
- Rinse the solution and recover tanks with clean water.
- Flush the pump system with clean water, including all hoses and wand(s).
- Do not allow water to remain in the tanks after use.
- Lubricate all quick disconnects with WD-40 or similar lubricant.
Storing your Carpet Extractor
You must winterize your carpet extractor to protect the pump system from freezing. Damage due to freezing is not covered under the Warranty. Store your extractor in temperatures over 40 degrees Fahrenheit. Although this is not recommended, if you plan on storing your extractor in freezing conditions, you must prime your extractor with
antifreeze.
Problem Solving
Never operate this carpet extractor when the equipment is not performing as expected or when any part is visibly damaged. When repair is needed, take the equipment to an authorized service center.
| System | Problem | Possible Cause | Remedy |
| Vacuum System | No Vacuum / Weak Vacuum | 1. Vacuum Tank Full 2. Float Shut-Off Tank Screen Dirty 3. Float Ball Stuck 4. Damaged or Loose Vacuum Hose 5. Dump Valve Open 6. Access Lid not Sealed 7. Vacuum Hose Clogged 8. Air Intake Grid Clogged 9. Leak in Recovery Tank 10. Water Coming out of Vacuum Exhaust | 1. Empty Tank 2. Clean the Screen with Water 3. Tap Float to Unstick then Clean 4. Attach or Replace 5. Close Valve 6. Replace Gasket 7. Clear Debris 8. Clean 9. Clean and Dry Area, Patch with Silicone 10. Use a Low Foaming Detergent |
| Electrical System | Unit will not Turn On | 1. Extension Cord not Plugged In 2. Switch not in the “On” Position 3. Building Circuit Overloaded 4. Wiring Connections Loose | 1. Check if Machine and Cord are Plugged In 2. Check Switches, Replace if Necessary 3. Reset Circuit 4. Unplug Machine and Check for Loose Wires |
| Burning Smell | 1. Vacuum Motor Hung Up 2. Pump Motor Hung Up | 1. Replace Vacuum Motor 2. Replace Pump | |
| Pump System | Pump is not Running Properly | 1. No Power to the Pump 2. Jets on Wand are Clogged 3. In-Line Water Filter is Clogged 4. Debris in Solution Tank Covering Inlet 5. Kinked or Loose Hose 6. Pump Failed 7. Quick Disconnects are not Completely Locked Together 8. Heater is Clogged with Deposits
9. Pump is Pulsating 10. Auto Prime Valve is Open | 1. Check the Electrical System 2. Clean Jet Filters 3. Clean In-Line Filter 4. Clear Debris 5. Check and Replace Hoses if Necessary 6. Replace Pump 7. Snap Quick Disconnects Together\
8. Flush Heater with System Maintainer or Replace if Necessary 9. Check for Clogged Jets and Clean 10. Close Valve |
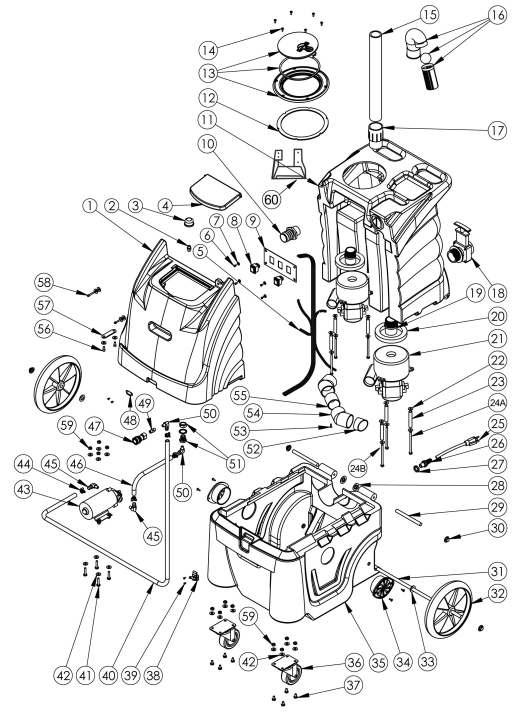
Machine Schematic Drawing – No Heat
Machine Parts List – No Heat
Drawing No. Item No. Description Quantity
- 1 SN-6-ST-GRNGRAN 6-Gallon Solution Tank – Green Granite 1.00
- 2 10-0479 1/4” Male Close Nipple 1.00
- 3 10-0845 1/4” Strainer for Extractor 1.00
- 4 SN-6-L-GRNGRAN 6-Gallon Lid – Green Granite1.00
- 5 80-0200-6-NH Extractor Harness1.00
- 6 10-03798-32 x 3/8 Screw for Extractor Latch4.00
- 7 10-0204Motor Mount Back-Up Washer4.00
- 8 10-0803Splash-proof Switch for Extractor2.00
- 9 10-0809Extractor 3-Hole Switch Plate1.00
- 10 10-0806 1-1/2” Barb Hose Fitting for Extractor1.00
- 11 SN-6-RT-BLKGRAN 6-Gallon Recovery Tank – Black Granite1.00
- 12 10-0804-AHatch Cover Gasket for Extractor 1.00
- 13 10-0804Hatch Cover for Extractor 1.00
- 14 10-0419-AScrew for Extractor Hatch 6.00
- 15 10-0416-A1-1/2” Black ABS Stand Pipe (12-1/2’) 1.00
- 16 80-0012Shut-Off Assembly for Extractor1.00
- 17 80-00081.5 PVC Female Adapter1.00
- 18 10-0805Dump Valve for Extractor1.00
- 19 10-08491-1/2 ABS Fitting1.00
- 20A 10-1030-S22-Stage Extractor Motor Gasket2.00
- 20B 10-1030-S33-Stage Extractor Motor Gasket2.00
- 21A 10-08112-Stage Extractor Motor2.00
- 21B 10-08103-Stage Extractor Motor2.00
Model 86-R3100 Includes only (1) Motor and Gasket
- 22 10-0834Pump Flat Washer 12.00
- 23 80-0121Spacer 6-Gallon Extractor Motor 1.4
- 24A 10-0833-6-2Short Motor Bolt for 6-Gallon 3.00
- 24B 10-0833-6Motor Bolt for 6-Gallon 3.00
- 25 10-0838Pigtail for Extractor 1.00
- 26 10-0850Strain Relief for Extractor 2.00
- 27 10-0851Strain Relief Nut for Extractor 2.00
- 28 10-0830Hinge Keeper for Extractor 2.00
- 29 10-0821-66-Gallon Extractor Hinge2.00
- 30 10-0820End Cap for Rod on Extractor4.00
- 31 10-0836-616-3/8” Axle for 6-Gallon Extractor1.00
- 32 10-0807Wheels for Extractor2.00
- 33 10-0840Nylon Washer for Extractor Axle2.00
- 34 10-0822Exhaust Grate for Extractor 2.00
- 35 SN-6-MB-BLKGRAN 6-Gallon Motor Base – Black Granite 1.00
- 36 10-0808Caster for Extractor 2.00
- 37 10-0835Bolt for Caster on 6-Gallon Extractor 8.00
- 38 10-0400-DKeeper for Extractor Latch 1.00
- 39 10-03798-32 x 3/8 Screw4.00
- 40 10-08433/8” Black Hose for Extractor6.00
- 41 10-0835-B100 psi Pump Bolt4.00
- 42 10-0843Pump Flat Washer 33.00
- 43 10-0812100 psi Extractor Pump1.00
- 44 10-08263/4” Hose Clamp for Extractor4.00
- 45 10-03563/8” MNPT x 3/8” Barb 90 Degree2.00
- 46 10-08433/8” Black Hose for Extractor6.00
- 47 10-08681/4” Female QD for Extractor1.00
- 48 10-0400-CKeeper Latch for Extractor1.00
- 49 10-08461/4” MPT Hex Nipple for Extractor1.00
- 50 80-00263/8” Barb x 1/4 MPT 90 Degree 2.00
- 51 80-0017Bulk Head fitting for Extractor 1.00
- 52 10-0416-A1-1/2” Black ABS Stand Pipe 12.50
- 53 10-0419-AScrew for Extractor Hatch 12.00
- 54 80-00701-1/2” PVC Elbow 45 Degree1.00
- 55 10-0416-A1-1/2” Black ABS Stand Pipe 12.50
- 56 10-0832S/R Strap Bolts2.00
- 57 10-0831S/R Bracket for Extractor1.00
- 58A 10-0818S/R Top of Tank Bolt on Extractor1.00
- 58B 10-0818-LS/R Tank Bolt on Extractor – Long1.00
- 59 10-0835-NNut for Pump Bolt on Extractor 12.00
- 60 80-0120Motor Mount for 6-Gallon Extractor1.00
Machine Schematic Drawing – with Heat






















