OGWSD-40G3-T3
Frame light barrier
Owner’s Manual
OGWSD-40G3-T3 Frame Light Barrier

- Sensitivity
- NO
- Dynamisch
- Sensing zone
- Transmitter
- Receiver

BK : black
BN : brown
BU : blue
| Technical data | +20°C, 24 V DC |
| Light color | Infrarot / Infrared / Infrarouge |
| Resolution | 1 mm / 0,7 mm |
| Service voltage | 18 … 30 V DC |
| Switching output | Gegentakt, 100 mA, NO/NC / Push-pull, 100 mA, NO/NC / Push-pull, 100 mA, NO/NC |
| Interface | IO-Link V1.1.3, COM2 |
| Ambient temperature during operation | -10 … +60 °C |
| Protection type | IP 67 |
| Protection class | II, operation on protective low voltage |
Safety instructions
General safety notice
WARNING! Not a safety component pursuant to 2006/42/EG and EN 61496-1/-2! May not be used for personal protection! Non-compliance can lead to death or serious injuries! Only use as directed!
General notes
Intended use:
Frame light barriers are sensors with an integrated transmitter and receiver. These sensors are used for the contact-free detection of objects.
Assembly:
– The frame light barrier should be installed so that the object to be detected can freely pass through the detection range.
– Device-specific information on connection and operation must be observed.
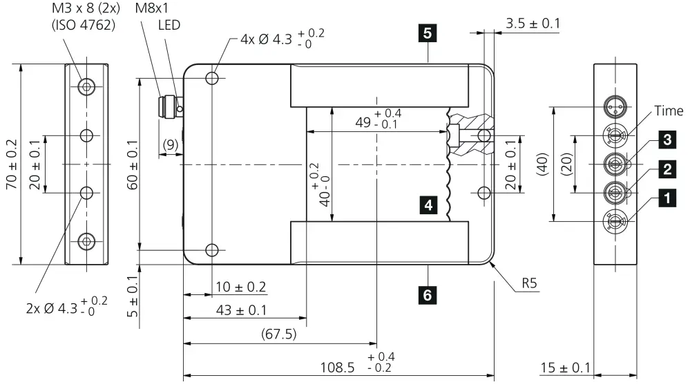
– Mount the sensor at the mounting holes, maximum torque of M4 mounting screws: 1.4 Nm.
– The sensor may be mounted in any installation position, as long as mounting is performed free of vibration.
– The sensor must be protected from mechanical loads such as shocks and impacts.
– Operation is also possible without a crossbar. The crossbar can be taken off by removing both front screws.
– The removal of the crossbar does not increase the detection range.
– The removal of the crossbar has no significant effect on the process value. It is recommended to run a calibration on the reference value via IO-Link.
Ambient light:
If several frame light barriers are used in close proximity, this can lead to mutual influencing.
Make sure that the frame light barrier transmitter (connector side) does not radiate into the receiver (side of sensitivity potentiometer) of a neighboring frame light barrier.
Assembly options:
– Arrange neighboring frame light barriers offset by 180°
– Mechanically shadow neighboring frame light barriers
Detection range:
The objects to be detected must be located within the detection range.
The resolution can be reduced slightly on the edge regions of the detection range.
The removal of the crossbar does not increase the detection range.
Temperature range:
Operation outside of the specified temperature range is not allowed.
Front panel:
There may be no dirt on the front panels. The front panel should be cleaned with a soft, dust-free cloth.
Display element
LED display
| LED1 | yellow | on device connector: Switching output active |
Potentiometer operation
Sensitivity setting (Sens)
Potentiometer at left stop:
Highest sensitivity, for detecting very small objects.
Potentiometer at right stop:
Highest functional reserve, only very large objects can be detected.

NO/NC switching function
Left stop: NO (factory setting)
Right stop: NC
The switch should always be moved to the left or right stop.
Avoid intermediate positions.
Static or dynamic sensor mode (Stat / Dyn)
Left stop: Static (factory setting)
Right stop: Dynamic
The switch should always be moved to the left or right stop.
Avoid intermediate positions.
Switch-off delay (Time)
Potentiometer at left stop:
Switch-off delay 0 ms
Potentiometer at right stop:
Switch-off delay 150 ms
Applications
Frame light barriers detect objects in the detection range of the sensor independent of the position of the object. Using the IO-Link configuration, frame light barriers can be used for many applications.
Detecting and counting falling objects
Frame light barriers can be used for detecting and counting rapidly falling objects within the detection range of the sensor.
The frame light barrier factory default setting is designed for this application (static sensor mode).
Static and dynamic sensor mode
Static: The sensor detects moving and static objects in the detection range.
Dynamic: The sensor only detects moving objects in the detection range. Objects that are continually in the detection range (e.g. transparent tubes, feed rails or soiling) are
suppressed.
Verifying falling objects:
Using IO-Link, frame light barriers can be configured to verify an object based on the shadowing. Larger and smaller objects are not detected as the taught object.

Differentiating between falling objects:
Using IO-Link, frame light barriers can be configured to distinguish between two different objects. The distinction is made due to the different shadowing.

Determining the zone of falling objects
Using IO-Link, frame light barriers can detect in which zone (area) an object has fallen through the detection range.
Frame light barriers have 3 or 4 zones depending on their sizes. Ideally, the object should fall through the center of the zone.
Checking objects without a falling motion:
Using IO-Link, frame light barriers can be configured to check objects without a falling motion, e.g. for a:
- Presence check
- Position check
- Feature check of objects in the detection range.

Applications and configuration recommendation
| Object / Environment, Inspection task | Sensor mode | Configuration of parameters | Signal via | |||
| Static | Dynamic | Shadowing * | Peak value * | |||
| falling, very low | o | ++ | o | o | Potentiometer, IO-Link | Out, IO-Link |
| falling, if soiling | o | ++ | o | o | Potentiometer,IO-Link | Out, IO-Link |
| falling, low | + | ++ | + | + | PotentiometerIO-Link | Out, IO-Link |
| falling, high | + | + | + | + | Potentiometer, IO-Link | Out, IO-Link |
| falling, object in tube | – | ++ | – | – | Potentiometer, IO-Link | Out, IO-Link |
| falling, verification | — | — | — | + | IO-Link | Out, IO-Link |
| falling, differentiation | — | — | — | + | IO-Link | IO-Link |
| falling, zone evaluation | + | + | + | + | IO-Link | |
| stability evaluation | o | — | + | — | IO-Link | |
| Presence check | + | — | ++ | — | IO-Link | Out, IO-Link |
| Position check | – | — | + | — | IO-Link | Out, IO-Link |
| Feature check | — | — | + | — | IO-Link | Out, IO-Link |
++ very well suited + well suited
o suited – possible — not possible * only with IO-link
Description of sensor modes
Static
The sensor detects moving and static objects within the detection range.
Dynamic
The sensor only detects moving objects in the detection range. Objects that are continually in the detection range (e.g. transparent tubes, feed rails or soiling) are suppressed.
Shadowing (only with IO-Link)
Used for presence, position and feature checks. The process value steadily increases with an increasing beam shadowing from the immersed objects.
Peak value (only with IO-Link)
Used to distinguish between and verify falling objects based on size. The evaluation takes place after a time period, which depends on the object distance parameter.
IO-Link Interface
IO-Link version: IOL V1.1.3, COM2 (38.4k baud)
Profile smart sensors 2nd Edition V1.1
S S P 4.1.1
Recommended: IOL-Master with software version:
V5.1 or higher or IOL-Portable
IO-Link process data
- Measured value: Shadowing in detection range*
- Zone**
- Stability SSC2***
- Stability SSC1***
- Switching state SSC2
- Switching state SSC1
* no shadowing: Value 0, small objects: small values, larger objects: larger values
** region of falling object
*** evaluation of stability: IO-Link display (NOK) for switching channel 1 and 2 if object detection is impaired, e.g. by soiling. After cleaning and with sufficient functional reliability, NOK is reset. The reset requires that a switching operation is generated after cleaning.

IO-Link parameters
– Local potentiometer configuration or IO-Link configuration
– Sensor mode configuration: Static, dynamic, shadowing, peak value
– Time object distance setting: small = 5 ms, medium = 50 ms, large = 100 ms, only with sensor modes dynamic and peak value for detection of slow or fast moving objects
– Switching points individual value, two values, window
– Switching point logic setting: Active high/low (NO/NC)
– Polarity: Push-pull, PNP, NPN
– Delay in switching on and off

Commands: Teach
– Dynamic teach
All sensor modes
Description: Teaching falling objects, larger objects are detected
Command “Teach Start”.
Allow as many objects as possible to fall through the detection range of the sensor at different positions.
Command “Teach Stop”.
– Single value teach only for “Shadowing” sensor mode Description: The object is taught without a falling motion and a switching point is set. Once the switching point is reached, the object is detected.
Position the object statically in the detection range.
Command “Teach 1”.
– Verification teach only for peak value sensor mode
Description: Teaching falling objects, larger and smaller objects are not detected.
Command “Verification Teach Start”.
Wait 200 ms.
Allow as many objects as possible to fall through the detection range of the sensor at different positions.
Command “Verification Teach Stop”.
– Teach object differentiation
only for “peak value” sensor mode
Description: Differentiation between two falling objects A and B with a different size.
Command “Object A Teach Start”.
Wait 200 ms.
Allow as many type A objects as possible to fall through the detection range of the sensor at different positions.
Command “Object B Teach Start”.
Wait 200 ms.
Allow as many type B objects as possible to fall through the detection range of the sensor at different positions.
Command “Teach Stop”:
If the teach process is successful, falling type A objects are detected with SSC1 and falling type B objects with SSC2.
A successful teach process is indicated in the teach status.
The “Error” message indicates an unsuccessful teach process.
Supporting teach functions:
Display of teach points.
Other commands
Stopping and starting measurements: Activating and deactivating sensors
Setting reference values: Using this function the sensor is calibrated to the measurement value 0 in the individual installation situation if a free light path is available.
This calibration enables small objects to be better detected for individual installation situations.
There must be no dirt on the front panel during the calibration.
The calibration takes place without objects in the detection range using the command “Set reference value”.
Deleting reference values:
This function is used to reset the calibration value to the factory setting.
IO-Link diagnostics
Diagnostics in process data stability bit for SSC1 and SSC2.
Diagnostic data (not resettable) – device status – internal temperature current / maximum – operating hours – number of times switched on.
Diagnostic data (resettable): Number of times switched on SSC1 and SSC2 – minimum/maximum measured value.
Detailed device status, supported IDs: 0x4000, 0x5000, 0x8C00, 0x8C01, 0x8C40
di-soric GmbH & Co. KG
Steinbeisstraße 6
DE-73660 Urbach
Germany
Tel: +49 (0) 7181/9879-0
[email protected] ∙ www.di-soric.com
https://di-soric.com/int-de/PM/213348
As of 09/07/22, subject to change
Function
Enclosure Type 1 Supply Class 2 NFPA 79 Applications only. For adapters providing field wiring means refer to product information or customer support.![]()
![]()


















