UNIWATT UHCB Bathroom Fan Heater

IMPORTANT INSTRUCTIONS
WARNING
- Before installing and operating this product, the user and/or installer must read, understand and follow these instructions and keep them handy for future reference. If these instructions are not followed, the warranty will be considered null and void and the manufacturer deems no further responsibility for this product.
- This product must be installed by a qualified person and connected by a certified electrician, according to the electrical and building codes effective in your region.
- The following instructions must be adhered to in order to avoid personal injuries or property damages, serious injuries and potentially fatal electric shocks.
- Protect the heating unit with the appropriate circuit breaker or fuse, in accordance with the nameplate.
- Make sure the line voltage (volt) is consistent with that indicated on the unit’s nameplate.
- This unit must be grounded.
- Switch off the power at the circuit breaker/fuse before installing, repairing and cleaning the unit.
- Make sure the unit is appropriate for the intended use (if needed, refer to the product catalog or a representative). Use this heater only as described in this manual. Any other use not recommended by the manufacturer may cause fire, electric shock, or injury to persons. Do not use outdoors.
RECOMMENDED HEATING CAPACITY: 1.25 W/cubic foot (0.03 m³)
- It corresponds to 10 W/square foot (0.09 m²) based on a standard ceiling height of 8 feet (2.44 m). The recommended capacity is usually sufficient for normal heating needs. Please note that the insulation quality of walls and windows are some of the factors that influence heat losses, which modify the required capacity to heat a room. If needed, refer to a specialist (industrial and commercial buildings) who will be able to calculate these heat losses and optimize the required capacity or consult the “Online heating calculation” section of the Stelpro Design web site (residential buildings). To heat a large room and to increase your comfort, it is recommended to install several units instead of one. For example, 2 X 1000 W rather than 1 X 2000 W.
- Do not install the unit where objects or pieces of furniture could be heat damaged.
- If the unit capacity is insufficient for the size of the room, it will be in operation continuously, and may become defective earlier and turn yellow.
Respect distances and positions indicated in the installation section.
- If the installer or the user modifies the unit, he will be held responsible for any damage resulting from this modification, and the CSA certification could be void.
- This unit must not come into contact with a water source such as, but not limited to, showers, bathtubs, sinks, toilets, etc. and must be protected from splashes.
- Do not use it if any part has been immersed. Moreover, do not turn it on or off when standing in water or if your hands are wet.
- When mounting the unit, make sure that the anchorage used can support the total weight of the unit with the mounting brackets.
- When cutting or drilling into a wall, do not damage electrical wiring and other hidden utilities.
- When starting up the unit for the first time or after a long period, it is normal that it produces some temporary odours and whitish smoke.
- Because this unit is hot when in use, it may pose risks even in normal operation. Therefore, be careful and responsible when using it. To avoid burns, do not let bare skin touch hot surfaces. The unit must cool down for few minutes since it will stay warm for some time after shut-down.
- The bottom of this unit must be installed at least 10 inches (25.4 cm) from the floor and the whole unit must be installed at least 4 inches (10 cm) from walls.
- However, make sure objects or pieces of furniture such as, but not limited to, pillows, bedding, blankets, towels, beds, laundry baskets, clothing, papers, curtains, etc., do not come into contact with the unit and keep them at least 3 feet (0.9 m) from the front of the heater and keep them away from the sides, since they are more flammable than walls and floors. Failure to comply with this warning could lead to a fire. Some materials are more heat-sensitive than others, so make sure those near the unit can withstand heat.
- Do not insert or allow foreign objects to enter any air vent as this may cause electric shocks, fires, or damages to the unit.
- This unit has hot and arcing or sparking parts inside. It is not designed to be used or stored in wet areas or areas containing flammable liquids, combustible materials or corrosive, abrasive, chemical, explosive and flammable substances such as, but not limited to, gasoline, paint, chlorine, sawdust and cleaning products.
- Some areas are dustier than others. Thus, it is the user’s responsibility to evaluate if the unit must be cleaned based on the amount of dirt accumulated on and inside air vents. Accumulated dirt can lead to a component malfunction or discoloration (yellow). It may cause a fire hazard if not installed and maintained in accordance with these instructions.
- The thermal protection activation indicates that the unit has been subjected to abnormal operating conditions. If the thermal protection remains activated or activates and deactivates repeatedly, it is recommended that a qualified electrician or a certified repair centre examine the unit in order to make sure it is not damaged. (Refer to the limited warranty)
- Before unplugging the unit, all controls must be in the “OFF” position and the current from the main breaker panel should be cut. (The general switch may be used also, if included.)
- If the unit is damaged or defective, discontinue use, cut off power supply at circuit breaker and contact a certified electrician or certified repair centre. (Refer to the limited warranty)
- If you set the thermostat to the lowest temperature set point, the Frost free warning mode will be activated since there is no OFF position.
SAVE THESE INSTRUCTIONS
NOTE: When a part of the product specification must be changed to improve operability or other functions, priority is given to the product specification itself. In such instances, the instruction manual may not entirely match all the functions of the actual product. Therefore, the actual product and packaging, as well as the name and illustration, may differ from the manual.
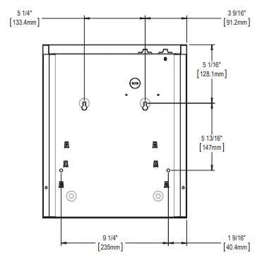
TECHNICAL DRAWINGS & INSTALLATION
TECHNICAL DRAWINGS
INSTALLATION
N.B. Cut off power supply at circuit breaker/fuse before proceeding to the installation and wiring connections. This product must be connected by a certified electrician, according to the electrical and building codes effective in your region. Consult the wiring plan.
To reduce the risk of fire, do not store or use gasoline or other flammable vapors and liquids in the vicinity of the heater. Do not mount in contact with combustible material.
DANGER – High temperatures may be generated under certain abnormal conditions. Do no partially or fully cover or obstruct the front of this heater.
See page 5 for essential features and relation of components.
IMPORTANT – This heater should be installed no less than 10’’ (25.4 cm) from the finished floor and 4’’ (10 cm) from adjacent walls.
This heater has been designed for a permanent wall installation in a bathroom, surface mounted. For indoor use only.
SURFACE INSTALLATION ONLY
- Locate the cable coming from the wall.
- Remove the two (2) screws located underneath the unit and take off the front cover by pulling it gently downwards.
- Remove the wiring compartment cover (one (1) screw).
- Punch out one of the knock outs (KO) which allow for cable entry.
- Secure the heater to the wall by inserting screws into the holes at the very back of the heater.
- Make the appropriate electrical connections (red to red; black to black; ground fault protection wire (bare wire) to ground fault protection screw). See electric wiring diagram.
- Screw the wiring compartment cover back into place.
- Put the front cover back on.
INSTALLATION OF THE GRILLE
Insert tabs in the holes on the top of the casing on the rear part of the grille. Then screw the 2 screws provided in the holes on the bottom of the unit.
ELECTRIC WIRING DIAGRAM
OPERATING INSTRUCTIONS & MAINTENANCE
OPERATION
WARNING: the heater must be properly installed before it is used.
THERMOSTAT FEATURES
- Maintains a stable room temperature.
- Highest setting offers continuous operation of heater.
- Thermostat settings correspond to desired room temperatures and ensure the cycling of the heater.
- Thermostat will not engage the heater to operate when the room temperature is higher than the thermostat setting.
- Thermostat will engage heater to operate continuously when the room temperature is lower than the thermostat setting.
THIS BATHROOM HEATER HAS BEEN DESIGNED FOR A PERMANENT INSTALLATION AND OFFERS SEVERAL HEATING MODES:
NORMAL HEAT MODE
- Turn the thermostat (A) clockwise to its halfway point.
The heater will now operate at 1000 W.
Should the desired room temperature be too low, turn the thermostat (A) clockwise to increase the temperature. Should the desired room temperature be too high, turn the thermostat counter-clockwise to decrease the temperature.
RAPID HEAT MODE
- Set the timer (B) for the amount of time you wish to heat the room. The heater will now operate at 2000 W for the duration set by the timer.
COMBINED RAPID/NORMAL HEAT MODES
- Set the timer (B) for the duration you wish to heat at 2000 W.
- Set the thermostat (A) to the desired temperature..
The heater will operate at 2000 W for the selected timer duration and once the time has expired, the heater will continue to operate normally with the thermostat, offering 1000 W to maintain the desired room temperature.
MAINTENANCE
N.B. In order for the warranty to be valid, the unit must be cleaned regularly.
Cut off power supply at circuit breaker/fuse before cleaning this heater. Use a soft rag for dusting. When cleaning, use only a damp rag and non-abrasive dish soap. Do not use abrasive or chemical cleaners because they may damage the finishing. If the unit is used in a very dusty location, use a vacuum brush to remove dust and other foreign objects from the grilles. Note that cigarette smoke could yellow the discharge grille and that the best way to prevent it is to clean the unit on a regular basis.
Do not use cleaning products identified with these symbols:
N.B. Note that there is electrical current linked to the unit even if the thermostat is set to off. This means that there is a risk of electric shock as long as the unit is energized.
STAINLESS STEEL CLEANING
Although stainless steel is by its very nature corrosion resistant, its finish is not foolproof. The key to maintaining a nice stainless steel finish is preventative cleaning. Clean the metal when it is dirty; do not wait until a full cleaning is required. Since the acidity level and chlorine content of regular cleaning agents vary greatly, it is highly recommended to thoroughly rinse the surface with clean water after cleaning. Alternatively, you may use a stainless steel cleaner or clean water and dish soap. Always follow polish lines.
DO NOT USE:
- chlorine;
- scrubbing pads or similar scrubbing devices (steel wool);
- abrasive cleaning agents; and
- hydrochloric acid products such as bleach because they may stain and/or damage stainless steel surfaces.
TROUBLESHOOTING & REPLACEMENT COMPONENT LIST
TROUBLESHOOTING
| PROBLEM | DEFECTIVE PART OR PART TO CHECK |
| The unit does not work | – Defective thermostat or wrong thermostat setting – Open circuit breaker or fuse – Thermal protection activated – Faulty connections |
| The unit runs continuously | – Defective thermostat or wrong thermostat setting – Heat losses greater than the unit capacity |
| The enclosure is extremely hot | – Defective thermal protection – Blocked air vents |
| The desired room temperature cannot be reached | – One or more defective elements – Defective thermostat or wrong thermosat setting – Voltage lower than indicated on the nameplate – Heat losses greater than the unit capacity |
| Overheating | – Defective thermostat or wrong thermostat setting |
| The unit cycles under control of the thermal protection (overheat indicator) | – Blocked air vents |
| The heater is on and the breaker trips | – Faulty connections – Voltage higher than that indicated on the nameplate |
| The unit does not heat | – One or more defective elements |
N.B. If you do not solve the problem after checking these points, cut off the power supply at the main electrical panel and contact our customer service (see the “Limited warranty” section to obtain the phone numbers).
REPLACEMENT COMPONENT LIST
| REF. # | PART # | DESCRIPTION |
| 1 | BOUT-028 | THERMOSTAT/TIMER KNOB (WHITE) |
| 2 | ELF-250 | INTEGRATED ELEMENT PROTECTION |
| 3 | MO-076 | MOTOR/FAN (240V) |
| 4 | M-UHCB05Z1 | TOP GRILLE |
| 5 | ST-017 | THERMOSTAT SP |
| 6 | TIM-250 | 30 MIN. TIMER |

LIMITED WARRANTY
This limited warranty is offered by Stelpro Design inc. (“Stelpro”) and applies to the following product made by Stelpro: UNIWATT UHCB model. Please read this limited warranty carefully. Subject to the terms of this warranty, Stelpro warrants its products and their components against defects in workmanship and/or materials for the following periods from the date of purchase: 2 years. This warranty applies only to the original purchaser; it is non-transferable and cannot be extended.
CLAIM PROCEDURE
If at any time during the warranty period the unit becomes defective, you must cut off the power supply at the main electrical panel and contact 1) your installer or distributor, 2) your service center or 3) Stelpro’s customer service department. In all cases, you must have a copy of the invoice and provide the information written on the product nameplate. Stelpro reserves the right to examine or to ask one of its representatives to examine the product itself or any part of it before honoring the warranty. Stelpro reserves the right to replace the entire unit, refund its purchase price or repair a defective part. Please note that repairs made within the warranty period must be authorized in advance in writing by Stelpro and carried out by persons authorized by Stelpro. Before returning a product to Stelpro, you must have a Stelpro authorization number (RMA). To obtain it, call the customer service department at: 1-800-363-3414 (electricians and distributors – French), 1-800-343-1022 (electricians and distributors – English), or 1-866-766-6020 (consumers). The authorization number must be clearly written on the parcel or it will be refused.
CONDITIONS, EXCLUSIONS AND DISCLAIMER OF LIABILITY
This warranty is exclusive and in lieu of all other representations and warranties (except of title), expressed or implied, and Stelpro expressly disclaims and excludes any implied warranty of merchantability or implied warranty of fitness for a particular purpose. Stelpro’s liability with respect to products is limited as provided above. Stelpro shall not be subject to any other obligations or liabilities whatsoever, whether based on contract, tort or other theories of law, with respect to goods or services furnished by it, or any undertakings, acts or omissions relating thereto. Without limiting the generality of the foregoing, Stelpro expressly disclaims any liability for property or personal injury damages, penalties, special or punitive damages, damages for lost profits, loss of use of equipment, cost of capital, cost of substitute products, facilities or services, shutdowns, slowdowns, or for other types of economic loss or for claims of a dealer’s customers or any third party for such damages. Stelpro specifically disclaims all consequential, incidental and contingent damages whatsoever. This warranty does not cover any damages or failures resulting from: 1) a faulty installation or improper storage; 2) an abusive or abnormal use, lack of maintenance, improper maintenance (other than that prescribed by Stelpro) or a use other than that for which the unit was designed; 3) a natural disaster or an event out of Stelpro’s control, including, but not limited to, hurricanes, tornadoes, earthquakes, terrorist attacks, wars, overvoltage, flooding, water damages, etc. This warranty does not cover any accidental or intentional losses or damages, nor does it cover damages caused by negligence of the user or owner of the product. Moreover, it does not cover the cost of disconnection, transport, and installation. The warranty is limited to the repair or the replacement of the unit or the refund of its purchase price, at the discretion of Stelpro. Any parts replaced or repaired within the warranty period with the written authorization of Stelpro will be warranted for the remainder of the original warranty period. This warranty will be considered null and void and Stelpro will have the right to refuse any claims if products have been altered without the written authorization of Stelpro and if the nameplate numbers have been removed or modified. This warranty does not cover scratches, dents, corrosion or discoloration caused by excessive heat, chemical cleaning products and abrasive agents. It does not cover any damage that occurred during the shipping. Some states and provinces do not allow the exclusion or limitation of incidental or consequential damages and some of them do not allow limitations on how long an implied warranty lasts, so these exclusions or limitations may not apply to you. This warranty gives you specific legal rights and you may have other rights which vary from state to state or from province to province.




















