Jeep 2531902 Adventure Pedal Go-Kart

Product Information
- Product Name: Adventure Pedal Go-kart
- Product Code: Art.Nr. 2531902
- Manufacturer: BERG Toys
- Accessories: Only original BERG accessories may be used. You can find all the accessories at www.bergtoys.com.
Product Usage Instructions
Guidelines for Use
- Read the user manual and follow the rules for use.
- Use only original BERG accessories.
Maintenance
Regular maintenance is necessary to use the pedal go-kart and to ensure long-term pleasure. Follow the maintenance scheme and carry out the following maintenance activities:
- Daily: Check the plastic parts for damage and breakage. Replace any damaged part with an original part.
- Frame: Clean the frame regularly to prevent rust formation. Treat damaged areas with paint. Use only acid-free substances to conserve the frame with grease.
- Wheels/Tires: Perform regular checks on the wheels and tires.
- Steering: Perform regular checks on the steering.
- Drive Mechanism: Perform regular checks on the drive mechanism, including the chains and crank adjustment after first use.
WHAT IN BOX
INSTALLATION








chain tensioning
front chain
rear chain


Introduction
Congratulations on your purchase of a BERG pedal go-kart.
BERG Toys does everything it can to design and produce robust and safe products. Your choice for a BERG product means you have chosen a product that will give years of pleasure. It is a possession to be cherished. The go-kart has a long life span, but will need some maintenance from time to time. You will find the instru tions for maintenance in this user Manual. People who keep this in mind are guaranteed of a hardwearing toy that will last for many years.
You can also visit our homepage at www.bergtoys.com where you can read more about BERG Toys and see photos of our products. You can of course also report your experiences with BERG Toys and the products from BERG Toys. You can send these to [email protected]. You are warmly invited to send an e-mail to BERG Toys with your suggestions for improvement and other experiences.
In connection with continuous development we retain the right to change product specific tions without giving any notice.
Guidelines for use
Rules for use
- Before anyone uses the pedal go-kart check if everything is functioning as it should.
- Children (under 12) may only steer the go-kart under adult supervision.
- The go-kart may not be used on the public roads. Ride at a suitable speed, according to the situation.
- It is not allowed to ride on hills or slopes.
- Do not take any sharp bends at high speeds, as there is danger of the go-kart tipping over.
- Always pay attention to your surroundings.
- Do not ride backwards at high speed, because you can lose control of the steering.
- Never ride if you are under the influen e of alcohol, drugs or medicines that can negatively affect your reactions or powers of observation.
- Collisions or other stunts increase the chance of injury and damage to the go-kart. If it is damaged by these sorts of actions, then BERG Toys cannot be held responsible.
- Always brake using the back-pedal brake.
- Do not place any unnecessary objects on or against the steering. Make sure that the steering can always function properly.
- Beware of loose hanging pieces of clothing such as scarves and shoelaces. These can become entangled in moving parts, which can lead to accidents.
- Avoid any contact with the wheels when you are riding the go-kart.
- The rider or owner is himself responsible for assessing if the go-kart has the correct sizes (leg space, seat height, distance to steering and brakes, etc.) for him or her.
- Take care that for every ride the seats and the steering wheel are in the correct position with regard to the pedals, so that the go-kart can be ridden safely.
- Do not get on or off the g -kart while it is moving.
- Do not overload the vehicle.
- Never ride in the dark without lights.
- If a protective cover must be removed for maintenance, always remount it as it was before using the vehicle again.
- While parking, use the parking brake in order prevent moving during parking.
Accessories
Only original BERG accessories may be used.
BERG Toys has accessories with which you can adapt the go-kart entirely to your own wishes. You can find all the a cessories at www.bergtoys.com.
Maintenance
Some maintenance is necessary in order to use the pedal go-kart and have pleasure with it for a long time. This chapter describes in what way, how often, and which maintenance must be carried out.
Maintenance scheme
Daily
- Check the tires for damage and replace them if necessary.
- Check the tire pressures and bring them to the correct pressures if necessary.
Monthly
- Clean and possibly conserve the go-kart.
- Check the nut and bolt connections and tighten them if necessary.
- Check the frame for any cracks or fractures.
- Lubricate the moving parts.
- Check the chain tension and tighten it if necessary.
- Clean and oil the chains.
Yearly
- Check the plastic parts for any damage and replace them if necessary.
Maintenance activities
Frame
The frame is powder-coated, resulting in a hard finish. To prevent any rust forming it is important to regularly clean the frame. If you want to conserve the frame with grease, only use acid free substances. You can treat damaged areas with paint.
Wheels/tires
The wheels are equipped with ball bearings. Regularly check the rims and tires for any damage (for example cuts, cracks and bulges). Take care: damaged rims and tires can lead to accidents! The correct tire pressure is shown on the outside of the tire.
If the tires are at the correct pressures the go-kart will be light and easy to handle. If the tire pressures are too low, the tires will leak quicker and will suffer undue wear and tear. If the tire pressure is too high, the tire can for example, come away from the rim, resulting in dangerous situations. Remember that in bright sunlight and at high temperatures the tire pressures increase! The tires must not come into contact with oil, grease or fuel. Make sure that the valve caps are always fit ed on the valves.
Steering
The steering equipment must be checked every month for the following:
- Breakage, wear and tear and/or damage to the steering equipment.
- All the nuts and bolts must be tight.
Drive mechanism
Chains
The pedal go-kart has a driving mechanism with two chains. Make sure that the chains are
sufficiently oiled so that they can travel freely. If a chain is too tightly tensioned, the go- kart will be more difficult o pedal and there is a big chance that wear and tear of the chains and sprocket, among other things, will occur faster. If a chain is not tight enough, then the chain can easily come off the sp ocket, or there is a chance of damage to the chain housing. Tensioning the chains takes place as described below.
To tension the front chain: loosen the bolts. Tension the chain by moving the crank axle forwards. Tighten the bolts again. It must be possible to push the middle of the chain downwards by 1 centimeter. To check this you must remove the chain housing. See page 9 for instructions.
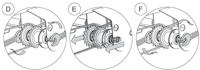
To tension the rear chain: remove the protective hood. Loosen the nuts of the hub. Tension the chain by moving the hub forwards. Make sure that the hub remains exactly parallel to the rear axle. Tighten the hub nuts again. The chain has the correct tension if the middle can be pushed 6 millimeters downwards. See page 9 for instructions.
When both chains must be tensioned, always begin with the rear/short chain.
Crank adjustment after first use
After using the go-kart for several days (intensive use) or for up to two weeks (normal use), the mounting bolts with which the left and right cranks are mounted must be tightened again. Note that they must be ‘hand tightened’, that is to say with a tightening moment of 30 Nm at the maximum (It is a normal effect that after a short period of use, as a result of the force applied to the pedals, the crank assembly settles). A secondary effect of this is that a certain amount of play can occur, which can lead to damage to the crank and the crank axle. This play can be taken up by tightening the bolts.)
Plastic parts
The plastic parts must be checked regularly for damage and breakage. In the case of breakage you must immediately replace the part concerned with an original part, in order to guarantee the safety of the user.




























