AMETEK GTEM 1750 Cells Instruction Manual

Function
GTEM stands for Gigahertz Transverse Electro Magnetic. This special type of cell has the advantage of having no cut-off frequency as do other types of TEM waveguides.
In principle, the GTEM cell is a coaxial line expanding pyramidally and having an impedance of 50 . At its end, the line is terminated by a combination of termination resistors and RF absorbers designed and constructed to match the above mentioned impedance.

Calculation of required input power
■ The field strength is typically independent from the frequency.
■ The frequency range is from DC to 20 GHz. The best performance is achieved in the range 80 to 1000 MHz.
■ FAR (Fully Anechoic Room) requires an amplifier with 100 W for 10 V/m. A GTEM 750 requires only 7.3 W.
■ A decreased septum height provides higher field strength (applicable for small EUTs only).

TEM mode and uniform-area
IEC 61000-4-20 Electromagnetic compatibility (EMC) Part 4-20: Testing and measurement techniques Emission and immunity testing in transverse electromagnetic (TEM) waveguides is published as a basic standard which sets the requirements for performing EMC testing in waveguides. It describes the TEM mode verification as an elementary requirement for qualifying the waveguide. This procedure requires a field generating setup and an isotropic 3-axis field probe. The number and position of the points to be verified is related to the GTEM size as shown in the table below. The procedure verifies the TEM mode and also determines the size of the uniform area, maximum EUT size and the required power for a given field strength for immunity testing.


Immunity testing
A typical setup for immunity testing consists of:
■ Test House Software
■ Signal generator
■ Power amplifier
■ Directional coupler
■ Power meter
■ GTEM
■ Field probe (for calibration procedure only)
Example of setup 9 kHz to 1 GHz with one power amplifier

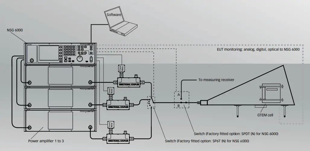
Example of test setup 9 kHz to 6 GHz with three power amplifiers and measuring receiver

Emissions measurement
EUT radiated emissions are measured as a voltage at the feeding point of the GTEM. Measurements of at least three orthogonal EUT positions are required and the data is converted to a comparable field strength on an OATS (Open Area Test Site) by means of a GTEM correlation algorithm. Optional software offers this algorithm.
Simplified flow chart of the correlation procedure

Emissions measurement setup example

Comparison of Teseq VSQ 1000 reference source measured in four different test facilities





XYZ Manipulator
Position of XYZ Manipulator inside the GTEM cell

XYZ Manipulators are ideal for easily rotating the EUT into the three required orthogonal axis positions. The manual versions (MPH) are installed inside the cell while the remote controlled versions (MPC) have a motor underneath the floor of the cell. GTEMs can be supplied with removable panels to allow the future installation of XYZ Manipulators. The MPC requires factory installation. See also the XYZ Manipulator datasheet for more details.
XYZ Manipulator, example inside GTEM

Integrated circuit (IC) testing
Emissions measurements The standards SAE J1752/3 and IEC 61967-2 define a method for measuring the electromagnetic radiation from an IC (integrated circuit) in the frequency range 150 kHz to 1 GHz. The IC itself is mounted on a shielded test board that is clamped to a special hole in the top of the TEM cell. Except for the IC, all the interface wiring and other required components are placed on the outside of the test board which becomes part of the cell wall. A spectrum analyzer or measurement receiver is connected to the GTEM and measures the RF emissions from the integrated circuit.
Immunity testing The test board described above can also be used for IC immunity testing with a GTEM cell. The standard IEC 62132-2 specifies the immunity test
method for integrated circuits in the frequency range 150 kHz to 1 GHz.

















