CRUX ACPGM-80NW Smart Play Integration with Multi Camera Inputs for Select 2013-2018 GM Vehicles

PRODUCT FEATURES:
- Smart-Play Integration system allows connection of Android and other phones to the GM infotainment system.
- Integrates wired/ wireless Android Auto and Car Play.
- Retains functionality of the OEM backup camera if present.
- Front camera automatically shows on the screen after changing the gear from reverse to drive.
PARTS INCLUDED:

- ACPGM-80NW Module

- Power Harnesses

- Smartphone Interface Module

- USB Extension Cable Optional sold seperately

- 4K HDMI Cable

- Microphone

- LVDS Video Cable

- 3.5mm Aux Cable

- Smart-Play Module Power Harness

- OSD Controller
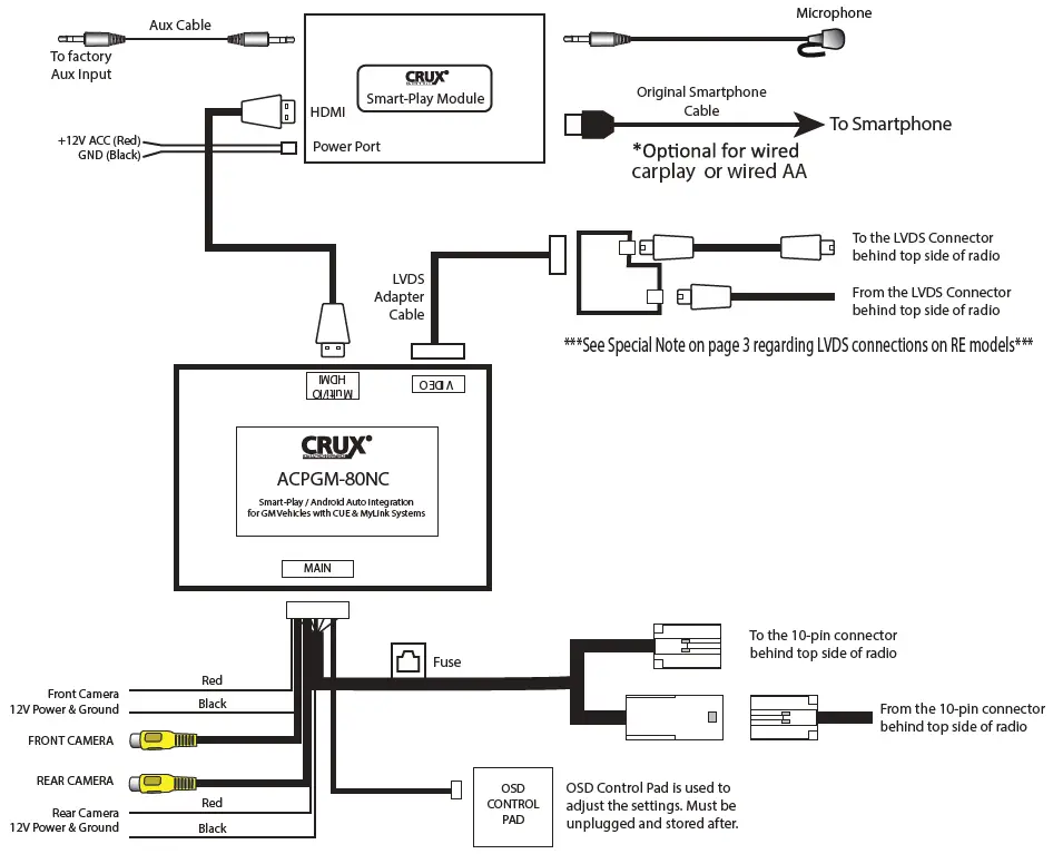
WIRING DIAGRAM:

DIP SWITCH SETTINGS:

| DIP | SETTING | VEHICLE |
| 1 to 8 | ALL UP | Malibu and Volt |
| 1 | DOWN | |
| 2 | DOWN | Escalade, CTS-V |
| 3 | UP | |
| 4 | DOWN | Cruze (with 8” screen) |
| 5 | DOWN | Cadillac XT5 |
| 6 | DOWN | Impala, Suburban, Tahoe, Yukon, Sierra, Acadia, Silverado, Yukon (with RSE) |
| 7 | DOWN | Suburban (with RSE), Tahoe (with RSE) |
| 1 & 5 | DOWN | Colorado |
| 2 & 5 | DOWN | Escalade, CTS, CTS-V, SRX (with no OEM front camera) |
INSTALLATION INSTRUCTIONS:
Suburban, Tahoe, Yukon with Rear Seat Entertainment (RSE) wiring connections:
Suburban, Tahoe, Yukon models with Rear Seat Entertainment Systems have 2 LVDS cables on the back of the radio.
Plug and play connections behind the top side of the radio.
On RE models, the power harness is plugged in behind the head unit but the LVDS cable is plugged in at the HMI module (usually found behind the glove box).
Connection is made on the blue LVDS connector on the HMI module.
SPECIAL NOTE:
On Impala and Suburban, Tahoe, Yukon models with Rear Seat Entertainment Systems, the LVDS cable note of this when plugging in the LVDS connectors. See image below.
Cadillac and Corvette C7 with 10 pin Connector at head unit
For Cadillac and Corvette C7 installations, you must cut the ACPGM-80N 10 pin connectors and hardwire it to the OEM connector wires.
ACPGM-80N POWER HARNESS | |
White | LIN Bus |
| Blue/White | MMI |
Brown/White | CAN |
| Red | +12V Constant |
Black | Ground |
Cadillac and Corvette C7 Connection with 10 Pin connector:
- Cut the Green wire on pin #8 on the 10 pin factory connector and connect the LIN (blue wire) and MMI (white wire) of the ACPGM-80N harness following the diagram above.
- PIN 1 = B+ connect to VCC Red wire
- PIN 3 = CAN connect to CAN High (White/Brown) wire
- PIN 8 = LIN {see connection diagram above)
- PIN 10 = Ground connect to Black wire
Cadillac Connection with 16 Pin connector:
- PIN 6 = LIN {see connection diagram above)
- PIN 9 = B+ connect to VCC Red wire
- PIN 12 = CAN connect to CAN High (White/Brown) wire
- PIN 16 = Ground connect to Black wire

30 Pin ACPGM-80N main module pin out
(Note: Wire colors can be different but pin
locations will remain the same.
GM vehicles without Rear Seat Entertainment (RSE) wiring connections:
- Plug and Play harness plugs behind radio
ACPGM-80N LVDS video cable plugs behind radio
- LVDS Video Connection

- Plug in 4K HDMI Cable

- Plug in 3.5mm Aux Cable to factory Aux Input
– - Optional plug in original smartphone cable to USB Ext. cable for wired connectivity
ON SCREEN DISPLAY (OSD) SETTINGS:
The OSD Setting Screen automatically pops up when the OSD Control Pad is connected.
- OSD Control Pad

- Use the OSD menu to make the necessary settings. Remember to Run Save and Reboot after the settings are made. Unplug the OSD Control Pad after setting the cameras and keep it in a secure location in case it is needed to change the settings.
SMART-PLAY SETTINGS:
- After plugging in the OSD controller, navigate down to LVDS Input and let to go to the next menu.
Set Navi Brand to NV17 
- Navigate the OSD back the main menu and go to Save & Reboot then Run.
WIRELESS CARPLAY/WIRLESS ANDROID AUTO CONNECTION SETTINGS
Android Auto Wireless connection
- Apple Car play Wireless Connection

- Have wifi & Bluetooth Connected

- Wait for screen that will state Use Car play with “NV17W-WIFI ”
SMARTPHONE MIRRORING CONNECTION
Smartphone Mirroring Connection for Iphones
- Enable Wi-Fi and connect to “ NV17W “ module

- Open Control Center and Tap Screen Mirroring
- a. On iPhone X or later; iPad with iPadOS 13 or later: Swipe down from the upper-right corner of the screen.
- b. On iPhone 8 or earlier or IOS 11 or earlier: Swipe up from the bottom edge of screen

Smartphone Mirroring Connection for Androids

REAR AND FRONT CAMERA SETTING




DYNAMIC PARKING GUIDE LINES
To turn ON the Dynamic Parking Guide Lines, go the Rear Input > Rear Set and turn ON Warning LANG. Go back to the root menu and Run Save & Reboot. Remember to unplug the OSD Control Pad otherwise the unit will not function properly. Set the parking brake on, start the car, put the gear in reverse, turn the steering wheel all the way to the left and all the way to right then put it in the center. The ACPGM-80N will calibrate automatically.
FRONT CAMERA SETTING





The front Camera will automatically show on the screen when the gear is put to Drive from Reverse. Set the delay time on the OSD menu. Delay time can be set from 1 to 60 seconds after a putting the car to drive from reverse.
OPERATION:

- To enter Smart-Play mode, press the upper left corner of the screen or double click the HOME button.

- Smart-Play home screen. Use the factory touch screen for Smart-Play controls.

- Apps can be opened by touch screen or by Siri control.
FORCE VIEWING THE FRONT CAMERA:
For My Link IO5/IO6 radios:
![]() | Press for 2 seconds = Force view front camera Press once = Back to OEM screen |
![]() | Press for 2 seconds = Force view rear camera Press once = Back to OEM screen |
VEHICLE APPLICATIONS:
Compatible with 8″ CUE or My link 105/106 Systems.
| Buick | LaCrosse ATS CTS Coupe CTS CTS-V Escalade SRX XTS XT5 | Chevrolet 2014-2018 2017-2018 2015-2018 2015-2018 2014-2018 2015-2018 2014-2018 2015-2018 2015-2018 | Avalanche Colorado Cruze Impala Malibu Silverado Suburban Tahoe | GMC | ||||
| 2014-2018 | Acadia Canyon | |||||||
| 2017-2018 2015-2018 | ||||||||
| Cadillac 2013-2018 | 2014-2018 2014-2018 | Sierra Pickup Yukon | ||||||
| 2014-2018 | ||||||||
![]() | ||||||||
| 2014-2018 | ||||||||
| 2014-2018 | ||||||||
| 2015-2018 | ||||||||
| 2013-2018 | ||||||||
| 2013-2018 | ||||||||
| 2016-2018 | ||||||||
| 8” Screen | ||||||||
TROUBLESHOOTING
- If your call audio does not use car’s bluetooth, manually change it on the phone to select the vehicle during the call, then the phone should remember the last used setting


- Changing the call audio routing setting to “BLUETOOTH HEADSET”
- Go to Settings – Accessibility – Touch – Call Audio Routing. Keep it at “Automatic”
- IF the screen is black & not showing factory infotainment screen or the Car Play/Android Auto Screen
- Confirm secure connection of GVIF cables to the top monitor.
- Confirm GVIF cables are not damaged, pinched, kinked or bent.
- No trigger issue/No click heard when HOME button double clicked, or upper left screen corner tapped
- Check and confirm proper connection of the Main Car Interface Harness, CAN bus board, and 30-pin Car Interface Harness.
- Check and confirm no loose pins or damage to the harness. Green/RED LED Light should be
visible from the Metal Box
- When HOME button doubled clicked or upper left screen corner tapped, black screen appears
- Confirm proper secure connection of the HDMI Cable.
- Confirm power wire is connected on the Car Play Box. Red LED light should be visible from the Car Play Box.
- Screen image glitching or distorted
- Confirm correct dip switch setting.
- Hands free call quality noise and echo
- For iPhone, confirm the phone is connected to your vehicle via Bluetooth and “Call Audio Routing setting” Keep it at “Automatic”
- For Android, confirm Bluetooth is being used for calls by observing phone’s call audio output.
- No sound
- Confirm AUX cable connection, which is on the HDMI side of the Car Play Box.
- Confirm Car Media Source is in AUX mode. Confirm sound output from the phone to NV17W Car Play.
- Siri does not recognize my voice
- Confirm Microphone jack connection (3.5mm), which is on the USB side of the Car Play Box.
- Confirm that there are no wire damage.











ACPGM-80N LVDS video cable plugs behind radio


–
Set Navi Brand to NV17 





























