DECORATORS
C O L L E C T I O N
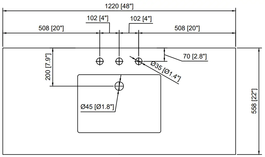
TJ-0401V4822BR
INSTAL LATION MANUAL

DIMENSIONS


Installation Manual
- Carefully read the instructions before starting the installation.
- This vanity should be installed by an experienced plumber.
- Drain pipe and drain trap are not supplied. Connect to an existing drain pipe.














