HOME DECORATORS COLLECTION TJ-0401V6022BR Double Vanity

Instructions
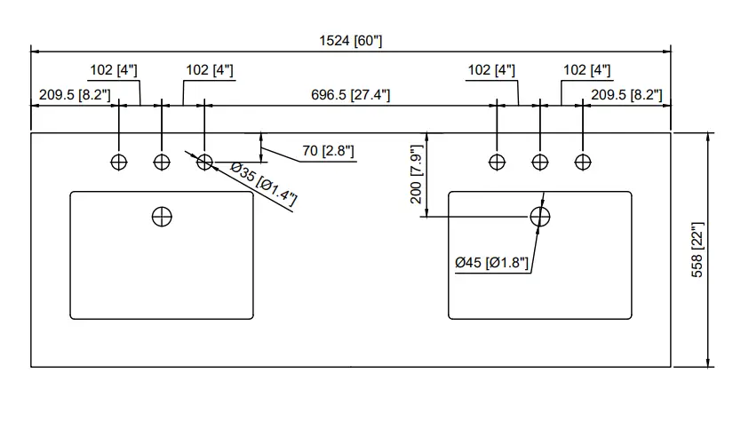
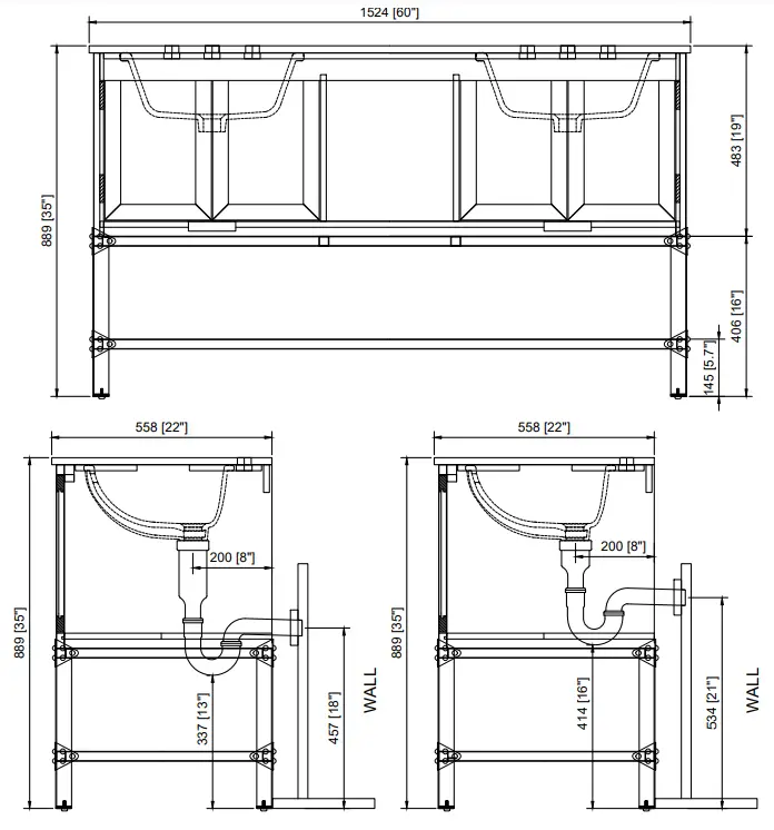
DIMENSIONS

Installation Manual
Carefully read the instructions before starting the installation.
This vanity should be installed by an experienced plumber.
Drain pipe and drain trap are not supplied.
Connect to an existing drain pipe.















