RKI INSTRUMENTS GD-70D Smart Transmitter with MOS User Manual
INTRODUCTION
WARNING
Read and understand this instruction manual before operating detector. Improper use of the detector could result in bodily harm or death.
Periodic calibration and maintenance of the detector is essential for proper operation and correct readings. Please calibrate and maintain this detector regularly! Frequency of calibration depends upon the type of use you have and the sensor types. Typical calibration frequencies for most applications are between 3 and 6 months, but can be required more often or less often based on your usage.
Product Warranty
RKI Instruments, Inc. warrants gas alarm equipment sold by us to be free from defects in materials, workmanship, and performance for a period of one year* from the date of shipment from RKI Instruments, Inc. Any parts found defective within that period will be repaired or replaced, at our option, free of charge. Parts must be returned to RKI Instruments, Inc. for repair or replacement. This warranty does not apply to those items which by their nature are subject to deterioration or consumption in normal service, and which must be cleaned, repaired or replaced on a routine basis. Examples of such items are:
- Fuses
- Pump diaphragms and valves
- Batteries
- Filter elements
Warranty is voided by abuse including mechanical damage, alteration, rough handling, or repair procedures not in accordance with instruction manual. This warranty indicates the full extent of our liability, and we are not responsible for removal or replacement costs, local repair costs, transportation costs, or contingent expenses incurred without our prior approval.
THIS WARRANTY IS EXPRESSLY IN LIEU OF ANY AND ALL OTHER WARRANTIES AND REPRESENTATIONS, EXPRESSED OR IMPLIED, AND ALL OTHER OBLIGATIONS OR LIABILITIES ON THE PART OF RKI INSTRUMENTS, INC. INCLUDING BUT NOT LIMITED TO, THE WARRANTY OF MERCHANTABILITY OR FITNESS FOR A PARTICULAR PURPOSE. IN NO EVENT SHALL RKI INSTRUMENTS, INC. BE LIABLE FOR INDIRECT, INCIDENTAL OR CONSEQUENTIAL LOSS OR DAMAGE OF ANY KIND CONNECTED WITH THE USE OF ITS PRODUCTS OR FAILURE OF ITS PRODUCTS TO FUNCTION OR OPERATE PROPERLY.
This warranty covers instruments and parts sold to users only by authorized distributors, dealers and representatives as appointed by RKI Instruments, Inc.
We do not assume indemnification for any accident or damage caused by the operation of this gas monitor and our warranty is limited to the replacement of parts or our complete goods. Warranty covers parts and labor performed at RKI Instruments, Inc. only, and does not cover field labor or shipment of parts back to RKI.
Overview
This supplement describes the differences and additional features of the Model GD70D4H-XX compared to the GD-70D. It also describes how to install, startup, maintain, and calibrate the GD-70D4H-XX. See the GD-70D Operator’s Manual for information specific to the GD-70D.
Specifications
Table 1 lists specifications for the GD-70D4H-XX.
Table 1: Specifications
| Target Gas & Detector Range | Refer to the RKI Instruments Inc. List of Detectable Gases |
| Enclosure Type | NEMA 4X |
| Sampling Method | Sample-draw |
| Input Power | 115/220 VAC |
| Signal Output | 4 to 20 mA |
| Response Time | 90% in 60 seconds |
| Accuracy | See GD-70D manual |
| Flow Rate | Approximately 0.5 liters/minute |
| Recommended Sample Tubing | 1/4” O.D. x 1/8” I.D. Teflon PTFE |
WARNING: When using the GD-70D4H-XX, you must follow the instructions and warnings in this manual to assure proper and safe operation of the GD70D4H-XX and to minimize the risk of personal injury. Be sure to maintain and periodically calibrate the GD-70D4H-XX as described in this manual.
Description
This section describes the components of the GD-70D4H-XX. It consists of the enclosure, a GD-70D and a power supply mounted inside, and a horn/strobe mounted on the top right side of the enclosure. The “XX” in the part number represents a number that denotes the target gas and changes depending on the target gas. The “H” denotes that the unit runs from AC power and that a horn/strobe is installed. For example, the part number for a detector head for ozone (O3) detection is GD-70D4H-O3. Consult RKI Instruments, Inc. for a complete list of available part numbers.
A hydrophobic sample filter is also provided with the GD-70D4H-XX for installation at the inlet fitting. The filter has a short length of gray flexible tubing on each end and can be connected to the short tubing stub on the GD-70D4H-XX inlet fitting. The filter scrubs particulates out of the sample stream and keeps water and many other liquids from entering the GD-70D4H-XX flow system.
Figure 1: Component Location
Enclosure
The enclosure is a type NEMA 4X plastic enclosure designed for use in areas that are subject to rain or hosing down. A mounting foot is installed in each corner. Two sample fittings are mounted on the bottom right of the enclosure and two 3/4” conduit hubs are mounted to the left of the sample fittings.
Sample Fittings
The inlet fitting is on the bottom right of the enclosure and the exhaust fitting is to the left of the inlet fitting. The fittings accept 1/4”O.D. x 1/8” I.D. Teflon tubing. The inlet fitting has a short factory installed tubing stub for use with the hydrophobic filter.
Conduit Hubs
Two 3/4” conduit hubs are located to the left of the sample fittings. They are used for routing wiring into the enclosure by using conduit or an appropriate cable bushing.
Inlet Fitting Tubing Stub
A short tubing stub comes factory installed in the inlet fitting. It is used for connecting the ydrophobic filter. If the hydrophobic filter is not used, or if you install the hydrophobic filter in a different location, the tubing stub needs to be removed and replaced with tubing. Do not pull the tubing stub downward to remove it. Instead, unscrew the lower inlet fitting nut from the fitting body. The tubing stub should come out with the nut. Be careful not to lose the O-ring that may come out with the tubing stub. Push the tubing stub up and out of the inlet fitting nut being careful not to lose the ferrule set. Push the new tubing up through the inlet fitting nut and replace the ferrule set and the O-ring, if it came out, in the orientation shown in Figure 2. Screw the inlet fitting nut back onto the fitting body and push the tubing upward until it stops. See Figure 2 for the inlet fitting layout.
Figure 2: Inlet Fitting with Tubing Stub
GD-70D & Power Supply
The GD-70D sample draw detector head is mounted to a plate inside the enclosure. The GD-70D sample fittings are factory connected to the sample fittings on the NEMA 4X enclosure. The GD-70D is powered with 24 VDC supplied by a power supply that operates from a 100 – 240 VAC input. The GD-70D is factory wired to the power supply and to the horn/strobe. See the GD-70D operator’s manual for a complete description of the GD-70D.
Horn/Strobe
A red horn/strobe is installed on the top right side of the enclosure. The GD-70D retains its NEMA 4X rating with the horn/strobe installed. It is factory wired to the alarm 1 relay terminals on the GD-70D and the 24 VDC output of the power supply so that it turns on during an alarm 1 condition.
Installation
This section describes how to install the GD-70D4H-XX at the monitoring site.
Mounting the GD-70D4H-XX
- Select a mounting site that is representative of the monitoring environment. Consider the following when you select the mounting site.
- Select a site that is easily accessible for servicing.
- Select a site where the GD-70D4H-XX is not likely to be bumped or disturbed.
Make sure there is sufficient room to make wiring and sample line connections at the bottom of the GD-70D4H-XX. Also make sure there is sufficient room to perform start-up, maintenance, and calibration procedures. - Select a site near the sampling area. The GD-70D4H-XX is designed to detect a variety of toxic gases many of which are easily absorbed in sample tubing. Keep the sample line length to a minimum. Teflon PTFE tubing is recommended.
- Use four 1/4” screws through the mounting feet to mount the GD-70D4H-XX to a vertical surface. See Figure 3 for the mounting dimensions.
Figure 3: Outline & Mounting Dimensions
Connecting Sample Lines to the GD-70D4H-XX
NOTE: Refer to the GD-70D Operator’s Manual to see if a gas interference scrubber is needed for proper operation of the detector.
- Connect the hydrophobic filter to the tubing stub on the inlet by pushing the gray flexible tubing on the filter onto the stub.
If the hydrophobic filter is not used, or if you install the hydrophobic filter in a different location, replace the tubing stub with 1/4’’ x 1/8’’ tubing as described in “Inlet Fitting Tubing Stub” on page 6. - Connect a length of sample tubing to the other side of the hydrophobic filter and route it to the sampling area. If the hydrophobic filter is not used, or if you install the hydrophobic filter in a different location, route tubing from inlet fitting to sample area. Be sure to keep the length to a minimum. Consult RKI Instruments, Inc. for lengths of more than 20 feet.
CAUTION: Avoid loops or slumps in the incoming sample line. To reduce response time, keep the incoming sample line as short as possible. - Install 1/4” O.D. x 1/8” I.D. Teflon PTFE sample tubing to the gas out fitting. Route the opposite end of the tubing to an open area where the sample can safely disperse or to an exhaust duct.
Wiring the GD-70D to a Controller and AC Power
WARNING: Always verify that power to the GD-70D4H-XX and to the controller are off and that the controller’s and GD-70D’s power switches are in the off position before making wiring connections or adjustments.
- Turn off power to the controller and the GD-70D4H-XX.
- Place the controller’s and GD-70D’s power switches in the OFF position.
- Use the conduit hubs at the bottom of the GD-70D4H-XX for routing power and signal cables into the enclosure. Route a 3-wire power cable (18 AWG) and any relay wiring through one conduit hub, and 2-conductor shielded cable, or two wires in conduit through the other conduit hub to minimize crosstalk.

Figure 4: External Wiring - If shielded cable is used for controller wiring, connect the signal cable shield’s drain wire to a chassis ground at the controller, but do not connect it at the GD-70D4H-XX.
CAUTION: Leave the cable shield’s drain wire insulated and disconnected at the GD-70D4H-XX. You will connect the opposite end of the cable shield’s drain wire at the controller.
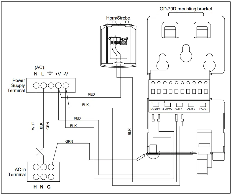
CAUTION: At the controller, do not route power and GD-70D wiring through the same conduit hub. The power cable may disrupt the transmission of the GD-70D’s signal to the controller. - Factory wiring is shown below in Figure 5.

Figure 5: Factory Wiring
Start Up
- Turn on power to the controller.
- Turn on the controller.
- Turn on power (100 – 240 VAC) to the GD-70D4H-XX.
- Turn on the GD-70D. See the GD-70D Operator’s Manual for GD-70D startup instructions.
Operation
See the GD-70D Operator’s Manual for an operational description of the GD-70D that is mounted inside the enclosure.
Maintenance/Calibration
GD-70D Maintenance and Calibration
See the GD-70D Operator’s Manual for maintenance and calibration instructions. Use the inlet fitting on the NEMA 4X enclosure to apply gas instead of the fittings inside the enclosure on the GD-70D.
Adjusting Horn/Strobe Volume
The horn volume on the horn/strobe can be adjusted by doing the following:
- Turn off the GD-70D. See the GD-70D Operator’s Manual for instructions.
- Turn off power (100 – 240 VAC) to the GD-70D4H-XX.
- Loosen the captive screw at the bottom front of the horn/strobe.
- Grasp the top and bottom of the horn/strobe and push up and out in order to remove the cover.

Figure 6: Top Case Removal - Turn the cover over and locate the Audio Select switch at the top of the cover as shown in the figure below.

Figure 7: Horn/Strobe Cover - The Audio Select switch can be set at any number between 1 and 6. Numbers 1-3 all produce an intermittent buzzing sound with 1 being the loudest and 3 being the quietest. Numbers 4-6 all produce a steady buzzing sound with 4 being the loudest and 6 being the quietest. The factory setting is 2.
- Turn the Audio Select switch so that the selection arrow is pointing to the desired number.
- Place the cover over the base and push in and down in order to reinstall the cover.
Make sure that the cover is sealed to the base by the gasket. - Screw the captive screw at the bottom front of the horn/strobe back in.
- Turn on power (100 – 240 VAC) to the GX-70D4H-XX.
- Turn on the GD-70D. See the GD-70D Operator’s Manual for instructions.
Parts List
Table 4 lists replacement parts and accessories for the GD-70D4H-XX.
Table 2: Parts List
| Part Number | Description |
| 06-1273RK | 1/4” O.D. x 1/8” I.D. Teflon PTFE tubing |
| 17-4820RK | Sample fitting, 1/4” tube bulkhead union |
| 18-0107RK | 3/4” conduit hub |
| 33-0165RK-01 | Hydrophobic filter with flexible tubing stubs |
| 49-0108RK | Power Supply, 24 VDC |
| 51-0096RK | Horn/strobe, 10 – 33 VDC, NEMA 4X |
Part Number: 71-0268RK
Revision: A
Released: 11/2/22
RKI Instruments, Inc.
www.rkiinstruments.com






















