
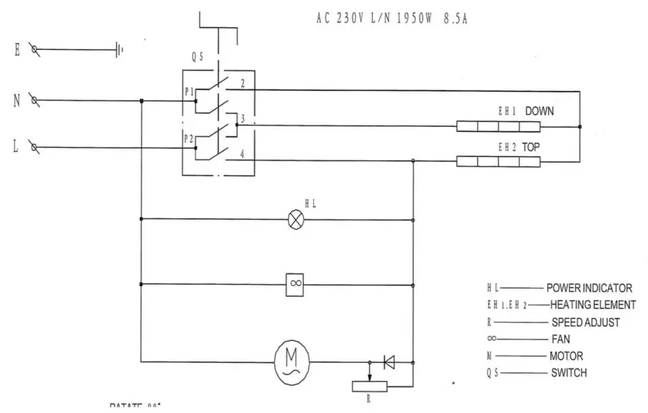
Drawing


| Item | Description | Part# | Quantity | Remark | Picture |
| 1 | Front panel crumb tray | nss | 1 | Available as 926253 | |
| 2 | Crumb tray | 926253 | 1 | Ind item 1 | |
| 3 | Grid | n/a | 1 | ||
| 4 | Transmission shaft | n/a | 2 | ||
| 5 | Conveyor | n/a | 1 | ||
| 6 | Cover lower element | n/a | 1 | ||
| 7 | Support conveyor | n/a | 2 | ||
| 8 | Panel left | n/a | 1 | ||
| 9 | Support front | n/a | 1 | ||
| 10 | Baseplate | n/a | 1 | ||
| 11 | Indicator light | 205471 | 1 | ||
| 12 | Display sticker | n/a | 1 | ||
| 13 | Rheostat | 926277 | 1 | ||
| 14 | Knob set complete | 926284 | 1 | Includes both knobs | |
| 15 | Fan | 926291 | 1 | ||
| 16 | Switch | 926307 | 1 | ||
| 17 | Base panel | n/a | 1 | ||
| 18 | Bottom cover | n/a | 1 | ||
| 19 | Bearing transmission shaft | n/a | 2 | ||
| 20 | Motor | 926314 | 1 | ||
| 21 | Gear motor | n/a | 1 | ||
| 22 | Cover right | n/a | 1 | ||
| 23 | Retainer element | n/a | 2 | ||
| 24 | Element support right | n/a | 2 | ||
| 25 | Lower element | 926321 | 1 | ||
| 26 | Foot adjustable | 926338 | 4 | ||
| 27 | Gear transmission shaft | n/a | 1 | ||
| 28 | Lock pin | n/a | 2 | ||
| 29 | Nut | n/a | 8 | ||
| 30 | Bearing driven transmission shaft | n/a | 2 | ||
| 31 | Spacer | n/a | 1 | ||
| 32 | Panel right | n/a | 1 | ||
| 33 | Chain | n/a | 1 | ||
| 34 | Screw | 926345 | 2 | Sold per 2 pcs | |
| 35 | Back tray | n/a | 1 | ||
| 36 | Back cover | n/a | 1 | ||
| 37 | Backplate | n/a | 1 | ||
| 38 | Clip | n/a | 1 | ||
| 39 | Slide tray | n/a | 1 |
| 40 | Back vent plate | n/a | 1 | ||
| 41 | Plate screws | n/a | 4 | ||
| 42 | Cover upper element | n/a | 1 | ||
| 43 | Terminal | n/a | 1 | ||
| 44 | Powercord (1-105RN-F 3Gx1.5mm) | 912027 | 1 | ||
| 45 | Cover left | n/a | 1 | ||
| 46 | Top panel | n/a | 1 | ||
| 47 | Screw | n/a | 12 | ||
| 48 | Sealing top cover | n/a | 1 | ||
| 49 | Top cover | n/a | 1 | ||
| 50 | Screw | n/a | 2 | ||
| 51 | Upper element | 926352 | 1 | ||
| * | cord inlet with retention | 912201 | 1 | Not shown on drawing | |
| * | Logo badge Hindi | 955963 | 1 | Not shown on drawing |
n/a -> not available nss -> not sold separately



















