ART HeadAmp6 Professional Six Channel Headphone Amplifier

Read Instructions:
Retain these safety and operating instructions for future reference. Heed all warnings printed here and on the equipment. Follow the operating instructions printed in this user guide.
Do Not Open:
There are no user serviceable parts inside. Refer any service work to qualified technical personnel only.
Power Sources:
Only connect the unit to mains power of the type marked on the rear panel. The power source must provide a good ground connection.
Power Cord:
Use the power cord with sealed mains plug appropriate for your local mains supply as provided with the equipment. If the provided plug does not fit into your outlet consult your service agent. Route the power cord so that it is not likely to be walked on, stretched or pinched by items placed upon or against.
Grounding:
Do not defeat the grounding and polarization means of the power cord plug. Do not remove or tamper with the ground connection on the power cord.
Ventilation:
Do not obstruct the ventilation slots or position the unit where the air required for ventilation is impeded. If the unit is to be operated in a rack, case or other furniture, ensure that it is constructed to allow adequate ventilation.
Moisture:
To reduce the risk of fire or electrical shock do not expose the unit to rain, moisture or use in damp or wet conditions. Do not place a container of liquid on it, which may spill into any openings.
Heat:
Do not locate the unit in a place close to excessive heat or direct sunlight, as this could be a fire hazard. Locate the unit away from any equipment, which produces heat such as: power supplies, power amplifiers and heaters.
Environment:
Protect from excessive dirt, dust, heat, and vibration when operating and storing. Avoid tobacco ash, drink spillage and smoke, especially that associated with smoke machines.
Handling:
To prevent damage to the controls and cosmetics avoid rough handling and excessive vibration. Protect the controls from damage during transit. Use adequate padding if you need to ship the unit. To avoid injury to yourself or damage to the equipment take care when lifting, moving or carrying the unit.
Servicing:
Switch off the equipment and unplug the power cord immediately if it is exposed to moisture, spilled liquid, objects fallen into opening, or the power cord or plug becomes damaged during a lightning storm or if smoke odor or noise is noted. Refer servicing to qualified technical personnel only.
Installation:
Install the unit in accordance with the instructions printed in the user guide.
INTRODUCTION
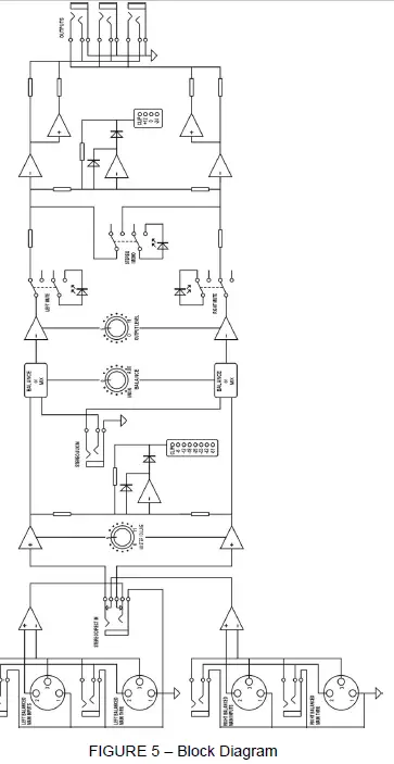
The HeadAmp6 is a full-featured six -channel stereo headphone amplifier that includes six auxiliary inputs to allow separate mixes on each headphone channel. Each output channel also features a dual function Balance control which will pan between Left & Right sides of the main signal bus, or vary the Mix between the main signal bus and the Auxiliary input for that respective channel.
Each output channel includes one front and two rear panel stereo 1/4-inch TRS headphone jacks for ease of installation and quick patching capability. Mono, Mute L, and Mute R buttons on each channel select between four operating modes; 1) Stereo, 2) Mono Left, 3) Mono Right, 4) Mono Both (Left & Right) for versatile monitoring solutions. Independent output level controls on each channel personalize monitoring levels.
Input options include XLR and 1/4-inch TRS balanced inputs with matching “Thru” jacks for bridging multiple units. An additional front panel stereo 1/4-inch TRS Direct In jack for quick patch override of the rear panel inputs is included for quick insertion of any stereo source. Master Volume control sets the main signal bus level. Eight-segment precision LED level metering on the main bus and four-segment indicators on each output channel provide visual feedback of the signal level at all key points.
INSTALLATION
The HeadAmp6 may be used in a wide variety of applications and environments. Its rack-mountable steel and aluminum enclosure is both attractive and designed for continuous professional use. Mounting location is not critical. However, for better performance and greater reliability we recommend that you not place the unit on top of power amps or other sources of extreme heat, or strong magnetic fields.
AC Power Hookup
The HeadAmp6 has an internal power supply. Only connect the unit to mains power of the type marked on the rear panel. The power source must provide a good ground connection, and the ground pin on the mains plug should never be defeated.
Analog Audio Connections
Audio connections to and from the HeadAmp6 are:
Rear Balanced Inputs and Outputs: [XLR] Pin 2 = Pos(+), Pin 3 = Neg(-), Pin 1 = Ground
[1/4-inch] Tip = Pos(+), Ring = Neg(-), Sleeve = Ground
Front Stereo Aux 1/4-inch Inputs: Tip = Left, Ring = Right, Sleeve = Ground
Front Direct 1/4-inch Input: Tip = Left, Ring = Right, Sleeve = Ground
Front and Rear Stereo Headphone 1/4-inch Outputs: Tip = Left, Ring = Right, Sleeve = Ground
- Six Independent High-Power Headphone Amplifier Channels
- Dual Function Balance/Mix Control per Channel
- Front Panel Stereo Aux Input for each Channel
- Multiple Monitoring Settings per Channel
- Individual Output Level Control per Channel
- Precision Four Segment LED Metering Per Channel
- Master Volume Control w/ Eight Segment LED Metering
- Front Panel Direct In Jack
- One Front and Two Rear Mounted Headphone Jacks per Channel
- Connects and Drives up to 18 Headphones Simultaneously
- XLR and 1/4” Main Inputs and Outputs
- Parallel Main Outputs for Multiple Unit Use
CONTROLS and JACKS
Front Panel
Direct In Jack
The 1/4-inch TRS (Tip, Ring, Sleeve) jack on the front panel provides a stereo unbalanced input which, when used, will override the rear panel balanced inputs. This input is useful for when you want to temporarily insert a different main input signal from what is connected to the rear inputs, or simply make an unbalanced TRS style connection to another headphone output source.
Master Volume Control
This control adjusts the level of the main signal bus. The eight-segment LED level meter located just to the left of the MASTER VOLUME control displays the audio level on the main signal bus. Mute L, Mute R, and Mono Switches These switches set the stereo headphone outputs to one of three operating modes. (This affects only the headphone outputs and occurs post (after) the balance/mix, and level control sections.)
- All Switches Out = Stereo
- Mute L In & Mute R Out & Mono In = Right Channel Only in Mono
- Mute R In & Mute L Out & Mono In = Left Channel Only in Mono
Stereo Aux In Jack
These stereo TRS jacks provide a means of inserting a direct stereo signal into an individual headphone channel. When a plug is inserted into an AUX INPUT jack the BALANCE control for that particular channel changes function to become a mix control adjusting the mix between the signal coming into that channels stereo AUX IN and the main signal bus.
Out Jack
This stereo TRS 1/4-inch jack provides a connection for each of six output channels to stereo headphones or to additional headphone distribution amplifiers. Two identical output jacks are provided on the rear panel for each channel as well.
Balance Control
This control provides one of two functions depending on whether there is a plug inserted into the stereo AUX IN for a particular channel. With no plug inserted into the AUX IN jack, the control will vary the Left / Right balance of the main signal bus feed to the channel. With a plug inserted, the control changes function to vary the mix between the stereo signals coming from the main signal bus and the stereo signals coming from the AUX IN for that respective channel. By feeding a return signal for only the vocal microphone of a particular musician into the AUX IN you can use the BALANCE control as a ‘More Me” control by varying the mix between the microphone signal alone, and the main signal bus audio. This effect is heard only in the individual headphones of the specific channel.
Level Control
This control varies the audio output level feeding the front and rear panel 1/4-inch stereo output jacks for each respective channel. The four-segment LED level meter, located above the switches on each channel, displays the audio level for each channel output.
Power Switch
This rocker switch turns the AC power On and Off. A small LED indicator in the rocker button illuminates to indicate that the power is on.
Rear Panel
Balanced Main Inputs
These XLR and 1/4-inch TRS jacks are active balanced and are used for line level signals. The gain sensitivity is identical for both the XLR and 1/4-inch TRS jacks. Signals applied to these jacks feed the main signal buss. (NOTE: the front panel DIRECT IN jack overrides these inputs when it is used.)
Balanced Main Thru
These XLR and 1/4-inch TRS jacks are hardwired in parallel with the corresponding BALANCED MAIN INPUT jacks. The BALANCED MAIN THRU jacks are useful for daisy chaining multiple HeadAmp6 units together.
Stereo Headphone Outputs
These stereo TRS jacks are the main outputs for each channel of the headphone amplifier. They are wired in parallel with the corresponding output jacks on the front panel. Either front panel, rear panel, or both front and rear panel outputs can be used simultaneously to drive headphones or they can be used as feeds to additional headphone amplifiers in a distributed audio network.
NOTE: The HeadAmp6 is optimized to drive typical headphone load impedances of 32 to 600 Ohms. It is not recommended to drive total impedances lower than 16 Ohms however it can be done without damage and will result in limited maximum output power, and possible clipping distortion depending on the output level and load. When driving multiple headphones from an individual output channel of the HeadAmp6 (paralleling), the available output power is split among the various headphones, and due to the combined load impedances the output may also become limited by premature clipping of the output signal. Most modern headphones are medium to high impedance and require only milliwatts to achieve full acoustic output so this should rarely be a problem. If it is a problem simply lower the level or lower the total count of headphones on a particular channel in order to increase the total load impedance as seen by the channel output. There is no direct relationship between headphone load impedance and SPL output. The relevant specification that determines acoustic output is the sensitivity spec of the headphone, i.e. how much SPL it will put out for a given level of input signal, usually rated at 1 mW. Sensitivity is determined by the overall design and construction of the transducer. Typically the power required is about 1/1000th of the equivalent amplifier power required to drive a speaker. Therefore typical headphone amplifiers provide power levels in the 10mW to 20 mW ranges in order to achieve a very reasonable SPL output. Even an 8 Ohm headphone (if you can find one since they are rare) can be driven to full SPL output by the HeadAmp6 if it has a high enough sensitivity, regardless of the fact that the output voltage swing will be limited due to the overload protection circuitry.
OPERATION
Start with the MASTER VOLUME and LEVEL controls on all channels set fully counter-clockwise. Set the BALANCE controls to their 12 o’clock positions. Set all MUTE and MONO switches to their “OUT” position. Using the appropriate balanced or unbalanced cables, (unbalanced cables will work in the rear panel inputs as well, but with the remote possibility of increased noise), connect the rear panel BALANCED MAIN Inputs to the audio monitor signal source to be distributed to the headphones. Alternatively connect the audio signal source to the front panel DIRECT IN jack using a stereo TRS 1/4-inch plug. If connecting more than one HeadAmp6 to the same audio monitor signal source, simply daisy-chain the units by connecting from the BALANCED MAIN THRU connectors of the first unit to the BALANCED MAIN INPUT connectors of the next unit, etc. (NOTE: Daisy chaining only works with the rear panel connectors. The front panel DIRECT IN jack only feeds its respective HeadAmp6 unit directly.) Connect headphones, or leads to additional headphone amps, (like the ART HeadAmp 4) to either the front or rear panel HEADPHONE OUTPUT jacks (or both) using stereo 1/4-inch TRS plugs. If using the HeadAmp6 Auxiliary Mixer function, connect the stereo signals that are to be mixed into individual output channels to the appropriate AUX IN jacks using a stereo 1/4-inch TRS plug. (NOTE: For a mono signal use a TRS plug with the Tip and Ring tied together, or use one of the front panel MONO buttons to create a mono output to the headphones.) The AUX IN signal will only be heard in that specific channel depending on the position of the BALANCE and LEVEL controls for that particular channel. Turn on the POWER switch and with the audio monitor signal active and playing increase the MASTER VOLUME control to achieve a reading on the MASTER LED bar-graph level indicator which is high enough to light the green and yellow LEDs yet avoid lighting the RED CLIP LED on loud passages and audio peaks. Doing this will assure that a strong signal is available to drive each of the six individual channel amplifiers, and subsequently each channel amplifier will be able to run with less gain (a lower setting of the individual channel LEVEL controls), thereby optimizing the signal-to-noise ratio at the headphone outputs.
Next set the LEVEL control on each channel to a comfortable listening level for the particular headphones being used on that channel.
NOTE: When using the Auxiliary Mixer to add a signal such as a direct vocal into an individual headphone channel, in order to enhance that particular vocal in the mix (providing “More Me”) for the person listening to that headphone channel, the relative phase of the signal coming into the stereo AUX IN will determine whether the stereo AUX IN signal sums or subtracts from the main signal bus. The “More Me” effect will only result if the two signals add together in phase. If they are antiphase (180 degrees out of phase), the stereo AUX IN signal will actually subtract the vocal out of the mix in the headphones for that one channel. Most consoles and microphone preamps will have a phase invert switch with which to set the desired operating mode if this is an issue.
APPLICATIONS

WARRANTY INFORMATION
Limited Warranty:
Applied Research and Technology will provide warranty and service for this unit in accordance with the following warrants: Applied Research and Technology, (A R T) warrants to the original purchaser that this product and the components thereof will be free from defects in workmanship and materials for a period of three years from the date of purchase. Applied Research and Technology will, without charge, repair or replace, at its option, defective product or component parts upon prepaid delivery to the factory service department or authorized service center, accompanied by proof of purchase date in the form of a valid sales receipt.
Exclusions:
This warranty does not apply in the event of misuse or abuse of the product or as a result of unauthorized alterations or repairs. This warranty is void if the serial number is altered, defaced, or removed.
A R T reserves the right to make changes in design or make additions to or improvements upon this product without any obligation to install the same on products previously manufactured.
A R T shall not be liable for any consequential damages, including without limitation damages resulting from loss of use. Some states do not allow limitations of incidental or consequential damages, so the above limitation or exclusion may not apply to you. This warranty gives you specific rights and you may have other rights, which vary, from state to state. For units purchased outside the United States, an authorized distributor of Applied Research and Technology will provide service.
SERVICE
The following information is provided in the unlikely event that your unit requires service.
- Be sure that the unit is the cause of the problem. Check to make sure the unit has power, all cables are connected correctly, and the cables themselves are in working condition. You may want to consult with your dealer for assistance in troubleshooting or testing your particular configuration.
- If you believe the ART unit is at fault, go to www.artproaudio.com. You may contact Customer Service for more assistance, or directly request a Return Authorization for service in the “resources” area of the website.
- If you are returning the unit for service, pack the unit in its original carton or a reasonable substitute. The original packaging may not be suitable as a shipping carton, so consider putting the packaged unit in another box for shipping. Print the RA number clearly on the outside of the shipping box.
- Include, with your unit, a note with the RA number and your contact information including a daytime phone number, preferably attached to the top of the unit.
Fill in the following information for your reference:
Date of purchase ___________________
Purchased from ___________________
Serial number ___________________
HEADAMP6 SPECIFICATIONS
Input Connections: XLR-F balanced (2), ¼-inch balanced (9)
Output Connections: XLR-M balanced (2), ¼-inch balanced (2), ¼-inch stereo headphone (18)
Input Impedance: 40K Ohms Main, 10K Ohms Direct, 15K Ohms Aux In
Output Impedance: <12 Ohms Headphones
Maximum Input Level: +21dBu (all inputs)
Maximum Output Level: 150mW (600 Ohm Headphones) 500mW (32 Ohm Headphones) 150mW (8 Ohm Headphones)
Maximum Gain: 22dB
Signal to Noise Ratio: >90dB typical
THD: <.01% typical
Dynamic Range: >101dB typical
CMRR: >40dB
Phase Shift: <10 degrees, 20Hz – 20kHz
Power Requirements: 120VAC / 50-60Hz, or 230VAC / 50 Hz, 15 Watts
Dimensions: (HxWxD inch) 1.75 x 19 x 6
Dimensions: (HxWxD mm) 44.5 x 483 x 152
Weight: 5.3 lbs. (2.4kg)
Ref: 0 dBu = 0.775VAC RMS
ART maintains a policy of constant product improvement. ART reserves the right to make changes in design or make additions to or improvements upon this product without any obligation to install the same on products previously manufactured. Therefore, specifications are subject to change without notice.
www.artproaudio.com
E-mail: [email protected]



















