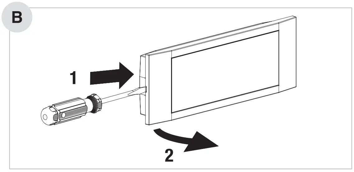
Beghelli IP40IK05 Aesthetica LED Emergency Luminaires

Installation Instructions








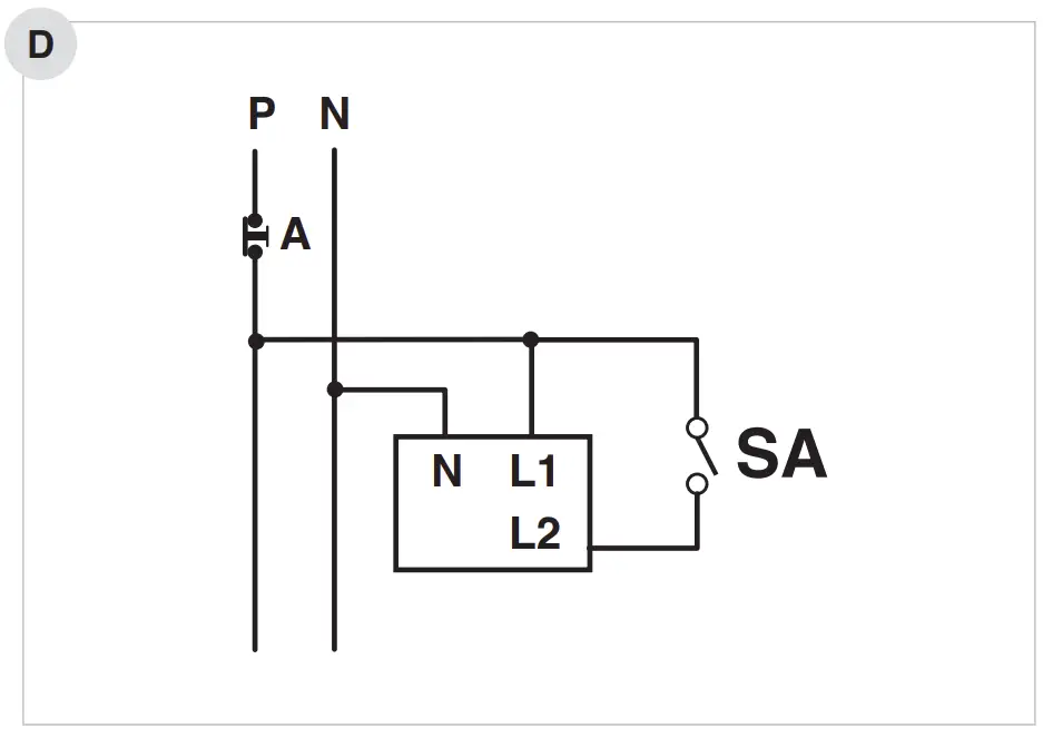
| 230V 50Hz | COS Φ | ![]() | ![]() | |
| 16220 SE | 65mA | 0,05C | 2×5 LED | NiMH 3,6V 1,2Ah | 1h |
16221 SE | 65mA | 0,05C | 2×8 LED | NiMH 3,6V 1,2Ah | 1h |
| 16222 SE | 65mA | 0,05C | 2×10 LED | NiMH 3,6V 1,2Ah | 1h |
16223 SE/SA | 85mA | 0,05C | 2×10 LED | NiMH 3,6V 1,2Ah | 1h |
| 16224 SE | 65mA | 0,05C | 2×16 LED | NiMH 2×3,6V 1,2Ah | 1h |
16225 SE/SA | 85mA | 0,05C | 2×8 LED | NiMH 3,6V 1,2Ah | 3h |
| 16226 SE/SA | 85mA | 0,05C | 2×16 LED | NiMH 2×3,6V 1,2Ah | 3h |
LED SIGNALS
| FIXED GREEN | BATTERY CHARGING |
| FIXED RED | BATTERY DISCONNECTED |
WARNINGS – GUARANTEE
- This device shall be used exclusively for the purpose for which it has been designed. Any other use is considered improper and therefore dangerous.
- Rechargeable battery and LED source are non-replaceable type.
Contact an authorised technical service centre for any repairs possibly required use only original spare parts. The lacked respect of the above conditions may compromise the safety of the device.
* Caution: electric shock





















