saxby lighting 95542 HeroPro CCT Microwave Emergency

Thank you for purchasing this light fitting. Please read the instructions carefully before use to ensure safe and satisfactory operation of this product. Please retain these instructions for future reference.
Bezels for 95542 only
The following individual casings are available for purchase separately.
- 95545: Chrome plain
- 95548: Black plain
- 95551: Anthracite grey plain
- 95546: White eyelid
- 95549: Black eyelid
- 95552: Anthracite grey eyelid
- 95547: White grill
- 95550: Black grill
- 95553: Anthracite grey grill
Warning
This light fitting is double insulated and does not require connection to an earth circuit.
- Please read these instructions carefully before commencing any work.
- This unit must be fitted by a competent and qualified electrician.
- Install in accordance with the IEE Wiring regulations and current Building Regulations.
- Check the pack and make sure you have all the parts listed.
- To prevent electrocution switch off at the mains supply before installing or maintaining this fitting. Ensure other persons cannot restore the electrical supply without your knowledge.
- If you are in any doubt, please consult a qualified electrician.
- This light fitting should be connected to a circuit with a 30mA RCD fitted.
- If replacing an existing fitting, make a careful note of the connections.
- Waste electrical products should not be disposed of with household waste.
- Please recycle where facilities exist. Check with your local authority or retailer for recycling advice.
Layout
- Plan the desired layout of these fittings carefully, ensuring the cables will reach the distances between each light fitting.
- Avoid locating any cables in positions that would cause a hazard. Position cables and junction boxes (not supplied) away from areas where they may be at risk from being cut, trapped or damaged.
- The mains supply cable must have a minimum cross section area of 1.0mm2.
- Cables must be protected using suitable conduit or plastic trunking.
- The products can be wall or ceiling mounted. If wall mounting ensure that the power supply is at the bottom.
Installation
Existing fittings must be completely removed before installation of a new product. Before removing the existing fitting, carefully note the position of each set of wires. Note the switch is turned off before installation. The ceiling surface must be flat and smooth to ensure a good fit. Ensure that the screws and cable entry points are sealed to maintain the IP rating of the product.

- Twist and remove the lamp cover from the product, keep safe for refitting later.
- Turn the clip to loose the LED tray in the rear casing.
- Using the rear casing as a template mark the position to drill out the fixing holes. Take care to avoid damaging any concealed wiring and pipes.
- Fix the rear casing into the position using the installation plugs and screws.
- Pull the cable through the cable entry hole and seal to maintain the IP rating and wire as detailed Wiring Diagram.
- Unscrewed the battery box cover and then connect the battery DC connector together before commissioning.
- Refit the LED tray back into the rear casing and lock the clip.
- Twist the lamp cover back onto the product and lock in place.
- Replace fuse or circuit breaker and switch on. Your light is now ready for use.
The wattage is changeable between the diffrent wattage using the wattage switch on the driver before installation


- For the 103937 is the 12W/9W/6W selectable
- For the 95542 is the 18W/14W/9W selectable
- For the 103940 is the 28W/24W/20W selectable
The colour is changeable between 3000/4000/6000K using the CCT switch on the driver before installation
Choose your preferred wattage and colour before installing by wattage switch or CCT switch on the driver.- Note: Befeore you change the wattage or colour, please turn off the power switch for safety.
Technical data
- Supply Voltage: 220-240 V~, 50 Hz
- Bulb Type: 95542—-18/14/9W LED module (SMD) CCT, 3000/4000/6000K
- 103937—12/9/6W LED module (SMD) CCT, 3000/4000/6000K
- 103940—28/24/20W LED module (SMD) CCT, 3000/4000/6000K
This product contains a light source of energy efficiency class D.
Non-replaceable light source
Replaceable control gear by a professional
![]()
- Conformity with all relevant UKCA Directive requirements.
- Conformity with all relevant EC Directive requirements.
- The power supply is Double Insulated and does not require connection to an Earth circuit.
- Waste electrical products should not be disposed of with household waste. Please recycle where facilities exist. Check with your Local Authority or local store for recycling advice.
- This product is not suitable for dimming.
- This product is rated at IP65
- This product is rated at IK10 for 95542, 103937.
- This product is rated at IK08 for 103940.
| Battery parameters: | |
| Lumens | 120Lm in EM mode |
| Duration | 3 hours (180 Minutes) |
| Operating Temperature | 0ºC – 50ºC |
| Maximum Operating Humdity | 90% |
| Change over time | Approximately 1s |
| Battery Specification | LifePO4 3.2V 1500mAh |
| Battery Charge Time | 24 Hours |
| Battery warranty | 2 years |
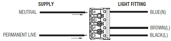
Wiring
- This product is double insulated and must not be earthed. If there are any incoming earth cables, they must be joined together and well insulated with good quality insulation tape. This is to ensure earth continuity throughout your property.
- Having correctly identified the wiring from your existing light fitting, connect to the quick fit connection block in the following way, using the supplied link cables where necessary.

Maintained (Unswitched) Wiring

- The product is on permanently and comes on during a power failure.
Non-Maintained Wiring

- The product is normally off and comes on during a power failure.
Maintained (Switched) Wiring

- The product is used as a normal light – switch on/off, light turns on/off. Comes on during a power failure.
Check that…
- You have correctly identified the wires.
- The connections are tight.
- No loose strands have been left out of the connection block.
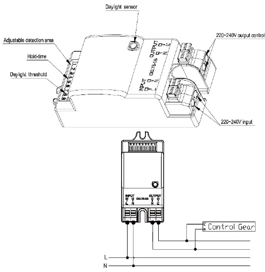
Microwave Movement Sensor
This product is fitted with a microwave movement sensor. Please see below detailed operating instructions.
Technical Specifications

| Operating voltage | 220 ~ 240V AC 50/60Hz | |
| Rated load | 400W (Capacitive load) 800W (Resistive load) | |
| Stand-by power | ≤0.5W | |
| Sensitivity | Ceiling mounted height: 3m | 100% / 75% / 50% / 25% / 10% |
| Ceiling mounted height: 6m* | 100% / 75% / 50% | |
| Wall mounted height: 2m | 100% / 75% / 50% / 25% / 10% | |
| Hold-time | 5s / 30s / 90s / 3min / 20min / 30min | |
| Daylight sensor | 2Lux / 10Lux / 25Lux / 50Lux / Disable | |
| Microwave frequency | 5.8 GHz ±75MHz | |
| Transmitting power | 1mW Max. | |
| Detection range | Ceiling mounted height: 3m | 3- 6m (radius ) |
| Wall mounted height: 1.5-2m | 12-15m | |
| Detection angle | 3600 (Ceiling) / 1200 (Wall) | |
| Working temperature | -200C ~ 600C | |
- 50%, 75%, 100% detection sensitivity is workable when installed at 6m mounting height. Only 10%, 25% sensitivity is not able to detect motion signal.
Settings
Sensitivity

- Sensitivity can be adjusted by selecting the combination on the DIP switches for different applications.
Hold-time

- Hold-time refers to the time period that the light remains 100% on if no more movement is detected.
Daylight sensor

- Different daylight threshold can be preset on DIP switches. Light will always turn on upon movement if daylight sensor is disabled.
- Disable means the daylight sensor does not work. The sensor will turn on light once motion is detected regardless of ambient light level.
Troubleshooting
| Malfunction Cause Remedy | Cause | Remedy |
| The light will not come on | Incorrect light-control setting selected | Adjust daylight threshold setting |
| Faulty lamp | Replace lamp | |
| No power supply | Check power to sensor | |
| The lamp is always on | Continuous movement in the detection zone | Check detection area setting |
| The lamp is on without any identifiable movement | The sensor is not mounted for reliably detecting movement | Securely mount enclosure |
| Movement occurred, but not identified by the sensor (Movement behind wall, movement of small object in immediate lamp vicinity etc.) |
| |
| The lamp will not work despite movement | Rapid movements are being suppressed to minimize malfunctioning or the detection radius is too small. | Check the detection area setting |
Care and Safety
- We recommend cleaning with a soft dry cloth. Do not use solvents or abrasive cleaners as these could damage the finish.
- For your safety, always switch off the power supply before cleaning.
For further information, please visit https://www.lighting-info.co.uk/95542
V5 15/12/2022
- UK Manufacturer: BH17 7BY
- EU Manufacturer: Brilliant AG, Brilliantstrasse 1, D-27442 Gnarrenburg
- www.saxbylighting.com

Choose your preferred wattage and colour before installing by wattage switch or CCT switch on the driver.
Replaceable control gear by a professional

















