AMERICAN LIGHTING 12-24V DMX 5 Channel RJ45 Decoder

INSTALLATION INSTRUCTIONS
REC-DMX-RJ45A-5CH
WARNING
These products may represent a possible shock or fire hazard if improperly installed or attached in any way. Products should be installed in accordance with these instructions, current electrical codes, and/or the current National Electric Code (NEC).
WARNING
This receiver requires a 12-24V DC power supply (LED-DR series driver recommended, sold separately). Disconnect supply power at the source prior to installation.
SAFETY INFORMATION
- Read all instructions before beginning; Save these instructions for future use.
- To reduce the risk of fire, electric shock, or injury to person(s), pay close attention to this manual and stay within its guidelines when using this product.
- This receiver is rated IP20; avoid the sun and moisture.
- Avoid using receiver in areas where extreme hot, cold, dust, or humidity exist.
- This receiver is suitable for indoor, dry locations only.
- Always be sure to mount this controller in an area with proper ventilation to avoid overheating.
- This product has an operating temperature range of -20°C to 50°C.
- Never connect any cables while power is on and always ensure correct connections to avoid short circuits prior to switching on. Ensure all wires and cables are secured tightly in the connector prior to operation.
- For cleaning, use a soft, dry or damp cloth. Do not use harsh chemicals or abrasives.
- This receiver is rated for 12-24V DC input with a maximum line-in of 20.5A.
- This receiver has 5 output terminals rated for 8A/96-192W each.
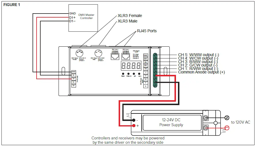
INSTALLING RECEIVER (SEE FIGURE 1):
This receiver requires a 12-24V DC power supply (sold separately).
This receiver requires a Trulux DMX controller (sold separately) or another auxiliary DMX master control (not included).
- Determine desired location of receiver. Mounting tabs on either end of the receiver may be utilized to secure receiver in place via screws.
- This receiver has 5 x 8A current output terminals that can be used with single color, Tunable CCT, RGB/RGBW, or RGB+Tunable CCT fixtures. Wire the receiver to a fixture by following the fixture’s instruction manual and wiring diagrams, ensuring to match polarity (wiring varies depending on product). Connect fixture prior to bringing any power to the system.
- Bring 12-24V DC supply power to the receiver, matching polarity (See Figure 1).

INTERCONNECTING RECEIVERS (SEE FIGURE 2):
This receiver requires a 12-36V DC power supply (LED-DR series driver recommended, sold separately). This receiver requires a Trulux DMX controller (sold separately) or another auxiliary DMX master control (not included).
- Interconnect DMX signal by connecting D – and D + from first controller to D – and D + on second controller, matching polarity. Then connect ground to ground on each. Continue for each successive controller. See Figure 2.

- Bring 12-24V DC supply power to each receiver in succession, matching polarity. See Figure 2.
- This receiver can also be inter-connected via XLR3 or RJ45 ports. This requires the use of XLR3 or RJ45 cable (not included). See Figure 1 and 3.

OPERATING DMX RECEIVER (SEE FIGURE 4):

This receiver requires a 12-24V DC power supply (sold separately).
- This receiver can operate in Standalone Mode or Decoder Mode. Before choosing any other setting, select which mode you wish to operate: run1 for DMX Decoder Mode and run2 for Standalone Mode.
- Utilize the Up and Down buttons to toggle through menu selections.
- Utilize the Enter button to select and the Back button to return to main menu.
- To restore factory default settings, press and hole both the Back and Enter buttons until the digital display turns off, the release the key. The system will reset and the digital display will turn on again with all settings restored to default.
| A.XXX | DMX Address: Default 001 |
| CHXX | DMX Channel Quantity – Default CH05 CH01 = 1 DMX address: all output channels 001 CH02 = 2DMX address: output 1,3=001 & 2,4,5=002 CH03 = 3DMX address: output 1,2=001,002 & 3,4,5=003 CH04 = 4DMX address: output 1,2,3=001,002,003 & 4,5=004 CH05 = 5DMX address: output 1,2,3,4,5=001,002,003,004,005 |
| btXX | PWM Resolution: 8bit or 16bit – Default 16bit |
| PFXX | PWM Frequency: 00~30 – Default 1kmHz 00=500Hz, 01=1kHz, 02=2kHz…30=30kHz |
| gAXX | Dimming Curve Gamma Value: 0.1~9.9Default gA1.5 See Figure 5 for more information |
| dPXX | Decoding Mode: Default dp1.1 1st X is DMX address qty, 2nd X is PWM channel qty See page 3 for more information |

The micro dimming effect can only be visible when the dimming curve gamma value is set lower than 1.4. The lower the value is, the more visible the micro dimming effect will be.



The data definitions for strobe channel are as follows:
- {0, 7},//undefined
- {8, 65),//slow strobe–>fast strobe
- {66, 71),//undefined
- {72, 127},//slow push fast close
- {128, 133},//undefined
- {134, 189},//slow close fast push
- {190, 195},//undefined
- {196, 250},//random strobe
- {251, 255},//undefined
The supported RDM PIDs are as follow WS:
- DISC_UNIQUE BRANCH
- DISC_MUTE
- DISC_UN_MUTE
- DEVICE_INFO
- DMX_START_ADDRESS
- IDENTIFY_DEVICE
- SOFTWARE_VERSION_LABEL
- DMXPERSONALITY
- DMX PERSONALITY_DESCRIPTION
- SLOT INFO
- SLOT_DESCRIPTION
- MANUFACTURER_LABEL
- SUPPORTED_PARAMETERRS
FCC Compliance Statement
This device complies with part 15 of the FCC Rules.
Operation is subject to the following two conditions:
- This device may not cause harmful interference, and
- This device must accept any interference received, including interference that may cause undesired operation.
FCC WARNING
This equipment has been tested and found to comply with the limits for a Class B digital device, pursuant to Part 15 of the FCC Rules. These limits are designed to provide reasonable protection against harmful interference in a residential installation. This equipment generates, uses and can radiate radio frequency energy and, if not installed and used in accordance with the instructions, may cause harmful interference to radio communications. However, there is no guarantee that interference will not occur in a particular installation. If this equipment does cause harmful interference to radio or television reception, which can be determined by turning the equipment off and on, the user is encouraged to try to correct the interference by one or more of the following measures:
- Reorient or relocate the receiving antenna.
- Increase the separation between the equipment and the receiver.
- Connect the equipment into an outlet different from that to which the receiver is connected.
- Consult the dealer or an experienced radio/TV technician for help.
Any changes or modifications not expressly approved by the party responsible for compliance could void the user’s authority to operate the equipment.
©2022 American Lighting, Inc.
REV2149 www.AmericanLighting.com
11775 E. 45th Ave. Denver, CO 80239
Ph: 1-800-880-1180 Fax: 303-695-7633























