ALX105-UD ALX Series Spun Aluminum Exhauster
Instruction Manual
READ AND SAVE THESE INSTRUCTIONS
The purpose of this manual is to aid in the proper installation and operation of the blowers. These instructions are intended to supplement good general practices and are not intended to cover detailed instruction procedures.
IT IS THE RESPONSIBILITY OF THE PURCHASER TO ASSURE THAT THE INSTALLATION AND MAINTENANCE OF THIS EQUIPMENT IS HANDLED BY QUALIFIED PERSONNEL.
Inspect all shipments carefully for damage. THE RECEIVER MUST NOTE ANY DAMAGE ON THE CARRIER’S BILL OF LADING AND FILE A CLAIM IMMEDIATELY WITH THE FREIGHT COMPANY.
DO NOT LIFT THE UNIT BY THE HOOD OR MOTOR. PLEASE LIFT THE UNIT BY HORIZONTAL SUPPORTS.
GENERAL SAFETY

- All electrical work must be done in accordance with all applicable electrical codes by a qualified electrician.
- Prior to wiring ensure the power supply is locked in the OFF position and that the motor nameplate voltage matches the supply voltage.
- Do not install or operate this fan in an environment where combustible materials, gases, or fumes are present.
- Caution: the fan contains rotating parts and electrical service. Appropriate safety precautions should be taken during installation, operation, and maintenance.
When servicing the fan motor may be hot, allow time for cooling down. - Before starting the unit, ensure the wheel rotates freely.
- Check and tighten where necessary all nuts, bolts & set screws prior to fan start-up (as some may have loosened during shipment).
- Please follow all applicable national, state/provincial, and local codes, all of them will supersede this manual.
- Failure to follow the safety instructions in this manual may cause serious injury or death due to electrical shock or high-speed rotating parts.
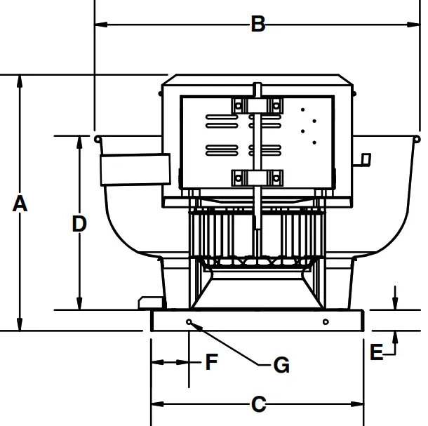
DIMENSION & COMPONENT
NOTE: DUE TO THE MOTOR MANUFACTURER’S VARIANCES IN DESIGN, PLEASE SEE PAGE 5 FOR MOTOR DIMENSIONAL GUIDELINES.
UPBLAST MODELS
Upblast Belt Drive Shown
Motor plate detail varies in different sizes

| Dimensions (inches) | ||||||||||
| Model | A | B | C | D | E | F | G Ø | Wheel Diameter | Roof Opening | Net Weight (lbs) |
| ALX105-UD | 17.63 | 25 | 19 | 13 | 1.5 | 3.5 | 0.38 | 10.5 | 15 | 35 |
| ALX120-UD | 18.63 | 25 | 19 | 13 | 1.5 | 3.5 | 0.38 | 12.25 | 15 | 37 |
| ALX135-UD/UB | 22.25 / 25.25 | 32.13 | 21 | 17.13 | 1.5 | 3.75 | 0.44 | 13.5 | 17 | 53 / 62 |
| ALX150-UD/UB | 23.13 / 26.13 | 32.13 | 21 | 17.13 | 1.5 | 3.75 | 0.44 | 15 | 17 | 58 / 67 |
| ALX165-UD/UB | 27.13 / 31.13 | 37.5 | 24.75 | 21.13 | 2 | 4 | 0.44 | 16.5 | 20.75 | 100 /108 |
| ALX180-UD/UB | 27.75 / 31.75 | 37.5 | 28 | 21.13 | 2 | 4 | 0.44 | 18.25 | 20.75 | 108 / 116 |
| ALX210-UB | 36.25 | 43.75 | 33.13 | 25.5 | 2.5 | 4 | 0.44 | 21.25 | 29 | 178 |
| ALX245-UB | 37 | 43.75 | 33.13 | 25.5 | 2.5 | 4 | 0.44 | 24.5 | 29 | 183 |
DOWNBLAST MODELS
Downblast Direct Drive Shown 
| Dimensions (inches) | ||||||||||
| Model | A | B | C | C | E | F | G Ø | Wheel Diameter | Roof Opening | Net Weight (lbs) |
| ALX105-DD | 18 | 25 | 19 | 19 | 1.5 | 3.5 | 0.38 | 10.5 | 15 | 33 |
| ALX120-DD | 19 | 25 | 19 | 19 | 1.5 | 3.5 | 0.38 | 12.25 | 15 | 35 |
| ALX135-DD/DB | 22.25 / 25.25 | 31.25 | 21 | 21 | 2 | 3.75 | 0.44 | 13.5 | 17 | 51 / 59 |
| ALX150-DD/DB | 23.13 / 26.13 | 31.25 | 21 | 21 | 2 | 3.75 | 0.44 | 15 | 17 | 56 / 65 |
| ALX165-DD/DB | 27.13 / 31.13 | 36.25 | 24.75 | 24.75 | 2 | 4 | 0.44 | 16.5 | 20.75 | 100 / 106 |
| ALX180-DD/DB | 27.75 / 31.75 | 36.25 | 28 | 28 | 2 | 4 | 0.44 | 18.25 | 20.75 | 104 / 110 |
| ALX210-DB | 36.25 | 43.75 | 33.13 | 33.13 | 2.5 | 4 | 0.44 | 21.25 | 29 | 176 |
| ALX245-DB | 37 | 43.75 | 33.13 | 33.13 | 2.5 | 4 | 0.44 | 24.5 | 29 | 181 |
Note: Belt drive units are weighted without motor & drives.
INSTALLATION
- Install roof curb, caulk, and flash to ensure water tightness.
- Rotate the blower wheel by hand. The wheel should not be rubbing against the housing inlet. If rubbing occurs, loosen the set screws on the wheel hub and shift the wheel to obtain clearance. Then re-tighten all set screws.
- Complete all subsequent duct connections.
- Secure the fan to the curb cap. Do not lift the unit by the hood or motor. Lift the unit by horizontal supports on the direct drive or by motor mounting plate for the belt drive unit.
- Use at least 8 proper fasteners to connect the blower base to the roof curb.
- Verify if the power supply is compatible with the equipment.
- Make sure the power line is shut down before wiring the motor to the power line.
- Remove the top cap, and connect the power line to the motor/disconnect switch as indicated.
- For all up blast units, the electrical supply enters the motor compartment through the vent tube.
- Ensure all fasteners and set screws are tightened.
- Place the top cap back on the hood.
- Caulk and flash the fan base including the fan base corners and roof curb to ensure good water tightness.
STANDARD WIRING INSTRUCTIONS
- A qualified electrician in accordance with all local and National Electrical Codes should do all wiring.
- Ensure the power supply is disconnected and locked out prior to making electrical connections.
- Wire the motor according to the wiring diagram on the motor label or on the sticker inside the motor wrap. All motors should be wired to the same rotation as indicated on the sticker on the top plate.
- Leave enough slack in the wiring to allow for motor movement when adjusting the belt tension.
- The excess wire must be restrained in order to prevent it from entering the pulley, shaft, or wheel rotating area.
- Disconnect switches are recommended and should be located near the fan in order to, swiftly cut off power in case of an emergency and maintain complete control of the power source.
| GENERAL CLEAN AIR APPLICATION (UP BLAST) | GENERAL CLEAN AIR APPLICATION, DOWN BLAST Note: ALX105 to ALX120 has only wiring option 1, ALX135 to ALX180 has both wiring options 1 and 2, and ALX210 and larger has only wiring option 2. |
![]() | ![]() |
VARIABLE SPEED CONTROL – SINGLE PHASE
Some single-phase direct drive motors running RPM can be adjustable with variable speed control (please contact the factory for more information). The speed control knob starts at the off position, then high to low adjust range. At high speed, the speed control would allow the motor to run at its maximum RPM. Dialing the knob to the low side would let the speed control regulate the voltage on the motor to reduce the RPM.
A minimum speed adjustment is needed to limit the motor RPM range. Follow this procedure to set the minimum speed.
- The motor must be in servicing status to allow the minimum speed setting. Motor would not slow down unless proper load is applied. Motor RPM would be changed under different system (static pressure).
- Turn the main control knob to the lowest speed position.
- Locate and adjust the minimum speed setting, it can be found on the control box itself.
- Motor RPM range would be from full RPM to the RPM just set.
The lowest minimum voltage that may be applied to the motors is 65VAC. Running at lower voltage can cause premature failure of the motor.
VARIABLE FREQUENCY DRIVE – THREE PHASE
For 3-phase motors, a variable frequency drive (VFD) is required to adjust the motor speed.
EC (Electronically Controlled) MOTOR SPEED CONTROL
EC motors are equipped with a control module that allows for accurate manual adjustment of motor speed. The motor speed range is from 300 to 1800rpm or maximum rpm for that model.
The control module features a 4-digit LED display that indicates the % demand of full speed and motor speed in rpm. The display also indicates an error code message for minor diagnostics if required.

MESSAGE DISPLAYED…
Spd- followed by the instantaneous speed in rpm
dE- followed by S + demand in %
E1- No communications
E2- Under Voltage
Motor speed can be changed by adjusting the speed control pot located on the control module. A small screwdriver can be used to make the speed adjustment.
AC Supply – 115/208-230VAC
Power is connected to the motor and control module through the junction box and wiring harness provided.
Note: For 115VAC operation the blue jumper provided (taped to wire harness) must be inserted into the motor power connector. See diagram.

Caution: Operating the motor at 208-230VAC with the jumper will cause significant damage to the motor.
Note: EC motors have a soft start feature. When the power is turned on the control module gathers information from the motor and then begins the start-up process. After a few seconds, the motor will start to turn and reach full set speed in 10-15 seconds.
Remote Speed Control Option (please contact factory for further information)

If your unit contains the ECsmart Motor please follow these wiring diagrams:
Please contact Canarm Ltd. for any and all questions related to electrical or control connections to our EC motors.
RESTAURANT EXHAUST APPLICATION
All up-blast models are UL/cUL listed, they are capable to meet UL705 Supplement SC for Commercial Kitchen application:
- The National Fire Protection Association (NFPA) publication NFPA 96 is the primary source for this application. Also, consult local authorities for all other applicable codes and guidelines before installation.
- Exhaust fans used in kitchen ventilation applications must have external wiring. (Wiring must not be installed in the airstream).
- Installation must include a means for inspecting, cleaning, and servicing the exhaust fan. (Curb hinge, grease collector, and outdoor disconnect switches are available for purchase as accessories)
- No dampers can be used in the system.

PRE-START INSPECTION
- Lock out all power sources.
- Inspect all fasteners and set screws and tighten them as required.
- Inspect belt alignment and tension where applicable.
- Confirm power source voltage and motor voltage are the same and that the motor is wired correctly.
- Rotate the wheel to ensure that neither the fan blade nor the belts come into contact with the housing.
- Inspect the fan and the ductwork to ensure they are free of debris.
- Check to ensure that all guards and accessories are securely mounted.
STARTUP
Turn the fan on and inspect for the following:
- The direction of rotation.
- Improper motor amperage.
- Excessive vibration.
- Unusual noise.
- Improper belt tension or alignment (only applicable on belt-drive unit).
If a problem is discovered shut off the fan and refer to the section on troubleshooting to discover the cause of the problem. The fan should be inspected after 30 minutes, 8 hours & 24 hours of operation to ensure all fasteners are tight and belts are properly tensioned and aligned.
MAINTENANCE
Disconnect and secure to the OFF position all electrical power to the fan prior to inspection or servicing. Failure to comply with this safety precaution could result in serious injury or death.
- The ventilator should be checked at least once a year. For critical or severe applications a routine check every two to three months is suggested.
- Guard to be kept free of debris. Easily installed/removed using the integrated twist-lock tabs. Gently twist the guard tab so that it slips under the support arm to lock in place. Guard is easily removable for fan servicing and cleaning. No tools are required.
- When moving or installing a belt, don’t force the belt over the sheave. Loosen the motor mount so that the belt can be easily slipped over the sheave.
- The belt, on belt-driven units, should be removed and carefully checked for cracks, ply separation, or irregular wear. A small irregularity in the contact surface of the belt will result in noisy operation. If any of these defects are apparent the belt should be replaced. At the same time check the sheaves for chips, dents, or rough surfaces that could damage the belt.
- The correct belt tension is important. Too tight a belt will result in excess bearing pressure, which can cause premature bearing failure and may cause the motor to overload. Too loose a belt will result in slippage, which will burn out belts. Proper belt deflection should be 1/64” (halfway between sheave centers) for each inch of the belt span when a force of approximately 5 lbs. is applied.
- The belt alignment should be checked to be sure that the belt is running perpendicular to the rotating shafts. Motor and drive shafts must be parallel.
- A periodic inspection of all fasteners should be carried out to ensure they have not loosened due to vibration. Particular attention should be paid to fasteners attaching the wheel to the shaft and those attaching the shaft to the bearing.
FAN TROUBLESHOOTING
WARNING
Make SURE THE UNIT IS NOT CAPABLE OF OPERATION DURING REPARATION.
| PROBLEM | POSSIBLE ISSUE | SOLUTION |
| Excessive noise/vibration | Wheel rubbing inlet | Adjust wheel, loosen set screw(s), and move the wheel, acquiring clearance between inlet and wheel, then re-tighten set screw(s) |
| Wheel unbalance | Check wheels for debris or dirt build-up and clean when necessary | |
| Object in rotation area or housing | Remove object | |
| Motor compartment loses | Re-tighten the fasteners | |
| The fan does not operate | Malfunction of electrical supply | Check the supply voltage, fuse, and switch |
| Malfunction of motor | Check wiring and overload protector | |
| Motor overload/overheat | Wrong wheel rotation | Re-wire the motor to change the direction of rotation |
| Reduced airflow | Damper Malfunction | Check the opening side of the backdraft damper, check the operation status of the controlled damper |
| Wrong wheel rotation | Re-wire the motor to change the direction of rotation | |
| Improper Duct System | Check obstruction of duct in the duct or dirty filter | |
| Discharge Blockage | Check discharge and remove any debris |
FAN MOTOR DIMENSIONAL GUIDELINES

| FAN | FRAME SIZES | MAX “A” | MAX “B” | MAX “C” | MAX “D” | RESILIENT BASE | MAX SHEAVE DIA. |
| ALX135UB/DB | 48, 56 | 8.5 | 6.5 | 10.5 | 7 | NO | 5.5 |
| ALX150UB/DB | 48, 56 | 8.5 | 6.5 | 10.5 | 7 | NO | 5.5 |
| ALX165UB/DB | 48, 56, 143, 145 | 8.5 | 8 | 13 | 7 | NO | 5.5 |
| ALX180UB/DB | 48, 56, 143, 145 | 8.5 | 8 | 13 | 7 | NO | 5.5 |
| ALX210UB/DB | 56, 143, 145, 182, 184 | 11.5 | 11 | 12 | 8 | YES | 8 |
| ALX245UB/DB | 56, 143, 145, 182, 184 | 11.5 | 11 | 12 | 8 | YES | 8 |
| FAN | MAX “A” | MAX “B” | MAX “C” | C-FACE ONLY |
| ALX105/120UD | 14 | 14 | 8.5 | 56 FRAME |
| ALX105/120DD | 10 | 10 | 7.5 | 56 FRAME |
| ALX135/150UD | 15 | 15 | 15 | 56 FRAME |
| ALX135/150DD | 15 | 15 | 15 | 56 FRAME |
| ALX165UD | 16 | 16 | 15.5 | 56 FRAME |
| ALX165DD | 16 | 16 | 15.5 | 56 FRAME |
MOTOR MOUNTING
| ALX135/ALX150 | ALX165/ALX180 | ALX210/ALX245 |
![]() | ||
ALX SERIES SPUN ALUMINUM UP BLAST EXHAUSTERS – EXPLODED VIEW

| ITEM # | DESCRIPTION | QTY |
| 1 | TOP CAP | 1 |
| 2 | MOTOR WRAP | 1 |
| 3 | MOTOR SUPPORT PLATE | 1 |
| 4 | VIBRATION ELIMINATOR | 4 |
| 5 | TOP PLATE | 1 |
| 6 | UPBLAST APRON | 1 |
| 7 | VENT | 1 |
| 8 | VERTICAL BRACKET | 4 |
| 9 | INLET BAFFLE | 4 |
| 10 | DRAIN | 4 |
| 11 | MOTOR SUPPORT RAIL | 2 |
| 12 | HORIZONTAL BRACKET | 4 |
| 13 | BASE | 1 |
| 14 | BLOWER WHEEL | 1 |
ALX SERIES SPUN ALUMINUM DOWN BLAST EXHAUSTERS – EXPLODED VIEW

| ITEM # | DESCRIPTION | QTY |
| 1 | MOTOR WRAP | 1 |
| 2 | BEARING | 2 |
| 3 | MOTOR SUPPORT PLATE | 1 |
| 4 | VERTICAL BRACKET | 4 |
| 5 | TOP CAP | 1 |
| 6 | VENT TUBE | 1 |
| 7 | DOWNBLAST APRON | 1 |
| 8 | MOTOR SUPPORT RAIL | 2 |
| 9 | VIBRATION ELIMINATOR | 4 |
| 10 | SHAFT | 1 |
| 11 | TOP PLATE | 1 |
| 12 | INLET BAFFLE | 1 |
| 13 | BASE | 1 |
| 14 | BLOWER WHEEL | 1 |
NOTE: General models are shown above. The actual unit might vary according to size.
WARRANTY
CANARM Ltd. warrants every new fan to be free of defects in material and workmanship to the extent that, within a period of one year from the date of purchase CANARM Ltd. shall either repair or replace at CANARM’s option, any unit or part thereof, returned freight prepaid, and found to be defective.
This warranty does not include any labor or transportation costs incidental to the removal and reinstallation of the unit at the user’s premises.
Components repaired or replaced are warranted through the remainder of the original warranty period only; it is null and void in case of alteration, accident, abuse, neglect, and operation not in accordance with instructions.
NOTICE: No warranty claims will be honored by CANARM Ltd. unless prior authorization is obtained.
Canarm Ltd. – Corporate Head Office
2157 Parkedale Avenue, PO Box 367
Brockville, Ontario Canada K6V 5V6
Tel: (613) 342-5424;
Fax: (613) 342-8437
www.canarm.com
[email protected]























