
MODEL TL-PRO SYSTEM
COMPLETE GRINDER PACKAGE OFFERING
INSTALLATION AND SERVICE MANUAL
HPG(X)200 Hydromatic Grinder Pumps
For use with HPG(X)200 and HPGR200 Hydromatic Grinder Pumps.
NOTE! To the installer: Please make sure you provide this manual to the owner of the equip ment or to the responsible party who maintains the system.
Item # E-03-457 | Part # 5625-457-1 | © 2012 Pentair Pump Group, Inc. | 10/31/12
General Information
Thank you for purchasing your Low Pressure Sewer Basin System.
Before Installation:
This manual contains important information for the safe use of this product. Read this manual completely and follow the instructions carefully. Reasonable care and safe methods relating to the installation and operation of this product should be practiced. Check local codes and requirements before installation.
Risk of electrical shock orelectrocution. May resultin serious injury or death orfire hazard. Installer mustdisconnect all electrical sources prior to installation. Onlyqualified personnel may install this system. NFPA 70/National Electric Code (NEC) or localcodes must be followed. System must be properly groundedaccording to NEC.
Biohazard risk. Once wastewatersource has been connected tosystem, biohazard risk exists.Installer(s) and/or servicepersonnel must use properpersonal protective equipmentand follow handling proceduresper OSHA 29 CFR 1910.1030when handling equipment afterwastewater source has been connected to system.
Risk of fire or explosion. Do not smoke or use open flames in or around this system. This system is not intended for use in hazardous locations per NFPA 70 National Electric Code. Consult factory for optional equipment rated for this use. Cutting risk. Risk of serious cutting or amputation exists.
Disconnect all power sources prior to servicing pump or grinding mechanism. Pump may start without warning. Grinding mechanism is extremely sharp.
Use caution when handling grinder mechanism.
CALIFORNIA PROPOSITION 65 WARNING:
This product and related accessories contain chemicals known to the State of California to cause cancer, birth defects or other reproductive harm.
DO NOT THROW AWAY OR LOSE THIS MANUAL. Keep it in a safe place so that you may refer to it often for the continued safe operation of the product.
Installation Skill Requirements
The installation of a basin system is a specialized skill, which requires individuals with the basic understanding of pipe fitting, excavating, and electrical wiring.
These instructions are meant only to be an installation guide; therefore, unusual installation conditions not covered in these instructions require experienced personnel capable of using reasonable engineering principles for the installation and operation of the system.
Excavation Instructions
Excavation location shall be made according to local codes and regulations. Check with local utility companies for the location of underground utilities prior to excavation. Care should be taken to avoid buried utility lines, piping, and other buried structures and foundations. Failure to follow these instructions may result in serious personal injury or death.
Excavation for Basin Systems:
Effect appropriate excavation based on size of the basin, desired entrance point of the influent line, and entrance of power connection.
Basin Installation Instructions
If the basin is not tied down during installation, rain or flood conditions may cause the basin to float upward, causing damage to the basin or basin con nections. Claims for this type of damage cannot be processed by Hydromatic.
Basin System Handling:
Factory built basin systems must not be dropped, dragged, rolled, or handled with sharp objects.
Improper handling of basins may result in damage to the basin, damage to basin components, or leaks in the piping assemblies.
Step 1:
The pad under the basin requires 4 to 6 inches of appropriate fill. The ideal basin pad is concrete in conjunction with antiflotation tie-down studs. Basin antiflotation tie-down kits are available. Ifconcrete pad is not used, theaggregate must be compacted to a minimum 85% standard proctor density per ASTM D698, or as required by the Authority Having
Jurisdiction.
Concrete pad or aggregate surface must be leveled flat and free of voids to conform to the basin bottom. Basin bedding depth should be calculated such that the basin top will protrude 3″ above the normal grade upon final installation.
Step 2:
Lifting of the basin may bedone with a nylon or other nondamaging type material sling.Do not wrap a chain or steelcable around the basin as damage may result. Do not attach lifting mechanism around discharge hub or electrical hub.
Step 3:
Lower the basin into excavation, position and level properly. Mount basin to base anchor bolts if an antiflotation tie-down kit is used. Seal off any cuts or scratches to prevent deterioration.
Influent and Discharge Connections
Step 1: An inlet grommet is the standard supplied influent connectiondevice. If another type of inlet hub is used, refer to the directions included with the hub. Determine point at which influent line will enter basin and, using a properly maintained piloted hole saw sized per chart below, drill a hole through the basin wall. Clean cut hole and apply a sealant coating to the cut section to prevent deterioration. Insert the inlet grommet into the drilled hole.
| PIPE SIZE | HOLE SAW DIAMETER* |
| 3″ | 4″ |
| 4″ | 5″ |
| 6″ | 7″ |
* Contact the factory for availability of proper size hole saw if necessary.
Failure to use a properly piloted hole saw may result in damage to basin which may result in structural failure or serious leaks.
Step 2:
Lubricate inside lip of inlet grommet with pipe soap. Clean outer end of influent pipe and push pipe through grommet. Ensure pipe does not protrude inside basin so as to interfere with pump removal or float operation.
Step 3:
Close shut-off valve and make discharge line connection. It is strongly recommended that an additional shutoff valve and redundant check valve be located outside the basin at any force main entrances – check local codes for specific requirements.
Backfill Instructions
The Authority Having Jurisdiction has the right to require alternative materials or procedures for backfilling the installation.
Failure to properly backfill
may result in damage to the
basin which could cause
Failure to follow these backfill instructions during the installation of the basin voids the basin warranty.
In freezing conditions the backfill must be dry and free of ice. Do not use other backfill materials. Failure to use the recommended bed and backfill materials during installation of the basin voids the basin warranty.
Risk of electrical shock or electrocution. May result in serious injury or death or fire hazard. Failure to properly support electrical conduit, lines and connections may result in
structural failure. Electrical connections may be damaged, exposing live electrical connections.
Step 1:
Obtain proper backfill material.
The backfill material provides as much as 90% of the basin’s support under certain stress conditions. The installer must be positive that correct bed and backfill materials are used per instructions as follows:
a. Gravel – clean and free flowing with particle size not less than 1/8″ nor more than 3/4″ in diameter. Use this description when ordering or specifying as material varies upon geographical location.
This material is commonly known as “pea gravel”.
b. Stone or gravel crushings with angular particle size of not less than 1/8″ nor more than 1/2″ diameter, washed and free flowing, is acceptable as an alternative material.
Step 2:
At least a 4–6 inch wide band of compacted aggregate must be placed in successive layers (6″ lifts) around the entire periphery of the basin. Carefully compact aggregate under all piping and electrical lines. Cover grade should slope down 3″ to the normal surrounding grade. Care must be taken to prevent damage to any influent, discharge, or
electrical connections made to the basin.
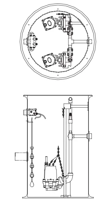
Internal Basin Installation Instructions
Systems Description:
Factory built basin systems are available in 24″ and 30″ diameter basins with 60″ through 156″ depths in one foot increments. In a TL-Pro system, the pump is raised and lowered in the basin using rope or chain attached to the pump. This system includes 4 an integrated ball check valveassembly that slides up and down the dual rails, allowing the pump to be removed without disconnecting the piping.
Application:
These pump systems are designed for pumping effluent or sewage water with a pH ranging from 5 to 9, specific gravities from 0.9 to 1.1, viscosities ranging from 28 to 35 S.S.U. and temperatures up to 140°F.
Inspection:
Check to be sure that all items for your particular system are included, and that the phase and voltage on the pump nameplate are correct as ordered. Codes: All local codes must be observed.
Consult the local inspector(s) before installation to avoid costly delays or rework.
Grinder Pump Attachments:
Step 1:
Attach the ball check valve and rail guide assembly to the grinder pump discharge with bolts and washers provided.
Risk of electrical shock or electrocution. May result in serious injury or death or fire hazard. To reduce risk of electrical shock, do not connect conduit to pump .
Step 2:
Attach rope or chain as provided to the guide plate lifting eye. A hook is located on the top rail support to hold the upper end of the chain or rope when not in use.
Step 3:
Position pump so the guide rails are located in the slots of the guide plate. Slowly lower the pump down the guide rails to the base. The locating pins (horizontal pin on seal plate) should come to seat in the inclined surface on the arms.
Internal Basin Connections
Step 1:
If the system is supplied with a float bracket, attach float switches to the float bracket by clamping strain relief bushings around the float cords, then inserting and twisting the bushings into the float bracket slots.
Step 2:
After grinder pump attachments have been made, lower the pump unit down the rails and ensure ball check valve aligns and connects properly with base elbow in basin bottom. Junction Box Systems:
Step 1:
Ensure power source is off or disconnected.
Step 2:
Push pump power, seal failure/heat sensor, and float cords through cord grips in the junction box and tighten. To prevent corrosion or electrical short, plug any unused holes.
Step 3:
Remove junction box cover and make all connections inside junction box to all incoming control panel wires.
Step 4:
It is required that the customer furnish and install a conduit seal outside the basin to prevent surface water from entering the junction box.
Electrical Connections:
NOTE: Failure to use a Pentair approved control panel voids the pump warranty and guarantee.
TYPICAL INSTALLATION

IMPORTANT: Properly connect the panel ground wire to a grounding rod. Improper grounding voids warranty. Panel Wiring:
Step 1:
Ensure power source is off or disconnected.
Step 2:
Connect pump power, seal failure heat sensor, and float cords to panel terminals per the schematic provided. All conduits and cables entering the panel must be sealed off.
For single phase pumps: Check panel wiring to ensure white, black, and red pump leads are connected according to the schematic and panel wire labels. Single phase pumps will run only if connected one way.
For three phase pumps:
Interchange any two line leads to the motor inside the panel if the pump rotates in the wrong direction.
Do not leave pump in basin unless it is placed in operation. If a pump has been out of service for an extended period of time, with the power off, rotate the impeller by turning the radial cutter with a screwdriver to be sure it rotates freely.
FINAL BACKFILL FOR BASIN SYSTEMS

Preoperational Grinder Pump Checks:
Step 1:
Ensure power source is off or disconnected.
Step 2:
Remove pump from basin.
Step 3:
With power off, turn radial cutter with a screwdriver to be sure it rotates freely.
Step 4:
Stand clear from pump and with power on, check for proper rotation of pump by turning the H-O-A switch to Hand momentarily and then Off.
The impeller should turn counterclockwise when viewed from the suction end. HPG200
| ELECTRICAL CONNECTIONS | ||
| 1 Phase | 3 Phase | |
| Green Red White Black Orange Blue White w/black stripe | Ground Start Power Line Main Power Line Common Power Line Seal Failure Heat Sensor Heat Sensor | Ground Power Line Power Line Power Line Seal Failure Heat Sensor Heat Sensor |

Pump Operations
Step 1:
Run clear water into the basin until motor housing is covered.
Step 2:
Open the shut-off valve to the discharge line.
Step 3:
Turn H-O-A switch to the Off position and turn on main breaker.
Step 4:
Start the pump by turning the H-O-A switch to the Hand position.
Step 5:
Check the pump amperage with clamp on ammeter on black pump lead. Readings higher than nameplate indicate clogged pump, miswiring, or improper voltage. If basin is not being pumped down and amperage readings are considerably lower than nameplate, then the pump is air locked.
NOTE: Nameplate amperage is rated at the largest impeller diameter trim. Pumps with cut diameter impellers will draw slightly fewer amps than nameplate. If pump is air locked, refer to the troubleshooting section in this manual.
Step 6:
Float adjustment for simplex systems: Adjust floats so that the water level is above the pump motor housing, and the pump shuts off when the water level is 2 inches above the pump volute discharge.
Float adjustment for duplex systems: Adjust floats so that a pump will start when the water level is just above the pump motor housing, and pump on override water level is 5 inches above the pump motor housing. Adjust pump shut-off so that water level is within 2 inches above pump volute discharge. Pumps should alternate starting, between each other, upon successive pumpdown cycles.
To check override level, set both H-O-A switches to Off position and allow water to surpass the override level, then set both H-O-A switches to Auto position and both pumps should start. Turn off one pump and be sure second pump starts when override level is reached on second trial. If pumps fail to cycle in this manner, retrace control float wiring panel.
Step 7:
Ensure H-O-A switch is set to Auto before placing system into service.
Pump Troubleshooting
Following is a list of common problems and possible solutions.
Refer to the pump and panelinstallation and service manuals for details regarding any necessary adjusting, dismantling or repair work.
Pump runs but does not pump down the basin with the H-O-A switch on either Hand or Automatic position.
- Cutters may be clogged.Amperage higher thannameplate may indicate this problem.
- Pump rotation may be reversed (on three-phase pumps only).
Switching any two powerleads on three phase pumps will correct the rotation. - Discharge gate valve may be closed.
- Pump may be air locked.Fill basin approximately 10 inches or more above the ball check valve assembly.Raise pump assembly so that the ball check valve disengages the dischargeelbow (approximately 6inches). Stand clear from the sump opening to avoid spray and turn pump on for a brief second to clear trapped air in the volute.
- Clogging anywhere fromcutters to check valve. This is evident if no water discharged out of the check valve after raising the pump to disconnect the sealing flange. Pull pump assembly and check for cause of clogging.
- Discharge head may be too high. Check elevation against design point of pump.
- Clogging beyond the sealing flange. This is evident if water is discharged through the check valve when raising the pump to disconnect the sealing flange. Inspect system
basin piping or discharge piping from basin to locate clogging.
Basin level is pumped down with H-O-A switch on Hand position, but is not pumped down with H-O-A switch on Automatic position.
- Floats are not hanging free in the basin or are covered with grease. Pump the level down with the H-O-A switch on Hand, so that the floats can be observed. Relocate and clean float(s) as necessary.
- If this is a new installation and original start-up, the floats may be miswired into the control panel. If the On and Off floats are reversed, the pump will short cycle on
and off and will not pump the level down. - Floats or alternator are malfunctioning. Pull the floats out of the basin and hang the Off and On floats from your hand. Turn the H-O-A switch to Auto. Tilt the Off float so that the large end is above the cord end – nothing should happen. While keeping the Off float tilted, tilt the On float in the same manner – the pump should come on. Suspend the On float again from your hand – the pump should continue to run. Finally, suspend the Off float – the pump should stop running. If this procedure does not cause the pump to operate as described, either replace the float(s) or replace the alternator relay if the system is duplex. Seal Failure Light Comes On.This indication means the lower seal has failed and has allowed water to enter the lower seal chamber to make contact with the electrode. Pump must be scheduled for maintenance.
NOTE: Use twisted shielded cable for seal failure cable runs in excess of 100 feet. Pump Run Light Stays On.
- H-O-A switch may be in Hand position.
- Lower float may have failed causing the pump to continue operating below the Off level.
- Pump may be air locked.
- Cutters may be clogged.
Circuit Breaker Trips When Pump Tries To Start.
- Short circuit in pump motor.
- Water may have entered the motor housing through either worn out mechanical seals or O-rings.
- Contactor failure for three phase pumps. Check pump contactor for burnt contacts.
- Start component(s) failure for single phase pumps. Check start capacitor and start relay for failure.
- Single phase pump may be miswired to panel. The white, black, and red pump power leads must be connected correctly to panel.
Overload trips, is manuallyreset, and then trips off again.
- Cutters may be clogged. It is possible that the pumpstalled during operation, and starting and stopping cleared the cutters. If resetting theoverloads solves this problem,
return the H-O-A switch to Auto and observe operation. - Pump motor may have failed.
- Start component(s) failure for single phase pumps. Checkstart capacitor and start relay for failure.
- Single phase pump may be miswired to panel. The white, black, and red pump power leads must be connected correctly to panel.
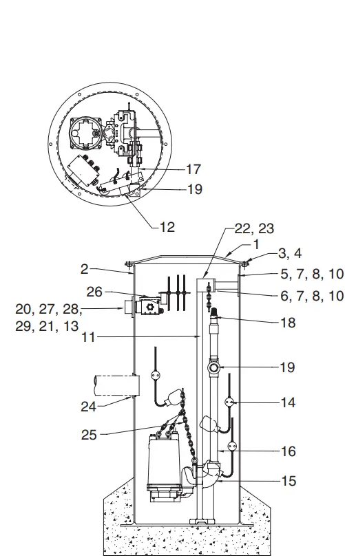
Fiberglass Simplex Parts List
ORDERING REPLACEMENT PARTS: Product improvements are made from time to time. The latest part design will be furnished as long as it is in ter change able with the old part.When orderingre place ment parts, always furnish the fol low ing information:
- pump serial number,
- pump model and size,
- part description,
- part number,
- impel ler diameter (if ordering impeller).
| Ref. No. | Part No. | Part Description Corer – Sump 24* Plastic | Oty. |
| 1 | 21936D200 | Basin – 24′ x 60′ w/studs | 1 |
| 2 | 23903D401 | Basin – 24′ x 72″ w/studs | 1 |
| 23903D400 | Basin – 24′ x 84″ w/studs | 1 | |
| 23903D403 | Basin – 24′ x 96″ w/studs | 1 | |
| 3 | 23903D404 | Screw • (op | 6 |
| 4 | 2380031 | Washer • Flat | 6 |
| S | 1560321 | Support • Rae, 24″ Dia. | I |
| 6 | 24439C104 | Support • Tap Rai | I |
| 7 | 24439C105 | Screw • (op | 8 |
| 8 | 19101A017 | Washer • Flat | 10 |
| 9 | 05030A146 | Washes – Lock | 8 |
| 10 | 05454A015 | Nut | 8 |
| II | 19109A018 | Roils – 60′ basil | 2 |
| 05151A382 | Roils – 72′ basil | 2 | |
| 05151A383 | Roils – 84′ basil | 2 | |
| 05151A384 | Roils – 96′ basin | 2 | |
| 12 | 05151A381 | Bracket – Control Float | 1 |
| 13 | 22470B005 | Nat | 4 |
| 14 | 19109A088 | Control, level 1 Y NO switch | 3 |
| 15 | 21813A300 | (heck Valve Assembly | |
| Elbow • Base | 1 | ||
| 27156D000 | Seal – Discharge Flange | 1 | |
| 27170A001 | Ring – 0 | 1 | |
| 05876A258 | Elbow • Cost lion | 1 | |
| 27157C000 | Elbow • Cost Bross (Hazardous Location) | 1 | |
| 27157C010 | Bracket – Guide, SST | 1 | |
| 27171B000 | Bracket – Guide, Brass (Hazardous location) | 1 | |
| 27171B001 | Screw • (op | 2 | |
| Bolt – Eye | 1 | ||
| 19100A004 | Screw • Socket head | 2 | |
| 21929A011 | Insert – Elbow | 1 | |
| 06106A059 | Ball • Neoprene | 1 | |
| 16 | 27277A000 | Vertical Discharge hoe | |
| 50780001 | Bushing – 2 x 1-1/4 | 1 | |
| fine – 1-1/4 x 21.3/8 TOE | 1 | ||
| 17 | 05004A111 | Horizontal Discharge Pipe | |
| 23908A129 | Tee – 1-1/4 | 1 | |
| Valve – Ball | 1 | ||
| 05126A058 | Npe – 1-1/4 x 3.1/2 Unthrd | 1 | |
| 23909A009 | fine – 1-1/4 x 3.3/4 TOE | 1 | |
| 13126A206 | Bushing – 1-1/2 x 1-1/4 | 1 | |
| 18 | Riser Pipe w/Anti-Siphon | ||
| 131264034 | Pipe – 1-1/4 x 17 Unita | 1 | |
| 53464046 | Coupling • pipe 1.1/4 | 1 | |
| 50044115 | Bushing-1.1/4×3/4 | 1 | |
| 50084059 | Hank, Close I-1/4 | 1 | |
| 148790001 | Valve – Anti-Sighon | 1 | |
| 19 | 242276021 | Flange – Discharge | 1 |
| 20 | ######### | Sealant, Gasket | 4 ft |
| 21 | 54544013 | Washer – Lock | 4 |
| 22 | 224198210 | Handle – Valve Extension, 24″ Disch. Depth | 1 |
| 224198212 | Handle – Valve Extension, 36″ Disch. Depth | 1 | |
| 224198214 | Handle – Valve Extension, 4e- Diuh. Depth | 1 | |
| 224198216 | Handle – Valve Extension, EC Disch. Depth | 1 | |
| 23 | 258174000 | Bracket – Handle | 1 |
| 24 | 243354001 | Grommet – Inlet, C | 1 |
| 25 | 238284003 | Chain – Liftiig ossy | 1 |
| 26 | 128700021 | Box – Junction (HPG w/Roats) | 1 |
| 128700001 | Box – Junction (HMI) w/floon) | 1 | |
| 27 | 140841001 | Flange – Conduit | 1 |
| 28 | 190994014 | Screw-Cap | 4 |
| 29 | 50304171 | Washer – Flat | 8 |

ORDERING REPLACEMENT PARTS: Product improvements are made from time to time. The latest part design will be furnished as long as it is in ter change able with the old part.When ordering re place ment parts, always furnish the fol low ing information:
- pump serial number,
- pump model and size,
- part description,
- part number,
- impel ler diameter (if ordering impeller).
| Ref. No. | Part No. | Part Description (ova – Sump 24″ Plastic | Oly. |
| 1 | 21936D200 | Basin -24′ x 60″w/studs | 1 |
| 2 | 23903D401 | Basin -24′ x 7r wAtuds | 1 |
| 23903D400 | Basin -24′ x 84’w/studs | 1 | |
| 23903D403 | Basin -24′ x 96’w/studs | 1 | |
| 3 | 23903D404 | Screw – Cap | 6 |
| 4 | 2380031 | Washer – Flat | 6 |
| 5 | 1560321 | Support • Pie, 36′ Dia. | 2 |
| 6 | 24439C108 | Support – Top Rai | 2 |
| 7 | 24439C105 | SUM – (op | 12 |
| B | 19101A017 | Weak; – Flat | 16 |
| 9 | 05030A146 | Washer-Lack | 12 |
| 10 | 05454A015 | Nut | 12 |
| II | 19109A018 | Reds – 60′ basin | 4 |
| 05151A382 | Reds – IT basin | 4 | |
| 05151A383 | Rock – 84″ basin | 4 | |
| 05151A384 | Ras – 96″ basin | 4 | |
| 12 | 05151A381 | Bracket-Control Float | 1 |
| 13 | 22470B005 | Bushing, Cord grip | 4 |
| 14 | 14755A002 | Control, Level 15′ NO switch | 4 |
| IS | 21813A300 | Check Valve Assembly | |
| Elbow Base | 2 | ||
| 27156D000 | Seal – Discharge Flange | 2 | |
| 27170A001 | Ring 0 | 2 | |
| 05876A258 | Elbow Cast Iron | 2 | |
| 27157C000 | Elbow • Cast Bross (Hazardous Location) | 2 | |
| 27157C010 | Bracket – Guide, SST | 2 | |
| 27171B000 | Bracket – Guide, Brass (Hazardous Location) | 2 | |
| 27171B001 | Screw • Cop | 4 | |
| Boh – Eye | 2 | ||
| 19100A004 | Screw – Socket head | 4 | |
| 21929A011 | hell – MO | 2 | |
| 06106A059 | Bal – Neoprene | 2 | |
| 16 | 27277A000 | Vence’ Discharge Pipe | |
| 50780001 | Bushing – 2 x 1.1/4 | 2 | |
| Pipe – I.1/4 x 21.3/8 TOE | 2 | ||
| 17 | 05004A111 | Horizontal Discharge Pipe | |
| 23908A129 | Tee – 1-1/4 | 3 | |
| Valve – Ball | 2 | ||
| 05126A058 | Pipe – I.1/4 x 2.1/4 Unthid | 4 | |
| 23909A009 | Pipe – I.1/4 x 9.1/2 TOE | 1 | |
| 13126A206 | Bushing -1.1/2 x 1.1/4 | 1 | |
| 18 | Riser ripe w/Anti•Siphon | ||
| 13126A034 | ree -1.1/4 x 17 Untkd | 2 | |
| 05346A046 | (ailing- pipe 1-1/4 | 2 | |
| 05004A115 | Bushing – I-I/4 x 3/4 | 2 | |
| 05008A059 | Nipple, (lose 1-1/4 | 2 | |
| 148790001 | Valve – Anii-S0hon | 2 | |
| 19 | 24227B021 | Flange-Discharge | 1 |
| 20 | 29019220450 | Sealant, Gasket | 4 ft |
| 21 | 19101A021 | (op • Screw | 4 |
| 22 | 22419B210 | Handle – Valve Extension, 24″ Disch. Depth | 2 |
| Handle • Valve Extension, 36″ Dinh. Depth | 2 | ||
| 22419B212 | Handle • Valve Extension, ar (huh. Depth | 2 | |
| Noodle • Valve Extension, 60″ Nub. Depth | 2 | ||
| 13 | 22419B214 | Bracket • Handle | 2 |
| 14 | Grommet – Inlet, 4′ | 1 | |
| 25 | 22419B216 | Chain • Lifting assy | 2 |
| 16 | Box – Junction DIPG willows) | 1 | |
| 25817A000 | Box – Junction (HPGR Oath) | 1 | |
| 27 | 24335A001 | Flange – Conduit | 1 |
| 28 | 23828A003 | Screw – (op | 4 |
| 29 | 05030A171 | Washer-Hot | 8 |
| 30 | 05454A013 | Washer-Lock | 4 |
| 31 | 19109A088 | Nut | 4 |

STANDARD LIMITED WARRANTY
Pentair Hydromatic ® warrants its products against defects in material and workmanship for a period of 12 months from the date of shipment from Pentair Hydromatic or 18 months from the manufacturing date, whichever occurs first – provided that such products are used in compliance with the requirements of the Pentair Hydromatic
catalog and technical manuals for use in pumping raw sewage, municipal wastewater or similar, abrasive-free, noncorrosive liquids.
during the warranty period and subject to the conditions set forth, Pentair Hydromatic, at its discretion, will repair or replace to the original user, the parts that prove efective in materials and workmanship. Pentair Hydromatic reserves the right to change or improve its products or any portions thereof without being obligated to provide such a change or improvement for prior sold and/or shipped units.
Start-up reports and electrical schematics may be required to support warranty claims. Submit at the time of start up through the Pentair Hydromatic website: http://forms.pentairliterature.com/startupform/startupform.asp?type=h.
Warranty is effective only if Pentair Hydromatic authorized control panels are used. All seal fail and heat sensing devices must be hooked up, functional and monitored or this warranty will be void. Pentair Hydromatic will cover only the lower seal and labor thereof for all dual seal pumps. under no circumstance will Pentair Hydromatic be responsible for the cost of field labor, travel expenses, rented equipment, removal/reinstallation costs or freight expenses to and from the factory or an authorized Pentair Hydromatic service facility.
This limited warranty will not apply:
(a) to defects or malfunctions resulting from failure to properly install, operate or maintain the unit in accordance with the printed instructions provided;
(b) to failures resulting from abuse, accident or negligence;
(c) to normal maintenance services and parts used in connection with such service;
(d) to units that are not installed in accordance with applicable local codes, ordinances and good trade practices;
(e) if the unit is moved from its original installation location;
(f) if unit is used for purposes other than for what it is designed and manufactured;
(g) to any unit that has been repaired or altered by anyone other than Pentair Hydromatic or an authorized Pentair Hydromatic service provider;
(h) to any unit that has been repaired using non factory specified/ oEM parts.
Warranty Exclusions: PENTAIR HYDROMATIC MAKES NO EXPRESS OR IMPLIED WARRANTIES THAT EXTEND BEYOND THE DESCRIPTION ON THE FACE HEREOF. PENTAIR HYDROMATIC SPECIFICALLY DISCLAIMS THE IMPLIED WARRANTIES OF MERCHANTABILITY AND FITNESS FOR ANY PARTICULAR PURPOSE.
Liability Limitation: IN NO EVENT SHALL PENTAIR HYDROMATIC BE LIABLE OR RESPONSIBLE FOR CONSEQUENTIAL, INCIDENTAL OR SPECIAL DAMAGES RESULTING FROM OR RELATED IN ANY MANNER TO ANY PENTAIR HYDROMATIC PRODUCT OR PARTS THEREOF. PERSONAL INJURY AND/OR PROPERTY DAMAGE MAY RESULT FROM IMPROPER INSTALLATION. PENTAIR HYDROMATIC DISCLAIMS ALL LIABILITY, INCLUDING LIABILITY UNDER THIS WARRANTY, FOR IMPROPER INSTALLATION. PENTAIR HYDROMATIC RECOMMENDS INSTALLATION BY PROFESSIONALS.
Some states do not permit some or all of the above warranty limitations or the exclusion or limitation of incidental or consequential damages and therefore such limitations may not apply to you. No warranties or representations at any time made by any representatives of Pentair Hydromatic shall vary or expand the provision hereof.
740 EAST 9TH STREET
ASHLAND OHIO
USA 44805 419-289-1144
WWW.HYDROMATIC.COM
Warranty Rev. 12/13
490 PINEBUSH ROAD. UNIT #4
CAMBRIDGE. ONTARIO. CANADA NIT 0A5 800-363-PUMP



















