PARTS LIST
Phantom Automatic Scrubber
Model: PFS20

WARNING: OPERATOR MUST READ AND UNDERSTAND THIS MANUAL COMPLETELY BEFORE OPERATING THIS EQUIPMENT.
Save These Instructions
PFS20 FRAME

PFS20 FRAME
| No. | Part No. | Qty | Description |
| 1 | PAS2031 | 1 | Spring |
| 2 | PFS0001 | 1 | Tie Rod |
| 3 | PFS0002 | 1 | Support |
| 4 | PFS0003 | 1 | Steel Frame |
| 5 | PFS0004 | 1 | Spring |
| 6 | PAS63 | 1 | Tie Rod |
| 7 | PAS33 | 1 | Knob |
| 8 | PFS0005 | 2 | Swivel Caster |
| 9 | PFS0006 | 1 | Traction Motor |
| 10 | PAS101 | 2 | Square Key |
| 11 | PFS0007 | 1 | Complete Transaxle |
| 12 | PAS491 | 2 | Seeger Ring |
| 13 | PAS356 | 2 | Washer |
| 14 | PFS0008 | 2 | Support |
| 15 | PAS298 | 2 | Wheel |
| 16 | PAS358 | 2 | Ring nut |
| 17 | PFS0009 | 1 | Plastic Battery Tray |
| 18 | PFS0010 | 2 | Rubber |
| 19 | PFS0011 | 1 | Support |
| 20 | PFS0012 | 1 | Pin |
| 21 | PFS0013 | 1 | Shaft |
| 22 | PFS0014 | 1 | Support |
| 23 | PAS34 | 1 | Regulator |
| 24 | PAS33 | 1 | Knob |
| 25 | PAS19 | 1 | Pin |
| 26 | PAS266 | 1 | Split Pin |
| 27 | 505. | 1 | Lever |
PFS20 BRUSH HEAD

| No. | Part No. | OW | Description |
| 40 | PASO | 1 | Motor and Gearbox |
| 41 | PAS2049 | 1 | Plate |
| 42 | PFS0016 | 1 | Washer |
| 43 | PFS0017 | 1 | Square Key |
| 44 | PFS0018 | 1 | Joint |
| 45 | PFSCPR | 1 | Clutch Plate (Right) |
| 46 | PAS2039 | 1 | Pipe Support |
| 47 | PAS2051 | 1 | Plate |
| 48 | PAS1 | 1 | Bumper Wheel |
| 49 | PAS2038 | 1 | Hose Fitting |
| 50 | PAS128 | 1 | Splash Guard |
| 51 | PFS0019 | 1 | Retainer Strip |
| 52 | PFS20PD | 1 | Pad Holder |
| 53 | PAS14 | 1 | Pedal Cover |
| 54 | PFS0020 | 1 | Lever |
| 55 | PFS0021 | 1 | Lever |
| 56 | PAS2034 | 1 | Support |
| 57 | PAS2050 | 1 | Support |
| 58 | PAS2035 | 1 | Solenoid Valve |
| 59 | PFS0022 | 1 | Hose |
| 60 | PFS0023 | 1 | Hose |
| 61 | PFS0024 | 1 | Support |
| 62 | PAS296 | 1 | Hose Fitting |
| 63 | PFS0025 | 1 | Fitter |
| 64 | PFS0026 | 1 | Nipple |
| 65 | PAS2043 | 1 | Solution Control Knob |
| 66 | PFS0027 | 1 | Ball Valve |
| 67 | PAS296 | 1 | Hose Fitting |
| 68 | PFS0028 | 1 | Washer |
| 69 | PFS0029 | 1 | Hose |
| 70 | PFS0030 | 1 | Hose Clamp |
| 71 | PAS296 | 1 | Hose Fitting |
PFS20 TANKS and VACUUM MOTOR

| No. | Part No. | Qty | Description |
| 150 | PFS0046 | 1 | Vacuum Filter |
| 151 | PFS0047 | 1 | Spring Clip |
| 152 | PFS0048 | 1 | Support |
| 153 | PAS2072 | 1 | Hose Clamp |
| 154 | PFS0049 | 1 | Recovery Tank Lid |
| 155 | PFS0050 | 1 | Stand Pipe |
| 156 | PFS0051 | 1 | Complete Drain Hose 156 & 169 |
| 157 | PFS0052 | 1 | Recovery Tank |
| 158 | PFS0032 | 1 | Cable |
| 159 | PFS0053 | 1 | Hinge |
| 160 | PAS330 | 1 | Vacuum Hose Coupler |
| 161 | PFS0054 | 1 | Hose |
| 162 | PFS0055 | 1 | Recovery Tank Strap |
| 163 | PAS2073 | 1 | Elbow |
| 164 | PFS0056 | 1 | Gasket |
| 165 | PFS0057 | 1 | Seal |
| 166 | PFS0058 | 1 | Seal |
| 167 | PFS0059 | 1 | Plug |
| 168 | PFS0060 | 1 | Hose |
| 169 | PFS0051 | 1 | Complete Drain Hose 156 & 169 |
| 170 | PFS0061 | 1 | Solution Tank |
| 171 | PFS0062 | 2 | Rubber |
| 172 | PFS0063 | 2 | Lever |
| 173 | PFS0064 | 1 | Solution Tank Cap |
| 174 | PFS0065 | 1 | Filter |
| 175 | PAS79 | 1 | Screen |
| 176 | PAS102 | 1 | Motor Gasket |
| 177 | PFS0031 | 1 | Vacuum Motor |
| 178 | PFS0015 | 1 | Connection |
| 179 | PFS0066 | 3 | Spacer |
| 180 | PAS2046 | 3 | Tie Rod |
| 181 | PFS0067 | 2 | Tie Rod |
| 182 | PFS0068 | 1 | Sponge |
| 183 | PFS0069 | 1 | Vacuum Motor Housing |
PFS20 SQUEEGEE and BODYWORK

| No. | Part No. | Qty | Description |
| 200 | PFS0070 | 1 | Gromet |
| 201 | PFS0071 | 1 | Lever |
| 202 | PFS0072 | 1 | support |
| 203 | PFS0073 | 1 | Support |
| 204 | PAS2063 | 1 | Foot Pedal Catch |
| 205 | PFS0074 | 1 | Lever |
| 206 | PFS0075 | 1 | Handle |
| 207 | PFS0076 | 1 | Hose |
| 208 | PFS0077 | 2 | Hose Fitting |
| 209 | PFS0032 | 1 | Cable |
| 210 | PFS0078 | 1 | Squeegee Hose |
| 211 | PAS2075 | 1 | Hose Clamp |
| 212 | PAS2078 | 1 | Hose Guide |
| 213 | PAS2077 | 2 | Pin |
| 214 | PAS2066 | 1 | Front Retainer Strip |
| 215 | PAS1 | 1 | Bumper Wheel |
| 216 | PFS0079 | 1 | Squeegee Body |
| 217 | PFSOO80 | 1 | Rear Squeegee Rubber |
| 217 | PAS2004 | 1 | Rear Squeegee Rubber |
| 218 | PAS2079 | 1 | Rear Retainer Strip |
| 219 | PFS0081 | 2 | Screw M6 x 50 |
| 220 | PFS0082 | 1 | Spring |
| 221 | PFS0083 | 1 | Panel |
| 222 | PFS0084 | 1 | Support |
| 223 | PAS2069 | 1 | Hose Clip |
| 225 | PFS0100 | 1 | Support |
| 226 | PFS0085 | 1 | Front Squeegee Rubber |
| 226 | PAS2003 | 1 | Front Squeegee Rubber |
| 227 | PAS41 | 1 | Chain and Split Pins |
| 229 | 701. | 1 | Knob |
| 230 | PFSOO86 | 1 | Support |
| 231 | 701. | 1 | Caster Wheel |
| 232 | PFS0087 | 2 | Screw M6 x 70 |
| 233 | PFS0088 | 2 | Screw M6 x 65 |
| 234 | PFS0089 | 2 | Screw M6 x 60 |
| 235 | PFS0097 | 1 | Gasket |
| 236 | PFS0098 | 1 | Panel Decal PFS20 |
| 236 | PFS0099 | 1 | Panel Decal PFS24 |
| 237 | PFS0096 | 1 | Battery Charger |
| 238 | PAS59R | 2 | Connector (SB50 Red) |
| PAS610 | 1 | Complete Squeegee Assembly |
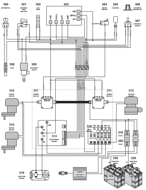
PFS20 ELECTRICAL
| No. | Part No. | Qty | Description |
| 300 | PAS53NS | 1 | Key Switch |
| 301 | PAS295 | 1 | Reverse Button |
| 302 | PFS0090 | 1 | LED Strip |
| 303 | PFS0091 | 1 | Electronic Card |
| 304 | PAS56 | 1 | Drive Micro Switch |
| 305 | PFS0092 | 1 | Float |
| 306 | PFS0093 | 1 | Knob |
| 307 | PAS55 | 1 | Potentiometer |
| 308 | PFS0015 | 2 | Connector |
| 309 | PAS2035 | 1 | Solenoid Valve |
| 310 | PAS4 | 1 | Brush Motor 20″ MACHINE |
| 310 | PFS0033 | 2 | Brush Motor 24″ MACHINE |
| 311 | PAS57 | 2 | Power Switch |
| 312 | PFS0031 | 1 | Vacuum Motor |
| 313 | PAS294A | 1 | Electronic Control Board |
| 314 | PFS0094 | 4 | Fuse Holder |
| 315 | PFS0095 | 1 | Fuse 10A |
| 316 | PAS117 | 2 | Fuse 16A |
| 317 | PAS118 | 2 | Fuse 20A |
| 318 | PAS59R | 1 | Connector |
| 319 | PFS0007 | 1 | Complete Transaxle |
| 320 | PAS140 | 1 | Connector w/ Battery Cables |
| 322 | B27TMX | 2 | Wet Lead-Acid Battery 12V 105 Ah |
| 322 | TBD | 2 | GEL Battery 12V 140Ah |
| 323 | PAS141 | 1 | Jumper Cable |
| 324 | 520. | 1 | Complete Wiring |
| 325 | PFS0096 | 1 | Battery Charger |
For warranty information go to www.Powr-Flite.com
A Tacony Company
3101 Wichita Court • Fort Worth, TX 76140-1755
1-800-880-2913 • Fax: 1-817-551-0719
PFS20-PARTMAN 03/2021




















