
Modular Signal Lamp Demonstration
User Manual
VTSR-B-S Modular Signal Lamp Demonstration
Thank you for choosing Modular Single Lamp. Please read this manual before installaton, operation and maintenance.
OVERVIEW
The Modular Single Lamp is applicable circuit with rated voltage 230V and freuency 50/60 Hz for visual indication and signaling.
The most striking detail of the products in terms of installation and features that are having low service duration, easy installation and minimum power consumption, being compact design in the modular size.
STANDARD AND QUALITY CERTIFICATES
IEC-60947-5-1 ![]()
TECHNICAL DATA
| Rated voltage | 230V AC |
| Rated freuency | 50 / 60 Hz |
| Colour | For Single Colour: Red, green, yellow For Multi Colour: Red / Green / Yellow, Red / Green / Blue |
| Connection terminal | Pillar terminal wit clamp |
| Connection capacity | Rigid conductor 1.5mm2 |
| Insulation | On symmetrical DIN rail 35mm Panel mounting |
| Max power | 0.6W |
| Illumination | LED |
| Service duration | 30,000 hours |
| DIN rail signal lamp | VTSR – B/S | Blue |
| DIN rail signal lamp | VTSR – G/S | Green |
| DIN rail signal lamp | VTSR – R/S | Red |
| DIN rail signal lamp | VTSR – Y/S | Yellow |
| DIN rail signal lamp | VTSR – W/S | White |
| DIN rail signal lamp | VTSR – 3/S | Red+Yellow+Green |
CIRCUIT DIAGRAM
| Single Colour Modular Signal Lamp | Multi Colour Modular Signal Lamp |
![]() | ![]() |
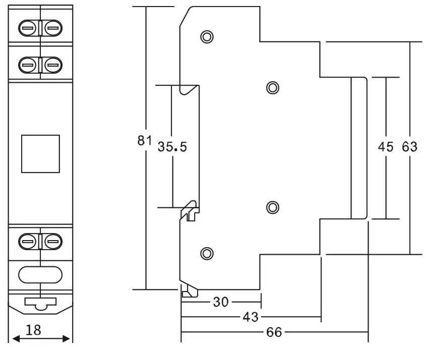
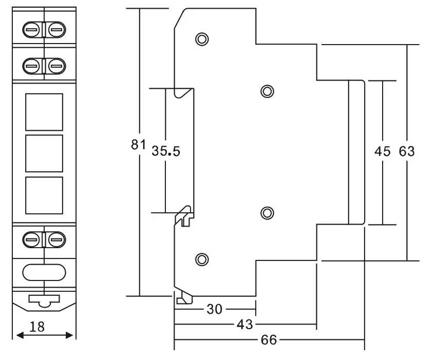
DIMENSIONS
| Single Colour Modular Signal Lamp | Multi Colour Modular Signal Lamp |
![]() | ![]() |
WARRENTY CONDITIONS
- Warranty period starts as of the delivery date of the product and it is 2 years.
- Warranty covers the malfunctions likely to occur due to the manufacturing defects of the product and within the warranty period.
- The product including all of its parts is under waranty as a whole. If the product turns out to be defective, the consumer can use one of the following rights stipulated in Article 11 of Consumer Protection Law no. 6502;
a – Withdraw al from the contract
b – Demanding discount from sales fee
c- Demanding free repair, one free from defects.
d- Demanding the replacement of the sold one with a fungible - In case the consumer chooses the right of free repair among those rights; the dealer is obliged t o repair the product or have the product repaired without claiming any fee under the name of replaced part fee, labor cost or for any other reasons. The consumer can also use the right of free repair against the manufacturer or exporter. The dealer, manufacturer and exporter are jointly and severally liable for the usage of this right by the consumer.
- Incase the consumer uses the right of free repair and if the product
– fails within the warranty period again and
– the maximum period required for the repair is exceeded and
– Authorized service station, dealer, manufacturer or exporter state that it’s not possible to repair the product in a report, the consumer can demand the retum of the product fee, fee discount at the ratio of the defect or the replacement with the one free of detects, if possible, from the dealer. The dealer can not reject the damand of the consumer. In case this demand is not met, the dealer, manufacturer and exporter shall jointly and severally be held responsible. - The repair period of the product can not exceed 20 business days. This period starts on the notification of the failure on the product to the authorized service station or the dealer within the warranty period and from the date of delivery of the product to the authorized servicestation out of warranty pericd. In case of not eliminating the product malfunction within 10 business days, manufacturer or importer is obliged to dedicate another product with similar characteristics to the use of the consumer until the completion of the Product repair. In case the product fails within the warranty period, elapsed time is added to the warranty period.
- Usage of the product contrary to the rules stipulated in user’s manual, operating out of determined voltage, current and environmental conditions, damage on the cable connection due to the user’s fault and failure of the product due to the facts arising from the fire, flood, earthquake, lightning and similar disasters are not under warranty.
- The consumer can apply to the arbitration committee for consumers or the consumer court where the consumer operations are made or in the residential area for the disputes to be occurred regarding the usage of the rights arising from the warranty.
- In case the dealer doesn’t provide this certificate of warranty, the consumer can apply to the General Directorate of Consumer Protection and Market Surveillance of Ministry of Customs and Trade”
WARNING
- Ensure that the power is cut off before the assembly of the products
- Connection and assembly of the electrical devices should be carried out only by the technical personnel having certificate of competency.
- No responsibility is assumed for the entire of the malfunction, accident and loss arising from the assembly or interference of the persons not having the competency cerlificate.
- Never use alcohol, cologne, detergent or other similar chemicals for cleaning. Do not perform wet cleaning do not contact the product with water when the product is energized.
- Keep the product away from the damp or wet environment during the transportationand shipping.
PANASONIC AND ENVIROMENT
As Panasonic, we are aware of the contribution of a balancad relation established between human and nature to the sustainable life. Thanks to our continuous innovation and R&D studies, we prefer materials and technologies that are not affecting the environment in a negative way during the production and usage of the products starting from the designing phase. We take necessary measures to use energy and natural sources in a more efficient way.
This symbol indicates separate collection of waste electrical and electronic equipment.
PANASONIC CUSTOMER RELATIONS
Dear Customer,
We believe in providing quality service to your as well as offering quality products.
Panasonic Electric Works Elektrik San.ve Tic. A.S.
Abdurrahmangazi Mah. Ebubekir Cad. No: 44
34887 Sancaktepe / Istanbul / Turkey
T : 0(216) 564.55 55 F : 0(216) 564.55 44
HOTLINE
444 8456
ewtr.panasonic.com























