
M1
MINSTRUCTION MANUAL
#1 BY DESIGN
M1 RC Helicopter
Thank you for buying OMP HOBBY products.The M1 is the latest technology in Rotary RC mldels.Please read this manual carefully before assembling and flying the New M1 helicopter. We recommend that you keep this manual for future reference regarding and maintenance
INTRODUCTION
Thank you for buying OMPHOBBY Products. The M1 Helicopter is designed as an easy to use,full featured Helicopter R/C model capable of all forms of rotary flight. Please read the manual carefully before assembling the model, and follow all precautions and recommendations located within the manual. Be sure to retain the manal for future reference, routine maintenance, and tuning.
The M1 is a new product developed by OMPHOBBY. lt features the best design available on the Micro-Heli market to date, providing flying stability for beginners,full aerobatic capbility for advanced fliers, and unsurpassed reliability for customer support.
WARNING LABEL LEGEND
| Mishandling due to failure to follow these instructions may result in damage or injury. | |
| Mishandling due to failure to follow these instructions may result in danger. | |
| Do not attempt under any circumstances |
IMPORTANT NOTES
R/C helicopters, including The M1 are not toys.R/C helicopter utilize various high-tech products and technologies to provide superior performance.lmproper use of this product can result in serious injury or even death. Please read this manual carefully before using and make sure to e conscious of your own personal safety and the safety of others and your environment when operating allOMPHOBBY products.
Manufacturer and seller assume no liability for the operation or the use of this product . lntended for use only by adults with experience flying remote control helicopters at a legal flying field. After the sale of this product we cannot maintain any control over its operation or usage.
We recommend that you obtain the assistance of an experienced pilot before attempting to fly our products for the first time, A lcoal expert is the best way to properly assmble , setup, and fly your mldel for the first time .M2 Helicopter requires a certain degree of skill to operate, and is a consumer item. Any damage or dissatisfaction as a result or accidents or modifications are not covered by any warrantee and cannot be returned for repair or replacement. Please contact our distributors for free technical consultation and parts at discounted rates when you experience problems during operation or maintenance.
SAFETY NOTES
CAUTION
Fly only in safe areas,away from other people. Do not operate R/C aircraft within the vicinity of homes or crowds of people .R/C aircraft are prone to accidents,failures,and crashes due to a variety of reasons including,lack of maintenance,pilot error, and radio interference. Pilots are responsible for their actions and damage or injury occurring during the poeration or as of a result of R/C aircraft models.=
Precautions before use
FORBIDDEN
LOCATE AN APPROPRIATE LOCATION
R/C helicopters fly at high speed ,thus posing a certain degree of potential danger .Choose a legal flying field consisting of flat,smooth groumd without obstacles.
Do not fly near buildings,high voltage cables ,or trees to ensure the safety of yourself,others and your model.
For the first practice,please choose a legal flying field and can use a training skid to fly for reducing the damage .Do not fly your model in inclement weather,such as rain,wind snow or darkness.

FORBIDDEN
PREVENT MOISTURE
R/C models are composed of many precision electrical components.
It is crtical to keep the model and associated equipment away from moisture and other contaminants.The introduction or exposure to water or moisture in any form can cause the model to malfuntion resulting in loss of use,or a crash .Do not operate or expose to rain or moisture

FORBIDDEN
PREVENT OPETATION

WARNING
OBTAIN THE ASSISTANCE OF AN EXPERIENCED PILOT
Before turning on your model and transmitter,check to make sure no one else is operating on the same frequency.Frequency interference can cause your model,or other odels to crash.
The guidance provided by an experienced pilot will be invaluable for the assembly,tuning,trimming,and actual first flight.
(Recommend you to practice with computer-based flight simulator.)

WARNING
SAFE OPERATION
Operate this unit within your ability.Do not fly under tired condition and improper operation may cause in danger

CAUTION
ALWAYS BE AWARE OF THE ROTATING BLADES
During the operation of the helicopter,the main rotor and tail rotor will be spinning at a high rate of speed .The blades are capable of inflicting serious bodily injury and damage to the environment.Be conscious of your actions,and careful to keep your face,eyes,hands,and loose clothing away from the blades.Always fly the model a safe distance from yourself and others,as well as surrounding objects.Never take your eyes off the model or leave it unattended while it is turned on.Immediately turn off the model and transmitter when you have landed model.

CAUTION
KEEP AWAY FROM HEAT
R/C models are made of various forms of plastisc.Plastic is very susceptible to damage or deformation due to extreme heat and clod climate .Make sure not to store the odel near any source of heat such as an oven,or heater.lt is best to store the model indoors ,in a climate-controlled,room temperature environment.

EQUIPMENT REQUIRED FOR ASSEMBLY
Cutter Knife | Scissors | Needle Nose Pliers | Diagonal Cutting Pliers |
Philips Screw Drive | Hexagon Screw Driver | Oil | CA AB Glue AB |
When you see the marks as below,please use glue or greae to ensure flying safety.
![]() | ||
| Apply BLUE Threadlock | Apply Petroleum-Based, Light Viscosity Lube | Loosely Tighten |
![]() | ||
| Apply NO Threadlock | Apply Synthetic Grease | Fully Tighten |
![]() | ||
| Apply MEDIUM CA | Repeat Multiple Times | BLUE Glue width:approx 1mm |
Specifications

- Lenght:290mm
- Height:88mm
- Main Blade:125mm
- Main Rotor Diameter:290mm
- Tail Rotor Diameter:46.5mm
- Flying Weight:~118g(ENG)
- Flying Weight:~125g(ENG)
Features
- Direct drive main and tail rotor design with dual brushless motor
- All metal 7075 aluminum alloy material flybarless head design
- Airframe all carbon fiber lightweight design
- Streamlined low wind resistance hood design
- 4 in 1 OFS control system
- Attitude stabillization mode and 3D lock mode switch freely
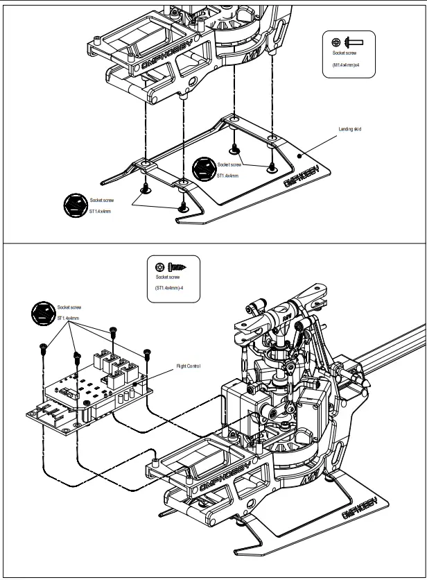
Step 1


Step 2

Step 3

Step 4

Step 5

Step 6

Step 7

Step 8

Step 9

Flight Parameter Setting lntroduction
| General Flight Model | |||
| Throttle | Screw Pitch | ||
| 5 | 48 | 100 | 11° |
| 4 | 48 | 60 | 5.5° |
| 3 | 48 | 20 | 1.8° |
| 2 | 48 | 0 | -0.6° |
| 1 | 0 | -30 | -2.4° |
| IDLE 1 Model IDLE 1 | |||
| Throttle | Screw Pitch | ||
| 5 | 68 | 100 | 11° |
| 4 | 68 | 50 | 5.5° |
| 3 | 68 | 0 | 0° |
| 2 | 68 | -50 | -5.5° |
| 1 | 68 | -100 | -11° |
| IDLE 1 Model IDLE 2 | |||
| Throttle | Screw Pitch | ||
| 5 | 78 | 100 | 11° |
| 4 | 78 | 50 | 5.5° |
| 3 | 78 | 0 | 0° |
| 2 | 78 | -50 | -5.5° |
| 1 | 78 | -100 | -11° |
Spare parts picture-1
| Model:OSHM1001 Package: Hang tag +PE bag Product name: Metal Main Rotor Housing set | Model:OSHM1002 Package: Hang tag +PE bag Product name:Feathering shaft set | Model:OSHM1003 Package: Hang tag +PE bag Product name:Plastics Main Rotor Holder set | Model:OSHM1004 Package: Hang tag +PE bag Product name:Main Rotor Holder Screw group |
![]() | ![]() | ![]() | ![]() |
| Model:OSHM1005 Package: Hang tag +PE bag Product name: GrossShaftSuspension Set | Model:OSHM1006 Package: Hang tag +PE bag Product name: Servo Mount set | Model:OSHM1007 Package: Hang tag +PE bag Product name: Main Motor Mount Set (Charm Orange) | Model: OSHM1008 Package: Hang tag +PE bag Product name: Metal Main Rotor Housing set |
![]() | ![]() | ![]() | ![]() |
| Model:OSHM1009 Package: Hang tag +PE bag Product name: FBL Pros and onslinkage rod | Model:OSHM1010 Package: Hang tag +PE bag Product name: Copper set of main pitch control arm | Model:OSHM1011 Package: Hang tag +PE bag Product name: Main pitch control arm screw set | Model:OSHM1012 Package: Hang tag +PE bag Product name: Swash plate set |
![]() | ![]() | ![]() | ![]() |
| Model:OSHM1013 Package: Hang tag +PE bag Product name: Servo Set | Model:OSHM1014 Package: Hang tag +PE bag Product name: Servo Linkage Rod Set | Model:OSHM1015 Package: Hang tag +PE bag Product name: Tail Blade Set(black) | Model:OSHM1016 Package: Hang tag +PE bag Product name: Vertical Rotor Set |
![]() | ![]() | ![]() | ![]() |
| Model:OSHM1017 Package: Hang tag +PE bag Product name: Tail Boom Set | Model:OSHM1018 Package: Hang tag +PE bag Product name: Body side panel group | Model:OSHM1019 Package: Hang tag +PE bag Product name: Croduct Phase Panel Set | Model:OSHM1020 Package: Hang tag +PE bag Product name: Canopy Fixed Bolt Set |
![]() | ![]() | ![]() | ![]() |
Spare parts picture-2
| Model:OSHM1021Package: Hang tag +PE bagProductname:BearingSet(682zz) | Model:OSHM1022Package: Hang tag +PE bagProduct name: Main chuck gasket set | Model:OSHM1023 Package: Hang tag +PE bag | Product name: Screw Kit Set |
![]() | ![]() | ![]() | ![]() |
| Model:OSHM1024 Package: Hang tag +PE bag Product name: Lithium Battery Set | Model:OSHM1025 Package: Hang tag +PE bag Product name: Flight Control | Model:OSHM1026 Package: Hang tag +PE bag Productname:MainMotorSet(Orange) | Model:OSHM1027 Package: Hang tag +PE bag Product name:Main Motor Set(purple) |
![]() | ![]() | ![]() | ![]() |
| Model:OSHM1028 Package: Hang tag +PE bag Product name:Main Motor Set(Racing Yellow) | Model:OSHM1029 Package: Hang tag +PE bag Product name: Tail Motor Set(Orange) | Model:OSHM1030 Package: Hang tag +PE bag Product name:Tail Motor Set(purple) | Model:OSHM1031 Package: Hang tag +PE bagProduct name:Tail Motor Set(Racing Yellow) |
![]() | ![]() | ![]() | ![]() |
| Model:OSHM1032 Package: Hang tag +PE bag Product name: 25mm Main Blades(Orange)-(Hard) | Model:OSHM1033 Package: Hang tag +PE bagProduct name: 125mm Main Blades(Purple)-(Hard) | Model:OSHM1034Package: Hang tag +PE bag Product name: 125mm MainBlades(RacingYellow)-(Hard) | Model:OSHM1035 Package: Hang tag +PE bag Product name: 125mmMainBlades(Orange)-(Soft) |
![]() | ![]() | ![]() | ![]() |
| Model:OSHM1036 Package: Hang tag +PE bag Product name: 125mm Main Blades(purple)-(Soft) | Model:OSHM1037 Package: Hang tag +PE bag Product name: 125mm Main Blades(Racing Yellow)-(Soft) | Model:OSHM1038 Package: Hang tag +PE bag Product name: Canopy Set(Charm Orange) | Model:OSHM1039 Package: Hang tag +PE bagProduct name: Canopy Set(purple) |
![]() | ![]() |
Step 11
| Model:OSHM1040 Package: Hang tag +PE bag Product name: Canopy Set(Racing Yellow) | Model:OSHM1041 Package: Hang tag +PE bag Product name:Landing Skids Set(Charm Orange) | Model:OSHM1042 Package: Hang tag +PE bag Product name:Landing Skids Set(purple) | Model:OSHM1043 Package: Hang tag +PE bag Product name:Landing Skids Set(Racing Yellow) |
![]() | ![]() | ![]() | ![]() |
| Model:OSHM1044 Package: Hang tag +PE bag Product name: Servo Set(metal housing + metal gear)) | Model: OSHM1045 Package: Hang tag +PE bag Product name: Main Motor Mount Set–(Racing Yellow) | Model:OSHM1046 Package: Hang tag +PE bag Product name: Main Motor Mount Set –(Purple) | Model:OSHM1047 Package: Hang tag +PE bag Product name: ???????????????? |
![]() | ![]() | ![]() | ![]() |
| Model: OSHM1048 Package: Hang tag +PE bag Product name:????????? | Model:OSHM1049 Package: Hang tag +PE bag Product name: ESC-10A | Model:OSHM1050 Package: Hang tag +PE bag Product name: Hexagon screw driver | Model:OSHM1051 Package: Hang tag +PE bag Product name: Slotted screwdriver |
![]() | ![]() | ![]() | ![]() |
| Model:OSHM1052 Package: Hang tag +PE bag Product name: Main wing support frame | Model:OSHM1053 Package: Hang tag +PE bag Product name: ɸ4 main Shaft Set | Model:OSHM1054 Package: Hang tag +PE bag Product name: Tail Blade Set(Charm Orange) | Model:OSHM1055 Package: Hang tag +PE bag Product name: Tail Blade Set(purple) |
![]() | ![]() | ![]() | ![]() |
Model:OSHM1056
Package: Hang tag +PE bag
Product name: Tail Blade Set(Racing Yellow)

Transmitter description-1


- (Product Model):T6
- (Diameters):L165*W98*H180
- (Radio Frequency):2.413GHz–2.453 GHz
- (Transmit Power):< 20 dBm
- (Weight)345g
- (Modulation Mode):GFSK
- (Spread Spectrum Mode):FHSS
- (Working Voltage):3.7V
- (Remote Distance):800m
- (Charge Interface)口:Micro
- (Low Voltage Alarm):3.4V
- (Battery Type):Lithium Polyer Battery
- (Battery Capacity):2500mAh 3.7V
- (Coach Interface)口:Yes

Zhuhai edge smart dirve technology Co., Ltd
WWW.OMPHOBBY.COM
Cutter Knife
Scissors
Needle Nose Pliers
Diagonal Cutting Pliers
Philips Screw Drive
Hexagon Screw Driver
Oil
CA
AB Glue AB


























































