
AQ250 Series Hydronic Control Panels
QUICK INSTALLATION GUIDE
10 QUICK INSTALLATION STEPS TO SETTING UP AN AQ250 SERIES CONTROL PANEL
- Check you have all the necessary equipment for a successful installation
- Read all instructions carefully before proceeding
- Familiarize yourself with the AQ250 Control Panel
- Mount Control Panel on the wall, along with any Expansion Zoning Panels
- Mount thermostats in the zones
- Wire all system components to the Control Panel
- Configure the Control Panel’s DIP switches
- Test and Check Out the Installation
- Purge the air from all zone piping using the AQ250 built-in Purge Routine feature
- Document and keep a record of all system settings
NOTE
Throughout these instructions, the following terminology conventions are used:
- The term “AQ250” is used when the information applies to both the AQ2504B2 and AQ2504B4 Control Panels.
Where there are specific instructions or details relating to the “-4B2” or “-4B4” Control Panels, the full model number (i.e. AQ2504B4) is used; - The term “Control Panel” refers to an assembled product, consisting of a transformer, Control Module, and Zoning Module, all contained within an AQ2000 panel enclosure;
- The term “AQ255” refers to all of the AQ2554P2X, AQ2558P2X, and AQ2554V2 Expansion Zoning Panels, and “AQ257” refers to the AQ2574V4 Expansion Zoning Panel.
Where there are specific instructions or details relating to the “-4P2X”, “-8P2X”, “-4V2”, or “-4V4” Expansion Zoning Panels, the full model number (i.e. AQ2574V4) is used; - The term “Expansion Zoning Panel” refers to an assembled product, consisting of a Zoning Module and—if applicable—a transformer, contained within an AQ2000 panel enclosure; Zoning Modules are available in either 4-zone or 8-zone configurations. Refer to literature Form No. 69-1981 for more information on these products.
- The term “AQ1500” refers to the AQ1500B0 Control Module;
- The term “Control Module” refers to the component within an AQ2000 Series Control Panel that performs the “master control operations”. See Table 1 for specific models.
- The term “Zoning Module” refers to the component within an AQ2000 Series Control Panel or Zoning Expansion Panel.
- The term “AQ155” refers to the AQ1554P2 Zoning Module and “AQ157” refers to the AQ1574V4 Zoning Module.
Table 1.
| Control Panel | Corresponding Control Module | Corresponding Zoning Module |
| A02504B2 | AC1150080 | A01554P2 |
| A02504B4 | AG I 500B0 | A01574V4 |

AQ250 SERIES HYDRONIC CONTROL PANELS
Check You Have All the Necessary Equipment For a Successful Installation
A) AQ2000 Series components
- AQ250 Control Panel
- AQ Expansion Zoning Panels (if more than four space heating zones in the system)
- AQ1000 Thermostats (one for every space heating the zone being controlled)
B) Boiler supply and return temperature sensors (included with AQ250 Control Panels)
C) Low voltage thermostat wire
D) Zoning equipment (zone valves or pumps)
Read All Instructions Carefully Before Proceeding
The AQ250 Control Panels are part of a totally new family of hydronic controls! And although they – and other AQ2000 system components – are VERY easy to install and operate, they’re different than other hydronic controls that you have previously installed. So take a moment to read through this quick installation guide BEFORE beginning the installation. Failure to follow them could damage the product or cause a hazardous condition.
Familiarize Yourself With The AQ250 Control Panel Layout
AQ250 Control Panels consist of three functional components:
- the AQ10X38 transformer (power supply module), which connects to 120 Vac power and supplies 24Vac power to the Control Module and Zoning Modules; and
- the AQ1500B0 boiler / DHW Control Module, which controls the boiler and domestic hot water (DHW) functions as well as coordinating the overall operation of the
hydronic system - a Zoning Module capable of controlling 4 space heating zones
The Zoning Module is available in two versions:
- AQ1574V4 (part of the AQ2504B4 Control Panel) for zoning with 24 Vac zone valves with end switches
- AQ1554P2 (part of the AQ2504B2 Control Panel) for zoning with either line voltage circulators or 24 Vac zone valves without end switches.
AQ250 Control Panels can control a maximum of 16 zones by connecting up to 3 additional Expansion Zoning Panels to the AQ250 Control Panel. Each Expansion Zoning Panel is configured with its own bank of DIP switches, located in the left-most section of each Zoning Module. To expand the capacity of an AQ250 Control Module beyond 16 zones, an AQ254 Add-A Temperature Expansion Control Panel is required. The hydronic system can be expanded by 16 zones for each AQ254 connected to the AQ2000 network; a maximum of three (3) AQ254 Panels may be connected to an existing AQ2000 Control Panel for a total system capacity of 64 zones.
NOTE: If an AQ254 is used for controlling the temperature in a mixed loop, it can reset that mixed loop temperature using LOAD reset, but not OUTDOOR reset, as
the AQ250 panel does not have input terminals for an outdoor sensor.
In general, the top terminals of all AQ2000 Series Control Panel components carry low voltage (24 Vac) power and the bottom terminals carry line voltage (120V) power. The only exception to this is the AQ1554P2 Zoning Module when used with low voltage zone valves (without end switches). In this case, the bottom terminals of the Transformer and Control Module carries line voltage, but the bottom terminals of The zoning Module will carry low voltage power.

Mount Control Panel On The Wall, Along With Any Expansion Zoning Panels
When Installing this Product
- Read these instructions carefully. Failure to follow them could damage the product or cause a hazardous conditi• Check the ratings given in the instructions and on the
product to make sure the product is suitable for the application. - Installers must be trained, experienced, licensed service technicians.
- Follow local codes for installation and application.
- After installation is complete, check out product operations printed in these instructions.
- Use the template supplied with the AQ250 Control Panel to mark the four mounting holes for the panel.
- Install two top screws, mount panel, and then install two lower screws.
If there are Expansion Zoning Panels to install, they should be mounted on the wall now. If not, skip this section and proceed to Step 5 “Mount Thermostats In The Zones”. - Remove wire channel plugs from the AQ250 Control Panel and any Expansion Panels (see Figure 3).
- Mount Expansion Zoning Panel on the right-hand end of the AQ250 Control Panel. Install two top screws of the Expansion Zoning Panel, ensuring it is level with the
adjoining Control Panel, and install two lower screws. - Reverse wire channel plugs and re-insert them into their slot to form a wiring channel between the Control Panel and the Expansion Zoning Panel (see Figure 3) and to
connect the two panels together. - If there are additional Expansion Zoning Panels, repeat Steps 3-5 above.

Mount Thermostats In The Zones
Referring to the installation instructions (form # 69-2005) included with the AQ1000 thermostats, install the thermostats on the walls in the zones that are to be controlled by the AQ250 Control Panels. If not done already, run low voltage thermostat wire (24 gauge or heavier) from the thermostats back to the AQ250 Control Panel for installation in Step 6 “Wire All System Components to the Control Panel.”
Wire All System Components To The Control Panel
NOTES: If not otherwise specified, low voltage wiring should be run with 18 gauge thermostat wire and line voltage wiring should be run with 14 gauge wire. AQUATROL line voltage screw terminals are approved for use with 22 to 12 gauge copper.
Several wiring diagrams are included in this document.
For additional information, refer to http://customer.resideo.com or your local distributor.
AQ250 Control Panels are pre-wired at the factory (as described below), making for faster installation:
- The low voltage output terminals lo cited at the top of the transformer are wired to the R and C input terminals of the Control Module, and the R and C inputs on the top of the Zoning Module.
- The B-B “Exp. Bus” terminals of the Control Module are wired to the B-B “Exp. Bus IN” terminals of the Zoning Module.
Wiring Procedure
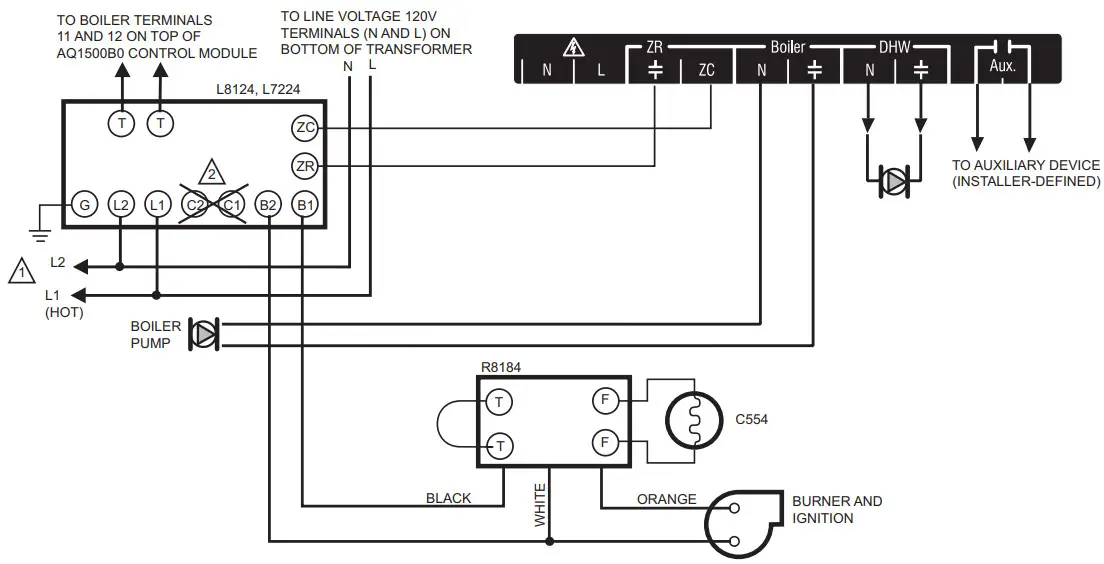
Beginning with the top left of the Control Panel and moving clockwise around the panel (refer to Figure 4), wire components to the AQ250 Control Panel and Expansion Zoning Panels (if installed) in the following six steps:
Step 1 Factory pre-wiring of the Control Panels is shown as dotted lines in Figure 4. In addition to the pre-wiring, run low voltage jumper wires from available R and C terminals to the R and C terminals of any Expansion Zoning Panels
Step 2 Temperature Sensors, System Demands, and Communication bus wiring.

A) Temperature Sensors
WIRING
Connect the lead wires of each sensor to the corresponding terminals on top of the AQ1500B0 Control Module. See Figure 6.
- Boiler Supply and Return Sensors.
The Boiler supply water sensor should be installed on the supply piping close to the exit port of the boiler, using one of the AQ12C11 strap-on sensors supplied with the AQ250. See Figure 5.
The Boiler return sensor should be installed on the return piping as close to the entrance port to the boiler as practical using the other AQ12C11 strap-on sensor supplied with the AQ250. The correct location is one that will measure the temperature of all combined sources of water returning back to the boiler.
Insulate strap-on sensors with pipe wrap to ensure accurate boiler temperature sensing.
The supply and return water sensors come with 10 ft.
(3m) of wire to minimize the need for splicing.

IMPORTANT
Do not run sensor wires parallel, or close, to telephone, Ethernet, or power cables. Cross all power, Ethernet, and telephone wiring at right angles. If sensor wires are located
in an area with strong sources of electromagnetic interference (e.g. if sensor wires are run in the same electrical chase as line voltage wiring) use twisted pair, shielded cable,
or run wires in a grounded metal conduit. If using shielded cable or conduit, connect the shield wire to earth ground ONLY at the AQ250 panel. DO NOT ground the shield or conduit at any other location or electromagnetic shielding will be ineffective. If shielded cable is used, Resideo recommends the use of a shielded cable with a continuous ground the plane, such as foil, with an integral “drain wire” for bonding to earth

B) System Demands
- Wire the HEAT Demand terminals (7-8) to a system set point demand, such as a pool or spa (optional).
- Wire the DHW terminals (#9-10) [optional] to the AQUASTAT or thermostat on the Domestic Hot Water tank
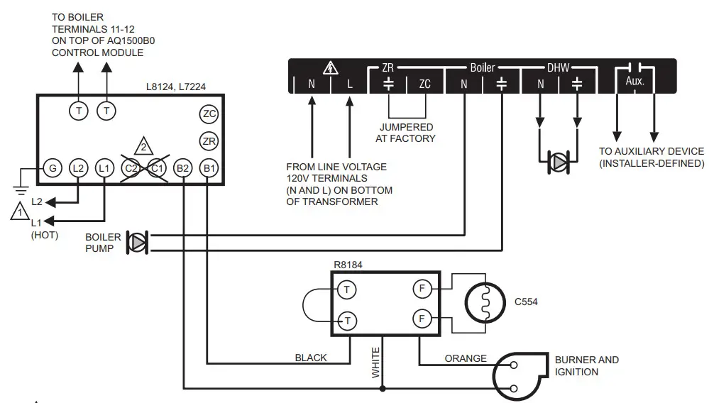
C) Low Voltage Outputs Wire the BOILER dry contact output (terminals 11-12) to the T-T terminals on the boiler AQUASTAT. It is not necessary to use the “T-T” terminals if connecting to a Triple Aquastat since the signal to the Aquastat is received from the “ZR” / “ZC” terminals. See Figures 14a and 14b for line voltage connection to boiler Aquastats.
D) Communication Bus Wiring
All AQ2000 components communicate with each other on the AQUATROL network using “communication bus” wiring. This wiring MUST connect all AQ2000 components, otherwise, features that depend on this networked communication (e.g. zone synchronization) will not function.
This “communication bus” wiring is polarity insensitive – the installer does not need to worry about a +ve or –ve orientation of the wires – if there are two wires connected to the B-B “Exp.
Bus IN” and B-B “Exp. Bus Out”, there will be communication! See the example in Figure 7 for how this wiring is to be installed.
The communication bus connections are pre-wired at the factory for both the “-4B2” and “-4B4” models. - Wire the HEAT Demand terminals (7-8) to a system set point demand, such as a pool or spa (optional).
- Wire the DHW terminals (#9-10) [optional] to the AQUASTAT or thermostat on the Domestic Hot Water tank
C) Low Voltage Outputs
Wire the BOILER dry contact output (terminals 11-12) to the T-T terminals on the boiler AQUASTAT. It is not necessary to use the “T-T” terminals if connecting to a Triple Aquastat since the signal to the Aquastat is received from the “ZR” / “ZC” terminals. See Figures 14a and 14b for line voltage connection to boiler Aquastats.
D) Communication Bus Wiring
All AQ2000 components communicate with each other on the AQUATROL network using “communication bus” wiring. This wiring MUST connect all AQ2000 components, otherwise, features that depend on this networked communication (e.g. zone synchronization) will not function.
This “communication bus” wiring is polarity insensitive – the installer does not need to worry about a +ve or –ve orientation
of the wires – if there are two wires connected to the B-B “Exp.
Bus IN” and B-B “Exp. Bus Out”, there will be communication! See the example in Figure 7 for how this wiring is to be installed.
The communication bus connections are pre-wired at the factory for both the “-4B2” and “-4B4” models.

Step 3 AQ1000 THERMOSTATS
- Using a low voltage thermostat wire, connect one AQ1000 communicating thermostat from each zone to the corresponding “TH” inputs on top of the Zoning Module (Figure 8).
- If there are additional zones (on Expansion Zoning Panels) connected to this Zoning Module:
— Run low voltage thermostat wiring from the B-B “Exp. Bus OUT” terminals (13-14) of the Zoning Module to the B-B “Exp. Bus. IN” terminals (3-4) on the Expansion Zoning Panel
Run low voltage thermostat wiring from the R and C terminals on the Control Panel’s transformer to the R and C terminals on the Expansion Zoning Panel. Alternatively, you can run low
voltage thermostat wiring from the R and C terminals on the Zoning Module to the R and C terminals on the Expansion Zoning Panel.

Step 4 Zoning Equipment – Line Voltage Pumps Or Low Voltage Zone Valves.
Since the Zoning Module of the AQ2504B2 Control Panel can be used with either low voltage zone valves (without end switches) or line voltage pumps or valves, FIELD installed wiring of the correct voltage needs to be connected to the zoning equipment terminals on the bottom left portion of the Zoning Module.



CAUTION
The ES1 and ES2 terminals of the AQ1574V4 Zoning Module have powered terminals and must ONLY be connected to a set of dry contacts. If power is applied to these contacts (for example, by running line voltage through the zone valves’ end switches to bring on a circulator feeding those valves), the internal circuitry of the Zoning Module will be damaged, in which case the warranty for this product will be voided.
a. For line voltage circulators (Figure 9a), remove the plastic wiring barrier (factory-installed) that’s located in the bottom wiring channel between the AQ1500 Control Module and the Zoning Module.
Run jumper wires from the N and L terminals on the bottom of the Control Panel’s transformer through the wiring channel across the bottom of the Control Panel to the corresponding N and L terminals of the Zoning Module.
NOTE: If low voltage zone valves are used with the AQ2504B2 Control Panel, the “low voltage output” sticker supplied (shown in
Figure 10)
MUST be applied over the “line voltage output” sticker that is already attached to the Zoning Module.
b. For low voltage zone valves without end switches (Figure 9b), run jumper wires from the R and C terminals on the top left of the Control Panel’s transformer through the wiring channel across the top of the Control Panel, down through the wiring channel on the right side of the panel and over to the R and C terminals on the bottom of the Zoning Module.
c. For low voltage zone valves with end switches (Figure 9c), 24 Vac power is pre-wired between the transformer secondary at the top left of the AQ250’s transformer and the AQ1574V4 Zoning Module, so no field wiring is required.
NOTE: Wiring Zone Valves With End Switches Transformers VA.
If low voltage zone valves with end switches are used for zone control, make sure the selected zone valves do not draw more power (“VA”) than the 38 VA capacity of the AQ10X38 transformer supplied with the AQ250 Control Panels. This integral transformer has enough power to operate 4 motorized zone valves (such as V8043E valves or 4 valves using low-amperage draw “heat motor” actuators such as MV100 actuators), plus power the electronics of the AQ250’s Control Module and up to 16, AQ1000 thermostats. If zone valves with high amperage draw “heat motor” actuators are used, such as Taco 500 series zone valves, an additional 24 Vac transformer of sufficient VA capacity will need to be wired to the Zoning Module to power the valves. See Figure 11 for recommended wiring of additional low voltage VA capacity to AQ2000 Series Zoning Modules.
Step 5 Line Voltage System Outputs (Boiler Pump, DHW The device, Aux Output)
See Figures 12a and 12b for wiring diagrams for the line voltage outputs. Follow general instructions below for wiring of these pumps to the AQ250 Control Module.
NOTE: It is not necessary to connect the boiler equipment’s “T-T” terminals to the low voltage BOILER dry contacts (Terminals 11-12) of the AQ250 when using a Triple Aquastat on the boiler.
POWER SUPPLY. PROVIDE DISCONNECT MEANS AND OVERLOAD PROTECTION AS REQUIRED.
DO NOT WIRE THE BOILER LOOP CIRCULATOR TO THE AQUASTAT’S C1/C2 TERMINALS; IT MUST BE CONNECTED TO THE BOILER PUMP TERMINALS ON THE BOTTOM OF THE AQ1500B0 CONTROL MODULE WHEN MAINTAINING A MINIMUM BOILER TEMPERATURE (WITH A TRIPLE FUNCTION AQUASTAT).
Fig. 12a Line Voltage Connections for AQ250.
POWER SUPPLY. PROVIDE DISCONNECT MEANS AND OVERLOAD PROTECTION AS REQUIRED.
FOR INSTALLATIONS USING A TRIPLE FUNCTION AQUASTAT, NOTE THAT THE FACTORY-INSTALLED JUMPER BETWEEN THE ZR AND ZC TERMINALS MUST BE REMOVED. THE ZR AND ZC TERMINALS ON THE AQ1500B0 CONTROL MODULE MUST BE WIRED TO THE ZR AND ZC TERMINALS, RESPECTIVELY, OF THE TRIPLE AQUASTAT.
Fig. 12b Line Voltage Connections for AQ250.
Boiler Pump
Connect the N and L wires of the boiler loop pump to the N and switched “hot” terminals of the line voltage “Boiler” output shown in Figure 13. The ground wire of the pump can be connected to any of the 6 ground screw terminals located on the back surface of the Control Panel enclosure.
DHW Aquastat
Wire the DHW Aquastat to the N and switched “hot” terminals of the DHW output as shown in Figure 13. If using a low voltage zone valve, wire the primary of a spud-mounted transformer (115V – > 24V) to the DHW line voltage contacts and connect the low voltage zone valve to the secondary terminals of this transformer. A spud-mounted transformer may be located in one of the conduit knockouts on the bottom of the AQ250 Control Panel.
Line Voltage Aux Output
NOTE: Use of this output is optional
To connect a line voltage auxiliary device to these contacts, such as a boiler bypass pump, power the pump from the N
and L terminals on the bottom of the Control Module, running the L “hot” lead through the AUX. Pump contacts. See Figure 13 for details.
NOTE:
The AUX.Pump dry contacts are line voltage rated but unpowered. Wire the Installerdefined AUXiliary output to the line voltage AUX terminals, as shown in
Figure 13. The exact wiring schematic will depend on what is connected to these dry contacts.
Step 6 Connection To Line Voltage Power Finally, connect the N and L line voltage inputs of the AQ250 Control Panel (at the bottom of the transformer) to the electrical distribution panel and power up the Control. A service switch should be installed on the L “hot” lead to the distribution panel.
If multiple Zoning Modules are connected to the AQ250 Control Panel, the line voltage wiring can either be run directly from the N and L terminals on the transformer to each of the Zoning Modules (Figure 14a) or run in “daisy chain’ fashion from the N and L terminals of one AQ2000 Module to the N and L terminals of another Module (Figure 14b).
CAUTION
Electrical Shock or Equipment Damage Hazard. Can shock individuals or short equipment circuitry.
When the line voltage is applied to the AQ250 Control Panel and the front cover of the Panel is removed, there is a risk of electrocution. Be careful to avoid contact with the line voltage (N and L) terminals, either with your fingers or with metal tools (such as a screwdriver) when power is applied to the Control Panel.

Configure The Control Panel’s DIP Switches
Setting up an AQ250 Control Panel is quick, simple and straightforward. Only two steps are required – checking the DIP switch settings for the Control Module and checking the DIP switch settings for the Zoning Module(s).
Operation of the AQ250’s Control Module is set by the positions of its DIP switches, which are located behind the blank cover in the left most section of the Control Module (besides the section labeled “ZR”). See Figure 15 for the location of these DIP switches.
AQ250 Control Panels come from the factory with pre-defined settings for all DIP switches. These factory “default” settings were chosen because they are commonly used by Hydronics contractors across North America. That means that most of the settings only need to be “checked” by the installing contractor to make sure they’re suitable for the installation.
Although for many installations, these factory default values for the Control Module and the Zoning Module(s) will be suitable, Resdieo recommends that they be reviewed – and changed, as necessary – to get optimal performance of the hydronic system controlled by the AQ2000 Series products.
DIP Switch Configuration Control Module
- A chart of the setting options for each DIP switch is attached to the inside of the DIP switch cover. More detailed explanations for these settings, including the pre-set factory defaults for each DIP switch is shown in Table 2.
Zoning Modules - The AQ1554P2 (pump Zoning Module) and AQ1574V4 (valves with end switches Zoning Module) both have DIP switches in 8-switch “banks” and are concealed behind snap-on covers as shown in Figure 15. A chart of the different settings for each DIP switch is attached to the inside of the DIP switch covers. More detailed explanations for these DIP switch settings, including the pre-set factory defaults for each, is shown in Table 3.
- The only difference in setting up the AQ1554P2 and AQ1574V4 Zoning Modules is that DIP switch #5 for the AQ1554P2 needs to be set to “PUMP” or “VALVE”, according to whether this Zoning Module will be used for zoning with either pumps or zone valves without end switches. DIP Switch #5 is not functional on the AQ1574V4 Zoning Module, as this Zoning Module can only be used for valve zoning.
Check the DIP switch settings and, if necessary, change the position of the DIP switches to suit the desired operation of the hydronic installation. - DIP switches #1-4 define the “identity”, or “address”, of each zone on the AQUATROL network. This is how the Control Module knows that – for example – the zone labeled “Zone 1” on the first Zoning Module is different than the zone labeled “Zone 1” on a second Zoning Module.
- If there is more than one Zoning Module connected to the AQ1500 Control Module, DIP switches #1-4 MUST be set to uniquely identify each zone in the installation
a. For the first Zoning Module – which is included as part of the AQ250 Control Panel, make sure that DIP switch #1 is set to the right-hand position (the
factory default setting) and DIP switches #2-4 are set to the left.
b. For the second Zoning Module connected to the AQ1500 Control Module, make sure that DIP switch #2 is set to the right-hand position and DIP switches #1, 3, and 4 are set to the left.
c. For the third Zoning Module connected to the AQ1500 Control Module, make sure that DIP switch #3 is set to the right-hand position and DIP switches
#1, 2, and 4 are set to the left.
NOTE: Since AQ250 Control Panels have TWO banks of DIP switches – one for the Control Module and one for the Zoning Module – be careful not to get the removable covers for these DIP switches mixed up. Mixing up the covers could result in setting the corresponding Modules’ DIP switches incorrectly if following the DIP switch settings charts attached to the backs of the covers. To help avoid this, the part number for each Module (e.g. AQ1500B0 for the Control Module) is printed on the top of the DIP switch settings charts. The part number for each Module is printed on the Module’s low voltage connections label, directly above where the DIP switches are located.
d. For the fourth Zoning Module connected to the AQ1500 Control Module, make sure that DIP switch #4 is set to the right-hand position and DIP switches #1, 2, and 3 are set to the left. - Review the settings for the remaining DIP switches of each Zoning Module connected to the AQ1500, to ensure they are correct before system start-up.
- Replace the front cover of the AQ250 Control Panel and any Expansion Zoning Panels.
- The system is now ready for Test and Checkout; see Section 8 below.
| DIP # | Switch Description | Label and Factory Settings |
![]() | ||
| 1 | DHW Device – Pump or Valve | |
| 2 | DHW Priority – OFF or Priority | |
| 3 | DHW Priority Override – OFF or Override | |
| 4 | Boiler post purge location – “Purge” = DHW tank first, then zones; “OFF” = zones only. | |
| 5 | Aux output: “Main” = default; “Group” = group pump | |
| 6 | Aux output: “Main” = default; “Bypass” = boiler bypass pump | |
| 7 | Load Mass: “Lo” = Low mass (baseboard); “Hi” = High mass (radiant slab) | |
| 8 | Not used at this time | |
| DIP # | Switch Description | Label and Factory Settings |
![]() | ||
| 1 | Zone Address For each group of 4 zones, there can be only one DIP switch in the right-hand position. TheThe first Zoning Module connected to each Control Module must have the first of these DIPswitches (“1-4”) set to the right-hand position with the other 3 switches set to the left. The second Zoning Module’s “5-8” switch must be in the right-hand position; the third Zoning Module’s “9-12” switch must be in the right-hand position, etc | |
| 2 | ||
| 3 | ||
| 4 | ||
| 5 | Zoning with valves or pumps | |
| 6 | Are zone valves normally closed (N.C.) or normally open (N.O.) | |
| 7 | If set to “YES”, AUX Pump contacts (on Control Module) are switched when any of the zones on this Zoning Module are active* | |
| 8 | Not used at this time | |
* The AQ1500B0 Boiler Control Module DIP switch #5 must be set to the “GROUP” position and DIP switch #6 must be set to the “MAIN” position.
Table 4. AQ1574V4 Zoning Module (Valve Zoning Module) DIP switch arrangement
| DIP # | Switch Description | Label and Factory Settings |
![]() | ||
| 1 | Zone Address For each group of 4 zones, there can be only one DIP switch in the right-hand position. The The first Zoning Module connected to each Control Module must have the first of these DIP switches (“1-4”) set to the right-hand position with the other 3 switches set to the left. The second Zoning Module’s “5-8” switch must be in the right-hand position; the third Zoning | |
| 2 | ||
| 3 | ||
| 4 | ||
| 5 | Not used at this time | |
| 6 | Are zone valves normally closed (N.C.) or normally open (N.O.) | |
| 7 | f set to “YES”, AUX Pump contacts (on Control Module) are switched when any of the zones on this Zoning Module is active* | |
| 8 | Not used at this time | |
* The AQ1500B0 Boiler Control Module DIP switch #5 must be set to the “GROUP” position and DIP switch #6 must be set to the “MAIN” position.
Test and Check Out the Installation Startup
Apply power to the AQ250 Control Panel ONLY AFTER all of the AQ2000 SERIES components (Control Panel, thermostats, sensors, Zoning Modules / Panels) have been wired to the other components in the hydronic heating system (boiler, zone valves or pumps, DHW AQUASTAT, etc.).
Once powered, the AQ250 Control Panel will begin its start-up routine, establishing communication with all other AQ2000 SERIES components on the AQUATROL network.
Test
A) AUTOTEST—AQ1500B0 CONTROL MODULE
Auto Test operation enables the installer to test the system installation by sequentially activating all of the Control Module’s outputs for 15 seconds each. Each step of the AutoTest routine may be paused or skipped by pressing the Test button.
STATUS LEDS
Every status light (ZR, BOILER pump, AUXiliary pump, DHW pump) will be turned on for 15 seconds when its the corresponding output is energized during AutoTest.
DIAGNOSTIC LED
This light is used by the AQ250 to communicate diagnostic data to the user:
- Constantly ON indicates that the unit is working properly.
- Constant, fast blinking indicates that the unit is in the AutoTest mode; constant, slow blinking indicates that Auto Test mode has been paused
- Coded blinking is used to communicate an error code to the user. Refer to the Troubleshooting section of these instructions for an explanation of these codes.
NOTE: The Diagnostic LED is OFF when the AQ250 Control Panel is not powered.
If this is the first time the AQ250 has been started:
- Remove the front cover of the AQ250 by loosening the 4 captive slot-Phillips screws.
- Remove the AQ1500B0 Control Module’s DIP switch
cover (refer to Figure 15 for the DIP switch cover location) - Check to make sure that the LED labeled “Diagnostic” is steadily illuminated (no blinking)
- To begin the Auto Test press on the “Test” button until you feel a “click”. The AQ250 will now begin the Auto Test routine and the Diagnostic LED on the AQ1500B0 Control Module will blink quickly.
- Pressing the Test button at any time during the Auto Test routine will pause the routine indefinitely. While paused, the Diagnostic LED blinks slowly
- Pressing the Test button while the Auto Test routine is paused will advance the routine to the start of the next step in the routine (testing the next output) and the Auto Test routine will resume its test procedure.
- When the Auto Test routine is completed, the Diagnostic LED returns to a constant ON status (no blinking).
- To test each of the zone outputs (pumps or valves) individually, proceed to Section B) below to run the AutoTest feature for each AQ155 / AQ157 Zoning Module attached to the AQ1500B0 Control Module.
SEQUENCE OF OPERATION—AQ1500B0 CONTROL MODULE
- When the Test button is pressed, ALL space heating zones connected to the Control Module are energized and remain energized for the duration of the AutoTest routine
- At the same time, the “Diagnostic” LED on the AQ1500B0 Control Module begins to blink quickly and the “ZR” relay is energized for 15 seconds, then shuts off
- Following that, the “BOILER” relay is energized for 15 seconds then shuts off
- Following that, the “AUX” relay is energized for 15 seconds, then shuts off
- Following that, the “DHW” relay is energized for 15 seconds, then shuts off
- Following that, the “Boiler” T-T dry contacts are energized for 15 seconds, then re-opened
- Following that, AQ1500B0 exits the Auto Test routine and the “Diagnostic” LED on the Module returns to steady illumination (no blinking)
B) AUTO TEST – AQ155 / AQ157 ZONING MODULES
Auto Test operation for Zoning Modules enables the installer to test all zones wired to the Zoning Module by sequentially activating the equipment connected to each zone output (pump or valve) for 15 seconds. Each step of the AutoTest routine may be paused or skipped by pressing the Test button.
ZONING MODULE DIAGNOSTIC LED
The LED labeled “DIAGNOSTIC”—located above the DIP switches on the AQ155 / AQ157 Zoning Modules – is used for communicating diagnostic data to the Installer.
Refer to the Troubleshooting Section of this Quick-Start Manual for a description of the Diagnostic LED error codes (blinking rates).
NOTE: The Diagnostic LED is OFF when the AQ155 /
AQ157 Zoning Module is not powered.
If this is the first time the AQ250 Control Panel has been started:
- With the front cover of the AQ250 Control Panel removed and set aside, remove the AQ Zoning Module DIP switch cover (refer to Figure 15 for the DIP switch cover location)
- Check to make sure that the LED labeled “Diagnostic” is steadily illuminated (no blinking)
- Press on the “Test” button until you feel a “click”. The AQ155 / AQ157 Zoning Module will now begin the Auto Test routine, and the Diagnostic LED on the Zoning The module will blink quickly
- Pressing the Test button at any time during the Auto Test routine will pause the routine indefinitely. While paused, the Diagnostic LED blinks slowly
- Pressing the Test button while the Auto Test routine is paused will advance the routine to the start of the next step in the routine (testing the next zoning output) and the Auto Test routine will resume its test procedure
- When the Auto Test routine is completed, the Diagnostic LED returns to a constant ON status (no blinking).
- Replace the DIP switch cover on the Zoning Module
- Repeat Steps 1-7 for every other AQ155 / AQ157 Zoning Module connected to the AQ250
SEQUENCE OF OPERATION—AQ155 / AQ157 ZONING MODULES
- When the Auto Test button is pressed, Zone 1 of the zoning Module is energized and the “Diagnostic” LED on the AQ155 / AQ157 begins to blink quickly. Zone 1 remains energized for 15 seconds, then shuts off
- Following that, each of the remaining zones is energized, sequentially—starting with Zone 2—for 15 seconds, and then shuts off.
- After Zone 4 has been de-energized, the AQ155 / AQ157 exits the Auto Test routine and the “Diagnostic” LED on the Module returns to steady illumination (no blinking)
If no errors were detected in the Control Module or Zoning Module Auto Test routines, the AQ250 is now ready for operation. If errors were detected, refer to the Troubleshooting section in the Appendix of these Instructions.
Check Out
- Turn down the DHW AQUASTAT, if present, to avoid interfering with space heating control operation.
- Turn up the set point of one of the AQ1000 zone thermostats.
2.1 The zone valve or pump associated with that zone will turn on.
2.2 The Boiler, and T-T relay outputs will energize.
NOTE: When a setpoint is changed on an AQ1000 thermostat, the AQ250’s boiler short cycle protection is disabled in favor of a faster reaction for the user - Turn down the set point of one of the AQ1000 zone thermostats.
3.1 The zone valve or pump associated with that zone should turn off.
3.2 The Boiler, and T-T relay outputs should de-energize. - Repeat steps 2 and 3 for all zones to verify each zone is operating correctly. Thermostats may be exercised individually or all together to accelerate the check
out process. - Turn up the DHW AQUASTAT to simulate a call for hot water.
5.1 If the DHW device is a pump, the DHW relay output will be energized immediately. The Boiler pump relay will remain off.
5.2 If the DHW device is a valve, the Boiler pump relay will come on after a 15-second delay to allow the zone valve to fully open.
5.3 Turn up the set point of one of the AQ1000 zone thermostats.
5.3.1 If the DHW relay is configured to control a pump, and DHW Priority is selected, the Boiler and associated zone pump relays will remain off.
5.3.2 If the DHW relay is configured to control a valve, and DHW Priority is selected, the associated zone relays will remain off.
5.3.3 If DHW Priority is disabled, space heating (zone pumps and valves) will operate normally even during a call for DHW. Turn down the DHW AQUASTAT to end the call for hot water. Space heating operation will continue (if DHW priority is disabled) or resume (if DHW priority is enabled).
Purge Air From All System and Zone Piping using the built-in Purge Routine feature
Purging air from all zones in the hydronic system can be easily accomplished with the AQ250 by using a modification to the “Auto Test” feature (described in section 8A) as follows:
- To purge all zones on the AQUATROL network press the “Test” button on the AQ1500B0 Control Module once to begin the “Auto Test” routine. Quickly press it again 3 times until the Boiler relay LED is illuminated AND the “Diagnostic” LED of the AQ1500B0 is blinking slowly (indicating the Auto Test routine has been paused). The boiler pump will now remain energized for the duration of the Purge routine (and therefore be purging all loops of air) until the “Test” button is pressed again.
- The “DIAGNOSTIC” LED will blink slowly while in paused mode. Continue to purge the boiler loop as long as is needed to remove air from the system.
- Leaving the boiler pump operating, push the Test button on the Zoning Module for any space heating zones you wish to purge. With the first zone’s output energized (the LED for Zone 1 will be illuminated), press the test button again to pause the Auto Test routine. When Zone 1 has been sufficiently purged, press the Test button again to begin purging Zone 2. Again, press the Test button to pause the Auto Test routine while purging Zone 2. Continue to purge all other space heating zones in the system.
If additional purging is required for any zone, the AutoTest procedure can be activated for any individual Zoning Module by pressing the “Test” button located above that Zoning Module’s DIP switches. Refer to the Sequence of Operation in the preceding section (“Auto Test—AQ155 / AQ157 Zoning Modules”)
10 Document and Keep A Record Of All System Settings
Once the hydronic installation with the AQ250 Control Panel has been set up and is operating properly, it’s important to document all the system settings for future reference.
To facilitate this, all AQ2000 Series Control Panels and Expansion Zoning Panels are shipped with Installation Records for documenting these settings. These should be filled out completely and saved in the Installing Contractor’s files.
APPENDIX
Troubleshooting
Communications Loss
A possible failure mode of the AQ250 would be loss of communication between the Control Module and any Zoning Modules or between a Zoning Module and any zone thermostats that have previously been connected to the AQUATROL network. In general, the Control will:
- Periodically try to re-establish communication with any “lost” components on the network;
- Initialize any component that re-establishes its communication.
CONTROL MODULE REACTION
When the AQ1500B0 Control Module loses communication with any number of zones (as long as there’s still at least one zone communicating on the QUATRO network), the AQ250 will continue to deliver heat to the other communicating zones.
When communication is lost with ALL zones, the AQ250 enters FREEZE PROTECTION mode in which it fires the boiler and then activates the BOILER pump for a period of 4 minutes every hour. This should provide sufficient heat to the system to prevent a building from freezing up until someone re-establishes the communication between the AQ2000 components.
ZONING MODULE REACTION
When a Zoning Module loses communication with the Control Module, the Zoning Module operates its pumps or valves in a “conventional, non-synchronized” zoning fashion i.e. according to the demands from the thermostats, without waiting for the “permission” from the AQ1500B0 Control Module to operate. This allows the zones to extract any heat provided by the boiler.
When communication is lost between a Zoning Module and one of its thermostats, that zone is “invisible” to the Control Module; the Zoning Module stops serving that zone and the zone’s pump or valve is de-energized.
The AQ250 provides Control Module diagnostic information via the DIAGNOSTIC LEDs located above the DIP switches on the AQ1500B0 Control Module.
The AQ250 provides Zoning Module diagnostic information via the DIAGNOSTIC LEDs located above the DIP switches on its Zoning Module(s).
This information helps the installer correctly identify system problems, making troubleshooting much faster. The following tables describe the possible error codes that can be displayed on the AQ1500B0 Control Module and AQ155 / AQ157 Zoning Modules.
Table 5. AQ1500B0 Control Module Error Codes:
| DIAG LED Status | System Condition | Action Required |
| Steady (no blinking) | No system problem detected | None |
| Fast blinking (4 blinks/second) | Auto Test is in operation | None. Permit the control to finish the Auto Test routine |
| Slow blinking (2 blinks / 3 seconds) | Auto Test has been “paused” | Press the Test button to resume the Auto Test routine |
| Coded blinking = ERROR | ||
| Freeze protection activated across AQUATROL network | All zones have lost communication with controller — check B-B wiring between Control Module and Zoning Module |
| Return sensor open / short | Check the return sensor wiring |
| Supply sensor open/short | Check the supply sensor wiring |
Table 6. AQ155 / AQ157 Zoning Module Error Codes:
| DIAG LED Status | System Condition | Action Required |
| Steady (no blinking) | No system problem detected | None |
| Fast blinking (4 blinks / second) | Auto Test is in operation | None. Permit the control to finish Auto Test routine |
| Slow blinking (2 blinks / 3 seconds) | Auto Test has been “paused” | Press the Test button to resume the Auto Test routine |
| Coded blinking = ERROR | ||
| Freeze protection activated on the Zoning Module | Zoning module has lost communication with controller – check B-B wiring between Control Module and Zoning Module |
| Communication lost with ALLthermostats | Check thermostat wiring to Zoning Modules |
www.resideo.com
Resideo Technologies, Inc.
1985 Douglas Drive North, Golden Valley, MN 55422
1-800-468-1502
69-1982—01 M.S. Rev. 07-21 | Printed in the United States
© 2021 Resideo Technologies, Inc. All rights reserved.
The Honeywell Home trademark is used under license from Honeywell International, Inc. This product is manufactured by Resideo Technologies, Inc. and its affiliates.
Check the DIP switch settings and, if necessary, change the position of the DIP switches to suit the desired operation of the hydronic installation.





















