SONODYNE SLX Series Professional Speaker System

Congratulations on your purchase of the SLX Series professional speaker. It can be used for live sound reinforcement, permanent installations and a variety of other applications.
The exclamation mark within an equilateral triangle symbol is intended to alert the user of presence of important operating instructions in the owner’s manual accompanying the product.
IMPORTANT SAFETY INSTRUCTIONS
- Do not place the unit on an unstable surface that may topple and cause the unit to fall, thereby causing injury to the user or other people.
- Do not place the unit outdoors where it may be exposed to strong sunlight, rain or moisture.
- Do not place it near a water body or sprinkler.
- Do not place the unit near heat radiating items like stoves, radiator etc.
- Do not allow liquid or any chemical to spill on or into the product.
- Do not open the unit or attempt to service it yourself. There is no user-serviceable part inside. Refer servicing to qualified service personnel only.
MOUNTING
MOUNTING PRECAUTIONS
Follow all safety precautions provided by the manufacturer
Take necessary precautions while working in harsh weather. For example, use extra weights to weigh down the system, and provide more stability. Avoid using the speaker stands as points to tie banners as they may make the speaker unstable.
Confirm if the load bearing capacity of the bracket or pole is sufficient to mount the speaker. Always ensure you have adequate manpower to position and transport the speakers.
Verify that the stand/subwoofer are placed on level surface to prevent wobbling and accidents. If using a tripod stand, please ensure that the stand legs are fully extended to provide maximum stability to the speaker.
Never mount more than one speaker on the pole or stand Before mounting the speakers, ensure that all stands and poles are mechanically ok
MOUNTING SUSPENSION INSTRUCTIONS
The SLX 1008/1010/1020/1120/1050/1150 speakers are equipped with suspension points on all sides enabling them to be flown and angled in any desired direction/orientation. When flying the speakers, customers should ensure that they follow the guidelines for hanging, established by the respective countries. It is highly recommended that all flying hardware be thoroughly checked before the speakers are flown. Users should make sure that the weight of the flown speakers are within the load bearing capacity of the suspension system. The maximum load bearing capacity of the suspension system should never be exceeded as it is extremely dangerous, and poses great risk. Please ensure that the rigging hardware complies with ASME B30.20.
MOUNTING
The speakers may be mounted on brackets fixed to a wall, or on stands. The details of mounting are shown in the figures shown below. The SLX 1008/1010/1020/1120/1050/1150 models are equipped with pole-mount sockets, for fixing to a pole. It can be found at the bottom of the unit. Using this socket, the speaker may either be mounted on stands or on a pole-mount wall-bracket. The speakers may also be used as stage monitor/wedges. The SLX 1008/1010/1020/1120/1050/1150 models can be wall mounted using brackets fixed to a wall.
RECOMMENDED AMPLIFIER POWER
The recommended SLA series amplifiers for driving the different SLX speakers are shown in the chart below, along with the power output. Please note that the SLA amplifiers have built-in limiting against clipping and overdrive, which would otherwise damage the loudspeakers if operated in clipping for long durations. If you are using other amplifiers without built-in limiting, choose an RMS power rating which is 1.5 times the rated AES power of the SLX series, that is, 1.5 times the recommended RMS amplifier power in the chart below. Also, while using such an amplifier, ensure that the clip LED lights up only occasionally during peaks in the signal. This way, you can avoid distortion and damage to the loudspeakers by overdrive, at the same time, be able to drive the loudspeakers to its maximum rated power.
| MODEL | RECOMMENDED AMPLIFIER POWER (RMS) WITH BUILT-IN LIMITING | RECOMMENDED SLA AMPLIFIER |
| SLX1008 | 100W @ 8Ω | |
| SLX1010 | 200W @ 8Ω | |
| SLX1120 | 400W @ 8Ω | SLA 2004/ SLA 3004 |
| SLX1150 | 600W @ 8Ω | SLA 2006/ SLA 3006 |
| SLX1152 | 1200W @ 4Ω | SLA 2008/ SLA 3008 |
| SLX1252 | 1500W @ 4Ω | SLA 2010/ SLA 3010 |
| SLX 2180 | 1300W @ 8Ω | SLA 2013/ SLA 3013 |
| SLX 2182 | 2600 W @ 4Ω | SLA 2015 |
| SLX 2280 | 1300W @ 8Ω | SLA 2013/ SLA 3013 |
WHY USE A SUBSONIC FILTER?
For vented-design loudspeakers, if frequencies below the tuning frequency of the cabinet are fed to the speaker, it will put unnecessary stress on the woofer. The woofer cone excursion will increase and might become uncontrolled. However, these frequencies do not produce any acoustic output from the speaker. Having a subsonic filter in the system will help roll off these frequencies and protect the drivers from getting damaged, at the same time reducing the load on the amplifier and preventing wastage of electrical power. For the SLX 2180, SLX 2280 and SLX 2182 subwoofers it is recommended to use the SLX SC1 which is a subsonic filter cum low-pass filter with gain, frequency and phase controls.
MODEL/RECOMMENDED SUBSONIC FILTER
- SLX 1008 60Hz, 24dB/octave
- SLX 1010 55Hz, 24dB/octave
- SLX 1120 50Hz, 24dB/octave
- SLX 1150 45Hz, 24dB/octave
- SLX 1152 40Hz, 24dB/octave
- SLX 1252 40Hz, 24dB/octave
- SLX 2180 35Hz, 24dB/octave
- SLX 2182 35Hz, 24dB/octave
- SLX 2280 35Hz, 24dB/octave
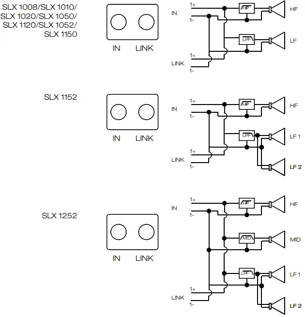
INPUT CONNECTIONS/ BLOCK DIAGRAMS

MOUNTING
SPECIFICATIONS
| SLX 1008 | SLX 1010 | SLX 1120 | SLX 1150 | |
| DESCRIPTION Passive 2 way, 8″, | Passive 2 way, 10″, | Passive 2 way, 12″, | Passive 2 way, 15″, | |
| bass-reflex | bass-reflex | bass-reflex | bass-reflex | |
| LF TRANSDUCER | ||||
| SIZE | 8″ | 10″ | 12″ | 15″ |
| VOICE COIL | 1.5″ | 2″ | 2.5″ | 3″ |
| HF TRANSDUCER | ||||
| SIZE | 1″ | 1″ | 1″ | 1″ |
| VOICE COIL | 1.1″ | 1.1″ | 1.75″ | 2″ |
| NOMINAL IMPEDANCE | 8Ω | 8Ω | 8Ω | 8Ω |
| FREQUENCY RANGE (-10dB) | 60Hz ~ 22kHz | 50Hz ~ 22kHz | 45Hz ~ 22kHz | 40Hz ~ 22kHz |
| FREQUENCY RESPONSE(-3dB) | 70Hz ~ 20kHz | 60Hz ~ 20kHz | 55Hz ~ 20kHz | 50Hz ~ 20kHz |
| CROSSOVER FREQUENCY | 3.3kHz | 1.5kHz | 4kHz | 3kHz |
| RECOMMENDED SUBSONIC FILTER | 60Hz, 24dB/octave | 55Hz, 24dB/octave | 50Hz, 24dB/octave | 45Hz, 24dB/octave |
| HF DIRECTIVITY | 90° x 50° | 90° x 50° | 90° x 50° | 90° x 50° |
| SENSITIVITY (1W 1M) | 92dB | 94dB | 95dB | 96dB |
| MAX SPL | ||||
| CONTINUOUS | 112dB | 117dB | 121dB | 124dB |
| PEAK | 118dB | 123dB | 127dB | 130dB |
| POWER HANDING | ||||
| CONTINUOUS | 100W | 200W | 400W | 600W |
| PROGRAM | 200W | 400W | 800W | 1200W |
| 1 x Twist-lock | 1 x Twist-lock | 1 x Twist-lock | 1 x Twist-lock connector | |
| CONNECTORS | connector (input) | connector (input) | connector (input) | (input) |
| 1 x Twist-lock | 1 x Twist-lock | 1 x Twist-lock | 1 x Twist-lock connector | |
| connector (link) | connector (link) | connector (link) | (link) | |
| 35.5mm pole, 18 | 35.5mm pole, 18 | 35.5mm pole, 18 x | 35.5mm pole, 17 x | |
| MOUNTING | x M10 suspension | x M10 suspension | M10 suspension points | M10 suspension points |
| points | points | |||
| FINISH | Durable Paint | Durable Paint | Durable Paint | Durable Paint |
| ENCLOSURE SHAPE | Wedge, with one | Wedge, with one 45° | Wedge, with one | Wedge, with one 45° |
| 45° face | face | 45° face | face | |
| ENCLOSURE MATERIAL | 15mm Plywood | 15mm Plywood | 15, 18mm Plywood | 15, 18mm Plywood |
| Powder coated 18 | Powder coated 18 | Powder coated 18 | Powder coated 18 | |
| GRILLE | gauge perforated | gauge perforated | gauge perforated steel | gauge perforated steel |
| steel | steel | |||
| DIMENSIONS HxWxD mm | 445 x 270 x 290 | 517 x 320 x 350 | 610 x 360 x 380 | 685 x 435 x 458 |
| WEIGHT | 11.7kg | 14.5kg | 17.3kg | 23kg |
| SLX 1152 | SLX 1252 | |
| DESCRIPTION | Passive 2 way, dual 15″, bass-reflex | Passive 3 way, dual 15″, bass-reflex |
| LF TRANSDUCER | ||
| SIZE | 2 x 15″ | 2 x 15″ |
| VOICE COIL | 3″ | 3″ |
| HF TRANSDUCER | ||
| SIZE | 1 x 2″ | 1 x 1″ |
| VOICE COIL | 3″ | 3″ |
| NOMINAL IMPEDANCE | 4Ω | 4Ω |
| FREQUENCY RANGE (-10dB) | 35Hz ~ 19kHz | 35Hz ~ 20kHz |
| FREQUENCY RESPONSE(-3dB) | 47Hz ~ 17kHz | 47Hz ~ 18kHz |
| CROSSOVER FREQUENCY | 2 way: 1.5kHz | 3 way: 2.4kHz/ 700Hz |
| RECOMMENDED SUBSONIC FILTER | 40Hz, 24dB/octave | 35Hz, 24dB/octave |
| HF DIRECTIVITY | 90° x 50° | 90° x 50° |
| SENSITIVITY (1W 1M) | 99dB | 100dB |
| MAX SPL | ||
| CONTINUOUS | 130dB | 135dB |
| PEAK | 136dB | 141dB |
| POWER HANDING | ||
| CONTINUOUS | 1200W | 1500W |
| PROGRAM | 2400W | 3000W |
| CONNECTORS | 1 x Twist-lock connector (input) 1 x Twist-lock connector (link) | 1 x Twist-lock connector (input) 1 x Twist-lock connector (link) |
| FINISH | Durable Paint | Durable Paint |
| ENCLOSURE SHAPE | Trapezoidal | Rectangular |
| ENCLOSURE MATERIAL | 18mm Plywood | 18mm Plywood |
| GRILLE | Powder coated 18 gauge perforated steel | Powder coated 18 gauge perforated steel |
| DIMENSIONS HxWxD mm | 1192 x 546 x 517 | 1416 x 560 x 517 |
| WEIGHT | 56kg | 68kg |
Manufactured by Sonodyne Technologies Pvt. Ltd, 98 NB Block E New Alipore, Kolkata 700053, INDIA
- Tel: 1-800-123-37-36;
- E-mail: [email protected]
- Please visit us at www.sonodyne.com






















