INTELLICHEM® CONTROLLER
TITLE 22 UPGRADE KIT
INSTALLATION INSTRUCTIONS
Title 22 of California’s Water Recycling Criteria refers to California state guidelines for how treated and recycled water is discharged and used. The standards require the state’s Department of Health Services to enforce water and bacteriological treatment standards for pool/spa water in commercial pools.
The Commercial IntelliChem Chemical Controller meets Title-22 requirements to record of historical log of sensor data including the water temperature. For more information, refer to the Commercial IntelliChem Installation and User’s Guide (P/N 522669).
This upgrade kit includes installation instructions for:
– IntelliChem Controller Daughter Card – P/N 523470 (page 2)
– Water temperature sensor for use with a 10kΩ thermistor (page 3)
Kit Contents P/N 523537Z
- PCBA Daughter Card – P/N 523470
- Water Sensor with fitting 10′ Ecolab – P/N 820041000
- Strain Relief 1/4″ not heyco m4514 – P/N 521339
- Screw #6×3/4 ph phl ss plastic – P/N 523142
- IntelliChem Controller Installation Instructions (this manual)
Risk of Electrical Shock or Electrocution!
IntelliChem controller must be installed by a licensed or certified electrician or a qualified pool professional in accordance with the current National Electrical Code and all applicable local codes and ordinances. Improper installation will create an electrical hazard that could result in death or serious injury to pool users, installers or others due to electrical shock, and may also cause damage to property.
WARNING Always disconnect the power to the IntelliChem controller enclosure at the circuit breaker before servicing the unit. Failure to do so could result in death or serious injury to servicemen, pool users, or others due to electrical shock.
IntelliChem Controller Daughter Card Installation
Installing the Daughter Card
Install the PCB Daughter Card as follows: See the Diagram below.
- TURN OFF POWER TO ALL POOL AND SPA EQUIPMENT BEFORE STARTING. CAUTION! DO NOT PLUG IN OR UNPLUG ANY SYSTEM COMPONENTS WITH THE POWER ON. THIS MAY DAMAGE THE SYSTEM COMPONENTS.
- Disconnect the DC Power Plug from the main controller board.
- Unlatch the Controller’s front door latch and open the door.
- Remove the two screws securing the IntelliChem Controller mainboard, as shown below.
- Remove the PCB Daughter Card from the package. 6. Locate the male pins on the back of the PCB Daughter Card.
- Align PCB pins with the pin socket on the main PCB. As shown below. Note: Use the screw holes to align the PCB pins.
- Once the PCB Daughter Card is in place, secure the board with the two screws (provided in kit) removed in Step 3.
- Reconnect the DC Power Plug on the main Controller board.

INTELLICHEM® CONTROLLER UPGRADE INSTRUCTIONS
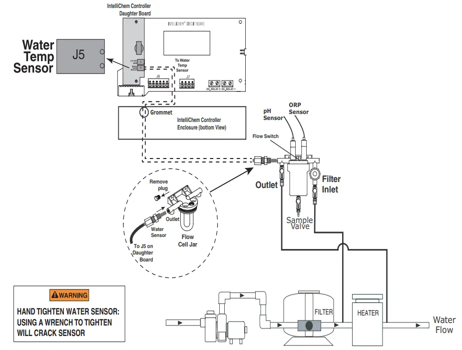
Installing / Wiring the Water Temperature Sensor
Install the Water Temperature Sensor as follows: See the Diagram below.
- TURN OFF POWER TO ALL POOL AND SPA EQUIPMENT BEFORE STARTING. CAUTION! DO NOT PLUG IN OR UNPLUG ANY SYSTEM COMPONENTS WITH THE POWER ON. THIS MAY DAMAGE THE SYSTEM COMPONENTS.
- Disconnect the DC Power Plug from the main controller board.
- The Water Sensor wires are 10 ft long. Be sure the IntelliChem control enclosure is within 10 feet of the Flow Cell Jar.
- Remove the plug from the Flow Cell Jar located on the Filter Inlet port side of the jar.
- Carefully insert the sensor prong into the OUTLET (shown) or INLET port. Screw on the sensor fitting into the port. HAND TIGHTENS ONLY DO NOT OVER TIGHTEN.
- Route the temperature sensor wires through the same bottom grommet used by the RS-485 wires from the wireless device.
- Insert the Black and Red wires into the J5 connector on the IntelliChem Daughter Card. Note: There is no polarity for the wires.
- Power up the system and check for water leaks. Water leaks will cause damage to other components! Check the Water Sensor is firmly secure in the fitting and that water does not leak out of the fitting. Extreme pressure variances may affect readings and can cause damage to the sensors.
- Reconnect the DC Power Plug on the main Controller board.

IntelliChem® Controller Water Sensor Installation
PARTS LIST
INTELLICHEM (TITLE 22 UPGRADE KIT) PARTS LIST P/N 523537Z
| P/N | Description | Qty. |
| 521339 | STRAIN RELIEF 1/4” NPT HEYCO M4514 | 1 |
| 521621 | LBL HANDLING LITHIUM-ION BATTERY UN3481 | 1 |
| 522657 | LBL LITHIUM BATT INFO TEAR-OFF DOCUMENT | 1 |
| 523142 | SCREW #6X3/4 PH PHL SS PLASTIC | 2 |
| 523470 | PCBA DAUGHTER CARD SCHEME | 1 |
| 523542 | INST TITLE 22 UPGRADE | 1 |
| 522669 | INST COM INTELLICHEM | 1 |
| 820041000 | SENSTEMP W/FTG 10’ECOLAB | 1 |
Notes
1620 HAWKINS AVE., SANFORD, NC 27330 • (919) 566-8000
10951 WEST LOS ANGELES AVE., MOORPARK, CA 93021 • (805) 553-5000
WWW.PENTAIR.COM
All indicated Pentair trademarks and logos are property of Pentair Inc. or its global affiliates in the U.S.A. and/or other countries. Third-party registered and unregistered trademarks and logos are the property of their respective owners.
© 2021 Pentair. All rights reserved. This document is subject to change without
P/N 523542.A 2/2021

















