Scotsman Modular Flake and Nugget Ice Machines

Introduction
This ice machine is the result of years of experience with flaked and nugget ice machines. The latest in electronics has been coupled with the time tested Scotsman flaked ice system to provide reliable ice making and the features needed by customers. The features include easily accessible air filters, simple conductivity water level sensing, evaporator clearing at shut down, photo-eye sensing bin control and the ability to add options.
NH0422, NS0422, FS0522, NH0622, NS0622, FS0822, NH0922, NS0922, FS1222, NH1322, NS1322, FS1522 A Series Air, Water, or Remote User Manual
Installation
This machine is designed to be used indoors, in a controlled environment. Operation outside the limits listed here will void the warranty.
Air temperature limits
| Minimum | Maximum | |
| Ice maker | 50oF. | 100oF. |
| Remote condenser | -20oF. | 120oF. |
Water temperature limits
| Minimum | Maximum | |
| All models | 40oF. | 100oF. |
Water pressure limits (potable)
| Maximum | Minimum | |
| All models | 20 psi | 80 psi |
Water pressure limit to water cooled condenser is 150 PSI
Voltage limits
| Minimum | Maximum | |
| 115 volt | 104 | 126 |
| 208-230 60 Hz | 198 | 253 |
Minimum conductivity (RO water)
10 microSiemens / CM
Water Quality (ice making circuit)
Potable
The quality of the water supplied to the ice machine will have an impact on the time between cleanings and ultimately on the life of the product. Water can contain impurities either in suspension or in solution. Suspended solids can be filtered out. In solution or dissolved solids cannot be filtered, they must be diluted or treated. Water filters are recommended to remove suspended solids. Some filters have treatment in them for dissolved solids.
Check with a water treatment service for a recommendation.
RO water. This machine can be supplied with Reverse Osmosis water, but the water conductivity must be no less than 10 microSiemens/cm.
Potential for Airborne Contamination
Installing an ice machine near a source of yeast or similar material can result in the need for more frequent sanitation cleanings due to the tendency of these materials to contaminate the machine.
Most water filters remove chlorine from the water supply to the machine which contributes to this situation. Testing has shown that using a filter that does not remove chlorine, such as the Scotsman Aqua Patrol, will greatly improve this situation.
Warranty Information
The warranty statement for this product is provided separately from this manual. Refer to it for applicable coverage. In general warranty covers defects in material or workmanship. It does not cover maintenance, corrections to installations, or situations when the machine is operated in circumstances that exceed the limitations printed above.
Location
While the machine will operate satisfactorily within the listed air and water temperature limits, it will produce more ice when those temperatures are nearer the lower limits. Avoid locations that are hot, dusty, greasy or confined. Air cooled models need plenty of room air to breathe. Air cooled models must have at least six inches of space at the back for air discharge; however, more space will allow better performance.
Airflow
Air flows into the front of the cabinet and out the back. The air filters are on the outside of the front panel and are easily removed for cleaning.

Options
Ice is made until it fills the bin enough to block an infrared light beam inside the base of the machine. A field installed kit is available to adjust the maintained ice level lower. The kit number is KVS.
The standard controller has excellent diagnostic capabilities and communicates to the user through the AutoAlert light panel, seen through the front panel. Field installed kits are available that can log data and provide additional information when the front panel is removed. The kit numbers are KSBU and KSB-NU.
Bin compatibility
All models have the same footprint: 22 inches wide by 24 inches deep. Confirm available space when replacing a prior model.
Bin & adapter list:
- B322S – no adapter needed
- B330P or B530P or B530S – Use KBT27
- B842S – KBT39
- B948S – KBT38 for single unit
- B948S – KBT38-2X for two units side by side
- BH1100, BH1300 and BH1600 upright bins include filler panels to accommodate a single 22 inch wide ice machine. No adapter is needed.
Dispenser compatibility
Only nugget ice models may be used with ice dispensers. Flaked ice is not dispensable.
- ID150 – use KBT42 and KDIL-PN-150, includes KVS, KNUGDIV and R629088514
- ID200 – use KBT43 and KNUGDIV and KVS
- ID250 – use KBT43 and KNUGDIV and KVS
See sales literature for other brand model ice and beverage dispenser applications.
Other Bins & Applications:
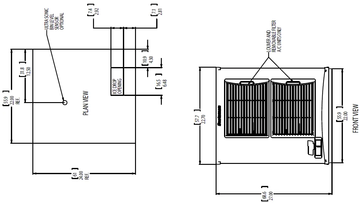
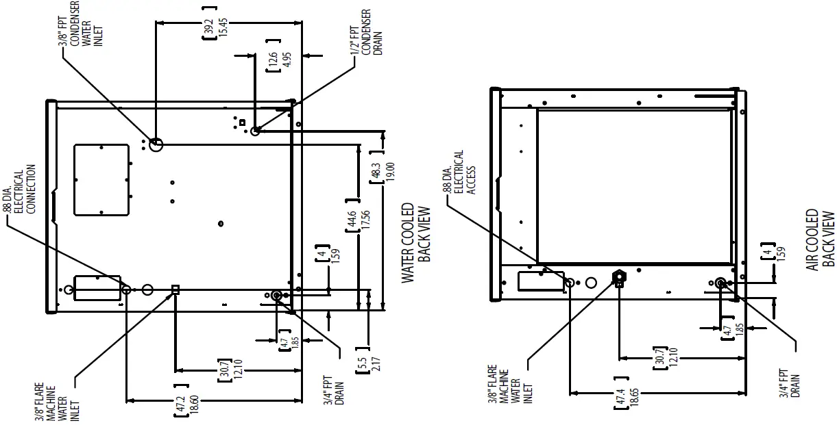
Note the drop zone and ultrasonic sensor locations in the illustrations on the next pages.
Scotsman ice systems are designed and manufactured with the highest regard for safety and performance. Scotsman assumes no liability of responsibility of any kind for products manufactured by Scotsman that have been altered in any way, including the use of any part and/or other components not specifically approved by Scotsman.
Scotsman reserves the right to make design changes and/or improvements at any time. Specifications and design are subject to change without notice.
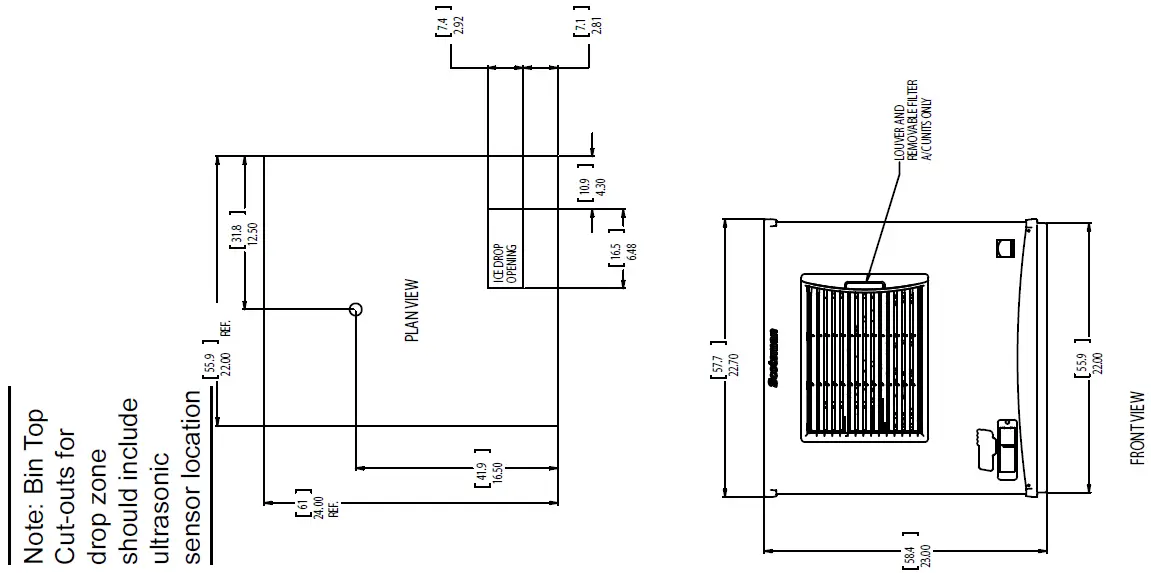
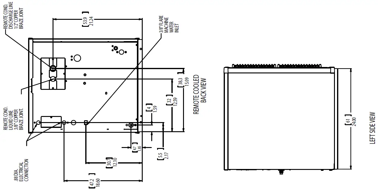
NH0422, NS0422, FS0522, NH0622, NS0622, FS0822, NH0922, NS0922, FS1222, NH1322, NS1322, FS1522 A Series Air, Water, or Remote User Manual NH0422, NS0422, FS0522, NH0622, NS0622, F0822 Cabinet Layout



Note: Bin Top Cut-outs for drop zone should include ultrasonic sensor location



NH0422, NS0422, FS0522, NH0622, NS0622, FS0822, NH0922, NS0922, FS1222, NH1322, NS1322, FS1522 A Series Air, Water, or Remote User Manual
Unpacking & Install Prep
Remove the carton from the skid. Check for hidden freight damage, notify the carrier immediately if any is found. Retain the carton for the carrier’s inspection.
The machine is not bolted to the skid. If strapped remove the strap.
Place on Bin or Dispenser
If reusing an existing bin, be sure that the bin is in good shape and that the gasket tape on the top is not torn up. Water leaks, not covered by warranty, could result from a poor sealing surface. If installing a remote or a remote low side, a new bin is recommended due to the high cost to the user of replacing an old bin when a remote system is on top.
Install the correct adapter, following the directions supplied with that adapter.
Hoist the machine onto the adapter.
Note: The machine is heavy! Use of a mechanical lift is recommended.
Position the machine on the bin or adapter. Secure with straps from the hardware bag packed with the machine, or those supplied with the adapter.
Remove any plastic covering the stainless steel panels.
Remove any packaging, such as tape or foam blocks, that may be near the gear reducer or ice chute.
Level the bin and ice machine front to back and left to right by using the bin leg levelers.
Panel Removal

- Locate and loosen the two screws at the bottom of the front panel.
- Pull the front panel out at the bottom until it clears.
- Lower the front panel down and off the machine.
- Remove two screws at the front of the top panel. Lift up the front of the top panel, push the top panel back an inch, then lift to remove.
- Locate and loosen the screw holding each side panel to the base. Left side panel also has a screw holding it to the control box.
- Pull the side panel forward to release it from the back panel.
Control Panel Door
The door can be moved to allow access to the on and off switches.

NH0422, NS0422, FS0522, NH0622, NS0622, FS0822, NH0922, NS0922, FS1222, NH1322, NS1322, FS1522 A Series Air, Water, or Remote User Manual
Water- Air or Water Cooled
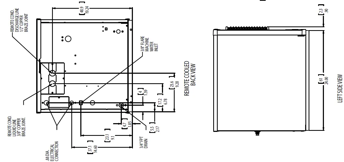
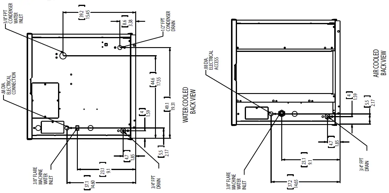
The water supply for ice making must be cold, potable water. There is a single 3/8” male flare potable water connection on the back panel. Water cooled models also have a 3/8” FPT inlet connection for the water cooled condenser. Chilled water can also be used for this connection.
Backflow
The design of the float valve and reservoir prevents potable water backflow by means of a 1″ air gap between the reservoir’s maximum water level and the float valve water inlet orifice.
Drain
There is one 3/4” FPT condensate drain fitting at the back of the cabinet. Water cooled models also have a 1/2” FPT discharge drain connection on the back panel.
Attach Tubing
Connect the potable water supply to the potable water fitting, 3/8” OD copper tubing or the equivalent is recommended.
Water filtration is recommended. If there is an existing filter, change the cartridge.
Connect the water cooled water supply to the condenser inlet.
Note: Do NOT filter water to the water cooled condenser circuit.
Drains – use rigid tubing: Connect the drain tube to the condensate drain fitting. Vent the drain.
Connect the water cooled condenser drain tube to the condenser outlet. Do not vent this drain.
Do not Tee ice machine drains into the drain tube from the ice storage bin or dispenser. Back ups could contaminate and / or melt the ice in the bin or dispenser. Be sure to vent the bin drain.
Follow all local and national codes for tubing, traps and air gaps.

Electrical – All Models
The machine does not include a power cord, one must be field supplied or the machine hard wired to the electrical power supply.
The junction box for the power cord is on the back panel.
Refer to the dataplate on the machine for minimum circuit ampacity and determine the proper wire size for the application. The dataplate (on the back of the cabinet) also includes the maximum fuse size.
Connect electrical power to wires inside the junction box in the back of the cabinet. Use a strain relief and connect a ground wire to the ground screw.
Remote models power the condenser fan motor from marked leads in the junction box.
Do not use an extension cord. Follow all local and national codes.
| Model | Series | Dimensions w” x d” x h” | Voltage Volts/Hz/Phase | Condenser Type | Min Circuit Ampacity | Max Fuse Size or HACR Type Circuit Breaker |
| NH0422A-1 | A | 22 x 24 x 23 | 115/60/1 | Air | 12.9 | 15 |
| NH0422W-1 | A | 22 x 24 x 23 | 115/60/1 | Water | 12.1 | 15 |
| NS0422A-1 | A | 22 x 24 x 23 | 115/60/1 | Air | 12.9 | 15 |
| NS0422W-1 | A | 22 x 24 x 23 | 115/60/1 | Water | 12.1 | 15 |
| FS0522A-1 | A | 22 x 24 x 23 | 115/60/1 | Air | 12.9 | 15 |
| FS0522W-1 | A | 22 x 24 x 23 | 115/60/1 | Water | 12.1 | 15 |
| NH0622A-1 | A | 22 x 24 x 23 | 115/60/1 | Air | 16.0 | 20 |
| NH0622W-1 | A | 22 x 24 x 23 | 115/60/1 | Water | 14.4 | 20 |
| NH0622R-1 | A | 22 x 24 x 23 | 115/60/1 | Remote | 17.1 | 20 |
| NS0622A-1 | A | 22 x 24 x 23 | 115/60/1 | Air | 16.0 | 20 |
| NS0622W-1 | A | 22 x 24 x 23 | 115/60/1 | Water | 14.4 | 20 |
| NS0622R-1 | A | 22 x 24 x 23 | 115/60/1 | Remote | 17.1 | 20 |
| FS0822A-1 | A | 22 x 24 x 23 | 115/60/1 | Air | 16.0 | 20 |
| FS0822W-1 | A | 22 x 24 x 23 | 115/60/1 | Water | 14.4 | 20 |
| FS0822R-1 | A | 22 x 24 x 23 | 115/60/1 | Remote | 17.1 | 20 |
| NH0622A-32 | A | 22 x 24 x 23 | 208-230/60/1 | Air | 8.8 | 15 |
| NS0622A-32 | A | 22 x 24 x 23 | 208-230/60/1 | Air | 8.8 | 15 |
| FS0822W-32 | A | 22 x 24 x 23 | 208-230/60/1 | Water | 7.6 | 15 |
| NS0622A-6 | A | 22 x 24 x 23 | 230/50/1 | Air | 7.9 | 15 |
| Model | Series | Dimensions w” x d” x h” | Voltage Volts/ Hz/Phase | Condenser Type | Min Circuit Ampacity | Max Fuse Size or HACR Type Circuit Breaker |
| NH0922A-1 | A | 22 x 24 x 27 | 115/60/1 | Air | 24.0 | 30 |
| NH0922R-1 | A | 22 x 24 x 27 | 115/60/1 | Remote | 25.0 | 30 |
| NS0922A-1 | A | 22 x 24 x 27 | 115/60/1 | Air | 24.0 | 30 |
| NS0922R-1 | A | 22 x 24 x 27 | 115/60/1 | Remote | 25.0 | 30 |
| NH0922A-32 | A | 22 x 24 x 27 | 208-230/60/1 | Air | 11.9 | 15 |
| NH0922W-32 | A | 22 x 24 x 27 | 208-230/60/1 | Water | 10.7 | 15 |
| NH0922R-32 | A | 22 x 24 x 27 | 208-230/60/1 | Remote | 11.7 | 15 |
| NS0922A-32 | A | 22 x 24 x 27 | 208-230/60/1 | Air | 11.9 | 15 |
| NS0922W-32 | A | 22 x 24 x 27 | 208-230/60/1 | Water | 10.7 | 15 |
| NS0922R-32 | A | 22 x 24 x 27 | 208-230/60/1 | Remote | 11.7 | 15 |
| FS1222A-32 | A | 22 x 24 x 27 | 208-230/60/1 | Air | 11.9 | 15 |
| FS1222W-32 | A | 22 x 24 x 27 | 208-230/60/1 | Water | 10.7 | 15 |
| FS1222R-32 | A | 22 x 24 x 27 | 208-230/60/1 | Remote | 11.7 | 15 |
| NS0922W-3 | A | 22 x 24 x 27 | 208-230/60/3 | Water | 8.0 | 15 |
| FS1222A-3 | A | 22 x 24 x 27 | 208-230/60/3 | Air | 9.2 | 15 |
| FS1222R-3 | A | 22 x 24 x 27 | 208-230/60/3 | Remote | 9.0 | 15 |
| NH1322A-32 | A | 22 x 24 x 27 | 208-230/60/1 | Air | 17.8 | 20 |
| NH1322W-32 | A | 22 x 24 x 27 | 208-230/60/1 | Water | 16.6 | 20 |
| NH1322R-32 | A | 22 x 24 x 27 | 208-230/60/1 | Remote | 17.6 | 20 |
| NS1322A-32 | A | 22 x 24 x 27 | 208-230/60/1 | Air | 17.8 | 20 |
| NS1322W-32 | A | 22 x 24 x 27 | 208-230/60/1 | Water | 16.6 | 20 |
| NS1322R-32 | A | 22 x 24 x 27 | 208-230/60/1 | Remote | 17.6 | 20 |
| FS1522A-32 | A | 22 x 24 x 27 | 208-230/60/1 | Air | 17.8 | 20 |
| FS1522R-32 | A | 22 x 24 x 27 | 208-230/60/1 | Air | 17.6 | 20 |
| NS1322W-3 | A | 22 x 24 x 27 | 208-230/60/3 | Water | 9.9 | 15 |
| NH1322W-3 | A | 22 x 24 x 27 | 208-230/60/3 | Water | 9.9 | 15 |
Refrigeration – Remote Condenser Models

Remote condenser models have additional installation needs.
The correct remote condenser fan and coil must
be connected to the ice making head. Liquid and discharge tubing connections are on the back of
the ice machine cabinet. Tubing kits are available in several lengths to accommodate most installations. Order the one that just exceeds the length needed for the installation.
The kit numbers are:
BRTE10, BRTE25, BRTE40, BRTE75
There are limits as to how far away from the ice machine and where the remote condenser can be located. See page 10 for those limits.
The correct condenser must be used:
| Ice Machine Model | Voltage | Condenser Model |
| NH0622R-1 NS0622R-1 FS0822R-1 NH0922R-1 NS0922R-1 | 115 | ERC111-1 |
| NH0922R-32 NS0922R-32 FS1222R-32 FS1222R-3 | 208-230 | ERC311-32 |
| NH1322R-32 NS1322R-32 | 208-230 | ERC311-32 |
Do not reuse condenser coils contaminated with mineral oil (used with R-502 for example). They will cause compressor failure and will void the warranty.
A headmaster is required for all remote condenser systems. Installation of headmaster kit KPFHM will be required if any of the following condensers are being used:
ERC101-1, ERC151-32, ERC201-32, ERC301-32, ERC402-32
Use of non-Scotsman condensers requires pre-approval from Scotsman Engineering.

Remote Condenser Location – Limits
Use the following for planning the placement of the condenser relative to the ice machine
Location Limits – condenser location must not exceed ANY of the following limits:
- Maximum rise from the ice machine to the condenser is 35 physical feet
- Maximum drop from the ice machine to the condenser is 15 physical feet
- Physical line set maximum length is 100 feet.
- Calculated line set length maximum is 150.
Calculation Formula: - Drop = dd x 6.6 (dd = distance in feet)
- Rise = rd x 1.7 (rd = distance in feet)
- Horizontal Run = hd x 1 (hd = distance in feet)
- Calculation: Drop(s) + Rise(s) + Horizontal
- Run = dd+rd+hd = Calculated Line Length
Configurations that do NOT meet these requirements must receive prior written authorization from Scotsman to maintain warranty.
Do NOT:
- Route a line set that rises, then falls, then rises.
- Route a line set that falls, then rises, then falls.
Calculation Example 1:
The condenser is to be located 5 feet below the ice machine and then 20 feet away horizontally.
5 feet x 6.6 = 33. 33 + 20 = 53. This location would be acceptable Calculation Example 2:
The condenser is to be located 35 feet above and then 100 feet away horizontally. 35 x 1.7 = 59.5.
59.5 +100 = 159.5. 159.5 is greater than the 150 maximum and is NOT acceptable.
Operating a machine with an unacceptable configuration is misuse and will void the warranty.

For The Installer: Remote Condenser
Locate the condenser as near as possible to the interior location of the ice machine. Allow it plenty of space for air and cleaning: keep it a minimum of two feet away from a wall or other rooftop unit.
Note: The location of the condenser relative to the ice machine is LIMITED by the specification on the prior page.
Roof penetration. In many cases a roofing contractor will need to make and seal the hole in the roof for the line sets. The suggested hole diameter is 2 inches.
Meet all applicable builAding codes.
Roof Attachment
Install and attach the remote condenser to the roof of the building, using the methods and practices of construction that conform to the local building codes, including having a roofing contractor secure the condenser to the roof


Line Set Routing and Brazing (applies to remote units only)
Do not connect the refrigeration tubing until all routing and forming of the tubing is complete. See the Coupling Instructions for final connections.
- Each set of tubing lines contains a 3/8” diameter liquid line, and a 1/2” diameter discharge line.
Both ends of each line are designed for field brazed connections.
Note: The openings in the building ceiling or wall, listed in the next step, are the minimum sizes recommended for passing the refrigerant lines through. - Have the roofing contractor cut a minimum hole for the refrigerant lines of 2”. Check local codes, a separate hole may be required for the electrical power supply to the condenser.
Caution: Do NOT kink the refrigerant tubing while routing it. - Route the refrigerant tubes thru the roof opening. Follow straight line routing whenever possible.
Excess tubing must be cut to proper length prior to connecting to the ice maker and condenser. - The tubing must be evacuated after connection to the ice maker or condenser before opening the ball valve.
- Have the roofing contractor seal the holes in the roof per local codes

Do not connect the refrigerant tubing until all routing and forming of the tubing is complete. Final connections requires brazing, steps must
be performed by an EPA certified type II or higher technician.
The Lineset of tubing contains a 3/8” diameter liquid line, and a 1/2” diameter discharge line.
Note: The openings in the building ceiling or wall, listed in the next step, are the minimum sizes recommended for passing the refrigerant lines through.
Have the roofing contractor cut a minimum hole for the refrigerant lines of 1 3/4”. Check local codes, a separate holAe may be required for the electrical power supply to the condenser.
Caution: Do NOT kink the refrigerant tubing while routing it.
At Condenser:
- Remove protective plugs from both connections and vent the nitrogen from the condenser.
- Remove the tubing access bracket to allow more room for brazing.
- Route the lineset tubes to there connection.
- Clean tubing ends and position into stubs.
Note: Be sure tube and stubs are round, dress with swage tool if needed.
At Head:
- Remove the tubing access bracket to allow more room for brazing.
- Confirm connection ball valves are fully closed.
- Remove protective plugs from both connections.
- Remove caps from access valve connections.
- Remove cores from access valves.
- Connect refrigeration hoses to access valves.
- Connect dry nitrogen source to liquid line connection.
- Shorten tubing to correct length, clean ends and insert them into valve stubs.
Note: Be sure tube and stubs are round, dress with swage tool if needed. - Add heat sink material to ball valve body.
- Open nitrogen and flow 1 psi nitrogen into liquid line tube and braze the liquid line and suction line tubes to the valve stubs.
- With nitrogen flowing braze the liquid and suction line connections.
At Condenser:
Braze the liquid and suction line connections.
At Head:
- Remove nitrogen source.
- Return valve cores to access valves.
- Connect vacuum pump to both access valves and evacuate the tubing and head to at least a 300 micron level.
- Remove vacuum pump and add R-404A to all three tubes to provide a positive pressure.
- Leak check the all braze connections and repair any leaks.
- Open both valves to full open.
Note: The full refrigerant charge is contained in the receiver of the ice machine.
Water – Remote Models
The water supply for ice making must be cold, potable water. There is a single 3/8” male flare potable water connection on the back panel.
Backflow
The design of the float valve and reservoir prevents potable water backflow by means of a 1″ air gap between the reservoir’s maximum water level and the float valve water inlet orifice.
Drain
There is one 3/4” FPT condensate drain fitting at the back of the cabinet.
Attach Tubing
- Connect the potable water supply to the potable water fitting, 3/8” OD copper tubing or the equivalent is recommended.
- Change the cartridge on the existing water filter (if any present).
- Connect the drain tube to the condensate drain fitting. Use rigid tubing.
- Vent the drain tubing between the ice machine and the building drain.

Do not Tee ice machine drains into the drain tube from the ice storage bin or dispenser. Back ups could contaminate and / or melt the ice in the bin or dispenser. Be sure to vent the bin drain.
Follow all local and national codes for tubing, traps and air gaps.
Final Check List
After connections:
- Wash out the bin. If desired, the interior of the bin could be sanitized.
- Locate the ice scoop (if supplied) and have it available for use when needed.
- Remote only: Switch on the electrical power to warm up the compressor. Do not start the machine for 4 hours.
Final Check List:
- Is the unit located indoors in a controlled environment?
- Is the unit located where it can receive adequate cooling air?
- Has the correct electrical power been supplied to the machine?
- Have all the water supply connections been made?
- Have all the drain connections been made?
- Has the unit been leveled?
- Have all unpacking materials and tape been removed?
- Has the protective covering on the exterior panels been removed?
- Is the water pressure adequate?
- Have the drain connections been checked for leaks?
- Has the bin interior been wiped clean or sanitized?
- Have any water filter cartridges been replaced?
- Have all required kits and adapters been properly installed?
Control and Machine Operation
Once started, the ice machine will automatically make ice until the bin or dispenser is full of ice. When ice level drops, the ice machine will resume making ice.
Caution: Do not place anything on top of the ice machine, including the ice scoop. Debris and moisture from objects on top of the machine can work their way into the cabinet and cause serious damage. Damage caused by foreign material is not covered by warranty.
There are four indicator lights at the front of the machine that provide information on the condition of the machine: Power, Status, Water, De-scale & Sanitize.

Note: If the De-Scale & Sanitize light is ON, following the cleaning process will clear the light for another cleaning time internal.
Two button switches are at the front – On and Off. To switch the machine OFF, push and release the Off button. The machine will shut off at the end of the next cycle. To switch the machine ON, push and release the On button. The machine will go through a start up process and then resume ice making.
Lower Light and Switch Panel
This user accessible panel provides important operational information and duplicates the lights and switches on the controller. It also allows access to the On and Off buttons that operate the ice machine.
Sometimes access to the switches should be limited to prevent unauthorized operation. For that purpose a fixed panel is shipped in the hardware package. The fixed panel cannot be opened.
To install the fixed panel:
- Remove the front panel and remove the bezel.
- Spread the bezel frame open and remove original door, insert fixed panel into bezel. Be sure it is in the closed position.
- Return bezel to panel and install panel on unit.
Initial Start Up and Maintenance
- Turn the water supply on. Remote models also open the liquid line valve.
- Confirm voltage and switch on electrical power.
- Push and release the On button. The machine will start in about two minutes.
- Soon after starting, air cooled models will begin to blow warm air out the back of the cabinet and water cooled models will drain warm water from the condenser drain tube. Remote models will be discharging warm air from the remote condenser. After about 5 minutes, ice will begin to drop into the bin or dispenser.
- Check the machine for unusual rattles. Tighten any loose screws, be sure no wires are rubbing moving parts. Check for tubes that rub. Remote models check brazed connections for leaks, retighten as needed.
- Scan the QR code found behind the front panel door and complete the warranty registration online or fill out and mail the included warranty registration card
- Notify the user of the maintenance requirements and whom to call for service.
Maintenance
This ice machine needs five types of maintenance:
- Air cooled and remote models need their air filters or condenser coils cleaned regularly.
- All models need scale removed from the water system.
- All models require regular sanitization.
- All models require sensor cleaning.
- All models require a top bearing check. Maintenance Frequency:
Air filters: At least twice a year, but in dusty or greasy air, monthly.
Scale removal. At least twice a year, in some water conditions it might be every 3 months. The yellow De-Scale & Sanitize light will switch on after a set period of time as a reminder. The default time period is 6 months of power up time.
Sanitizing: Every time the scale is removed or as often as needed to maintain a sanitary unit.
Sensor Cleaning: Every time the scale is removed.
Top bearing check: At least twice a year or every time the scale is removed. During the course of normal operation, some material buildup on top of the bearing is normal and should be wiped away during maintenance.
Maintenance: Air filters
- Pull air filter(s) from panel.
- Wash the dust and grease off the filter(s).
- Return it(them) to their original position(s).
Do not operate the machine without the filter in place except during cleaning.
Maintenance: Air cooled condenser
If the machine has been operated without a filter the air cooled condenser fins will need to be cleaned.
They are located under the fan blades. The services of a refrigeration technician will be required to clean the condenser.
Maintenance: Remote air cooled condenser
The condenser fins will occasionally need to be cleaned of leaves, grease or other dirt. Check the coil every time the ice machine is cleaned.
Maintenance: Exterior Panels
The front and side panels are durable stainless steel. Fingerprints, dust and grease will require cleaning with a good quality stainless steel cleaner
Note: If using a sanitizer or a cleaner that contains chlorine on the panels, after use be sure to wash the panels with clean water to remove chlorine residue.
Maintenance: Water filters
If the machine has been connected to water filters, check the cartridges for the date they were replaced or for the pressure on the gauge. Change cartridges if they’ve been installed more than 6 months or if the pressure drops too much during ice making.
Maintenance: Scale Removal and Sanitation
Note: Following this procedure will reset the de-scale and sanitize light.
- Remove front panel.
- Push and release the Off button.
- Remove ice from bin or dispenser.
- Turn the water supply to the float valve OFF.
- Drain the water and evaporator by disconnecting the leg of the hose connected to the water sensor and draining it into the bin. Return the hose to its original position.
- Remove the water reservoir cover.
- Mix a solution of 8 ounces of Scotsman Clear One Scale Remover and 3 quarts of 95-115 degree F. potable water.

- Pour the scale remover solution into the reservoir. Use a small cup for pouring.
- Push and release the Clean button: the auger drive motor and light are on, C is displayed and the De-scale light blinks. After 20 minutes the compressor will start.
- Operate the machine and pour the scale remover into the reservoir until it is all gone. Keep the reservoir full. When all the scale remover solution has been used, turn the water supply back on. After 20 minutes of ice making the compressor and auger motor will shut off.
- Turn the water supply to the ice machine OFF
- Drain the water reservoir and evaporator by disconnecting the leg of the hose connected to the water sensor and draining it into the bin or a bucket. Return the hose to its original position. Discard or melt all ice made during the previous step.
- Create a solution of sanitizer. Mix 4oz/118ml of NuCalgon IMS and 2.5gal/9.5L of (90°F/32°C to 110°F/43°C) potable water to create a 200 ppm solution.
- Pour the sanitizing solution into the reservoir.
- Push and release the On button.
- Switch the water supply to the ice machine on.
- Operate the machine for 20 minutes.
- Push and release the Off button.
- Wash the reservoir cover in the remaining sanitizing solution.
- Return the reservoir cover to its normal position.
- Melt or discard all ice made during the sanitizing process.
- Wash the inside of the ice storage bin with the sanitizing solution
- Push and release the On button.
- Return the front panel to its original position and secure with the original screws
| Model: | Scotsman Clear One | Water |
| NS0422, NS0622, NS0922, NS1322, FS0522, FS0822, FS1222, FS1522 | 8 oz. | 3 qts. |
| NH0422, NH0622, NH0922, NH1322 | 3 oz. | 3 qts. |
Maintenance: Sensors
Photo Eyes
The control that senses bin full and empty is a photo-electric eye, therefore it must be kept clean so it can “see”. At least twice a year, remove the ice level sensors from the base of the ice chute, and wipe the inside clean, as illustrated.
- Remove front panel.
- Pull photo eye holders forward to release them.
- Wipe clean as needed. Do not scratch the photo-eye portion.
- Return the eye holders to their normal positions and return the front panel to its original position.

Note: Eye holders must be mounted properly. They snap into a centered position and are properly located when the wires are routed to the back and the left eye is the one with 2 wires at the connector.
Water Probe
The ice machine senses water by a probe located near the water reservoir. At least twice a year, the probe should be wiped clean of mineral build-up.
- Shut off the water supply.
- Remove front panel.
- Remove the hose from the water sensor, use a hose clamp pliers for this.
- Loosen mounting screw and release the water sensor from the frame of the unit.
- Wipe probes clean.

Change De-Scale Notification Interval
This feature is accessible only from standby (Status Light Off).
- Press and hold Clean button for 3 seconds.
This starts the Time to Clean Adjustment State and displays the current time to clean setting. - Press the clean button repeatedly to cycle through the 4 possible settings:
0 (disabled), 4 months, 6 months (default), 1 year 3. Push Off to confirm the selection.
NH0422, NS0422, FS0522, NH0622, NS0622, FS0822, NH0922, NS0922, FS1222, NH1322, NS1322, FS1522 A Series Air, Water, or Remote User Manual Options
Vari-Smart
Optional adjustable ice level control (KVS). When this option is present there is an adjustment post and an additional indicator light to the right of the four indicator lights mentioned earlier.

The ultrasonic ice level control allows the user to control the point that the ice machine will stop making ice before the bin or dispenser is full.
Reasons for this include:
- Seasonal changes in ice used
- Planning to sanitize the bin
- Faster turnover for fresher ice
- Certain dispenser applications where maximum ice level is not desired
Use of adjustable ice level control
There are several positions the ice level can be set to, including Off or Max (knob and label indicators lined up), where it fills the bin until the standard bin control shuts the machine off. See the kit’s instructions for complete details including special instructions for dispenser applications.

Rotate the adjustment post to the desired ice level.
The machine will fill up to that level and when it shuts off the indicator light next to the adjustment post will be On.
Note: The maximum fill position is when the arrow on the knob points to the arrow on the label.
NH0422, NS0422, FS0522, NH0622, NS0622, FS0822, NH0922, NS0922, FS1222, NH1322, NS1322, FS1522 A Series Air, Water, or Remote User Manual
What to do before calling for service
Normal Operation:
Ice
The machine will make either flaked or nugget ice, depending upon the model. The ice will be produced continuously until the bin is full. It is normal for a few drops of water to occasionally fall with the ice.
Heat
On remote models most heat is exhausted at the remote condenser, the ice machine should not generate significant heat. Water cooled models
also put most of the heat from ice making into the discharge water. Air cooled models will generate heat, and it will be discharged into the room.
Noise
The ice machine will make noise when it is in ice making mode. The compressor and gear reducer will produce sound. Air cooled models will add fan noise. Some ice making noise could also occur. These noises are all normal for this machine.
Reasons the machine might shut itself off:
- Lack of water.
- Does not make ice
- Auger motor overload
- High discharge pressure.
- Low refrigeration system pressure.
Check the following:
- Has the water supply to the ice machine or building been shut off? If yes, the ice machine will automatically restart within minutes after water begins to flow to it.
- Has power been shut off to the ice machine? If yes, the ice machine will automatically restart when power is restored.
- Has someone shut the power off to the remote condenser while the ice machine still had power? If yes, the ice machine may need to be manually reset.
To Manually Reset the machine.
- Open the switch door
- Push and release the Off button.
- Push and release the On button.

To Shut the Machine Off:
Push and hold the Off button for 3 seconds or until the machine stops.
| Indicator Lights & Their Meanings | ||||
| Power | Status | Water | De-Scale & Sanitize | |
| Steady Green | Normal | Normal | – | – |
| Blinking Green | Self Test Failure | Switching on or off. When Smart- Board used, machine attention recommended. | – | – |
| Blinking Red | – | Diagnostic shut down | Lack of water | – |
| Yellow | – | – | – | Time to descale and sanitize |
| Blinking Yellow | – | – | – | In Cleaning Mode |
| Light Off | No power | Switched to Off | Normal | Normal |
SCOTSMAN ICE SYSTEMS
101 Corporate Woods Parkway Vernon Hills, IL 60061
800-726-8762
www.scotsman-ice.com




















