Cerwin Vega H752 2-Way Coaxial Speakers

INTRODUCTION
Cerwin Vega Mobile Speakers Congratulations for purchasing Cerwin Vega Mobile speakers for your car audio system. You have chosen Cerwin Vega Mobile because you deserve the best!
Cerwin Vega Mobile speakers are designed and engineered to reproduce great sound quality for many years of listening enjoyment in your vehicle! We highly recommend that your new speakers be installed by an authorized Cerwin Vega Mobile dealer. Your authorized dealer can professionally assemble/disassemble the interior of your vehicle and set the proper speaker placement for ideal sound quality. If you decide to install the speakers by yourself, please thoroughly read through this manual before getting started. This manual will help familiarize yourself with these speakers and guide you through the installation process and procedures. Please contact your local authorized Cerwin Vega Mobile dealer if you have any questions regarding the instructions in this manual. If you require additional assistance, please contact the Cerwin Vega Mobile Technical Support Department during business hours at 213-261-4161.
INSTALLING THE SPEAKERS
Your new Cerwin Vega Mobile series speakers were designed with the flexibility to be installed in multiple locations. However, to ensure the best performance possible, it is important to isolate the front sound waves of the speaker from its rear sound waves. This is done by securely mounting the speaker to a flat surface known as a baffle. Make sure to seal the speaker to ensure there are no air leaks around its frame.
FEATURES & SPECIFICATION


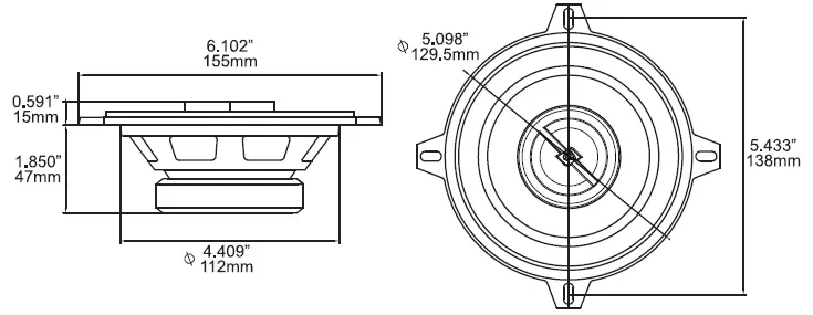
DIMENSION

SELECTING A LOCATION
If your vehicle has existing factory locations, the easiest method would be to replace them with the exact same size speaker. The case where there is not a factory speaker location, there are many places where the speakers will fit in a vehicle, but they are not always the best locations for good sound. Make sure to take the time to select the best locations possible. Mounting the speakers so that they are equal distance from your ears will achieve the best results. If you experience any difficulties, please consult with your local authorized Cerwin-Vega Mobile dealer. They have the tools and know-how to help
DOOR MOUNTING (if not using factory locations)
Prior to cutting, remove the panel from the door and check for clearance in the in the intended installation area, making sure the window will go all the way up and down without any interference. Avoid cutting any structural metal support or braces to mount the speakers. We HIGHLY recommend that for the BEST sound you put a sound deadening mat on the door “skin”. The more “damped” your car is the better it will ultimately sound!

REAR DECK MOUNTING
There are two primary methods for mounting speakers in the rear deck of a vehicle, top and bottom mounting. Top mounting requires dropping the speakers in through the deck (interior) while bottom mounting secures the speakers from underneath (trunk). Either method requires a good seal around the frame for the best performance.

RUNNING NEW WIRING
In most cases when mounting new speakers you will use the factory supplied wiring, but if new wires have to be run there are some precautions that need to be taken. If the wire needs to run through metal, such as a door jamb, always use a grommet to prevent damage to your wires. Never run wire through bare metal! This can damage the source unit, amp, or even the speakers themselves. Safety of the wiring against short circuits is THE MOST IMPORTANT INSTALlATION CONCERN.

TWEETER INSTALLATION
When flush or surface mounting tweeters, make sure the desired location can accommodate the hole sizes and depth required. The tweeter can also be surface mounted atop the dash, door, or rear deck. Mount cup using the provided hardware, flush mount illustration shown below. The flush mount bezel requires cutting a 1.85″ (47mm) round opening. Be sure there is AT LEAST 1 INCH (25.4mm) behind the panel so the tweeter has adequate clearance. Remember when using a hole saw the thickness of the saw teeth will add to the cut diameter. Mount the surface cup at the desired angle with provided screws in the tweeter mounting kit. Route speaker wires through tweeter cup, connect the tweeter to wires, and snap the tweeter into the cup by aligning the notches in the tweeter cup with the notches in the tweeter base. Be careful not to push on the center of the tweeter grill.

CROSSOVER INSTALLATION
Install in a well ventilated area whenever possible. If you must install the passive crossovers in the doors due to the use of factory wiring. As you “feed” into the door cavity, ensure that the crossover is installed behind the door panel instead of inside the door itself. This will offer the greatest capacity for avoiding any water damage caused by rain or moisture. Also avoid placing it near factory wiring looms to ensure no radiated noise problems. Connect the input side labeled “AMP” of each passive crossover to the amplifier’s speaker output terminals. Be sure to observe correct polarity for positive and negative terminals. Next, connect the middle terminals labeled “MID” to the midrange speaker. Be sure that the wiring is protected all the way to the terminal and that the wires are secure at both the speaker and passive crossover. Finally, connect the end terminals on the far right hand side labeled “TWT” to the tweeter. Be careful to observe the correct polarity when connecting the tweeter to its lead wires as these are smaller gauge and require care and patience to connect correctly.
WARRANTY
Thank you for purchasing a Gerwin Vega Mobile product and we hope to provide you with countless hours of listening enjoyment.
Please take a brief moment to register your new product. By registering your new product, you will receive benefits such as:
- Important product notifications that may pertain to your purchase.
- Confirmation and record of ownership in case of loss or theft.
- Knowledgeable customer service and technical assistance pertaining to your product.
Register your new product by completely filling out this Product and Warranty Registration card or register online at www.cerwinvegamobile.com Registration is voluntary and failure to register will not diminish your limited warranty rights.
Limited Warranty (U.S.A.)
Cerwin Vega Mobile warrants all of our amplifiers and speakers to be free of defects in materials and workmanship for a period of one (1) year.
This warranty is non-transferable and applies only to the original purchaser from an authorized Cerwin Vega Mobile dealer. If service is required and necessary under this warranty due to manufacturing defect or malfunction, then Cerwin Vega Mobile will repair and/or replace defective product with either new or remanufactured like product at no charge at our discretion.
Damage to product caused by the following will not be covered under this warranty: abuse, accident, misuse, neglect, modifications, repairing attempts, seller/installer misrepresentation.
This warranty does not cover any incidental, consequential, or cosmetic damage due to accidents or normal wear and tear, nor does it cover the cost of removing or reinstallation of the product.
Warranty is void if the product’s serial number has been removed, defaced, and/or tampered with.
Warranty Procedure
We recommend that you contact your Cerwin Vega Mobile authorized dealer where your original purchase was made to initiate all warranty claims. Our authorized dealers can guide you through the warranty procedure to ensure that your claim will be processed in a timely manner. All warranty returns must be accompanied with a proof of purchase (a copy of the original sales receipt) and be shipped freight prepaid to our facility with an RA (Return Authorization) number clearly marked on the outside of the package. Direct returns from consumers or non-authorized dealers will be refused if shipped without a valid RA number authorized by Cerwin Vega Mobile beforehand.
INTERNATIONAL
Products purchased outside of the U.S.A. are covered only by that country’s distributor and not by Cerwin Vega Mobile U.S.A. Please Ship All Warranty Claims With Pre-Authorized RA Number To:
CV&DA Holdings, Inc.
ATTN: Customer Service Department 3761 S. Hill St. Los Angeles, CA 90007 USA
Please Contact Customer Service for Further Warranty Information:
U.S.A. Tel: 213-261-4161 Fax: 213-947-4767
FAQs
Coaxial loudspeakers in professional audio enable sound from two drivers to come from a single source. This characteristic offers a wider field of listening to a synchronised summation of speaker drivers than loudspeaker enclosures with physically isolated drivers.
Because coaxial speakers use at least one additional speaker (usually a tweeter) to make up the difference, the highest frequencies sound clearer and better with them.
Coaxial speakers are frequently referred to as “full-range” speakers because they are capable of reproducing a larger range of audio frequencies from a single speaker. These speakers’ drivers are the same as those in component speakers, but they were combined to save money and room.
The 3-way speaker, often known as the midrange, woofer, and tweeter drivers, produce sound These all exhibit different performance characteristics across a wide range of sound frequencies
In conclusion, coaxial speakers offer significantly better sound quality and coverage than the single-cone speakers used in original equipment manufacturer (OEM) cars. Even though three-way coaxial speakers are conceivable, two-way speakers are more typical.
If your car’s audio system employs coaxial speakers, you typically don’t require a second crossover. Passive crossovers in full-range speakers filter frequencies before they reach each driver. The built-in speaker crossovers ought to be more than plenty, even if you add an amplifier.
A four-channel amplifier can power four coaxial speakers, while a mono amp can power a subwoofer. The system each amp will power needs to be matched with the amp. Some amplifiers have built-in low-pass or high-pass filters, making them ideal for driving woofers or tweeters.
The greatest bass vehicle speakers deliver powerful sound with a quick bass response. coaxial speakers for vehicles The audio in your car can be enhanced by these car speakers. Their maximum output is 700 watts, and their nominal power is 120 watts.
Four coaxial speakers can be powered by a four-channel amplifier, whereas a subwoofer can be driven by a mono amp. Each amp must be matched with the system it will power. Some amplifiers are perfect for driving woofers or tweeters because they come with built-in low-pass or high-pass filters.
The best car speakers for bass produce strong sound with a quick bass response. vehicle coaxial speakers These car speakers can improve the audio in your vehicle. Their nominal power is 120 watts, while their maximum output is 700 watts.
But keep in mind that dual cone speakers are frequently less expensive. Actually, many speakers are working as coaxial speakers. Coaxial speakers are those that are wrapped around one another.
Coaxial speakers often have a passive crossover. Using your DSP, you may adjust the EQ, establish a high pass crossover point, and time-align the entire speaker. The woofer and tweeter’s individual crossover parameters or temporal alignment are fixed.
An amplifier is not really necessary for coaxial speakers. However, if you utilise one, you’ll get a better sound, less distortion, and unquestionably greater enjoyment (and volume) from them.




















