100 Stainless Steel Varimixer
Instruction Manual
ERGO60
ERGO100
ERGO150

Limited Mixer Warranty
VARIMIXER warrants to the original purchaser of new equipment that said equipment, when installed in accordance with our instructions within North America and subjected to normal use, is free from defects in material or workmanship for a period of 2 years. Wear parts, such as belts, are excluded. Hub attachments, such as shredders, slicers, and grinders have a 1-year warranty that only covers parts. Warranty begins on the date of factory shipment to an end-user, or up to 6 months after factory shipment to a dealer or distributor. Payment by VARIMIXER for service under this warranty requires that service be authorized in advance. Contact VARIMIXER Technical Support to arrange for
service.
THIS WARRANTY IS IN LIEU OF ALL OTHER WARRANTIES, WHETHER EXPRESSED OR IMPLIED. VARIMIXER EXPRESSLY DISCLAIMS ANY IMPLIED WARRANTY OF MERCHANTABILITY OR EXPRESSED OR IMPLIED WARRANTY OF FITNESS FOR A PARTICULAR PURPOSE.
VARIMIXER’S OBLIGATION AND LIABILITY UNDER THIS WARRANTY IS EXPRESSLY LIMITED TO REPAIRING AND REPLACING EQUIPMENT THAT PROVES TO BE DEFECTIVE IN MATERIAL OR WORKMANSHIP WITHIN THE APPLICABLE WARRANTY PERIOD. All repairs pursuant to this Warranty will be performed by an Authorized Designated VARIMIXER Service Location during normal working hours. IN NO EVENT SHALL VARIMIXER BE LIABLE FOR INCIDENTAL OR CONSEQUENTIAL DAMAGES TO BUYER OR ANY THIRD PARTY, INCLUDING, WITHOUT LIMITATION, LOSS OF PROPERTY,
PERSONAL INJURY, LOSS OF BUSINESS OR PROFITS OR OTHER ECONOMIC LOSSES, OR STATUTORY OR EXEMPLARY DAMAGES, WHETHER IN NEGLIGENCE, WARRANTY, STRICT LIABILITY, OR OTHERWISE.
This warranty is given only to the first purchaser from a retail dealer. No warranty is given to subsequent transferees.
This warranty does not cover product failures caused by: failure to maintain, neglect, abuse, damage due to excess water, fire, normal wear, improper setup, and use. Periodic maintenance is not covered.
Example of items not covered under warranty, but not limited to just these items:
- Acts of God, fire, water damage, vandalism, accident, theft.
- Freight damage.
- Improper installation or alteration of the equipment.
- Use of generic or after-market parts.
- Repairs made by anyone other than a VARIMIXER designated servicer.
- Lubrication.
- Expendable wear parts. (This includes the bowl, flat beater, wire whip, spiral dough hook, and the pastry knife.)
- Cleaning of equipment.
- Misuse or abuse.
This warranty is not in force until such time as a properly completed, digitally signed Installation/Warranty Registration has been received by VARIMIXER within 30 days from the date of installation.
Register online at www.varimixerusa.com/support/warranty-registration-form.
THE FOREGOING WARRANTY PROVISIONS ARE A COMPLETE AND EXCLUSIVE STATEMENT BETWEEN THE BUYER AND SELLER. VARIMIXER NEITHER ASSUMES NOR AUTHORIZES ANY PERSONS TO ASSUME FOR IT ANY OTHER OBLIGATION OR LIABILITY IN CONNECTION WITH SAID EQUIPMENT.
WARRANTY REGISTRATION
GO TO WWW.VARIMIXERUSA.COM
TO FILL OUT AND SUBMIT YOUR WARRANTY REGISTRATION.
WWW.VARIMIXERUSA.COM/SUPPORT/WARRANTY-REGISTRATION-FORM
Caution -READ BEFORE OPERATING- Caution
Varimixer recommends that mixer operators must be at least 18 years of age and be thoroughly trained on the use, cleaning, and lubrication of the mixer.
This manual should be seen as an integral part of the mixer and should be kept by the machine throughout its working life.
Before the machine is commissioned, it is important to read these instructions thoroughly.
The manufacturer may update the product manual without updating this copy of the manual.
Varimixer recommends that the following precautions be adopted to help make the mixer operation safer and more efficient.
- All operators must be at least 18 years of age.
- All operators must be thoroughly trained before being allowed to operate the mixer.
- NEVER reach into the bowl when the mixer is running.
- Do not wear loose clothing or rings while operating the mixer.
- Stop the mixer and lower the bowl before adding ingredients, scraping the bowl, removing the agitator, or removing the product.
- Stop the mixer before removing or installing attachments into the drive hub.
- Do not attempt to assemble or disassemble attachments while mounted into the drive hub.
- Always use the pusher plate with the slicer/meat grinder attachments.
- NEVER bypass the safety mechanisms supplied on the mixer. Doing so can cause injury and. is the responsibility of the user to ensure these safety mechanisms are operating properly.
General:
In case of complaints, please contact your dealer.
The guarantee does not cover faults resulting from faulty operation, overloading, and lacking observance of directions of maintenance.
It should be checked that all loose parts are delivered with the mixer such as the bowl, tools, and rubber feet.
Safety:
The constant noise level of the workplace of the operator is lower than 70 dB (A).
In all cases where the parts of the mixer are moving and the bowl screen is not closed, it takes two hands to operate the mixer.
The mixer is designed for the manufacture of products that do not during processing cause reactions or emit substances that may be detrimental to the user.
Putting your fingers in the bowl while the mixer is running may cause injuries.
The mixer must be bolted securely to the floor.
Dimensional load per leg:
ERGO60 – 2.5 kN, ERGO100 – 3.2 kN, ERGO150 – 4 kN
Installation of new mixer:
Installation and securing:
The mixer must be fitted with rubber feet, which neutralize shaking. Spacers can be inserted under the mixer’s feet if the floor is not completely even.
Connection to power:
Before the mixer is connected to power, it should be checked that the voltage and frequency printed on the machine label is correct in relation to the place of installation.
The machine label is placed at the top right side of the mixer.
Note: To be installed by a qualified electrician.
For functional and safety reasons, the machine must be connected to the ground!
| The voltage at the installation: 50/60 Hz. | The machine label | ||||||
| Power: Phases x voltage | With neutral | Ground | Voltage | Phases | Use neutral | Use ground | Remarks: |
| 3 x 380-480V +/-10% | no | Yes | 400V | 3 | no | Yes | For functional and safety reasons, the machine must be connected to the ground! |
Construction of the mixer:

Positioning the bowl in the mixer:
The bowl arms must be lowered to their lowest position and the bowl pressed all the way to the back of the bowl arms. If there is no contact between the bowl and the inductive sensor, the bowl cannot be lifted.
will appear in the display, see “Error codes shown in display”, page 12.
If you have a bowl with “ears” it is important to place it correctly in the mixer.
Note: It is very important to orientate the bowl correctly so that the “third ear” is turned in towards the mixer

Maximum capacity of the mixer:
| Capacities per mix | ERG060 | ERGP100 | ERG0150 |
| Dough, Bread 65%AR | 90 lbs. | 155 lbs. | 190 lbs. |
| Dough, Bread 50%AR | 75 lbs. | 135 lbs. | 175 lbs. |
| Dough, Donut – Yeast | 70 lbs. | 150 lbs. | 170 lbs. |
| Dough, Donut – Cake | 60 lbs. | 140 lbs. | 225 lbs. |
| Pie Dough | 58 lbs. | 95 lbs. | 135 lbs. |
| Cookie, Dough | 50 lbs. | 105 lbs. | 160 lbs. |
| Muffins | 60 lbs. | 125 lbs. | 195 lbs. |
| Mashed Potatoes | 46 lbs. | 76 lbs. | 110 lbs. |
| Pancakes, Waffles | 28 qts. | 44 qts. | 50 qts. |
| Whipped Cream | 12 qts. | 20 qts. | 32 qts. |
| Cake, Layer | 69 lbs. | 125 lbs. | 175 lbs. |
| Eggs & Sugar | 28 lbs. | 57 lbs. | 80 lbs. |
| Icing, Fondant | 40 lbs. | 76 lbs. | 105 lbs. |
| Egg Whites | 2 qts. | 3 qts. | 4 qts. |
| Cake, Cup | 81 DZ. | 178 DZ. | 250 DZ. |
| Cookies, Sugar | 115 DZ. | 171 DZ. | 240 DZ. |
AR = Absorption Ratio (%AR)
(Liquid in % of solids)
Water weights
1 Gallon =8.33 lbs.
1 Quart =2.08 lbs.
1 Pint (16 oz.) =1.04 lbs.
1 Cup = .52 lbs.
Batch size and/or speed reduction may be necessary due to one of the following conditions:
- High Gluten Flour-Reduce batch size by 10%
- AR % under 40%-Reduce batch size by 10%
- Water temp under 65 Degrees F
- THE USE OF ICE REQUIRES A 10% REDUCTION IN BATCH SIZE.
- Speed should not exceed 100 RPM when mixing dough.
Correct use of tools:
Recommended applications for tools:
See the section “Maximum capacity of the machine”.
Whips should not be struck against hard objects as e.g. the edge of the bowl. This will make the life of the tool shorter due to increasing deformity.
For the production of mashed potatoes, the special wing whip or the reinforced whip should be used, alternatively use the beater and the whip.
Maintenance and lubrication:
Cleaning:
The mixer should be cleaned daily or after use.
Press the emergency stop before wiping the control panel.
The mixer should be cleaned with a soft cloth and clean water. Sulphonated soaps should be used with caution as they destroy the mixer’s lubricants.
Never use high-pressure cleaning for the mixer.
Parts made of aluminum should not be used for strongly acidic, highly alkaline, or highly salty foodstuffs, which may attack aluminum without coating
Tools of aluminum must not be washed with strong alkaline detergents – The PH value should be between 5 and 8
Recommended maximum speeds:

Control Panel VL4:

Remix function:
The special Remix function is a shortcut to the programming of recipes. While the mixer is operated, all commands are stored, and when a recipe is finished and
, is pushed, it is possible to store the entire recipe under a program number.
- There are 20 program numbers: 1, 2, 3, 4 – 11, 12, 13, 14 – 21, 22, 23, 24 – 31, 32, 33, 34 – 41, 42, 43, 44
- A program cannot be deleted but can be replaced.
- The programs are not deleted in case of no power.
How to store a program:
Program number 12 in this example:
- Start by pressing
. - Run the whole recipe, including pauses, changes of speed, and automatic lowering of the bowl.
- Press
to stop the mixer. - Keep
depressed; the display shows. - Continue pressing
and press 1 and 2 as well,
is shown on the display. - Release
and the program will be stored as a number
How to run a program:
Program number 12 in this example:
- First a short push on
and then on 1 and 2. Now
appears in the text field and immediately thereafter the total length of the program will be shown. The program is run by pushing
. - If the speed or the time is changed, when running a the program, the program will be left and the mixer must be run manually.
- It
is pressed while a program is running, and the mixer stops and quits the program.
• If the bowl screen is opened while a program is running, the mixer stops and
will be displayed. When the bowl screen is closed again, press
; twice; the first press eliminates the error code and the second press starts the mixer – the program quits.
• If the program is containing a pause, the mixer will stop and at the same time, an acoustic signal is heard. It is now possible to lower the bowl and open the bowl screen. When the operator wants to restart the mixer, push
and the program will be resumed.
VL4 control panel – survey of various operating situations:
The following pictures show various operating situations and corresponding explanations:

If the field
is activated while the mixer is running, the chosen operation time is reset and the speed is set to minimum. (The same when pushing emergency stop). Activation of the field
keeps the chosen values for operation time and speed.
The operation time and the speed can be changed while the mixer is running.
The operation time can be set to 90 min. as maximum.
![]() | |
| There is no power connection to the mixer or the emergency stop has been activated – there is no light in the control panel. | There is power connected to the mixer and the bowl is not in its top position. The bowl can be raised by activating the fields and The mixer cannot be started until after the bowl has been raised to its top position. The bowl can be lowered by activating the field |
![]() | |
| The bowl is in its top position and the mixer is ready for ope ration by activation of the field Speed can be chosen. Operation time can be chosen by activating the fields The bowl can be lowered by activating the field | The mixer is ready for operation by activating the field The bowl can be lowered by activating the field One of the four fixed speeds is chosen by a short activation ofthe field 2 – six diodes on the speed indicator are flashing. |
![]() | |
| The mixer is ready to run by activating the field Speed 2 is chosen. An operation time has been chosen by activating the field The bowl can be lowered by pressing . | The mixer is running – the green diode in the field constantly lit when the chosen speed has been reached. The operation time can be changed by activating the fields The mixer can be paused by pressing The mixer can be stopped by activating the field |
![]() | |
| The safety guard has been opened while the mixer was running. The bowl can be lowered. When the safety guard is closed and the operator presses | As figure 6, but the automatic lowering of the bowl is selected by pressing. |
![]() | |
| The field has been activated and the mixer is ready. The time can be changed by activating the fields The bowl can be lowered by activating the field The mixer can be started by activating the field | The mixer runs and an operation time has been indicated. Automatic lowering of bowl at ended operation time has been chosen – see position 8. When activating the field deactivated and can not be chosen again. |
Operation of the mixer:

Before starting the mixer:
Mount the required tool in the bayonet shaft. Place the bowl in the bowl arms and close the bowl screen.
To raise the bowl, activate the fields
,
and simultaneously, the activation to be continued until the bowl has reached its top position. When the bowl is approx. 20 cm from its top position, the tool will start to rotate at a low speed. The rotation of the tool and the bowl will stop automatically when the bowl is in its top position.
The red diode in the field
appears now to show that the mixer is ready.
Start the mixer:
Activate the field
to start the mixer.
Activate the field
to increase the speed.
Activate the field
to reduce the speed.
The speed indicator below fields 1 to 4 shows the mixing speed of the tool.
Four fixed speeds:
For quick choice of speed, use the fields 1 to 2.
Field 1 corresponds to the lowest speed.
Field 2 corresponds to approx. 30% of maximum speed.
Field 3 corresponds to approx. 60% of maximum speed.
Field 4 corresponds to maximum speed.
Indication of operation time:
Before starting the mixer, an operation time for the mixer can be chosen by adjusting the time on
and
. If the field is activated for a longer time, the speed is increased/ reduced quicker.
Minutes and seconds are shown in the text field between
and
.
Automatic lowering of bowl:
Once the mixer has been started, the operator can make the mixer lower the bowl automatically when it stops by pressing
. The diode in the field is flashing after the activation.
Inspection of the ingredients during operation:
If it is wished to stop the mixer without affecting the operation
time, the field
can be activated. The mixer will reduce speed and then stop, the operation time will also stop.
If the guard is opened, the display shows
, but the operation time is displayed again when the guard is closed.
Close the bowl screen and press
and the mixer will start at the lowest speed. The operation time continues from before.
Lowering of bowl:
When the ingredients in the bowl have been mixed, the mixer
is stopped by activating the field
.The bowl is lowered by activating the field
. When the bowl has reached its bottom position, the bowl screen can be opened.
Overload:
doughs can overload the mixer. Overloading is further exacerbated if the speed of the mixing tool is increased beyond the recommended values or if the wrong mixing tool is used. Large lumps of fat or cooled ingredients must be cut into small parts before they are placed in the bowl.
If the mixer is overloaded for an extended period, it will cut out. An error code will show on the display. Follow the instructions for ”Procedure in case of overloading”
Procedure in case of overloading:
- Push emergency stop.
- Open the bowl screen.
- Reduce the bowel contents.
- Close the bowl screen and release the emergency stop.
- If the error code is still shown on the display, see the “Error Codes”, page 12.
If the emergency stop has been activated while the mixer is running with a full bowl, it may be necessary to lower the bowl in order to empty it. - Release the emergency stop to connect the power to the mixer.
- Lower the bowl and empty it.
- Now the mixer can be used as normal again.
How to bring a mixer to stop:
If the mixer stops after the bowl screen has been opened, it can be re-started by pressing
twice (the first press resets the mixer’s safety switch).
The mixer should only be stopped using the emergency button if there is an emergency.
Reading the number of operating hours/days/years:
It is possible to read how long the mixer has been in operation (operation = tool revolving). The total time is read as a combination of hours, days and years; see below:
- Press the emergency stop.
- Press
and the number of hours the mixer has been operating will be displayed, e.g.: if it shows 157, this means 1 hour and 57 minutes. - Press
and the number of years and days the mixer has been operating will be displayed, e.g.: if it shows 1120, this means 1 year and 120 days.
Resetting the control system:
- Press the emergency stop
- Press
for 10 seconds.
Mechanical component error:
The bowl is too tight or too loose in the bowl arms.
Solution: “Adjustment of bowl clamping and centering”, page 14
The tool hits the sides of the bowl.
Solution: “Adjustment of bowl clamping and centering”, page 14
An abnormal noise from the lifting actuator:
Solution: Lubrication of actuator; see lubrication chart, page 22
Error codes are shown in the display:
The error codes shown on the display are from the motor or the frequency transformer:
| Motor error codes: | ||
| Code | Error | Solution |
| EE1 | The CE switch interrupted the safety circuit when the mixer started. | Check that the CE switch is closed with the bowl in the top position |
| EE2 | The bowl screen is open. | If the screen is opened while the tool is not rotating, the error code will be eliminated when the screen is closed. If is is |
| the screen opened while the tool rotating, closing the screen and pushing 0 will eliminate the error code. | ||
| EE3 | The bowl is not correctly positioned, so the inductive sensor has not been activated. | Check that the bowl is positioned correctly — if the bowl ring has three ‘ears, the middle ear must point in towards the body of the mixer, otherwise, the bowl must be lowered again and turned to the correct position. (It is possible to lower the bowl even if the error code is displayed.) If/when the bowl is positioned correctly, push it right back into the bowl arms, the inductive sensor will then be activated and you can lift the bowl. If contact between the sensor and bowl is interrupted again, the error code will appear in the display. It is still possible to lift the bowl during the first 5 seconds when the error code is shown, after this the lifting movement will be deactivated. Push the bowl right back into the bowl arms again so that contact is re-established between the bowl and sensor. The error code will disappear and you can lift the bawl again. |
| EE4 | The thermal sensor in the motor has overheated. | Reduce the number of ingredients in the bowl. |
| EE5 | The overcurrent switch to the lifting motor has tripped. Once the cause of the problem is found and the problem has been fixed, reset the overcurrent switch by pressing the blue button on the switch, see ill. The overcurrent switch is in the electrical box. ![]() | |
| Reason: The bowl arms have reached the physical end stop but the lifting motor has not cut out. | Check that the reed contacts. located on the outer tube of the lifting motor spindle, have been activated (the yellow diode on the contact illuminates) when the bowl arms are at the top or bottom. If the reed contacts do not activate, they must be replaced | |
| Reason: The bowl has too great a quantity of ingredients. | Reduce the number of ingredients in the bowl | |
| EE6 | The panel is not connecting with the frequency transformer. | Check the connection. |
| EE7 | There is a fault with the frequency transformer. | Check the error log to ascertain the error code; see page 13 |
Call up an error log of the last 10 disconnections:
The last 10 disconnections due to errors resulting in code can be read on the mixer display:
- Press the emergency stop
- Press
and
to browse the log - The diodes on the speed indicator light up. The age of the error is indicated by the diode that illuminates:
The first diode lights up – the last (most recent) error code is displayed
The second diode lights up – the second-last error code is displayed
The third diode lights up – the third-last error code is displayed, etc.
Error codes displayed in the error log:
| Display on the mixer | Reason for error | User | Engineer | |
| Fault correction | Frequency transformer display | Error description | ||
| 1 | Error in frequency transformer | Call the engineer | UU | DC bus Undervoltage |
| 2 | Error in frequency transformer | Call the engineer | OU | DC bus overvoltage |
| 3 | Overloading of the frequency transformer | Reduce the quantity in the bowl | 01. AC | Overcurrent at the drive output |
| 4 | Overloading of the frequency transformer | Reduce the quantity in the bowl | 01. br | Braking IGBT transistor overcurrent |
| 6 | 1 phase of supply voltage missing | Call the engineer | ph. AC | Loss of a motor phase with brake enabled |
| 7 | RPM is a minimum 20% higher than the preset maximum RPM value | Call the engineer | TOP | Over speed |
| 19 | Overloading of the frequency transformer | Reduce the quantity in the bowl | it. br | Braking resistor overload 1 x t |
| 20 | Overloading of the motor | Reduce the quantity in the bowl | it.AC | Motor overload I x t |
| 21 | Overloading of the frequency transformer | Reduce the quantity in the bowl | Oht1 | IGBT overheating detected by internal sensor |
| 22 | Overloading of the frequency transformer | Reduce the quantity in the bowl | Oht2 | Internal braking resistor overheating detected by the thermal sensor |
| 24 | Overloading of the motor | Reduce the quantity in the bowl | th | The motor thermal sensor has tripped |
| 26 | Error in frequency transformer | Call the engineer | 0. Ld 1 | Overload on the +24V power supply or digital |
| 27 | Error in frequency transformer | Call the engineer | CL 1 | Loss of the current reference on analog input ADII |
| 28 | Error in frequency transformer | Call the engineer | CL2 | Loss of the current reference on analog input ADI2 |
| 29 | Error in frequency transformer | Call the engineer | CL3 | Loss of the current reference on analog input ADIO3 |
| 30 | Connection is broken between panel and frequency transformer | Call the engineer | SCL | Loss of serial link communication |
| 31 | Error in frequency transformer | Call the engineer | EEF | E E PROM trip or transfer problem with XPressKey (drive and key version different) |
| 33 | Error in motor | Call the engineer | rS | A trip during measurement of the stator resistance |
| 34 | Error in frequency transformer | Call the engineer | F bus | Disconnection of the Fieldbus during operation or error detected by the bus option |
| 35 | Connection is broken from safety circuit to frequency transformer | Call the engineer | Send | Secure disable input trip |
| 36 | Error in the voltage supply to the mixer | Call the engineer | Enc1 | Loss of channel U |
| 37 | Error in the voltage supply to the mixer | Call the engineer | Enc2 | Loss of channel V |
| 38 | Error in the voltage supply to the mixer | Call the engineer | Enc3 | Loss of channel W |
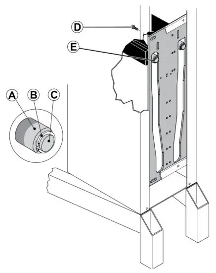
Adjustment of bowl centering ERGO60 and ERGO100:
First find the present bowl centering: mount the beater and the bowl, then raise the bowl arms up to a normal working position. With your hand turn the beater, and then measure the distance between the beater and bowl edge. By removing the rear covering the bowl arm guide plate is now accessible (E).
Loosen the screws (D) and move the bowl arm guide plate in the required direction. Again turn the beater and measure the distance between the beater and bowl. When the bowl has been centered, fasten the bowl arm guide plate in the new position and screw on the rear covering.
Adjustment of bowl fixing ERGO60 and ERGO100:
The bowl arms must be raised to a normal working position.
The adjusting diameter (Y) shall be measured inside between the bowl arms:
| Adjusting diameter (Y): | AE60 = 17 47/64” AE100 = 21 13/16” |
In case the bowl fastening is too tight, remove the lock ring (B) and draw the bearing (A) from the shaft (C). The bearing should be turned 180º and be mounted on the shaft again. It might be necessary to turn both bearings. At last check, the bowl centering and if necessary, adjust.


The bearing (A) has two diameters. As standard, the mixer is delivered with the bearings mounted so that the largest diameter points away from the bowl arms, which means the tightest bowl clamping.
Adjusting of bowl clamping and centering ERGO150:
In the rear part of the bowl arms (J) a shaft with an eccentric stud (K) has been mounted, on which the ball bearing is mounted. By turning the eccentric stud, the bowl arms can be opened and closed so that the clamping and the centering of the bowl can be adjusted. It has to be observed that the shaft is mounted in the bowling arm with a thread so that when the eccentric stud is turned, the whole shaft is turned out and in into the bowl arms. When exchanging the whole shaft, the right starting point for the adjustment must be found first. The ball bearing (L) must be in the middle of the guide plate (M) so that the width of the entire ball bearing is fitting tightly against the guide plate, and at the same time, it has to be observed that the eccentric stud cannot hit the back plate when the adjustment has been finished.
In order to counteract that the eccentric shaft turns loose by itself when the mixer is working, the eccentric shaft must be self-tightening. In order to obtain this effect, the below drawings must be followed, on which the adjusting area for the left and the right bowl arm, resp. is shown.
First find the bowl centering, e.g. by mounting the bowl and beater in the mixer, and turn the beater round with your hand, and measure the distance from the beater to the edge of the bowl.

- When adjusting the clamping and centering of the bowl, the bowl arms must be raised into a working position. When exchanging the shaft with eccentric stud (K) the bowl arms must be lowered.
- First open the lock plate (N).
- Loosen the shaft counter nut (P), use span 46.
- Screw an M8 bolt with counter nut (R) into both the eccentric studs (K), and tighten the counter nuts. If the shaft with the eccentric stud has stuck in the bowling arm, it can be loosened with a key with the span 36.
- By turning the eccentric studs the clamping and the centering of the bowl can be adjusted.
- Remember to use the right adjusting area for the right and left bowl arm.
The drawings show the adjusting area for both arms. - When the adjustment is correct, tighten the shaft counter nuts (P).
Hold the bolt (R) while the shaft counter nut is tightened. - Knock the lock plate (N) in position.
- Remove bolt and counter nut

Electrical-components:

Safety circuit:

Electrical Diagrams:


To replace a belt:
The old belt can be removed by loosening the belt tightener.
Installing a new belt:
- Place the belt in the wheel groove.
- Tighten the belt using the belt tightener.
- Tighten the belt until the belt can be bent approximately 23/64” (dL) at a pressure of approx. 19 lb (F), see Fig. 2.
- Run the machine with a regular production load for approximately 10 min.
- Check the belt tension by measuring its elasticity. If the elasticity has changed, retighten as described in point 3.
The belt tension should be checked every 6 months.
If there is not enough belt tension, the belt will wear out quickly, and if there is too much tension, there is a risk that the lifespan of the bearings will be considerably shortened.

To replace a lifting actuator:
Lift the bowl arms to the top position.
Lower the bowl arms to a pressure relief point set at approx. midway.
It is very important that the bowl arms are lowered to a pressure relief point before disassembling the lifting actuator.
Cut the power to the machine by removing the plug from the socket.
Remove the three plugs for the reed contacts on the actuator.
Remove the lifting actuator from the bowl arms by removing the pins and axle.
Remove the cotter pin that secures the actuator at the top.
Remove the cable to the actuator and lift the actuator out from the mixing machine.
Install the new actuator.
Connect the machine to the power supply.
If replacing the lowest actuator fittings, use Loctite 270 to tighten the fittings.
Then follow the section “Fine-tuning the reed contacts and CE microswitch”.
The lifting actuator has 3 proximity detectors (reed contacts) that check the position of the bowl.
Replacing the Reed contacts:
Remove the incorrectly charged contact and install the new contact according to Fig. 3 page 21. Connect the cable as shown in the illustration on page 16.
Follow the instructions below to secure the reed contact in the correct position.
Fine-tuning Reed contacts and CE micro-switch:
Check that the location of the reed contacts matches up with the marks in Fig 3 page 21.
Connect the reed contacts with the matching cables – see illustration on page 16.
Adjust the three contacts and the CE microswitch according to the following sequence:
Adjusting the top reed contact:
Contact A determines the top position of the bowl.
The contact must be positioned in accordance with the mark in Fig. 3 page 21.
Raise the bowl to the position corresponding to mark X, Fig. 5 page 21.
Adjust the top reed contact upwards until the red LED
lights up – it is important to stop adjusting once the LED lights up!
Adjusting CE-microswitch:
ERGO60 and ERGO100, Fig. 4, page 21.
ERGO150, Fig. 4a, page 21.
Adjusting the reed contact for the JOG function
Contact B determines where the machine’s JOG function starts, see also “Bowl lifting and JOG function” on page 5.
The contact must be positioned as shown in Fig. 3 page 21. and does not require any further adjustment.
Adjusting the bottom reed contact:
Contact C determines the bottom position of the bowl.
The contact must be positioned in accordance with the mark in Fig. 3 page 21.
Raise the bowl to the position that corresponds to mark Y in Fig. 5 page 21.
Adjust the bottom reed contact until the red LED lights up – it is important to stop adjusting once the LED lights up.


The measurement A must be 1 1/2”.

Loosen CE microswitch D.
Push the microswitch completely into the switch housing E.
Pull the microswitch back 3/64” so that there is 3/64” of air between the contact and the housing, see F.
Tighten the screws that hold the CE microswitch in place.

The distance X corresponds to the top position of the bowl, and the distance Y corresponds to the bottom position of the bowl.
The distances are measured from the underside of the bayonet shaft to the surface of the bowl arms on which the bowl is resting.
| ERGO60 | X = 7 1/64” | Y = 26 7/64” |
| ERGO100 | X = 11 11/16” | Y = 33 55/64” |
| ERGO150 | X = 11 15/16” | Y = 36 3/16” |
Lubrication overview:
| Part | Location | OlUgrease | Explanation | Frequency |
| Bushings in the bowl arms | Item A, Fig.6 | Organic oil or grease e g | Remove the back cover. Lubricate the bowl arm axle with grease. | Per 5,000 batches or min. once yearly or in case of unusual noise. |
| Texaco StartPlex EP | ||||
| Lifting guide | Item B, Fig.6 | Organic oil or grease e g | Remove the back cover. Lubricate the bearing and track with grease. | |
| Texaco StartPlex EP | ||||
| Mixer head | Item C, Fig.6 | Gearwheel and sprocket Molub Alloy 036SF Heavy or Castro! Grippa 355. Needle bearings should not be lubricated with this type of lubricant. | The mixer head may only be repaired by an authorized technician. | During repairs |
| Lifting actuator AK00131 | Item D, Fig.6 | Always use spindle grease: Mobilith SCH 460 from Mobil. | The gear of the actuator is lubricated for life and does not need to be serviced. The spindle and the spindle nut in the actual actuator (Fig 6a) are not lubricated for life and therefore need relubricating. The actuator is thoroughly lubricated on delivery. Relubricating (Fig 6a): •Run the actuator away from the bottom dead center (the bottom dead center is when the actuator’s piston is not run out). •Fill max. 2 ml lubricant via the grease nipple (shown in the diagram below). •Run the actuator in the bottom position before it is used again. | Min. every 6 months, or in case of unusual noises or vibrations. The spindle nut ‘screams” if there is insufficient lubrication. It is important to keep the spindle well lubricated because this is important for the lifespan of the nut. However, there should not be too much grease because this can squeeze out of the actuator and potentially get into the gears. |


Varimixer
2215 East River Road
Dayton, OH 45439, US
P: (800) 222-1138
E: [email protected]
www.varimixerusa.com

























