Danfoss LLZ-B scroll compressors

Installation and servicing of the compressor by qualified personnel only. Follow these instructions and sound refrigeration engineering practice relating to installation, commissioning, maintenance and service.
Name plate
- Model number
- Serial Number
- Manufacturing year
- Internal protection
- Supply voltage range
- Locked rotor current
- Maximum operating current
- Lubricant type and nominal charge
- Approved Refrigerant
Operating limits
Instructions
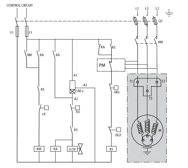
Three phase (Wiring diagram with pump-down cycle)
Introduction
These instructions pertain to the LLZ scroll compressors used for refrigeration systems. They provide necessary information regarding safety and proper usage of this product.
Handling and storage
- Handle the compressor with care. Use the dedicated handles in the packaging. Use the compressor lifting lug and use appropriate and safe lifting equipment.
- Store and transport the compressor in an upright position.
- Store the compressor between -35°C and 70°C / – 31°F and 158°F.
- Don’t expose the compressor and the packaging to rain or corrosive atmosphere.
Safety measures before assembly
- Never use the compressor in a flammable atmosphere.
- Mount the compressor on a horizontal flat surface with less than 7° slope.
- Verify that the power supply corresponds to the compressor motor characteristics (see nameplate).
- When installing a compressor for R452A, R404A/R507, R448A/R449A, use equipment specifically reserved for HFC refrigerants which was never used for CFC or HCFC refrigerants.
- Use clean and dehydrated refrigeration-grade copper tubes and silver alloy brazing material.
- Use clean and dehydrated system components.
- The piping connected to the compressor must be flexible in 3 dimensions to dampen vibrations.
- The compressor must always be mounted with the rubber grommets supplied with the compressor.
Assembly
- Slowly release the nitrogen holding charge through discharge and suction ports.
- Connect the compressor to the system as soon as possible to avoid oil contamination from ambient moisture.
- Avoid material entering into the system while cutting tubes. Never drill holes where burrs cannot be removed.
- Do not exceed the maximum tightening torque for rotolock connections
| Rotolock connections | Tightening torque |
| 1” Rotolock | 80 Nm±10Nm |
| 1” 1/4 Rotolock | 90 Nm±10Nm |
| 1” 3/4 Rotolock | 110 Nm±10Nm |
Connect the required safety and control devices. When the schrader port, if any, is used for this, remove the internal valve.
Leak detection
- Never pressurize the circuit with oxygen or dry air. This could cause fire or explosion.
- Do not use leak detection dye.
- Perform a leak detection test on the complete system.
- The low side test pressure must not exceed 31 bar /450 psi.
- When a leak is discovered, repair the leak and repeat the leak detection.
Vacuum dehydration
- Never use the compressor to evacuate the system.
- Connect a vacuum pump to both the LP & HP sides.
- P ull down the system under a vacuum of 500 µm Hg (0.67 mbar) / 0.02 inch Hg absolute.
- Do not use a megohmmeter nor apply power to the compressor while it is under vacuum as this may cause internal damage.
Electrical connections
- Switch off and isolate the main power supply.
- All electrical components must be selected as per local standards and compressor requirements.
- Refer to page 1 for electrical connections details. For three phase applications, the terminals are labeled T1, T2, and T3.
- Danfoss scroll compressors will only compress gas while rotating counter-clockwise (when viewed from the compressor top). Three-phase motors, however, will start and run in either direction, depending on the phase angles of the supplied power. Care must be taken during installation to ensure that the compressor operates in the correct direction.
- Use ø 4.8 mm / #10 – 32 screws and ¼” ring terminals for the power connection with ring connect screw terminal (C type). Fasten with 3 Nm torque.
- U se a self tapping screw to connect the compressor to earth.
Filling the system
- Keep the compressor switched off.
- Keep the refrigerant charge below the indicated charge limits if possible. Above this limit; protect the compressor against liquid flood-back with a pump-down cycle or suction line accumulator.
- Never leave the filling cylinder connected to the circuit.
| Compressor models | Refrigerant charge limit |
| LLZ013-015-018 | 4.5 kg / 10 lb |
| LLZ024-034 | 7.2 kg / 16 lb |
Verification before commissioning
- Use safety devices such as safety pressure switch and mechanical relief valve in compliance with both generally and locally applicable regulations and safety standards.
- Ensure that they are operational and properly set.
- Check that the settings of high-pressure switches don’t exceed the maximum service pressure of any system component.
- Verify that all electrical connections are properly fastened and in compliance with local regulations.
- When a crankcase heater is required, it must be energized at least 24 hours before initial start-up and start-up after prolonged shutdown.
- Never start the compressor when no refrigerant is charged.
- Do not provide any power to the compresor unless suction and discharge service valves are open, if installed.
- Energize the compressor. It must start promptly. If the compressor does not start, check wiring conformity and voltage on terminals.
- E ventual reverse rotation can be detected by following phenomena; the excessive noise, no pressure differential between suction and discharge, and line warming rather than immediate cooling. A service technician should be present at initial start-up to verify that supply power is properly phased and that the compressor is rotating in the correct direction. For LLZ compressors, phase monitors are required for all applications.
- If the internal overload protector trips out, it must cool down to 60°C / 140°F to reset. Depending on ambient temperature, this may take up to several hours.
- Check suction superheat to reduce risk of slugging.
Observe the oil level in the sight glass (if provided) for about 60 minutes to ensure proper oil return to the compressor. - Respect the operating limits.
- Check all tubes for abnormal vibration. Movements in excess of 1.5 mm / 0.06 in require corrective measures such as tube brackets.
- When needed, additional refrigerant in liquid phase may be added in the low-pressure side as far as possible from the compressor. The compressor must be operating during this process.
- Do not overcharge the system.
- Never release refrigerant to atmosphere.
- Before leaving the installation site, carry out a general installation inspection regarding cleanliness, noise and leak detection.
- Record type and amount of refrigerant charge as well as operating conditions as a reference for future inspections.
- Verify that safety devices are operational and properly set.
- Ensure that the system is leak tight.
- check the compressor current draw.
- Confirm that the system is operating in a way consistent with previous maintenance records and ambient conditions.
- Check that all electrical connections are still adequately fastened.
- Keep the compressor clean and verify the absence of rust and oxidation on the compressor shell, tubes and electrical connections.
- Acid / moisture content in system and oil should be checked regularly.
Warranty
- Always transmit the model number and serial number with any claim filed regarding this product. The product warranty may be void in following cases:
- Absence of nameplate.
- External modifications; in particular, drilling, welding, broken feet and shock marks.
- Compressor opened or returned unsealed.
- Rust, water or leak detection dye inside the compressor.
- Use of a refrigerant or lubricant not approved by Danfoss.
- Any deviation from recommended instructions pertaining to installation, application or maintenance.
- Use in mobile applications.
- Use in explosive atmospheric environment.
- No model number or serial number transmitted with the warranty claim.
Disposal
- Danfoss recommends that compressors and compressor oil should be recycled by a suitable company at its site.
Any information, including, but not limited to information on selection of product, its application or use, product design, weight, dimensions, capacity or any other technical data in product manuals, catalogues descriptions, advertisements, etc. and whether made available in writing, orally, electronically, on line or via download, shall be considered informative, and is only binding if and to the extent, explicit reference is made in a quotation or order confirmation. Danfoss cannot accept any responsibility for possible errors in catalogues, brochures, videos and other material Danfoss reserves the right to alter its products without notice. This also applies to products ordered but not delivered provided that such alterations can be made without changes to form, fit or function of the product. All trademarks in this material are property of Danfoss A/5 or Danfoss group companies. Danfoss and the Danfoss logo are trademarks of Danfoss A/5. All rights reserved.
Danfoss LLZ-B scroll compressors















