Genie SILENTMAX 1000 CHAIN/BELT

CHAIN/BELT
GARAGE DOOR OPENER MODELS
IntelliG™1000/1200, SilentMax™1000/1200, ChainMax™1000/1200
OPENER MUST BE INSTALLED WITH THE INCLUDED WALL CONSOLE. Safe-T-Beam® SAFETY REVERSE SYSTEM MUST BE INSTALLED TO CLOSE DOOR.
SAFETY INFORMATION
OVERVIEW OF POTENTIAL HAZARDS REA DTHIS SAFETY INFORMATION
CONVENTIONS USED IN THESE INSTRUCTIONS
Garage doors are large, heavy objects that move with the help of springs under high tension and electric motors. Since moving objects, springs under tension, and electric motors can cause injuries, your safety and the safety of others depend on you reading the information in this manual. If you have questions or do not understand the information presented, call your nearest trained door system technician or visit our website. The following Safety Alert symbol and signal words are used throughout this manual to call attention to and identify different levels of hazard and special instructions.
This is the safety alert symbol. This symbol alerts you to potential hazards that can kill or hurt you and others. All safety messages will follow the safety alert symbol and the word “DANGER”, “WARNING”, or “CAUTION”
DANGER: indicates an imminently hazardous situation which,if NOT avoided, will result in death or serious injury.
WARNING: indicates a potentially hazardous situation which, if NOT avoided, could result in death or serious injury. CAUTION indicates a potentially hazardous situation which, if NOT avoided, may result in injury or property damage. The word NOTE is used to indicate important steps to be followed or important considerations.
IMPORTANT SAFETY INSTRUCTIONS
READ AND FOLLOW ALL INSTRUCTIONS
SAVE THESE INSTRUCTIONS

SAFETY FEATURES
Safe-T-Beam® (STB) Non-Contact Reversing System
Puts an invisible beam across the door opening. The door stops and reverses to the full open position if anything th passes rough the beam. LED indicator lights on the powerhead and on the STBs provide a self diagnostic code if an operational problem exists.
Safe-T-Reverse® Contact Reversing System
Automatically stops and reverses a closing door within two seconds of contact with an object.
Automatic ForceGuard™ Control
Automatically sets the force required to fully open and close the door for maximum safety.
Watch Dog™ Monitoring System
Monitors the Safe-T-Beam® system to ensure proper functionality and will automatically stop and reverse a closing door if a problem is detected.
Manual Emergency Release
Manually releases door from door opener. Used during a power failure or other emergency to allow manual opening and closing of door.
SmartSet™ Electronic Programming
Easily adjust the programming to reduce opening speed to a desired rate, vary limits and force, and program new remotes.
Automatic Lighting System
Two bulb lighting system supplies up to 200 Watts of light for safer evening exits and entries. Turns ON when door is activated\ and automatically turns OFF 4 minutes later.
Integrated Motion Detection
(Not available on all models) Select units have motion detection built into the powerhead. Lights automatically turn ON when motion is detected for much safer movement through the garage. Lights will turn OFF after 4 minutes of no motion.
OPENER FEATURES
INTELLICODE® 2 Access Security System
A new generation superior encryption system that enhances the securi ty of the door opener by continuously changing the access code each time the remote is used. The door opener esponds to each new code only once. An access code copied from a working system and tried again will not control the door opener.
Wall Console, Series III
Operates door opener from inside garage. The Wall Console has an Indicator Light with Open/Close, Sure-Lock™, and Independent Light Control buttons.
Homelink® and Car2U® compatible. Refer to the programming instructions.
TRANSMITTER COMPLIANCE STATEMENT
Transmitters comply with all United States and Canadian legal requirements as of the date of manufacture. No warranty is made that they comply with all legal requirements of any other jurisdiction. If transmitters are to be used in another country, the importer must determine compliance with any local laws and which m regulations ay differ from the United States and Canadian requirements prior to use.
OVERVIEW OF POWERHEAD CONTROLS
This section describes the simple programming functions. Use this page to familiarize yourself with the buttons and LED indicators used to program the opener.
NOTE: These
and
buttons are for programming use only. Do NOT use these buttons to operate the opener.
There are three programming buttons and two lights (LEDs) on the powerhead. Each of the buttons are used to enter and complete the setup programming. The LEDs indicate status or a function change by illuminating ON, OFF, or ON flashing in one of three different colors: BLUE, RED, or PURPLE.

Enters into and selects programming menus.
Multi-function; move door during programming & advance through menus
Both LEDs can be Red, Blue, Purple or off, depending on the programming step you are performing.
INFRARED PROTECTION FUNCTION
- The Safe-T-Beam® has no effect on the door during an opening cycle.
- If the Safe-T-Beam® detects an obstruction when trying to close the door, it will not allow the door to move.
- When the garage door is closing, if Safe-T-Beam® is interrupted by person or obstacle, the garage door will stop its downward travel and reverse automatically to its fully opened position.
- If the Safe-T-Beam® System fails, loses power, or is installed improperly, press and hold the wall console “open/close” button until the door reaches its fully closed position. If yourelease the “open/close” button on the wall console during the closing movement the door will reverse automatically to its fully opened position.
Begin here ONLY AFTER completing assembly and installation of the opener. Review the Assembly & Installation Poster to ensure all steps have been performed.
There are no assembly or installation steps included in this manual. Contact your Genie® Professional Dealer for an installation poster, if needed, or call 1-800 35-GENIE. You may also visit www.geniecompany.com to download a pdf. file.
Before you begin Programming, check to make sure there are no objects in the garage door opening.
Programming Overview
There are four Powerhead program menus:
- Remote Program (Default menu)
- Limits Program
- Force Program
- Speed Program
ADJUSTMENT OF FORCE & SPEED SETTINGS IS IN THE MAINTENANCE &TROUBLESHOOTING SECTION.
- Force settings are set at the factory and do not normally require operator programming but can require minor adjustment under certain conditions. See Troubleshooting.
- Speed settings are set at the factory and are self- adjusting when needed. Speed Settings do not normally require manually initiated changes.
PROGRAMMING LIMITS
WARNING
Make sure doorway is in view and clear of obstacles and people to avoid injury or damage to property. DO NOT operate this unit from wall console before LIMITS and FORCE are set. Severe damage to the opener can occur The bullet MUST be engaged to carriage BEFORE setting limits. See Installation Poster (if provided) or call Customer Service at 800-35-GENIE or visit www.geniecompany.com
NOTE: If bullet has NOT been engaged to the carriage, do so no.
- Please note that there is a 30 second timeout between each programming step.
- If you see two flashing RED LEDs, you have initiated a timeout.
- In the event of a timeout you must restart at beginning.
TRAVEL LIMITS
DOWN LIMIT

FORCE CONTROL

CONTACT REVERSE TEST
WARNING: A moving door can cause serious injury or death.
- Keep people clear of opening while door is moving.
- Do NOT allow children to play with opener, including wall console, remote, or wireless keypad.
- During programming, door opener could begin to run, so stay away from moving door and its parts.
The Force and Limit settings MUST be COMPLETED before performing Contact Reverse Test.
Test

Adjustment, if needed
- If the door stops before it contacts the board or it does not reverse, it may be due to an improperly set down limit. Repeat TRAVEL LIMITS program and Test again. Repeat as needed until door passes test. For further help refer to Maintenance &Troubleshooting.
Once the Contact Revese Test is complete, continue with programming Remotes.
PROGRAMMING REMOTES to New Intellicode® 2 Openers
All type remotes program in the same way.
Bring remote(s) to powerhead location. For Car2U® andHomeLink®, park car outside the garage with the ignition key in the “ACCESSORY” position. Each button must be programmed individually following steps below.

NOTE: For additional openers—repeat the steps above using a different remote button for each.
FCC and IC CERTIFIED
This device complies with FCC Part 15 and RSS 210 of Industry Canada. This equipment has been tested and found to comply with the limits for a Class B digital device, pursuant to Part 15 of the FCC Rules. These limits are designed to provide reasonable protection against harmful interference in a residential installation. This equipment generates, uses and can radiate radio frequency energy and, if not installed and used in accordance with the instructions, may cause harmful interference to radio communications. However, there is no guarantee that interference will not occur in a particular installation. If this equipment does cause harful interference to radio or television reception, which may be determined by turning the equipment OFF and ON, the user is encouraged to try to correct the interference by one or more of the following measures:
- Re-orient or relocate the receiver antenna.
- Increase the separation between the opener and receiver.
- Connect the opener into an outlet on a circuit different from that to which the receiver is connected.
- Consult your local dealer.
PROGRAMMING INTELLICODE® 2 REMOTES to Intellicode® 1 (previous model) Openers.
The default setting of Intellicode® 2 must be changed. The LED color displayed on the remote indicates the IntelliCode® mode.
- Red = IntelliCode® 1 / Green = IntelliCode® 2


(Follow the TOP 2 steps above to shift back to Intellicode®2)
OPTIONAL PROGRAMMING
IntelliCode® 1 or 2 wireless keypad

Genie® Intellicode® 2 Wireless Keypad comes with a complete set of instructions.
LOST OR STOLEN REMOTE – CLEARING MEMORY

(To verify memory is cleared—try to operate the garage door using one of your remote devices. The opener should not respond.)
NOTE
- Clearing remotes from powerhead memory will clear ALL programmed remotes and wireless keypad.
- All remotes and wireless keypadds must be reprogrammed.
- Your door opener will no longer recognize any signal received from amissing remote.
WALL CONSOLE – OVERVIEW
This opener has a Serial Number sticker in which the serial numbers begin with 10 or higher.

Wall consoles from other manufacturers may not work with openers of these serial number groups. Genie® Series I wall buttons and Series II wall consoles will not work with openers of this serial number group.
Use only the Series III wall console provided with this unit. Wall console has three buttons and one indicator light.
Indicator Light
Indicator light will display Red when wall console is properly wired and Sure-Lock™ is OFF. When Sure is ON indicator Lock™ tor light flashes.
Open/Close Button
- Use this button to open or close garage door. When Sure-Lock™ is ON the Open/Close button will CLOSE door only.
Note: Constant button pressure in the CLOSE mode will override error responses in the powerhead and close door.
Independent Light Control Button
- Use this button to turn powerhead lights ON.
- Powerhead lighting will remain ON until this button is pressed again or a door action has been completed.
Note: If opener has a Motion Detector sensor, it will keep powerhead lights ON as long as motion is detected
When Sure-Lock™ is ON the powerhead cannot be activated by the wall console or a remote.
- Press and hold for 5 seconds (or until Indicator Light flashes) to activate Sure-Lock™.
- Press and release to turn Sure-Lock™ OFF.

Tip: If the Wall Console is energized (LED ON), but the door does not respond to the OPEN/CLOSE button-verify the Console is wired to the BWC terminals on the powerhead.

MAINTENANCE & TROUBLESHOOTING
If you have any questions, please do not hesitate to contact customer service at: 1-800-35-GENIE or visit www.geniecompany.com.
IMPORTANT SAFETY INSTRUCTIONS
WARNING: To reduce the risk of severe injury or death
- READ AND FOLLOW ALL INSTRUCTIONS.
- Never let children operate or play with the door controls. Keep the remote away from children.
- Always keep the moving door in sight and away from people and objects until the door is completely closed. NO ONE SHOULD CROSS THE PATH OF THE MOVING DOOR.
- NEVER GO UNDER A STOPPED, PARTIALLY OPEN DOOR.
- Test opener monthly. The door MUST reverse on contact with a 1-1/2″ high object (or a 2″ x 4″ board laid flat) at the center of the doorway on the floor. After adjusting either the force or the limit of travel, retest the door opener. Failure to adjust the opener properly may cause severe injury or death.
- When possible, use the emergency release only when the door is closed. Use caution when using this release door open with the Weak or broken springs are capable of increasing the rate of door closure and increasing the risk of severe injury or death.
- KEEP DOORS PROPERLY BALANCED. See your garage door Owner’s Manual. An improperly balanced door increases the risk of severe injury or death. Have a trained door system technician make repairs to cables, spring assemblies, and other hardware.
- SAVE THESE INSTRUCTIONS.
WARNING
- Garage door hardware (springs, cables, brackets, pulleys, etc.) are under extreme pressure and tension.
- DO NOT attempt to repair or adjust door springs or any hardware, and DO NOT OPERATE garage door automatically or manually if door is improperly balanced or springs are broken.
- CONTACT A TRAINED DOOR SYSTEM TECHNICIAN.
ROUTINE MONTHLY MAINTENANCE
Basic monthly maintenance tasks.
- Contact reverse
- Safe-T-Beam System Check
- Door balance
- Lubricate Door Hardware
CONTACT REVERSE TEST
WARNING: Use wall console supplied with opener. Other approved wall consoles may be available. Unapproved or incompatible wall consoles can cause the opener to operate unexpectedly.
Safe-T-Beam® (STB) SYSTEM CHECK
Check that both the RED and GREEN LEDs are ON steady. This indicates the system is working properly. If both LEDs are not ON steady, check the appropriate items below.
STB Red LED flashes
- Check for obstruction.
- Check alignment.
- Verify wire routing from STBs to STB connection In powerhead.
- Check for signal interference from another. Safe-T-Beam® unit (For multiple door installations).
- No STB Red or Green LED displayed.
- Check wiring and wire connections.
If the system appears to be working properly, perform the check as follows:
- Start the door closing
- Pass on object through the beam, the door should stop and reverse to the fully open position.
DOOR BALANCE (SPRING TENSION)
Perform the check as follows:
- With the door closed, pull
DOWN and let go to release door carriage assembly from drive system. - Raise and lower the door manually-it should move freely and smoothly.
- Raise door manually approximately 3 to 4 feet and let go.
- Door should remain stationary or move very slowly.
- If door moves quickly, CONTACT A TRAINED release handle
- DOOR SYSTEM TECHNICIAN. Close the door.
- Verify RED block in carriage is in the up position.

- Operate door using remote or wall console.
- Door will re-attach itself to carriage assembly.
LUBRICATE DOOR HARDWARE
Lubricate door rollers, bearings and hinges:
- Use silicone lubricant or lightweight oil.
CORRECTIVE MAINTENANCE
![]()
CHANGE LIGHT BULBS
WARNING
- Use extreme caution when working from a ladder or step stool.
- When replacing light cover, make sure wires are not pinched or near moving parts.
- Disconnect power to door opener.
- Open powerhead light cover.
- Remove light bulb(s).
- Replace light bulb(s).
- Do NOT use light bulbs with greater than 100 Watt rating.
- Close powerhead light cover.
- Reconnect power to door opener.
- Test light operation.
RESET – OPEN/CLOSE TRAVEL LIMIT
Performing all ten (10) Limits/Force setting steps erases previous Limits/Force settings.
NOTE: The opener will not close the door automatically unless the Safe-T-Beam® System is installed and Limits are programmed.
DISENGAGING AND ENGAGING CARRIAGE

REMOTE BATTERY REPLACEMENT

Replace remote battery with a CR 2032 coin cell battery.
- Open the remote case using a washer or coin that fits into the slot at the top of the remote
- Replace battery.
- Align components and snap case closed.
CHAIN OR BELT – TENSION ADJUSTMENT
WARNING
- Observe all safety warning and precautions!
- Disconnect power from opener and disconnect carriage in rail from bullet before beginning this task.
Visually inspect the chain or belt every 6 months.
NOTE: Tension adjustments should be made with the door in the down position and the carriage released.

- At the center of the rail the chain or belt should not be resting on the rail. See adjustment illustration on right.
- With the bullet NOT engaged to the carriage, tighten adjustment nut until chain/belt does not, at the center of the rail, rest on rail. Do NOT overtighten.
- Is there rust on chain or frayed edges on belt?
- Contact a trained door system technician for chain/belt replacement.
- Are there kinks or twists in the chain or belt?
- Contact a trained door system technician for chain/belt replacement.
BELT

CHAIN

ADJUSTMENT GUIDE – FORCE SETTINGS
CAUTION
- Door closing force is FACTORY set and requires no adjustment for normal operation.
- Neveradjust the force settings to compensate for damage, including an unbalanced door, binding door track or broken spring.
- Perform monthly CONTACT REVERSE test.
Force settings are pre-programmed at the factory and “learned” during the Open/Close Limit settings steps. For normal use, these settings should not need adjustment with this unit. However, conditions possibly requiring adjustment are:
- Doors with very stiff weather seals.
- Doors that start down, STOP and reverse before closing.
- Doors that start up, but STOP before they completely open.
FORCE ADJUSTMENT

LED indicator colors
OFF
Blue
Purple
Red

ADJUSTMENT GUIDE – SPEED SETTINGS
Speed settings are pre-programmed at the factory for the maximum speed. Speed settings should not need adjustment with this unit. However, travel speed for the opener can be adjusted to a slower speed in both the open and close directions, To mimimize wear on heavier sectional doors.
NOTE: One-piece doors are automatically set to the slowest speed during Limits programming and cannot be adjusted. There are 3 speed settings available for sectional doors. Please note that speed may be affected by door weight and balance, along with condition of door components and tracks.
SPEED ADJUSTMENT

LED indicator colors
OFF
Blue
Purple
Red

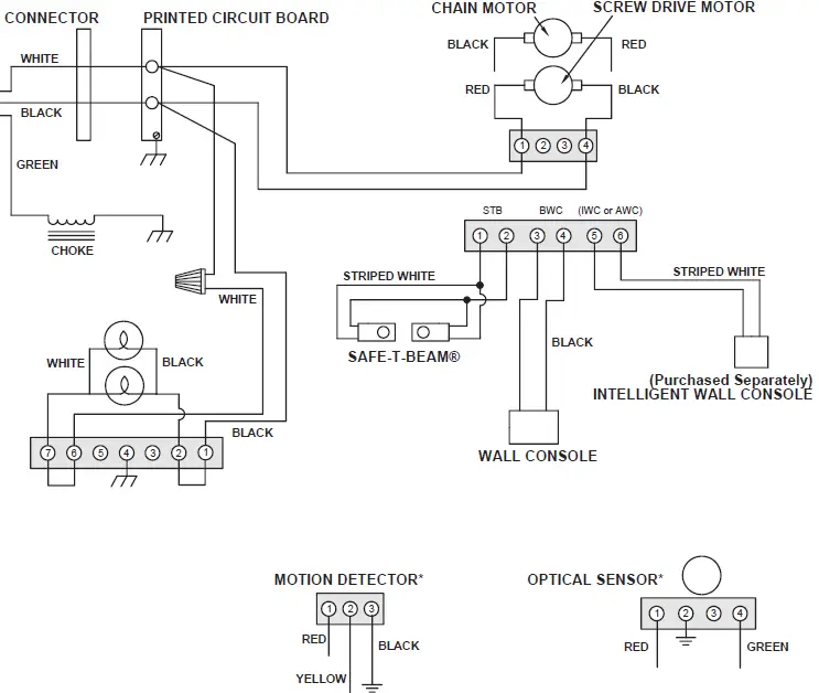
REFERENCE – CIRCUIT WIRING DIAGRAM
Opener circuit wiring diagram. This wiring diagram is for reference only.
WARNING
- Opening Cover May Cause Electric Shock.
- Disconnect power from opener prior to removing cover.
POWER CORD

WARNING: ELECTRICAL SHOCK
TROUBLESHOOTING GUIDE – OPERATION
| PROBLEM | WHAT TO DO | |
| The opener does NOT run from wall console. |
| |
| The opener runs, but door does NOT move. |
| |
| The opener works from wall console, but NOT from remote. | ||
| Remote has less than 25 feet operating range or no operation. |
| |
| Door starts down, then STOPS and goes back up. |
| |
| OR | ||
| Safe-T-Beam® System malfunction. | ||
| Door starts down, |
| |
| then STOPS before it |
| |
| is closed. |
| |
| OR Door will only open. | ||
| ||
| Door starts up, but STOPS before it is completely open. |
s WARNING: If you suspect a problem with the garage door hardware or springs, contact The Genie Company at 1-800-35-GENIE. | |
| Door will only run closed. |
| |
| Door opener starts for no reason. |
| |
| Noisy operation. |
| |
| Door opener runs slow. |
|
| Powerhead LED | Possible Problem | Solution | |
| Round LED | Long LED | ||
| OFF | OFF | Normal operation | None required |
| No response from unit | Check power supply Contact a trained door system technician | ||
| ON/RED/ STEADY | ON/RED/ STEADY | Limits NOT set properly | Reprogram Limits |
| ON/RED/ FLASHING | ON/RED/ FLASHING | Program error | Unplug unit, wait 5 seconds, plug in |
| Component failure | Contact a trained door system technician | ||
| ON/BLUE/ FLASHING | OFF | Remote NOT programmed | Program remote |
| ON/PURPLE/ FLASHING | OFF | IntelliCode® 1 remote NOT programmed | Program remote using IntelliCode® 2 remote then program IntelliCode® 1 remote using instructions on. |
| ON/RED/ FLASHING | OFF | Safe-T-Beam® physical obstruction | Remove obstruction, recheck unit |
| Safe-T-Beam® signal interference | Check alignment of the Safe-T-Beam® pair and the nearest other Safe-T-Beam® pair | ||
| OFF | ON/RED/ FLASHING | Door contact in up or down travel | Remove obstruction |
| Door component failure detected | Check door spring, track, rollers, hinges and fixtures | ||
| OFF | ON/RED/ STEADY | Thermal cutout | DO NOT unplug unit Wait until LED clears before operating |
IntelliG™1000/1200, SilentMax™1000/1200, ChainMax™1000/1200
Limited Warranty
GMI Holdings, Inc. d/bla The Genie Company (“Seller”) warrants to the original purchaser of the below identified garage door opener, SilentMax1000/1200, ChainMax 1000/1200 or IntelliG 1000/1200 (“Product”), subject to all of the terms and conditions hereot, that the Product and all components thereof will be tree trom detects in materials and workmanshıp for the tollowing period(s) ot tume, measured from the date of purchase
- MOTOR/GEARBOX: Seller warrants the motor/gearbox for the LIFETIME* of the product. BELT Seller warants the belt for a period of FIFTEEN (15) YEARS.
- CHAIN: Seller warrants the chain for a period of FIVE (5) YEARS.
- CORE UNIT PARIS: Seller warrants all other parts and components of the Core Unit for a period of FIVE (5) YEARS.
- ACCESSORIES: Seller warrants all accessories for a period of ONE (1) YEAR. Lifetime shall mean for as long as the original purchaser owns the home in which the product is originally installed.
The Core Unit consists of the powerhead, wired wall control, Safe-1-Beam system, J-Arm and rail.
Seller’s obligation under this warranty is specifically limited to repairing or replacing, at its option, the Product or any part thereof which is determined by Seller to be defective during the applicable warranty period. Any labor charges are excluded and will be the responsibility ot the purchaser. This warranty gives you specific legal rights, and you may also have other rights which vary from state to state. This warranty 1s made to the original purchase: of the Product only, and is not transferable or assignable. This warranty applies only to Products installed in a residential or other non-commercial application. It does not cover any Product installed in commercial or industrial building applications. This warranty does not apply to any unauthorized or improper installation, alteration or repair of the Product, or to any Product or component which has been damaged or deteriorated due to misuse, abuse neglect, accident, failure to provide necessary maintenance, normal wear and tear, or acts of GOd or any other cause beyond the reasonable control of Seller, and does not cover batteries, missing or damaged parts from clearance Or open bOX Sales, or repairs or maintenance to door COmponents.
ALL EXPRESS AND IMPLIED WARRANTIES FOR THE PRODUCT, INCLUDING BUT NOT LIMITED TO ANY IMPLIED WARRANTIES OF MERCHANTABILITY AND FITNESS FOR A PARTICULAR PURPOSE ARE LIMITED IN TIME TO THE APPLICABLE WARRANTY PERIOD REFLECTED ABOVE. NO WARRANTIES, WHETHER EXPRESS OR IMPLIED, WILL APPLY AFTER THE LIMITED WARRANTY PERIOD HAS EXPIRED. Some states do not allow limitations on how long an implied warranty lasts, so the above limitation may not apply to you IN NO EVENT SHALL GMI HOLDINGS, INC. OR TIS PARENT ORAFFILIATES BE RESPONSIBLE FOR, OR LIABLE TO ANYONE FOR, SPECIAL. INDIRECT, COLLATERAL, PUNITIVE, INCIDENTAL, OR CONSEQUENTIAL DAMAGES, even if Seller has been advised of the possibility of such damages. Such excluded damages include, but are not limited to, loss of use, cost of any substitute product, or other similar indirect financial loss. Some states do not allow the exclusion or limitation of incidental or consequentia damages, so the above limitation or exclusion may not apply to you.
Claims under this warranty must be made promptly after discovery and within the applicable warranty period. To obtain warranty service, you must contact Genie” customer service and provide proof of the date and location of Genie customer service and provide proof of the date and location of purchase and identification as the original purchaser. Call Genie Customer Service toll free at 1-800-354-5645 to speak with a trained representative. Purchaser must allow the seller a reasonable opportunity to inspect Product claimed to be defective prior to removal or alteration of its condition. Upon determınation by Seller that the Product or any part thereot is defectıve during the applicable warranty period (which may require purchaser to return the Product to Seller at purchaser’s expense), Seller Will supply the purchaser with replacement parts or, at its option, a replacement Product (shipping and handling o any replacement part(s) or replacement Product also at purchasers expense). deller may use new or reconditioned parts or a new or reconditioned Product of the same or similar design.
There are no established informal dispute resolution procedures of the type described in the Magnuson-Moss Warranty Act.
- PURCHASER: …………………………………………..
- INSTALLATION ADDRESS: …………………………………………..
- DATE PURCHASED: …………………………………………..
- SERIAL NUMBER: …………………………………………..
- OPENER MODEL: …………………………………………..
- REMOTE CONTROL MODE: …………………………………………..
- DEALER NAME: …………………………………………..
- DEALER ADDRESS: …………………………………………..
©2011 The Genie Company




















