YLSK-410-416 CNC Spring Coiling Machine

Product Information
The YLSK-410/416 CNC Spring Coiling Machine is a computer-controlled machine that comprises of four servo systems and a controller. It is designed for the production of left and right-handed cylindrical compression springs, deformed tension springs, and springs at both ends. It is the most ideal equipment for the manufacturing of slender oil seal springs. The machine provides a two-circle ejector rod system that can be replaced with a single ejector system if necessary. The transmission system is CNC controlled and made of high wear resistance materials and precision wear resistance bearings to ensure high precision.
Technical Parameters
| Description | Specification 1 | Specification 2 | Unit |
|---|---|---|---|
| Wire diameter | 0.15-1.0 | 0.3-1.6 | mm |
| Maximum spring outer diameter | 32 | 32 | mm |
| Maximum wire length | Infinite | Infinite | N/A |
| Production per minute | 500 (max) | 400 (max) | pc/min |
| Servo motor power 1 | 1 | N/A | kw |
| Servo motor power 2 | N/A | 1 | kw |
| Circle direction | Left and right | Left and right | N/A |
| Machine weight | 550 | 580 | kg |
| Size | N/A | N/A | mm |
Product Usage Instructions
- When installing the machine, it must be fixed to ensure normal operation. Make sure to ground the machine properly in accordance with national standards.
- After connecting the power supply, observe the controller signal and test the motor rotation direction manually. Start the servo motor for a dry run to ensure everything works normally.
- The machine is controlled by four shafts – thread feeding shaft, cutter shaft (2 sets), and outer diameter shaft. Refer to the operation manual for detailed instructions.
- If necessary, the two-circle ejector rod system can be replaced with a single ejector system, which can process tail-shaped springs and other types of springs such as torsion springs.
- The transmission system is CNC controlled, ensuring high precision, large production capacity, strong versatility, and quick and easy adjustment.
- The YLSK-410/416 CNC Spring Coiling Machine is ideal for the spring manufacturing industry.
Function of this machine
This computer is composed of a controller and four servo systems. It is mainly used to manufacture left and right-handed cylindrical compression springs, deformed tension springs and springs at both ends, especially for the manufacture of slender oil seal springs, choose YLSK -410/416 computer numerical control spring machine is the most ideal equipment. This machine mainly provides two-circle ejector rod system. However, if necessary, it can be equipped with a single ejector system, which can process tail-shaped springs and other types of springs such as torsion springs.
The transmission system of this machine is CNC controlled, with high precision, the main parts are made of high wear resistance materials, precision wear resistance bearings, carefully manufactured and assembled, with large production capacity, strong versatility, quick and easy adjustment, which is ideal The production tool of the spring
manufacturing industry.
Second Technical parameter
| Description | Specification | Specification | Unit |
| Wire diameter | φ0.15~φ1.0 | φ0.3~φ1.6 | mm |
| Maximum spring outer diameter |
Φ32 |
Φ32 |
mm |
| Maximum wire length | Infinite | Infinite | mm |
| Production per minute | 500(max) | 400(max) | pc/min |
| Servo motor power 1 | 2×0.75 | 3×1.0 | kw |
| Servo motor power 2 | 2×1.0 | 1×2.0 | kw |
| Circle direction | Left and right | Left and right | |
| Machine weight | 550 | 580 | kg |
| Size | 920×1000×1600 | 1000×1000×1600 | mm |
Second .Schematic diagram of machine transmission
This machine is controlled by four shafts: thread feeding shaft, cutter shaft (2 sets) and outer diameter shaft. For detailed instructions, please refer to the operation manual:

- Local installation
This machine has been fully assembled and tested and processed samples when it leaves the factory. It must be fixed when installing it to ensure normal operation.
This machine should be properly grounded in accordance with national standards. After connecting the power supply, observe the controller signal, manually test whether the motor rotation direction is correct, and start the servo motor for a dry run to ensure that everything works normally - Straightening frame
For the quality of spring products, high-quality steel wires must be selected. The straightening device is used to correct small deviations. It consists of two straightening units perpendicular to each other. A mandrel (curve gauge) can be bent to form various required springs. Of course, the formed spring depends on the knowledge and experience of the operator, especially the use of a computer controller must undergo a certain professional training to operate. - Simple diagram of wire feeding roller and ejector pin (curve gauge):

- Wire feeding parts :
The wire feed wheel (K-06) has two grooves. When installed in the machine, the groove at the back is parallel and perpendicular to the wire guide plate, and the wire feed wheel pressing device is used to give pressure to ensure that the spring is wound out.
The front wire guide (K-01) can prevent the wire from tangling between the wire feed roller and the first winding mandrel. The front wire guide is not covered by a cover before, but is covered by a spacing knife (K-09). The positioning of the spacing knife is adjusted by turning the adjustment nut (D-13) as shown in Figure 5. When manufacturing the tension spring, the spring It should not run against the spacing knife.
When manufacturing a left-handed spring, the mandrel, spacing knife, and cutter are installed opposite to the right-handed installation, and the curve gauge can be moved down.
Note: When processing different wire diameters, you need to replace a different wire feed wheel. When replacing the wire wheel, you must pay attention to the assembly direction of the wire wheel washer. Lock the lock nut (left-hand thread). On the contrary, if the washer is installed in the opposite direction, the equipment will be damaged. - Winding system
(K-05) Curve Gauge (Picture 2) Installed on the reducing tool holder (C-23) Picture 3, it can be rotated in any direction to adjust, the side of the circle rod should be forward, and the two curve gauges can circle the circle at the same time. Symmetrical movement or separate movement, the correct position of the two winding tips relative to each other is determined by the pulling rod (D-05) of the reducing slider. - Reducing spring auxiliary device:
When using the reducing spring auxiliary device, the second curve gauge is driven by the reduced diameter fine-adjusting rocker arm (D-02) as shown in Figure 4, and the movement of the reduced diameter fine-adjusting rocker arm is transmitted by the deforming cam (D-04) through the roller. The stroke can be changed by deforming the cam (D-04). Because the curve gauge is reset by a spring, the roller starts to contact the cam plate, and the tip of the winding to the limit position (ie the maximum outer diameter of the spring) should be restricted by the spring diameter adjustment screw (H-27) (Figure 3), not Restricted by the cam plate. - Spring diameter correction device:
Spring outer diameter correction intermediate disc (E-22) Figure 4 includes a deformed cam, which can be used together with a reducing spring device. This intermediate disc device can be installed with a deformed cam. Use this device when using a tool with a distance between parallel shafts to wind a spring with a large pitch. When manufacturing a compression spring with a tightly wound coil end, the outer diameter of the spring is reduced due to the compression of the spring by the spacing tool, which results in inconsistent spring outer diameters. With the help of a deformable cam, the coil ejector rod can be controlled, and the coil outer diameter of the spring end is reduced. Small, this reduced value offsets the value caused by the spacing tool, so that the outer diameter of the overall spring meets the required value (that is, the correct cylindrical shape). When manufacturing small or medium-pitch compression springs, use a distance knife between the vertical spring axes. Generally, this device is not used.

- Adjust the pitch device according to the vertical direction of the spring:
This pitch adjusting device is used to manufacture compression springs. When winding the dense circle, the spacing knife is inserted and forced to expand. The spacing knife (K-09) is divided into small cone surface and large cone surface. The small cone end is used when manufacturing small pitch springs. . Spacing knives with large tapered surfaces are used to manufacture springs with larger pitches. Install the spacing knife into the slot of the cutting slider (C-03) as shown in Figure 5, so that it can pass through the wire guide plate-under the right-handed coil spring or the left-handed coil spring.
The stroke of the spacing knife can be rotated by the servo motor (D-07), which directly drives the cutting slider (C-03) to move up and down, so that the spacing knife (K-09) installed in the cutting chute also moves up and down, finally reaching The purpose of controlling the spacing of compression springs.
- Adjust the pitch according to the parallel direction of the spring axis: When winding a spring with a larger pitch, it is advisable to coordinate with the pitch adjustment operation in the direction parallel to the spring axis.
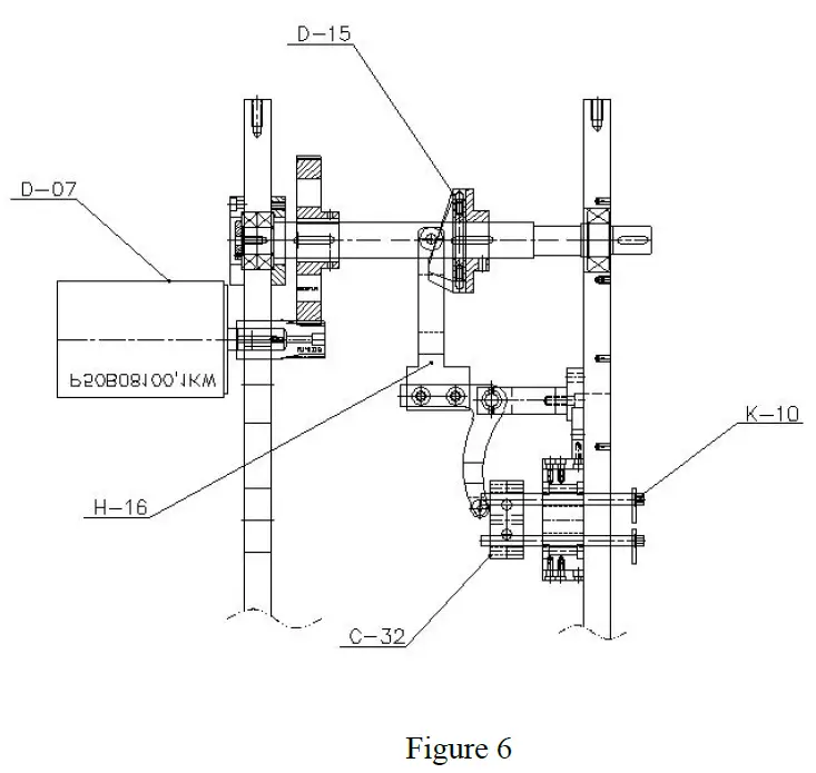
The spacing tool (K-10) shown in Figure 6 is fixed on the spacing pusher block (C-32), and is pushed by the spacing cam (D-15) to drive the upper cutting spacing lever (H-16). Through the rotation of the servo motor (D-07), the spacing tool (K-10) is moved back and forth in a straight line, so as to achieve the effect of controlling the spring spacing.
Note: It must be remembered that this spacing tool should be located at the rear when cutting to avoid the cutter hitting this tool.
- Cutting
The coiled spring must be cut off at the end of each operating cycle.
The cut-off operation is controlled by a servo motor. The return stroke of the cutter relies on the eccentric wheel instead of the tension spring. Therefore, the possibility of the cutter returning failure is avoided.
The cutting is supplemented by the mandrel and the movable cutter (K-08) as shown in Figure 5. Taking into account the generation of considerable stress, the core shaft is slightly smaller than the inner diameter of the spring. According to past experience, the spring can still be cut when the outer diameter of the spring is five times larger than the wire diameter, but this five times is the limit of the cutting condition.
The mandrel is located in the mandrel knife holder and the mandrel knife holder pressing plate (C-27, C-28) in Figure 5, and is fastened by the universal screw (H-38). The mandrel tool holder can be adjusted to the forward position through the mandrel lever adjustment screw (H-41) as shown in Figure 5, and its backing depends on the spring force. The mandrel adjusting slide (C-25), the mandrel cutter holder and the mandrel can be adjusted in the vertical direction by turning the mandrel up and down adjusting nut (H-22).
Figure 5 of the cutter (K-08) is located in Figure 5 of the cutting slider (C-03), which can be adjusted by rotating the cutter adjustment pad (H-11) and two fixing screws. When the line is stopped, the eccentric wheel (H-16) Fig. 5 connecting rod assembly (D-012, D-13) controls the cutting operation. The shorter the cutter stroke, the better, which can be directly controlled by changing the servo motor (D-07). The front and rear positions of the cutter can be adjusted by turning the adjusting nut (D-13). For the frontmost position of the cutter, the cutter beyond the mandrel should be at a small distance.
The cutting slider (C-03) is driven by a servo motor (D-07) through gears to drive the eccentric wheel (H-16) to rotate, and then move up and down through the connecting rod assembly (D-012, D-13). When manufacturing a right-handed spring, a cutter is installed in the upper cutter slider slot, and cutting is performed from above; when manufacturing a left-hand spring, a cutter is installed in the lower cutter slider groove, and the cutting is performed from below.
- Mandrel moving device:
When manufacturing double cones, central cones, and waist-shaped springs, the mandrel must be displaced.
When the cutting mandrel is fixed to the mandrel knife holder and the mandrel knife clamp pressure plate (C-27, C-28), when the spring is wound, the mandrel is operated by the core-pulling cam piece (K-30). Adjust the roller (K-31) to move it out of the winding plane. When the spring is cut off, the mandrel is briefly pushed forward.
Note: When using this mandrel device, the mandrel lever adjustment screw (H-41) should rotate backward and no longer contact the mandrel adjustment lever (D-16). - Left-handed winding spring device:
When the left-handed spring is wound, the winding is expanded downward, and the left-handed curve gauge seat should be installed to replace the right-handed curve gauge seat. The cutter is installed in the lower slider and the spacing knife is installed in the upper slider.
The double cone spring assist device is selected for right and left winding springs. The diameter-reducing fine-tuning rocker arm (D-02) must be changed to the small diameter-reducing fine-tuning rocker arm shaft located below the camshaft. - Adjusting
When the wire feed wheel, wire guide plate, winding mandrel and mandrel are installed according to the wire diameter or spring outer diameter, you can start. In order to effectively perform the first winding, the tip of the winding mandrel should be adjusted to The position of the larger spring outer diameter. After the wire passes through the straightening device, the wire feed roller and the right wire guide, the wire end should be formed into a loop with a round wrench and placed in the groove of the winding tip, and the wire feed wheel can be used to press the device Press it tightly, but this pressure is enough to smoothly introduce the wire into the machine.
Turn the hand wheel to introduce the wire, and at the same time adjust the coil rod to achieve the required spring outer diameter. If necessary, simultaneously rotate the winding rod reducing tool holder seat (C-24) Fig. 3 and the reduced diameter fine-adjusting rocker arm (D-02) to correctly locate and adjust the position of the winding tip. - Compression spring:
When manufacturing compression springs with tight winding ends, the winding tips should be properly adjusted so that the windings of the spring are aligned without generating tension. The pitch of the spring is obtained by the spacing tool.- Adjustment of cylindrical spring:
a. Install the required wire feeding rollers and adjust the pair of wire feeding rollers so that they can contact each other (no steel wire can be inserted).
b. Install the wire guide plate with cover and move it toward the wire feeding roller until the guide plate touches the wire feeding roller. Then return it to about 0.5~1mm (avoid contacting the wire feed roller during operation).
c. When installing the mandrel knife, the size of the mandrel knife should be determined according to the diameter of the spring. The protruding part of the mandrel knife should be 0.5mm smaller than the inner diameter of the spring, and the polished length of the protruding part is about two of the corresponding wire diameter. Times.
d. Adjust the right wire guide between the wire feed roller and the mandrel knife. When winding thin wires, the gap should not exceed 0.2~0.3mm. The other end of the wire guide is made into a straight edge. If processing small springs, the right angle of the wire guide near the mandrel knife should be cut to about 45 degrees (cut the upper part when winding the right-handed spring; cut the lower part when winding the left-hand spring).
e. Install the guide plate cover, pay attention to the cover not to touch the moving parts.
f. Adjust the spindle lever to adjust the screw (H-41) as shown in Figure 5 so that it exceeds the tool holder slide by about 1mm. Align the mandrel knife with the wire guide plate and lock it tightly.
g. Insert the pitch knife. Under normal circumstances, a 45-degree knife is used (a 30-degree sharp knife is used when winding thin steel wires). Move the pitch knife to 5mm beyond the upper edge of the wire guide. Adjust the compression screw to make the pitch knife contact the wire guide plate, but it should move freely. When installing the cutting knife, pay attention that the knife edge of the knife should be consistent with the knife edge of the mandrel. Adjust the cutter stroke so that the stroke above the mandrel knife does not exceed twice the wire diameter.
h. Check the technical requirements of the spring to be wound before installing the winding mandrel. If the thin steel wire is to be wound, the excess part of the front end of the winding mandrel and the excess leaning into the groove should be polished off, and the edges on both sides of the groove should be arc-shaped. If the outer diameter of the spring is less than 4mm, the front end of the winding mandrel must be made pointed. i. Approximately adjust the length of the incoming wire and check the number of turns. Adjust the exact length of the incoming line.
j. Install the spacing cam and adjust it until the ideal tail ring is obtained. - Adjustment of the unit cone spring:
When manufacturing a unit conical spring, the winding should start with the smallest outer diameter of the spring. The roller on Figure 4 of the variable diameter fine-tuning rocker arm (D-02) is located at the highest point of the cam. When the spring is coiled, the roller draws its lowest point (large spring outer diameter) according to the downward arc between the cam plates.
The half circle of the two-winding ejector rod is the beginning of the next spring, so the cam plate has a sharply raised arc shape, which can make the ejector rod quickly reach the smallest spring outer diameter and stop the threading at the same time. Here, the spring is cut from the turning point from the completion of the large outer diameter to the beginning of the small outer diameter.
- Adjustment of cylindrical spring:
- Double cone spring
When manufacturing a double-cone spring with a tapered shape at both ends, the roller on Figure 4 of the variable-diameter fine-tuning rocker arm (D-02) moves from the highest point of the deformed cam to the lowest point and then returns during the winding process. If the central part of the spring is cylindrical, the deformed cam should have a section of concentric circles between the arc rise and fall. - Waist spring
When winding a waist-shaped spring with a double cone toward the center, the mandrel must be moved away from the winding plane during the winding. For this reason, a mandrel moving device must be connected. Third.Electrical operation and maintenance:- Failure switch: When the wire feeder fails, the computer will automatically stop.
- Continuous wire feeding and continuous wire feeding (quick compensation).
There is a toggle switch on the lead frame of the wire feeding frame to control the continuous or continuous rotation of the wire feeding frame motor. When the switch is turned to the continue position, the micro switch is pulled by the steel wire coiled by the machine to make the wire feeding motor continue to rotate. When the switch is turned to the continuous position, the wire feeding frame will continue to rotate and pay off at the set speed. And it can automatically continue to accelerate the pay-off when the pay-off is not in time, and the pay-off speed is controlled by the speed control knob next to the switch.
Torsion device (Optional)
In addition to the various types of springs mentioned above, this machine has a set of torsion spring devices specially designed for users. That is, with a tail-shaped spring. Figure 8 shows all the transmission parts of the torsion spring mechanism. Install a knife holder on the slider of the knife holder, with a cutter on the holder, and a knife holder on the right side. The tail can be placed as a single piece by moving the connecting rod up and down. See the five instructions for the specific installation method. The torsion spring cam seat should be installed. Install the torsion spring cam piece (K-29) as shown in Figure 8.
Install the right torsion spring skateboard device:
- Install the torsion spring slide plate and fasten four screws (No. 1)
- Install the torsion spring with the inverted hexagonal joint (I-28) and the main torsion spring cam plate (K-29)
- Loosen the screw No. 2 and follow the principle that the screw specified on the scimitar holder (the highest point of the cam) must not collide with this screw.
- Loosen the screw number 3, and the principle of not colliding with the clearance knife when removing the scimitar holder and returning (the lowest point of the cam).

Safety, maintenance
- The machine must be maintained during use in order to maintain stable accuracy and service life for a long time. The operator must fill the lever bearing with oil every 3 days when it is turned on. The slide rails and chutes on the base panel are lubricated with spray 6CB9 once or twice a day, clean the surface and surrounding dirt after work.
- When coiling the spring, you must follow the specified wire diameter. Don’t increase the diameter at will to avoid damage to the machine. When making special profiles, calculate the same area as the largest wire diameter.
- When working, the operator is not allowed to reach into the machine, let alone put the iron into the machine to clean up springs and other objects. Because the machine runs very fast, pay special attention to avoid accidents. If there is a problem in the work, you can stop the machine immediately and then deal with the fault.
- In the studio (computer room), apart from keeping it clean and hygienic, do not directly shine the sun on the machine, and are not allowed to heat anything indoors. It is best to maintain the normal indoor working temperature (between 16°and 26°). No dust is allowed.
























