SEIFERT 43051001 120V 2120BTU Control Cabinet

This instruction manual contains information and instructions to enable the user to work safely, correctly and economically on the unit. Understanding and adhering to the manual can help one:
- Avoid any dangers.
- Reduce repair costs and stoppages.
- Extend and improve the reliability and working life of the unit.
PLEASE ENSURE TO USE THE RIGHT VERSION OF THE INSTRUCTION MANUAL SUITABLE FOR YOUR UNIT.
Intended Use
The unit is to be used exclusively for the dissipation of heat from control cabinets and enclosures (stationary, not moving) in order to protect temperature sensitive components in an industrial environment. To meet the conditions of use, all the information and instructions in the instruction manual must be adhered to.
General Danger
Indicates compulsory safety regulations which are not covered by a specific pictogram such as one of the following.
- High electric voltage
Indicates electric shock danger. - Important safety instruction
Indicates instructions for safe maintenance and operation of the unit. - Attention
Indicates possible burns from hot components. - Attention
Indicates possible damage to the unit. - Instruction
Indicates possible danger to the environment.
Legal Regulations
Liability
The information, data and instructions contained in this instruction manual are current at the time of going to press. We reserve the right to make technical changes to the unit in the course of its development. Therefore, no claims can be accepted for previously delivered units based on the information, diagrams or descriptions contained in this manual. No liability can be accepted for damage and production caused by:
- Disregarding the instruction manual
- Operating error
- Inappropriate work on or with the unit
- The use of non-specified spare parts and accessories
- Unauthorized modifications or changes to the unit by the user or his personnel
The supplier is only liable for errors and omissions as outlined in the guarantee conditions contained in the main contractual agreement. Claims for damages on any grounds are excluded.
Safety Instructions
Upon delivery the unit is already meeting current technical standards and can therefore be safely taken into operation. Only authorised personnel is allowed to work on the unit. Unauthorized personnel must be prohibited from working on the unit. Operating personnel must inform their superiors immediately of any malfunction of the unit. Please note that before starting to work on or with the unit, a procedure must be carried out inside the cabinet on which the unit is to be mounted. Before commencing work inside the cabinet, the control cabinet manufacturer’s instruction must be read with regards to:
- Safety instructions.
- Instructions on taking the cabinet out of operation.
- Instructions on the prevention of unauthorized cabinet reconnection.
- Behind the control cabinet doors.
- On the power supply in the unit housing.
The unit has to be operated according to the type plate and the wiring diagram, and must be protected externally from overloading and electrical faults via suitable protective devices.
- Danger through incorrect work on the unit
The unit can only be installed and maintained by technical competent and qualified personnel, using only supplied material according to the supplied instructions. - Danger from electrical voltage
Only specialized personnel are allowed to maintain and clean the unit. The personnel must ensure that for the duration of the maintenance and cleaning, the unit is disconnected from the electrical supply. - Attention
Damage to the unit through the use of inappropriate cleaning materials. Please do not use aggressive cleaning material. - Instruction
Damage to the environment through unauthorized disposal. All spare parts and associated material must be disposed according to the environmental laws.
Settings
The cooling unit is intended to be used as a complementary accessory to larger industrial equipment. The unit is used where heat needs to be dissipated from electrical control cabinets or similar enclosures in order to protect heat sensitive components. ft is not intended for household use.
The unit has two completely separate air circuits which ensure that the clean cabinet air does not come into contact with the ambient air which may well be dirty or polluted. Enclosure cooling units can dissipate large quantities of heat from sealed enclosures such as electrical enclosures into the ambient air and at the same time reduce the cabinet internal temperature to below that of the ambient air. The unit can function without problems in extreme ambient conditions (e.g. dusty and oily air) with a standard operating temperature ranging between +10°C and +55°C. Units can be ordered with an additional electrical cabinet heater. For the cooling capacities and environmental ratings please refer to the type plate data.
Functional Principle
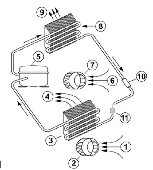
The cooling unit for enclosures works on the basis of a refrigeration circuit consisting of four main components: compressor (1), evaporator (2), condenser (3) and expansion device (4).
The circuit is hermetically sealed and R134a refrigerant circulates inside it (R134a is chlorine free and has an Ozone Destruction Potential [ODP] of 0 and a Global Warming Potential [GWP] of 1430). The compressor compresses the refrigerant (thus taking it to high pressure and high temperature), and pushes it through the condenser, where it is cooled by ambient air thus passing from the gas to the liquid state. At the liquid state it then passes through the capillary pipe being a much lower pressure the refrigerant arrived to the evaporator where it absorbs the necessary heat to change from liquid to gas state. The gas is then drawn back into the compressor completing the cycle.
Condensation management
In environments with humidity and low internal enclosure temperatures, condensation may form on the evaporator coil. Standard cooling units 43XXX0XXX have a drain socket towards the bottom of the unit for connection of the drain pipe. Cooling units 43XXX1XX include an internal condensate evaporator based on self-regulating PTC cartridges. Condensate is drained to an internal recipient where it evaporates when in contact with the cartridge surface. Resulting steam is directed towards the condenser. The PTC heater cartridge is permanently connected. The recipient has an overflow socket at the bottom of the unit, for which a drain pipe is supplied.

Technical Data
- Order Number : 43051001
- Cooling Capacity L35L35 :620 W
- Cooling Capacity L35L50 :440 W
- Compressor :Reciprocating compressor
- Refrigerant / GWP :R134a / 1430
- Refrigerant Charge : 163 g / 5.7 oz
- High / Low Pressure :23.3 / 5.3 bar 338 / 77 psig
- Operating Temperature Range :+10°C – +55°C
- Air Flow Volume (System / Unimpeded) : Ambient air circuit: 435 / 550 m³/h Cabinet air circuit: 200 / 250 m³/h
- Mounting : Wall mounted
- Housing Material : Mild steel, powder coated
- Dimension A x B x C (D+E) : 651.4 x 315 x 260 mm
- Weight : 33.7 kg
- Cut Out Dimension : 635 x 275 mm
- Voltage / Frequency : 120 V ~ 60 Hz
- Current L35L35 : 4.4 A
- Starting Current : 19.1 A
- Max. Current : 5.3 A
- Nominal Power L35L35 : 440 W
- Max. Power : 560 W
- Fuse : 10 A (T)
- Short-Circuit Current Rating Connection : 5 kA
- Ingress Protection : IP 54
- Approvals : Protection
Mounting
CAUTION: The power supply rating on unit rating plate must comply with mains rating.
CAUTION: Always disconnect the power supply before opening the unit.
The heat load to be dissipated from enclosure should not exceed specific cooling output of the unit at any condition. At cooling unit selection always cater for a safety margin of at least 15% extra cooling output in the worst conditions.
Ensure that flows of air leaving and entering the cooling unit, internal and external, are not obstructed. It must also be ensured in accordance with UL, that the air outlet is not blowing air directly at an equipment operator. Should this be the case a barrier or duct shall be provided to redirect the airflow.
Cooling unit enclosure air suction hole must be installed in the highest possible point. When installing the unit on a door ensure it can take the weight.
Before drilling the enclosure ensure the fixing elements and couplings will not interfere with the equipment inside the enclosure itself. Disconnect power before starting any work inside the enclosure. Following this 1:1 Scale Drilling Template drill the holes and make the required cuts on the enclosure. This template may have been affected by storage conditions, please check this template by verifying values of the largest dimensions before drilling. Fit the sealing strip on the cooling unit on the side connected to the enclosure and follow the installation diagram.
Note: In case of 19″ rack mounted units please ignore the above mounting instructions.
Mounting Principle
WARNING : Do not use within the first 15 minutes after installation!
- M6 screws
- M6 flat washers
- M6 toothed washers
- Cabinet
- Sealing tape
- Cooling unit
- Lifting hook
- Fig. 1 Recessed
- Fig. 2 External


Electrical Connection
WARNING: High electric voltage present. Installation, maintenance, cleaning and any other work must be carried out by qualified personnel only. The personnel must ensure that for the duration of this work the unit and the cabinet are disconnected from the electrical supply and protected against unauthorized/accidental reconnection.
Ensure that the unit and the enclosure are switched off before opening the unit. While servicing and inspecting the unit, ensure that the necessary precautions are taken against the unit been switched back on accidentally. All wiring for unit installation must be done following the applicable national and regional regulations, as well as the provisions of the responsible power supply company.
Controller
The display shows the temperature in the range of -50°C to +150°C (-58°F to +302°F). The temperature is displayed with resolution of tenths between -19.9°C and +99.9°C (-3.8°F to +211.8°F). During programming, it shows the codes and values of the parameters. The display also shows icons according to occurring events.
Display Icons
FUNCTIONS
- Compressor relay active
- Alarm relay active
- Heater relay active
- Ambient blower relay active
- Alarm
- Heating mode
- Cooling mode
- TEST Test mode in progress
Description
- Flashes when activation is delayed or inhibited by protection times, external disabling or other procedures in progress
- Flashes when alarms are active
- Signals operation of unit in heating mode
- Signals operation of unit in cooling mode
- Activated only by manual procedure
Programming
The operating parameters can be modified using the front keypad. Access differs depending on the type of parameter. Access to configuration parameters is protected by a password that prevents unwanted modifications or access by unauthorized persons.
Setting cooling set point, St1:
- Press “SET” and display should show St1 and then the pre-set value of St1. (default: +35°C / +95°F)
- Reach the desired value by using ▲ or ▼.
- Press “SET” again to save the new value of St1. Setting heating set point, St2 (only for units supplied with internal heater):

- Press “SET” twice slowly and display should show St2 and then the pre-set value of St2. (default: +5°C /+41°F)
- Reach the desired value by using ▲ or ▼.
- Press “SET” again to save the new value of St2. Setting temperature units (°C / °F), low temperature alarm and high temperature alarm:

- Press “PRG” button for 5 seconds to reach the modifiable parameter list.
- Use ▲ or ▼ to reach the desired parameter:
- C18 for temperature unit of measure
- °C = 0
- °F = 1
- P25 for low temperature alarm threshold (default -10°C / +14°F) P26 for high temperature alarm threshold (default +55°C / +131°F)
- Press “SET” on the desired parameter to display the current value.
- Use ▲ or ▼ to reach the desired value.
- Pressing “SET” temporarily saves the new value and returns to the parameters list.
- Repeat steps 2-5 to set other parameters.
- Press “PRG” for 5 seconds to permanently save the new values.
Test function
Different test functions can be used depending on the combination of keys pressed. Such tests run for the duration of 4 minutes.
- “SET+▲” tests Compressor and Ambient Blower relays. “
- SET+▼” tests Alarms and Heater relays
Alarm Relay Operation
Both normally closed (NC) and normally open (NO) alarm contacts are provided. Under normal conditions, the NC contact is closed and the NO contact is open. When an alarm condition is present, the NC contact will open and the NO contact will close.
STATE : ALARM : DISPLAY
- System powered OFF

- System powered ON
- NO ALARM
- Door Contact Closed

- System powered ON
- Door Contact Open

- Door Contact Open
- System powered ON
- ALARM STATE

- ALARM STATE
Notes:
- State 2: Additional icons (1,3,4, Reverse, Direct, Test) depending on operation.
- State 3: The display shows “OFF” alternating with the standard display.
- State 4: The display shows “EXX” alternating with the standard display – at the same time, the alarm icon flashes.
Typical alarm codes:
Error Code Description
- E01: Probe B1 fault
- E02: Probe B2 fault
- E04: High temperature alarm
- E05: Low temperature alarm
Important Notes
- Whilst programming, if no button is pressed for 10 seconds, the display starts flashing, and after 1 minute returns to the main display without saving changes.
- To increase scrolling speed, press and hold the ▲ or ▼ button for at least 5 seconds.
- When pressing “PRG” for 3 seconds, the firmware revision code is displayed for 2 seconds.
- When cleaning the controller panel, do not use ethanol, hydrocarbons, ammonia or their by-products. Use neutral detergents and water.
- In order to protect the unit’s components, minimum relay output on (3 or 7 minutes) and off (4 minutes) times and minimum time (7 or 11 minutes) between activation of the same relay output are applied.
- In case of digital inputs not configured, probes not fitted or configured, or St2 not enabled on the controller the display shows ‘nO’.
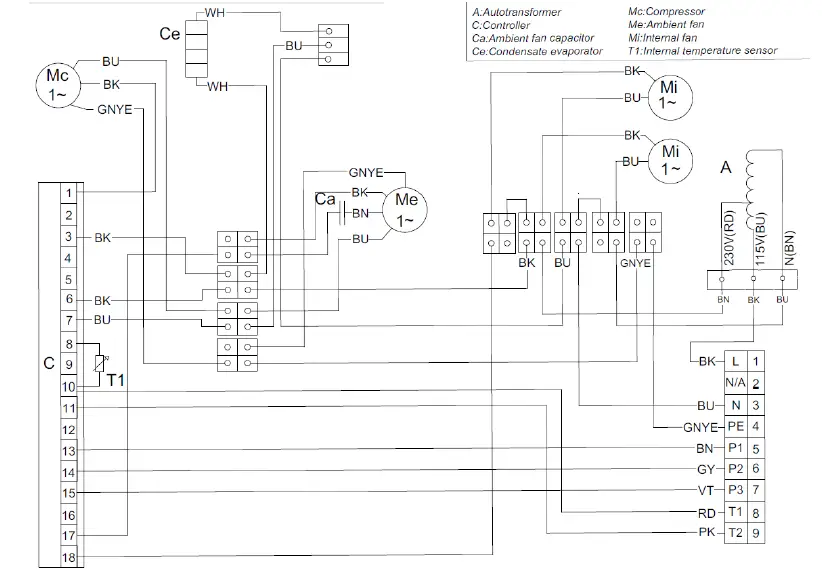
Wiring Diagram
- 1 120V L1
- 2 /
- 3 N / L2
- 4 Earth
- 5 Alarm (NO) P1 6 Alarm (COM) P2 7 Alarm (NC) P3 8 Door T1
- 9 Door T2

Taking into Operation
Attention! The unit can be damaged by lack of lubricant. To ensure that the compressor is adequately lubricated the oil, which has been displaced during transport, must be allowed to flow back into it. The unit must therefore be allowed to stand for at least 30 min. before being connected to the mains and taken into operation. The unit / system must be protected with a MCB Type D or K.
Upon connection the internal fan will start working. If the temperature inside the enclosure is higher than the set value of the controller both the compressor and external air fan start working. Once the air inside the enclosure reaches the set temperature the compressor and external fan will stop.
The hysteresis is 3K, the minimum ON-time is 4 minutes, the minimum OFF-time is 3 minutes, for units with a cooling capacity of more than 1 kW is it usually 7 minutes. The unit is pre-set at 35°C, which is suitable for most of the electronic devices.
Troubleshooting
| Failure | Condition | Cause | Solution |
| Unit doesn’t cool | Internal fan does not work | Power not connected. | Verify power supply |
| Internal fan works, external fan and compressor don’t work | Enclosure temperature is below setting temperature (St1) | Verify values of parameter “St1“ | |
| Door switch contact is open | Verify door switch | ||
| Controller doesn’t work | Replace controller | ||
| Internal fan works, external fan and compressor don’t work. Display shows alternating OFF and temperature | The sequence of the phases inside the power supply connector is incorrect | Change phases inside power supply connector | |
| Unit doesn’t cool | External and internal fan work, compressor does not work | Compressor motor electrical failure | Have compressor replaced by qualified service technician |
| Capacitor for compressor failed | Replace capacitor | ||
| Compressor works, external fan doesn’t work | External fan needs to be replaced | Replace external fan | |
| Enclosure temperature too hot | Compressor and fans (external and internal) work all the time | Cooling unit undersized | Enclosure needs a cooling unit with higher capacity |
| Compressor and external fan work in alternating mode (ON / OFF) | Thermal compressor protector triggered | Verify if ambient temperature is too high, clean condenser | |
| Refrigerant leakage | Contact dealer / service Centre | ||
| Excessive condensate | Enclosure door open | Ambient air gets into the enclosure | Ensure door is closed, add a door switch and connect it to controller |
| Enclosure door closed | Enclosure IP protection class is below IP54 | Seal all openings of the enclosure | |
| Damaged or misplaced sealing strip | Repair sealing strip accordingly |
Maintenance & Cleaning
DANGER: Always switch power supply off before starting any maintenance on the unit.
The cooling unit is generally maintenance free and can be operated without filters in most environments. For units with filters these should be checked, cleaned and if necessary replaced on a regular basis. In addition the unit should have regular functional tests (approx. every 2,000 hours depending on the grade of ambient pollution).
Disposal
The unit contains R134a refrigerant and small quantities of lubricating oil. Replacement, repairs and final disposal must be done according to the regulations of each country for these substances.
Transport & Storage
Malfunction Due to Transport Damage
On delivery the carton box containing the unit must be examined for signs of transport damage. Any transport damage to the carton box could indicate that the unit itself has been damaged in transit which in the worst case could mean that the unit will not function.
The unit can only be stored in locations which meet the following conditions:
- Temperature range: -40°C to +70°C
- Relative humidity (at 25°C): max. 95%
Returning the Unit
To avoid transport damage the unit should be returned in the original packing or in a packing case and must be strapped to a pallet. If the unit cannot be returned in the original packing please ensure that:
- A space of at least 30 mm. must be maintained at all points between the unit and the external packing. The unit must be shipped in the same position as it was mounted.
- The unit must be protected by shock resistant padding (hard foam corner pieces, strips or cardboard corner pieces).
Parts Supplied / Spare Parts / Accessories
- 1 x Cooling unit with individual packaging
- 1 x Plastic bag containing:
- 1 x Instruction manual with techno. information
- 1 x CE declaration of conformity
- 1 x Drilling template in 1:1 scale
- 8 x M6 bolts
- 8 x washers
- 8 x locking washers
- 1 x 10×3 mm self-adhesive sealing strip
- 1 x Flexible drain pipe
- 1 x Female connector with bridged door contact
Seifert Systems GmbH
Albert-Einstein-Str. 3
42477 Radevormwald
Germany
Tel.+49 2195 68994-0
Email: [email protected]
























