SEIFERT 42711001 120V 3020 BTU Control Cabinet Air Conditioner

This instruction manual contains information and instructions to enable the user to work safely, correctly and economically on the unit. Understanding and adhering to the manual can help one:
- Avoid any dangers.
- Reduce repair costs and stoppages.
- Extend and improve the reliability and working life of the unit.
PLEASE ENSURE TO USE THE RIGHT VERSION OF THE INSTRUCTION MANUAL SUITABLE FOR YOUR UNIT.
Intended use
The unit is to be used exclusively for the dissipation of heat from control cabinets and enclosures (stationary, not moving) in order to protect temperature-sensitive components in an industrial environment. To meet the conditions of use, all the information and instructions in the instruction manual must be adhered to.
General danger
Indicates compulsory safety regulations which are not covered by a specific pictogram such as one of the following.
High electric voltage
Indicates electric shock danger.
Important safety instruction
Indicates instructions for safe maintenance and operation of the unit.
Attention
Indicates possible burns from hot components.
Attention
Indicates possible damage to the unit.
Instruction
Indicates possible danger to the environment.
Legal Regulations
Liability
The information, data and instructions contained in this instruction manual are current at the time of going to press. We reserve the right to make technical changes to the unit in the course of its development. Therefore, no claims can be accepted for previously delivered units based on the information, diagrams or descriptions contained in this manual. No liability can be accepted for damage and production caused by:
- Disregarding the instruction manual
- Operating error
- Inappropriate work on or with the unit
- The use of non-specified spare parts and accessories
- Unauthorized modifications or changes to the unit by the user or his personnel
The supplier is only liable for errors and omissions as outlined in the guarantee conditions contained in the main contractual agreement. Claims for damages on any grounds are excluded.
Safety Instructions
Upon delivery the unit is already meeting current technical standards and can therefore be safely taken into operation. Only authorised personnel is allowed to work on the unit. Unauthorised personnel must be prohibited from working on the unit. Operating personnel must inform their superiors immediately of any malfunction of the unit. Please note that before starting to work on or with the unit, a procedure must be carried out inside the cabinet on which the unit is to be mounted.Before commencing work inside the cabinet, the control cabinet manufacturer’s instruction must be read with regards to:
- Safety instructions.
- Instructions on taking the cabinet out of operation.
- Instructions on the prevention of unauthorized cabinet reconnection.
The electric equipment meets the valid safety regulations. One can find dangerous voltages (above 50 V AC or above 100 V DC)
- Behind the control cabinet doors.
- On the power supply in the unit housing.
The unit has to be operated according to the type plate and the wiring diagram, and must be protected externally from overloading and electrical faults via suitable protective devices.
- Danger through incorrect work on the unit
The unit can only be installed and maintained by technical competent and qualified personnel, using only supplied material according to the supplied instructions. - Danger from electrical voltage
Only specialised personnel are allowed to maintain and clean the unit. The personnel must ensure that for the duration of the maintenance and cleaning, the unit is disconnected from the electrical supply. - Attention
Damage to the unit through the use of inappropriate cleaning materials. Please do not use aggressive cleaning material. - Instruction
Damage to the environment through unauthorized disposal. All spare parts and associated material must be disposed according to the environmental laws.
Settings
The cooling unit is intended to be used as a complementary accessory to larger industrial equipment, and is used where heat needs to be dissipated from electrical control cabinets or similar enclosures in order to protect heat-sensitive components. It is not intended for household use. The unit has two completely separate air circuits which ensure that the clean cabinet air does not come into contact with the ambient air which may well be dirty or polluted. The cooling unit can dissipate large quantities of heat from electrical enclosures into the ambient air and at the same time reduce the internal temperature to below that of the ambient air. The unit works without problems in extreme ambient conditions (e.g. dusty and oily air). The operating temperature range is between +20°C and +55°C. Units can be ordered with an additional electrical cabinet heater. For the cooling capacities and environmental ratings please refer to the type plate data.
Functional Principle
The cooling unit for enclosures works on the basis of a refrigeration circuit consisting of four main components: compressor, evaporator, condenser and expansion device.
The circuit is hermetically sealed and R134a refrigerant circulates inside it (R134a is chlorine-free and has an Ozone Destruction Potential [ODP] of 0 and a Global Warming Potential [GWP] of 1430). The compressor compresses the refrigerant (thus taking it to high pressure and high temperature), and pushes it through the condenser, where it is cooled by ambient air thus passing from the gas to the liquid state. At the liquid state it then passes through the capillary pipe being a much lower pressure the refrigerant arrives to the evaporator where it absorbs the necessary heat to change from liquid to gas state. The gas is then drawn back into the compressor completing the cycle.
- Air intake cabinet side
- Air intake ambient side
- Radial fan cabinet side
- Radial fan ambient side
- Evaporator
- Condenser
- Air outlet cabinet side
- Air outlet ambient side
- Compressor
- Filter dryer
- Expansion device

Technical Data
- Order Number 42711001
- Cooling Capacity L35L35 820 W @ 50 Hz 885 W @ 60 Hz
- Cooling Capacity L35L50 480 W @ 50 Hz 530 W @ 60 Hz
- Compressor Rotary piston compressor
- Refrigerant / GWP R134a / 1430
- Refrigerant Charge 280 g / 9.9 oz
- High / Low Pressure 37 / 9.6 bar 536 / 140 psig
- Operating Temperature Range +10°C – +55°C
- Air Flow Volume (System / Unimpeded) Ambient air circuit: 320 / 650 m³/h
- Cabinet air circuit: 290 / 550 m³/h
- Mounting Wall mounted / Recessed
- Housing Material Mild steel, powder coated
- Dimension A x B x C (D+E) 980 x 395 x 145 (25+120) mm
- Weight 34 kg
- Cut Out Dimension 961 x 376 mm
- Voltage / Frequency 120 V ~ 50/60 Hz
- Current L35L35 6.6 A @ 50 Hz
- 7.0 A @ 60 Hz
- Starting Current 37 A
- Max. Current 8.7 A
- Nominal Power L35L35 660 W @ 50 Hz 760 W @ 60 Hz
- Max. Power 905 W
- Fuse 16 A (T)
- Max Circuit Ampacity 15 A
- Short-Circuit Current Rating 5 kA
- Rated Current Compressor 37 A
- Full Load Current Fans 8.7 A
- Connection Connection terminal block
- Ingress Protection IP 54
- Approvals CE, cURus, cULus
Mounting
Mounting preparations
Several points must be checked before the unit can be mounted. These checks must be made to ensure safety
and the trouble-free operation of the unit. These checks must be carried out with absolute thoroughness to
ensure that the unit works perfectly.
Check unit for transport damages
On delivery the carton box containing the unit must be examined for signs of transport damage. Any transport damage to the carton box could indicate that the unit itself has been damaged in transit which in the worst case could mean that the unit will not function.
Location and space requirements
The location of the cabinet must allow for sufficient air circulation to and from the unit.
Attention
Damage to the unit through incorrect mounting. The unit must be mounted according to the mounting template. It is therefore also important to check, with the help of a spirit-level, that the cabinet is in a horizontal position. The max. deviation from the vertical or horizontal is 3 degrees.
Air apertures
To provide adequate air circulation and avoid temperature layers from forming, ensure that air inlet and air outlet are not partially or completely blocked by obstructions in the cabinet. It must also be ensured in accordance with UL, that the air outlet is not blowing air directly at an equipment operator. Should this be the case a barrier or duct shall be provided to redirect the airflow.
Sealing
To guarantee that the unit works perfectly ensure that:
- the control cabinet is completely sealed to min. IP54 according to EN 60529
- a good seal exists between the control cabinet and the unit
Ensure that for the duration of the mounting operation the cabinet is disconnected from the electrical supply. Therefore take the cabinet out of operation, following the relevant instructions, before mounting work begins and take all precautions to prevent premature reconnection of the cabinet. When all mounting preparations are complete the actual mounting operation can commence.
Use of mounting template (not applicable for 19″ rack mount units)
The supplied mounting template helps to mount the cabinet air conditioner quickly. Please proceed as follows:
- Take the cabinet out of operation in the prescribed manner and secure it against unauthorized reactivation
- Fix the mounting template in the required position on the outer surface of the cabinet
- Drill the holes and cut the apertures in the required positions in the surface of the cabinet and remove the mounting template
- Stick the self-adhesive unit seals on the outer surface of the cabinet for externally mounting and on the inner surface of the cabinet for half in/half out mounting of the unit
The self-adhesive seals ensure a durable seal between the unit and the cabinet.
Mounting the unit
Only use the supplied material to mount the unit on the cabinet. Proceed as follows to secure the unit on the cabinet:
- Set the unit up on the cabinet
- Screw the M6 hex. head screws together with the washers and locking washers into the M6 threaded rivets in the uni
The resistance of the earth connection between cabinet and cooling unit must be < 0.1 Ω.
Condensate management
Condensation drain (1) and oel & cleaning drain (2) pipe connection
The condensation drain (1) is in the base of the unit. The condensation drain pipe should be attached as required e.g. in conditions of high humidity. To install an oel & cleaning drain (2) pipe, please follow below steps:
- Remove the plastic stopper from in the base of the unit (factory setting is locked)
- Dispose the plastic stopper but keep the Slilicon washer
- Insert the drain connector
- Lock it clockwise and fix the oel & cleaning pipe onto it

Mounting Principle
Do not use within the first 15 minutes after installation!
- Mounting gasket
- Mounting clip
- M6 slotted set screw
- Washer
- Lock nut
- Recessed
- External

Electrical Connection
High electric voltage present. Installation, maintenance, cleaning and any other work must be carried out by qualified personnel only. The personnel must ensure that for the duration of this work the unit and the cabinet are disconnected from the electrical supply and protected against unauthorised/accidental reconnection.
Note: As soon as preperations are finished, mounting procedures may proceed.
Connection to the main electrical supply
The mains connection is made via a connector / terminal block. To connect the unit to the mains proceed as follows:
- Take the control cabinet out of operation in the prescribed manner.
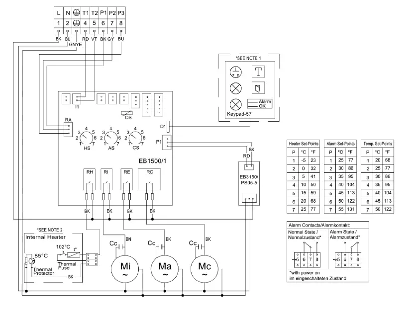
- See the connection details on the circuit diagram.
Attention
Between contact T1 & T2 there is a 12V DC potential. These connections are to be connected to a door switch only! If no door switch is used, these contacts are to be bridged and protected from unauthorized and/or accidental external contact. Contacts P1, P2 & P3 are potential free and require an external power source if wired to operate external components (indicator lamps, switches…). The load on these contacts is not to exceed 30V DC, 4 A or 120/250V AC, 4A. If wired to external components it must be ensured that the wiring and connections are double insulated and safe against touch and protected from unauthorized and/or accidental external contact.
Fault warning connection
The fault warning is connected via terminals P1, P2 & P3 on the connection terminal block. The temp. adjustment range is between 25°C (left-hand stop) and 55°C (right-hand stop). The alarm temp. is preset at 50°C.
To change the alarm setting:
- Remove the outer cover.
- Remove the fixing screws from the PCB cover and the earth wire from inside it.
- Lift off the PCB cover
- Using a screwdriver turn the alarm temp. potentiometer on the PC-board slightly to the right (higher) or the left (lower)
- please note that the setting for the alarm signal must be at least 5°C higher than the setting for the cabinet’s internal temperature
- Close the unit as prescribed.
To connect the door contact switch:
- Remove the bridge from terminals T1 & T2.
- Connect the door contact switch to terminals T1 & T2.
- The contact must be closed when the cabinet door is closed.
SCCR
Refer to UL508A Supplement SB and Seifert Systems’ document Short Circuit Current Rating (SCCR) on methods how to modify the available short circuit current within a circuit in the panel.
Wiring Diagram

Taking into Operation
Attention
The unit can be damaged by lack of lubricant.
To ensure that the compressor is adequately lubricated the oil, which has been displaced during transport, must be allowed to flow back into it. The unit must therefore be allowed to stand for at least 30 min. after mounting before being connected to the mains and taken into operation. The unit / system must be protected with a MCB Type D or K. The unit is controlled in relation to the cabinet internal temperature. A temperature sensor continuously measures the temperature of the air which is drawn into the unit from the cabinet. The required cabinet temp. can be set on the cabinet temperature potentiometer on the PC-board. The temperature adjustment range is between 20°C (left-hand stop) and 50°C (right-hand stop). The potentiometer is factory pre-set at 35°C.
To adjust the cabinet internal temperature please proceed as follows:
- Remove the fixing screws from the unit cover and the earth wire from inside it.
- Lift off the cover.
- Remove the PCB cover.
- Using a screwdriver turn the cabinet temperature potentiometer on the PC-board slightly to the right (higher) or to the left (lower)
- Close the unit in the prescribed manner.
Check that the new adjusted values meet the necessary requirements. If necessary repeat the procedure. The compressor together with the ambient radial fan are switched ON or OFF, depending on the cabinet internal air temperature. Here the minimum shut-down time corresponds with the start-up delay. The cooling mode will switch on as soon the desired temperature is reached. The start-up delay is depending on the unit size 3 or 7 min. The cooling mode will switch off as soon as the desired temperature is undercut by 3K (hysteresis) (KG 4266854 has a 5K hysteresis) and / or when the max. running time of 3 min. is reached. When the test button is pressed the compressor and the ambient fan will run for 120-240 sec. regardless of the cabinet temperature. During this period the green LED on the PC-board will blink twice as fast as normal. If the test button is pressed during the 120-240 sec. test-run, the unit will return to its normal operational mode. The test-run should only be repeated after a minimum compressor shut-down time of 10 min.
NOTE: When the unit is taken into operation for the first time, a start-up delay of the cooling circuit for ca. 4-7 min. independent of temperature setting and actual cabinet temperature will take place.
Trouble Shooting
| Failure | Reason | Troubleshooting |
| Unit doesn’t start | No power supply | Check the electrical connection |
| Cabinet temperature is lower than set point | Wait until the set point is reached. The unit will then start automatically. If the set point of the cabinet temperature is too high, reduce it accordingly. | |
| Door contact is open | Close the cabinet door or bridge the door contact. | |
|
Unit doesn’t cool | Compressor is faulty | Please get in contact with one of our service partners. |
| The circuit breaker of the compressor got activated | Check the cooling capacity. In case the cooling capacity is too small, install the unit at a different place or add another cooling unit. | |
| The evaporator and / or condenser are extremely dirty. | Evaporator and /or condenser need cleaning | |
|
Evaporator is iced up | Not enough refrigerant due to leaking cooling circuit | Refill refrigerant and re-seal cooling circuit. Please contact the manufacturer. |
| Ambient temperature is much lower than the stated operating temperature range | Install the unit at a different place. The ambient temperature must be within the stated operating temperature range. | |
| The control cabinet is not sealed properly. | The control cabinet needs re-sealing. | |
| Fan or fan capacitor on the cold side are faulty | Replace fan and/or fan capacitor. | |
| Too much condensate | Cabinet door not closed | Ensure that cabinet door is closed properly |
| The cabinet is not sealed properly | The control cabinet needs re-sealing. | |
| Incomplete gasket between cooling unit and cabinet | Please check gasket | |
| Uneven air circulation inside the cabinet | Cabinet air intake and air outlet are blocked | Ensure that both are unblocked and that air can circulate |
| Cabinet volume too big for this cooling unit | Check the cooling capacity. In case the cooling capacity is too small, install the unit at a different place or add another cooling unit. | |
| Condenser fan doesn’t work | Fan is faulty | Replace fan |
| Evaporator fan doesn’t work | Fan is faulty | Replace fan |
Note: Before you contact one of our service partners please press the test button of the controller. Like this the fans and the evaporator are getting switched on independent of the internal cabinet temperature. In cases of emergency you can contact us under one of the tel. numbers stated on the last page.
Maintenance & Cleaning
Unit service and cleaning
All units are virtually maintenance-free.
Note: Please check on our website under download / service and maintenance for our new videos.
However, the following points must be taken into account:
The service and cleaning of the unit must be undertaken by specialists. The personnel must ensure that for the duration of the cleaning work the unit and the cabinet are disconnected from the electrical supply and protected against unauthorized reconnection. The connections 1&2 and 3&4 are not low voltage (<50V).
Should the condenser need cleaning:
Disconnect the whole plant from the mains.
- Clean the condenser profile as required by blowing it out with compressed air.
- In cases of extreme pollution a cleaning fluid must be used.
Danger from electrical voltage.
The unit must be removed from the control cabinet for wet cleaning! Instruction: Never use aggressive cleaning fluids or materials.
Should fluid cleaning be necessary:
Disconnect the whole plant from the mains
- Remove the unit from the cabinet
- Ensure that the seals are not damaged
- Remove the radial fan
- Steam-clean the condenser profile or wash it with an environmentally safe cleaning fluid.
Maintenance
Attention! Only use original replacement parts when repairing the unit. This ensures that the unit functions perfectly and remains safe. For further information and spare part ordering please contact us by email under on one of the addresses stated on the last page.
Radial fan replacement:
The normal working life of the fan is app. 40,000 working hours under normal
Transport & Storage
Malfunction due to transport damage
On delivery the carton box containing the unit must be examined for signs of transport damage. Any transport
damage to the carton box could indicate that the unit itself has been damaged in transit which in the worst case could mean that the unit will not function.The unit can only be stored in locations that meet the following conditions:
- temperature range: – 40°C to + 70°C
- Relative humidity (at 25°C): max. 95 %
Returning the unit
To avoid transport damage the unit should be returned in the original packing or in a packing case and must be strapped to a pallet. If the unit cannot be returned in the original packing please ensure that:
- A space of at least 30 mm. must be maintained at all points between the unit and the external packing.
- The unit must be firmly fixed in the packing.
- The unit must be protected by shock-resistant padding (hard foam corner pieces, strips or cardboard corner pieces).
Parts supplied / Spare parts / Accessories
- 1 x CE Declaration of Conformity
- 1 x Instruction manual
- 1 x Mounting insulation
- 1 x 4120 mm Unit seals 10 mm x 3 mm
- 1 x Lifting hook M10 x 15
- 1 x Nylon washer
- 10 x Slotted Studs M6 * 25
- 10 x Washers A6,4 DIN125
- 10 x Lock nuts M6 DIN985
- 10 x Mounting Clip
- 1 x Drain socket
- 1 x O ring
- 1 x Drain pipes
- 1 x Connector




















