Kingston KVR16N11S8/4 CL11 240-Pin DIMM RAM Memory Owner’s Manual
DESCRIPTION
This document describes ValueRAM’s 512M x 64-bit (4GB) DDR3-1600 CL11 SDRAM (Synchronous DRAM) 1Rx8, memory module, based on eight 512M x 8-bit FBGA components. The SPD is programmed to JEDEC standard latency DDR3-1600 timing of 11-11-11 at 1.5V. This 240-pin DIMM uses gold contact fingers. The electrical and mechanical specifications are as follows:
FEATURES
- JEDEC standard 1.5V Power Supply
- VDDQ = 1.5V
- 800MHz fCK for 1600Mb/sec/pin
- 8 independent internal bank
- Programmable CAS Latency: 11, 10, 9, 8, 7, 6
- Programmable Additive Latency: 0, CL – 2, or CL – 1 clock
- 8-bit pre-fetch
- Burst Length: 8 (Interleave without any limit, sequential with starting address “000” only), 4 with tCCD = 4 which does not allow seamless read or write [either on the fly using A12 or MRS]
- Bi-directional Differential Data Strobe
- Internal(self) calibration : Internal self calibration through ZQ pin (RZQ : 240 ohm ± 1%)
- On Die Termination using ODT pin
- Average Refresh Period 7.8us at lower than TCASE 85°C, 3.9us at 85°C < TCASE < 95°C
- Asynchronous Reset
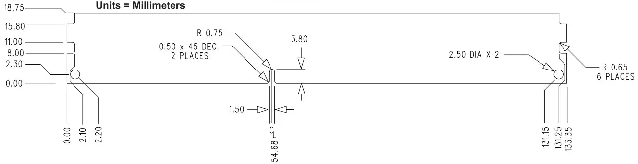
- PCB : Height 0.740” (18.75mm) or 1.180” (30.00mm)
Important Information: The module defined in this data sheet is one of several configurations available under this part number. While all configurations are compatible, the DRAM combination and/or the module height may vary from what is described here.
SPECIFICATIONS
- CL(IDD): 11 cycles
- Row Cycle Time (tRCmin): 48.125ns (min.)
- Refresh to Active/Refresh Command Time (tRFCmin): 260ns (min.)
- Row Active Time (tRASmin): 35ns (min.)
- UL Rating: 94 V – 0
- Operating Temperature: 0o C to 85o C
- Storage Temperature: -55o C to +100o C
MODULE DIMENSIONS

























