ESBE VTF320 Thermostatic Flow Limiting Valve

INSTALLATION
All work must be performed by qualified personnel and in accordance with applicable codes and ordinances.
- Flush the pipes clean, shut off water supply and drain the pipes.
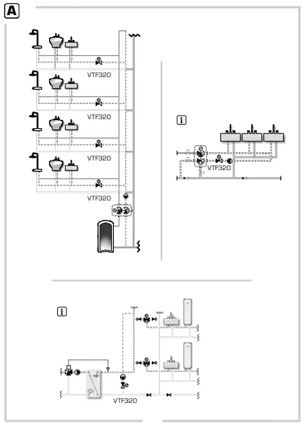
- When connecting the VTF320 please follow the general directions outlined in Fig A, and pay special attention to:
- the recommended use of shut-off valves (Fig A)

- installing the valve in a correct manner to avoid damage (Fig. B)

- the installation of non-return valves where applicable (Fig.A)
After installation, deposit this leaflet with the owner of the valve for future reference.
- the recommended use of shut-off valves (Fig A)
TEMPERATURE ADJUSTMENT
- The valve has fixed temperature setting of 55°C to ensure correct function. Make sure to verify the temperature by measuring the water temperature at the tap closest to the valve.
- The temperature should be checked annually to ensure that the setting of the valve is correct.
SERVICE AND MAINTENANCE
- Under normal conditions maintenance will not be required. If, however, it should prove necessary, the gasket (O-rings), the sensing element and the valve plug are easily replaced.
- See fig. E* for replacement part details.
NOTE! Before dismantling the valve the water supply should be shut off. Where the valve is fitted below the calorifier this should be drained first.
- Hard water conditions may result in scale deposits causing sticking of internal parts in extreme cases. Cleaning the internal parts will usually restore the valve to proper operating conditions.
- It may be necessary also to clean the seat and/or to exchange the thermostat.
- To clean and/or restore the valve, shut off the water and:
- Remove the cap (1) and the parts 2–5 (Fig. C)

- Remove carefully all scaling (calcium deposits) or foreign particles from all internal parts.
- When necessary remove and clean the seat assembly in the same way.
- Assemble the valve. Only silicone grease is allowed to be used.
The application examples inside this instruction manual are overall idea sketches. Always also take locally laws and regulations into consideration.
- Remove the cap (1) and the parts 2–5 (Fig. C)























