
Manual for AQ STAR
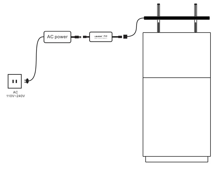
Diagram of installation
Process by steps·
- Connect the light and STAR Bluetooth controller.
- Connect the Bluetooth controller and adapter.
- Plug in the power adapter on the AC plug.
- The light will flash one time after powering up, which means powering up successfully.
- Use the AQ STAR application to search de ice nearby via the +on the right on the application page.
Note: please create an account in a STAR to ensure the application can be used normally.

Sign in and log in for new consumers
Search and add devices nearby
Note: please ensure the devices are powered.
Devices on list
List of scenes
Fast setting
This is for consumers who could make the setting quick and easy ways. Built-in SUNRISE, SUNSET, and DURATION for choices.
Professional setting
There are 48-time points in every 24 hours, each time point can be separated set on R,G,B,W, and mix the color and CCT.
FCC STATEMENT :
This device complies with Pat 15 of the FCC Rules. Operation is subject to the following two conditions
- This device may not cause harmful interference, and
- This device must accept any interference received, including interference that nary
Warning
Changes or modifications not expressly ap000we1by the party rp00.ible tor 0orpaoe could void the user’s authority to operate the equipment
NOTE This equipment has been tested and found to 000ply with the limits for a Class B digital device, pursuant to Pt 15 of 04the FCC#Rules These limits are designed to provide reasonable protection against harmful interference in a residential installation. This equipment generates uses car radiate radio frequency 0gy an4, if noting. tad and used n@cordanoe with the instructions may bas harmful interference tor8i 0orounicatons. however, there is no guarantee that interference wilt does not occur in a particular ins. talion. lf this equipment 0es causes harmful interference to radio Or television reception, which can be determined by turning the equipment «net off and on, the user is encouraged to try to correct the interference by one or more of the following measures reorient or relocate the receiving antenna Increase the separation between the equipment a deceiver
Connect the equipment to an outlet on a circuit different from that to which t receiver is connected
Consult the dealer or an experienced radio/tv technician for help
FCC Radiation Exposure Statement:
This equipment complies with FCC radiation exposure limits set forth for an uncontrolled environment. This equipment should be installed and operated with a minimum distance 2Ocm between the radiator & your body

Ledstar AQ


















