
BY IKOHS
CREATE WARM SLIM 1500
ELECTRIC CONVECTOR
USER MANUAL

CREATE
The life you want to live in
WARM SLIM 1500
ELECTRIC CONVECTOR
WELCOME
Thank you for choosing our heater. Before using the appliance, carefully read these instructions to ensure it is used correctly.
The safety precautions enclosed reduce the risk of death, injury, and electrical shock when correctly followed.
Keep the manual in a safe place for future reference, along with the completed warranty card, purchase receipt and package. If applicable, pass these instructions on to the next owner of the appliance. Always follow basic safety precautions and accident prevention measures when using an electrical appliance. We assume no liability for customers who fail to comply with these requirements.
SAFETY INSTRUCTIONS
When using any electrical appliance, basic safety precautions should always be observed.
- Remove the plug from the mains power socket to disconnect the heater. Do NOT pull on the cable.
- Do not leave the mains cable in contact with the heater when it is switched on.
- During operation, ensure that the heater is kept well away from combustible materials such as curtains, carpets and furniture, etc.
- DO NOT COVER THE HEATER. DO NOT USE THE HEATER TO DRY CLOTHES. If the heater is covered, there Is serious risk of overheating.
- DANGER: If the mains cable is damaged, it must be replaced by the manufacturer. by its after-sales service or by fully qualified personnel in order to prevent any hazardous situations.
- If the heater is to be installed in a bathroom, it must be installed by a qualified electrician.
- The heater must not be located under or in front of a mains socket.
- When disposing of the heater, all requirements established by current legislation for waste processing and recycling must be followed.
- The installation must be carried out according to current electrical legislation.
- This heater must have an earth connection.
- The heater must be installed so that the mains plug is always accessible.
- This heater cannot be flush-mounted in a wall. Always respect the safety distances.
- A locking system is fitted to prevent children from playing with the heater programming.
- This heater is not designed to be handled by children or physically, mentally or sensory handicapped persons with little experience or knowledge, unless under the supervision of a person responsible for their safety and in possession of the corresponding instructions on use. Children must be supervised to ensure they do not play with the heater.
- Children younger than three years old must be kept well away from the heater unless under constant supervision.
- Children younger than three years old must be kept away unless continuously supervised. Children aged between three and eight years old shall only switch the appliance on/off if it has been placed or installed in its intended normal operating position and they are supervised or instructed on how to use the appliance safely and understand the hazards involved. Children aged between three and eight years old may not plug in, regulate and clean the appliance or perform user maintenance.
- This appliance may be used by children aged eight and over and by persons with physical, sensory or mental disabilities or without experience or knowledge, provided they have been duly trained and are supervised by somebody who understands the hazards. The cleaning and maintenance to be carried out by the user must not be done by children. Children should not play with the appliance.
- PRECAUTION: Certain parts of this heater may become very hot during operation and cause burns. Special care must be taken when children and other vulnerable persons are present.
- CAUTION: Keep bags and other accessories well out of the reach of children.
- Do not touch the outside of the heater during operation.
- It is quite normal to notice a new smell when the heater is switched on for the first time. Allow your heater to work in a well-ventilated area for two or three hours.
- Before each cold season, or if the heater has been switched off for several days/months, it should be cleaned before switching it on again (follow the steps in section 10 “Maintenance’). This cleaning will prevent the burn- ing of accumulated dust and other remains.
- This heater CANNOT be operated with external programmable units or any other third party control device.
- Due to the convection effect of this heater, together with other extemal factors, discolouration of metal and other surfaces can be caused if in proximity to the heater. This can cause discolouration of metal and plastic surfaces.
- Temperature fluctuations may cause crackling or heater noises. This is not an indication of failure.
- The heater warranty does not cover any damage caused by falling to follow these Instructions.
INSTALLATION AND MOUNTING
- This heater can be installed on feet (provided) or on a wall (fixings provided).
- The heater must never be installed underneath a mains wall socket.
- The heater must never be installed in a position where the switches and other controls can be reached by some- one in the bath or shower.
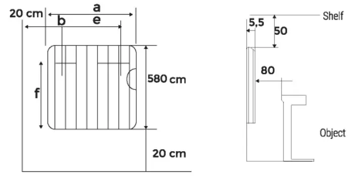
- The heater works through natural air convection. In order to achieve correct performance and uniform heat distribution, when it is installed on a wall the lower part of the heater must be a minimum of 20 centimetres from the floor, a minimum of 20 centimetres from the sides, 50 entimetres from an upper shelf and also a minimum f 20 centimetres from any wall or object (furniture and curtains etc).

WALL INSTALLATION
- Select a suitable location on the wall, which should be firm and level. Check that there is a mains socket close by.
- The distances vary depending on the heater model.
- Open the package box and check that all fixing accessories are present, it is a good idea to keep the product box for storing out of season.

ASSEMBLY
- While respecting the previously indicated safety measurements, make two marks on the wall according to measurement “e” indicated in Table 1 and at a height of 695 mm from the floor (not from the skirting board).
- At the marked area drill two 10 mm diameter holes, with a minimum depth of 60 mm.

- Push the two plugs (D) into the two holes and secure the two hooks (C) with the two screws (D).
- Screw the two support brackets (A) (or one support bracket, depending on the model) to the rear part of the heater with the four screws (E) (or two screws, depending on the model).
Note: The two brackets (A) are screwed to the holes located on the lower rear part of the heater, at both ends.
- Hang the heater on the two hooks (C) on the wall. Ensure that the heater is correctly secured on both hooks.
- When the heater is hung in place, make two marks on the wall where the two brackets (A) will be fixed to ensure the heater is fixed to the wall.
- Remove the heater and drill two 4 mm diameter holes with a minimum depth of 25 mm at the two marks on the wall.
- Insert the two plugs and secure with the two screws (B) to completely secure the heater to the wall.
Installing The Feet
- Screw the two feet to the lower rear part of the heater with the four screws provided (F): two screws per foot.

USE OF THE ITEM
- Place the heater on flat stable surface
- Plug into any 220-240V, 50Hz, AC source, then turn on the switch at side, you will hear a beep sound.
- Turn on the heater by pressing the power button”
“the LED will display room temperature, then use the touch controls or remote control to set the power, temperature, and time. - If the appliance is not used for a long time, switch it off with power switch and unplug the item.
- Warning! Do not cover the product! Convector should not be placed under shower or in swimming pool.
CONTROL PANEL
Insert the plug in a suitable power socket. The touch screen buttons located on the product correspond to the remote control functions.
The display will be off automatically after few minutes.

Power
When the product is on, press “power”. The upper part of the display shows temperature. The heater is working at low power heating conditions.
Mode
Low grade, high grade.
Temperature
The temperature can be set from 5°C to 40°C.
Internal temperature is displayed every time the appliance is started up. The temperature can be set when the appliance is on stand-by or heating. When the room temperature reaches the set level, the high-temperature power stops, and the low-temperature power remains active. When room temperature is two degrees over the set temperature, both the high and lower temperature powers will stop operating. The machine will begin operating again only
when temperature decreases two degrees with respect to the set temperature.
Timer
The timer button can be set to start or stop the appliance at the desired time, with a time interval between 1 and 24 hours.
Child Lock
Press the child clock button for three seconds to lock the heater. After pressing the Child Lock button for three seconds again, the heater is unlocked.
Yo can also press the mode button on the control panel for 3 seconds to lock the screen or unlock it.
OPERATION FOR REMOTE CONTROL
Insert the plug in a suitable power socket.
The touch screen buttons located on the product correspond to the remote control functions.

| 1. Temperature / Time up 2. Temperature / Time down 3. Power button | 4. Mode 5. Timer 6. Child lock |
CLEANING
- Before cleaning the item wait for it to cool down and unplug it.
- Do not use abrasives and solvents. Wipe the product with a soft wet cloth.
- Dust must be regularty removed from the surface.
- Do not wash the item or place it in water!
- If you will not use the heater for a long time, wipe the surface and put the item in the box.
- It should be placed in a dry ventilated room. Avoid high humidity and mechanical impact on the item.
Warning: never leave heater unattended!
The importer retains the right to change the appearance and completeness of the item without advising the customer in advance.
The item is for household use only.
Warning! The manufacturer does not assume any liability for any damage caused directly or indirectly by not following this instruction manual or general safety rules, or by interfering with the construction of the product.
WIFI FUNCTION
- Use your phone to scan the QR code below or search “CREATE Home” to download and install the app.
iPhone OS
Android OShttps://apps.apple.com/es/app/ikohs-home/id1479200310 https://play.google.com/store/apps/details?id=com.ikohs.home - Select your country code, enter your mobile number and tap “Get” to get a message containing verification code.
- Enter the verification code in the message and tap “Login” to login to the app.
- Go to the app, tap “add device” at the bottom.
- There are two connection methods for the app (hotspot mode and quick connect mode). The quick connect mode is the default mode. Users can tap the upper right corner to switch the connection method to hotspot mode.
• For quick connect mode, please make sure the device’s instructor light is flashing quickly.
• For hotspot mode, please make sure the device’s instructor light is flashing slowly.
• If the light is not flashing as described above, please press the device’s reset button for five seconds or longer until it flashes correctly. - Select the Wi-Fi, enter password and tap “Next”.
- For quick connect mode, the app interface will go through the changes during the network configuration processes.
- The device is now connected correctly.
- After the device is connected successfully, tap “Devices” at the bottom. The device name shows in the list. Tap it to enter the control panel of the smart socket.
Notes:
• When device is online, there will be a green dot at the front of the device icon.
• When the device is offline, the dot will be grey.
• If the device is shared by others, there will be a double loop. - “My profile* is where users can manage personal information.
• Personal information: including account name and mobile number.
• Information of shared devices.
• Message centre.
• Entry to submit feedback.
• FAQ.
• Phone linking: if you sign in with a social network account, you can link your phone number with your account.
• About Add sharing: As shown in the picture, users can type in a new member’s mobile number and share the device with them. The new member can control the device with their own account.
CHARACTERISTICS
This product is only suitable for well insulated spaces or occasional use.
| Heat Output | WARM SLIM 1500 | Type of heat imput, for electric storange local space heaters only (select one) | WARM SLIM 1500 |
| Nominal heat output | 1.5 KW | Manual heat charge control, with integrated thermostat. | NO |
| Minimum heat output (indicative) | 1.5 KW | Manual heat charge control, with room and/for outdoor temperature feedback. | NO |
| Maximum continuous heat output | 1.5 KW | Electronic heat charge control with room and/for outdoor temperature feedback. | NO |
| Auxiliar electricity consumption | Fan asisted heat output | NO | |
| At nominal heat output | N/A | Type of heat output/room temperature control select one). | |
| At minimum heat output | N/A | Single state heat output and no room temperature control. | NO |
| In standby mode | 0.00094 KW | Two or more manual stages, no room temperature control. | NO |
| With mechanic thermostat room temperature control. | NO | ||
| With electronic room temperature control. | NO | ||
| Electronic room temperature control plus day timer. | NO | ||
| Electronic room temperature control plus week timer. | YES | ||
| Other control options (multiple selections possible). | |||
| Room temperature control, with presence detection. | NO | ||
| Room temperature control, with open window detection. | YES | ||
| With distance control option. | NO | ||
| With adaptive start control. | NO | ||
| With working time limitation. | NO | ||
| With black bulb sensor. | NO | ||
| Contact details | WOODS & GO DESIGN S.L. – B98944986 C/ Poligono 4, P18 – 46722 Beniarjé (Valencia) Spain | ||
In compliance with Directives: 2002/95CE, 2002/96/CE and 2003/108/CE on the restriction of the use of dangerous substances in electric and electronic equipment as well as their waste disposal. The symbol with the crossed dustbin shown on the package indicates that the product at the end of its service life shall be collacted as separate waste. Therefore, any products that have teached the end of their useful life must be given to waste disposal centres specialising in separate collection of waste electrical and electronic equipment, or given back to the retailer at the time of purchasing new similar equipment, on a one for one basis. The adequate separate collection for the subsequent start-up of the equipment sent to be recycled, treated, and disposed of in an GEE environmentally compatible way contributes to preventing possible negative effects on the environment and health and optimises the recycling and reuse of components making up the apparatus. Abusive disposal of the product by the user involves application of the administrative sanctions according to the laws.
CREATE
The life you want to live in



iPhone OS


















