inVENTer Pure p4 Controller Pure

IN THE BOX

TOOLS REQUIRED

SENSOR

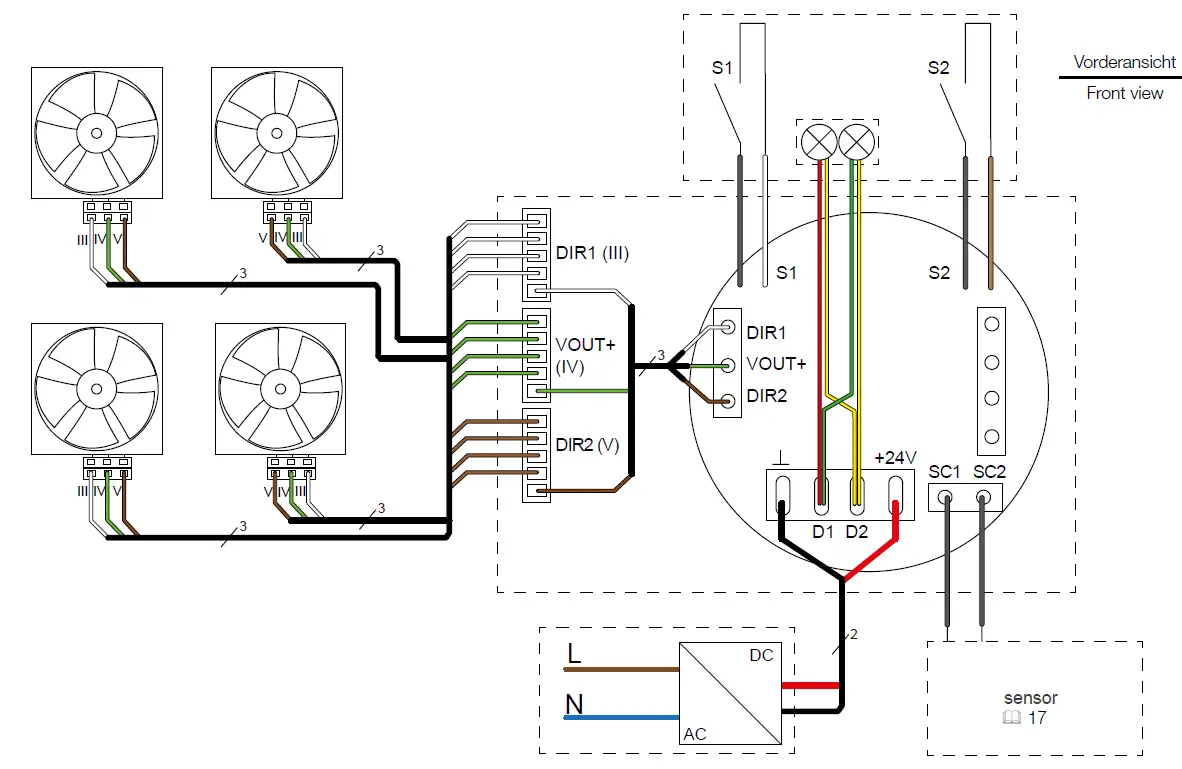
DIAGRAM

DANGER
Exposed electrical components.
Electric shock and severe injury to death due to live components (230 V, 50 Hz)!
- Before working on electrical systems, disconnect affected devices from the power supply.
- Secure against being switched on again.
Installation and wiring/connection only by qualified and trained personnel.
INSTALLATION INSTRUCTIONS




























