
MANUAL
Infrared 2.0

User Manual
Infrared 2.0 IR Sauna Control
Congratulations on your purchase of Infrared Control Unit!
Please read the manual carefully before using the control.
Not for use in the USA, Canada and Mexico.
| READ THE MANUAL FOR ADDITIONAL IMPORTANT INSTRUCTIONS | COVERING THE HEATER CAUSES FIRE HAZARD |
INTRODUCTION OF THE IR 2.0 SAUNA CONTROL
Infrared 2.0 Control Unit is developed to enhance your sauna bathing with a variety of features. It can adjust temperature, ventilation and light option in your sauna. The Infrared controller comes together with a power controller and an user interface.
Infrared 2.0 sauna control is for Infrared sauna rooms only. It can adjust the session time, temperature, fan and light.
The following information provides you with instructions on adjusting the settings of the control unit. Please, read this instruction manual carefully before using it. Familiarization of key functions will give you a more enjoyable sauna experience.
Precautions
- Only a qualified electrician is allowed to make the electrical connections and repairs on the unit. Use original parts only.
- Disconnect the Power Controller from the mains supply before installation or opening the lid of the power controller for repair/maintenance purposes.
- Check power supply rating before installation.
- Check the correct location of the sensor in the installation section of the manual. It is very important to place the temperature sensor correctly. Installing it near the air ventilation cools down the sensor and may lead to overheating.
- The control unit can be operated on a room temperature 0-40°C. Ambient conditions shall not be exceeded!
- Do not pour water in the control unit or clean it with wet cloth, steam cleaner, high pressure cleaners or spraying water. For cleaning purposes, use a cleaning cloth that has been only slightly moistened with a mild soapy solvent (dish detergent).
- If the supply cord is damaged, it must be replaced by the manufacturer, its service agent or by similar qualified persons to avoid hazard.
Safety Instructions When Using IR Sauna Room
Please take note of these safety precautions before using the sauna or when installing the IR panels.
For user:
- This product is not designed to be used by persons (including children) with limited physical or mental abilities and limited experience and knowledge except under close supervision by a responsible person with knowledge and experience or having been advised by such person.
- Under no circumstances should children be allowed to play with the device.
- Do not put combustible material on the IR panel.
- Do not cover the IR panel. It may cause a fire.
- Do not use the IR panel as clothes dryer. It may cause fire.
- When installing a new IR panel, switch the IR panel on for 30mins. Do not stay inside the IR sauna room while performing the operation to allow some fumes and odor to dissolve that might have been produced from the package.
For technicians:
- Wiring and repairs must be done by a certified electrician.
- The sensor and IR panel should be mounted in a way so that incoming air will not interfere with it.
- If this is use as for public saunas or saunas that may be switched on by a separate remote-control system, the door of the sauna room must be fitted with an interlock such that the stand-by mode setting for remote operation is disabled if the sauna door is opened when the stand-by mode setting for remote operation is set.
- Keep these instruction close to the infrared sauna for further reference for use and future maintenance.
IR Sauna Cautions
- Children or people with mental disabilities must have adult supervision when using the IR sauna room.
- Cleaning and user maintenance shall not be made by children.
- Under no circumstances should children be allowed to play the IR sauna room.
- Overexposure may have adverse effect to the body.
- Make sure that the infrared panel is not directing the radiation towards your head.
- Do not use when your suffering from sunburns, skin deceases or undergoing photosensitivity treatments.
- Refrain from using the infrared sauna room when any of its components are broken.
- Leave a space at the back of the IR sauna room for proper airflow. Do not place any obstruction at the back of the emitter as it may overheat.
- Never throw water into the infrared panels as it may cause damage.
- It is recommended that the infrared cabin should not be used within 24 hours after UV radiation exposure from artificial sources or sun-bathing.
- Individuals who may be at risk from hyperthermia, such as individuals suffering from cardiovascular disease, should seek medical advice before use of infrared warming cabins.
- When persistent erythema (reddening of the skin lasting more than a day) and netlike colour changes persist after regular exposure should not be repeated and medical advice should be sought to prevent development of erythema abigne.
- If you are a person with compromised heat pain sensation or under the influence alcohol or tranquilizers you should not use infrared warming cabins.
- Only intrinsically safe infrared emitters can be connected to SAWO infrared controller!

OPERATING INSTRUCTIONS
Quick Start
- Switch the power “ON” by pressing the Power button. The set temperature will be displayed for 5 seconds followed by the actual temperature inside the sauna room.
- Press arrow keys to adjust temperature.
- To change the parameter values, press the Mode button.
- Now the corresponding LED is blinking faster. Use the up and down arrows to change the values.
- You can move from one parameter to another by short pressing the Mode button.
- Confirm the settings by pressing the Mode button. If no keys are pressed after 5 seconds, the control unit will confirm the changes automatically.
- It usually takes around 10-15 minutes for the sauna to get warm. After this you can start to use your sauna.
Directions of use
- Heater on

Press the Power button to activate the heater. The IR Panel LED is illuminated indicating that the IR Panel is turned on.
The sauna will heat up to the temperature of the previous setting and operate for the length of previous session time. Session time is saved for next session only if session time is changed within 5 minutes after switching the heater on. - Heater off

Turn the heater off by pressing the Power button. This button will turn off all the active functions, including the pre-run session. However, the sauna room light will not be switched off. Light button can be used even the heater is off. Also Fan. - Pre-run button

Pre-run button can only be enabled in Off Mode. During the pre-run, parameter values can be changed.
Set the pre-run time by pressing the Prerun button. A countdown time is displayed. Use the Up and Down arrow keys to change the pre-run values. After pre-run time expires, the control will be in On Mode where heater is switched on.
Next, temperature, fan, and session time (*not in all models) can be changed if preferred. Finally long press the toggle button to confirm.
When the control unit is in the pre-run state, it will display the remaining time of the pre-run. The confirmed pre-run settings are saved for the next session.
The default time is 6 hours, including the pre-run time as well as the session time. - Setting Mode

Press the Mode button to activate setting mode. It can be used to select and adjust the fan, temperature, and the session time . Corresponding LEDs will be blinking on each selected features. Change values by pressing the up and down buttons.
Save the settings by pressing the toggle button, a high beep will confirm it. If no keys are pressed within 5 seconds, the control unit will save the settings. - Fan (optional)

While in Setting Mode, short press the toggle button to select Fan. Use arrow Up or Down to switch on/off Fan. Also during OFF mode. - Cabin Light Button

Cabin light can be switched on, even when the heater or pre-run timer are off. Short press the button and the lights will be switched on/off.
LED for the light indicates if the light is switched on or off.
Adjust the light ambient using the light remote control. Refer to Music Light manual. - Key pad lock
(to prevent unauthorized changing of settings)
In order to enable/disable key lock, the user interface needs to be in ON mode.
Lock the key pad by pressing the up and down arrow keys at the same time for more than 5 seconds. A high beep will confirm the activation and the deactivation.
When key lock is activated only heater on/ off and cabin light functions can be used. Toggle button is enabled only to see actual values. If other buttons are pressed, “—-” is shown in the display.
Unlock the buttons by pressing up and down arrow keys at the same time for more than 5 seconds. A high beep will confirm it.
The key lock function is set automatically if it was activated during the previous operation. - Temperature Unit Conversion

In Off mode, change to Celsius or Fahrenheit by pressing & hold same time the Power and Arrow Down button will display “CEL” & “ON” or “FAN” & “ON” to confirm the change.
In On mode, press same time the Toggle and Arrow Up button. A beep and display will confirm the change.
ASSEMBLY AND INSTALLATION
The power controller and IR panels should be connected to the electrical network with a H07RN-F rubber cable or its equivalent. The use of PVC-insulated cable as a connecting cable is prohibited due to thermal embrittlement. The socket being used should always be accessible in case of emergency and maintenance purposes. Always use high temperature resistant wirings to connect infrared emitters to the power controller. Any fixed wiring should be protected, for example, by insulating sleeve having an appropriate temperature rating.
IR interface is connected to a controller box where the heating panels, light and fan are also connected.
SAWO Infrared controller consists of power controller and user interface that are connected to each other by RJ12, and a panel temperature sensor that is connected to the Power Controller by RJ12 cable.
IR Interface to Controller Box Connection Diagram

For illustrative reference only.
WARNING
Wires must be covered with a moulding and make sure that the wires are not exposed to the users.
NOTE ![]()
It is highly recommended to use SAWO IR panels with IR controls.
NOTE ![]()
IR control set includes sensor with wire, 4m RJ12 Cable, IR interface and the IR Controller box. Panels or wires are not included.

WARNING
Do not embed the controller box into the wall, as it may lead to overheating and can cause damage and danger!
Installation of the IR Interface
- Mount the IR interface casing in preferred, secure area on a room temperature.
- Cut the wall section according to specifications.
- Connect the Rj Cable provided from the control panel to the Controller Box.
- Insert the casing on the cut section. 5. Connect the cable of the sensor to the IR Control Box.
OPTIONAL
Interface Holder Contact your SAWO distributor
![]()
NOTE!
When you wish to use an optional Interface holder, no need to cut a section in your sauna. Simply attach the holder into the wall using screw.

Sensor
The sensor is recommended to be installed on the top center of the IR panel frame. It is very important to install the sensor in a proper location for a correct temperature reading.
![]() | ![]() |
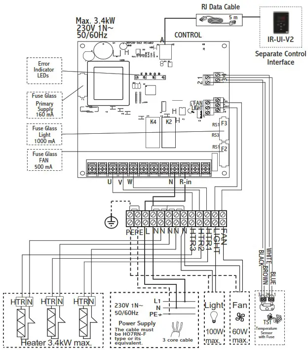
Technical Diagram
Fig. 6

IR Controller Box
If you are using other panels than recommended by SAWO, inquire from the panel retailer or manufacturer for the best location for sensor. All IR panels that are used together with this controller should have their own safety and regulating devices.
The IR Controller Box can only be used for controlling infrared panels that are intrinsically safe and are not emitting visible light. The IR Controller Box should be installed in a dry location where the temperature can not exceed +40°C. It is protected against dripping water, however it should not get in contact with water. Mount the controller box on a dry location, inside or outside the IR Sauna room.
Install the IR Controller Box on the wall in vertical direction only and at least 300 mm from the floor (refer to the illustration below). Power plug is supplied together with the box.
- Installation of Controller Box

WARNING
IR controller is not suitable to be installed inside traditional sauna but only inside infrared sauna!
NOTE ![]()
Make sure that there is enough room around the controller for opening the cover of power controller.
Follow the steps in the illustration. Before installation, please read first chapter 1.1 Precautions.
- Install controller box in a dry place, where temperature will not exceed +40C and condense water is not allowed inside the controller.
- Unscrew two screws on the side cover.
- Insert the designated wires to corresponding terminals. See Technical Diagram.
- Screw the controller box into the wall. Observe 300mm height above the floor.
- Close the cover after the wiring connections have been made. Screw the sides of the cover.

After the installation is completed, connect the power cord from the controller to the circuit breaker and the IR Sauna is ready to use.

TROUBLESHOOTING
If an error occurs, the IR panels will be switched off. There will be a warning beep and error codes are displayed blinking in the control panel.
| ERROR | Descripition | LED 1 | LED 2 | LED 3 | LED 4 |
| El | Temperature sensor 1 is not connected. | 0 | 0 | 0 | 1 |
| E2 | Temperature sensor 1 is short circuit. | 0 | 0 | 1 | 0 |
| E3 | Temperature fuse is defective. | 0 | 0 | 1 | 1 |
| E7 | Communication failure or main board is turned off while contactor is powered by rocker switch. | 0 | 1 | 1 | 1 |
| E8 | Temperature is greater than the maximum temperature. | 1 | 0 | 0 | 0 |
WARNING
Please note that only a qualified electrician or maintenance personnel is allowed to make the service operations and repairs!
| Description | Rating | Remarks |
| Control | ||
| Rated Power Single Phase | 3.4 kW AC1 | |
| Rated Voltage Single Phase | 230V 1N — | |
| Frequency | 50/60Hz | |
| Switching capacity | 15A | |
| Sauna temperature range | 35-70 degree Celsius | |
| Maximum session time (preset) | 6 hrs | |
| Dimensions | ||
| IR 2.0 Control IR Controller | L)104 x (W)147(H)40 L)218 x(W)260(H)75 | |
| Weight | ||
| IR 2.0 Control | 350g | |
| IR Controller | 1.752g | |
| Sensor | ||
| Description | Rating | Remarks |
| Temperature Sensor | 10kOhm, NTC | TS2 with Ftl 1 0 |
| Thermal Switch Limiter | 130 degree Celcius, NC | |
| Cabin Light | ||
| Light Bulb | 230V IN—, | Resistive load |
| 100W max. | ||
| Fan | ||
| Fan | 230V IN—, | Fan without |
| 60W max. | starting capacito | |
| Fuse | ||
| Fuse Fl | 160mA | For electronics |
![]()
Subject to change without notice.
www.sawo.com | [email protected]
IR 2.0 Control_En0821
Unlock the buttons by pressing up and down arrow keys at the same time for more than 5 seconds. A high beep will confirm it.



















