ARDESTO SWMG-7121W Washing Machine

This washing machine conforms to current safety requirements. Inappropriate use can, however, lead to personal injury and damage to property. To avoid the risk of accidents and damage to the washing machine, please read this manual carefully before using it for t he first time. They contain important information on its installation, safety, use, and maintenance. Keep this manual in a safe place for future reference.
SAFETY NOTICES
WARNING
Read and understand thoroughly these safety instructions before use. The items indicated here are very important safety precautions, which must be followed. We cannot be held liable for damage caused by non-compliance with the warning and safety instructions or resulting from incorrect use or operation. Cleaning and user maintenance shall not be made by children without supervision. Children of less than 3 years should be kept away unless continuously supervised.
The new hose sets supplied with the appliance are to be used and the old hosesets should not be reused. This appliance is not intended for use by persons (including children) with reduced physical, sensory or mental capabilities, or lack of experience and knowledge unless they have been given supervision or instruction concerning use of the appliance by a person responsible for their safety. Children should be supervised to ensure that they do not play with the appliance. This appliance can be used by children over the age of 8 and by persons with reduced physical, sensory or mental capabilities or lack of experience and knowledge, if they are under constant supervision or have been instructed in the safe use of the appliance and they understand the possible dangers. Children should not play with the appliance. Cleaning and user maintenance shall not be made by children without supervision. This appliance is intended to be used in household and similar applications such as:
- staff kitchen areas in shops, offices, and other working environments;
- farmhouses;
- by clients in hotels, motels, and other residential type environments;
- bed and breakfasts type environments;
- areas for communal use in blocks of flats or in launderettes.
For washing machines having ventilation openings on the base, the washing machines cannot be washed on the carpet. Before setting the washing machine, check it for any externally visible damage. Do not install or use a damaged washing machine. Before connecting the washing machine, ensure that the connection data on the plate(voltage and current)match the electricity supply. if in any doubt, consult a qualified electrician.
The electrical safety of this washing machine can only be guaranteed when continuity is complete between it and an effective earthing system that complies with current local and national safety regulations. It is most important that this basic safety requirement is present and regularly tested, and where there is any doubt the household wiring system should be inspected by a qualified electrician. The manufacturer cannot be held liable for the consequences of an inadequate earthing system. Do not connect the washing machine to the mains electricity supply by an extension lead. Extension leads do not guarantee the required safety of the appliance. Unauthorized repairs could result in unforeseen dangers for the user, for which the manufacturer can not accept liability.
Repairs should only be undertaken by an approved service technician. Ensure current is not supplied to the machine until after maintenance of repair work has been carried out. If the power cord is damaged, it must be replaced by the manufacturer, customer service, or similarly qualified personnel in order to avoid a hazard. Faulty components must only be replaced by genuine manufacturer original spare parts. Only when these parts are fitted the safety standards of the machine can be guaranteed.
Note
THIS WASHING MACHINE MUST BE EARTHED.
CORRECT USE

- To avoid the risk of personal injury or damage to the washing machine, do not install it in a place where it is damp and where it suffers from rainfall.
- Do not install the washing machine in a place where it suffers from the sun directly, in which plastic or components will be damaged. It will be shortened the life of your washing machine.
- Do not install the washing machine in a place where temperatures below freezing may occur. Frozen hoses may burst or split. The reliability of the electronic control unit may be impaired at temperatures below freezing point.
- Do not shoot the washing machine with water when you clean it.
- Keep the washing machine away from fire or heat sources.
- Before using the washing machine for the first time, make sure that the transit bolts at the rear of the machine have been removed. During spinning, transit bolts which is still in place may result in damage to both the machine and adjacent furniture or appliances.
- Turn off the tap if the machine is to be left for any length of time (e.g. holiday), especially if there is no floor drain (gully) in the immediate vicinity.
- Take care to ensure that foreign objects (e.g. nails, pins, coins, paper clips) do not find their way into the machine with the laundry. These may damage components of the machine (e.g. drum), which in turn can result in damage to the laundry.
- Do not wash water-repellent things(e.g. raincoats) with washing machine.
- Only remove laundry from the washing machine once the drum has stopped turning. Reaching into a moving drum is extremely dangerous and could result in injury.
SAFETY WITH CHILDREN

- Keep children away from the washing machine at all times. To avoid the risk of injury do not allow children to play on or near it or to play with its controls. Supervise children whilst you are using it.
- Older children may only use the washing machine if its operation has been clearly explained to them and they are able to use it safely, recognizing the dangers of misuse.
- For machines with a ‘porthole’ door, remember that the porthole glass will be hot when washing at very high temperatures. Do not let children touch it.
PARTS AND FEATURES

Note
Unscrew the drain pump filter to let the water run out when the machine is not used for a long time.
Note
The drawing of the machine in the manual is only used for instruction. It may vary on the mode you buy.
INSTALLATION
BACKOUT PACKING

- Remove all the packing(including the foam base) or vibration and noise may occur.
- Dispose of all the wrappage safety and keep 0 them out of the reach of children. The danger of suffocation!
- It is normal that water drops appear on the packing plastic bag and the door glass, which are resulted from the water left in the tub for checking out.
ACCESSORIES
In addition to the washing machine, the delivery set includes the following accessories:
Make sure that you have received all of the items shown above.
REMOVING TRANSIT BOLTS
- Remove all the transit bolts at the back of the machine with tools.
- Plug the holes with the transit bolt caps supplied.

Note. Strong vibration, noise, or failures may occur if the transit bolts are not removed.
- Keep the transit bolts for future transportation. Whenever the machine is transported, the transit bolts must be refitted.
INSTALLATION PLACE REQUIREMENT
- A concrete floor is the most suitable installation surface for a washing machine, being far less prone to vibration during the spin cycle than wooden floorboards or carpeted surfaces.
- The machine must be level and securely positioned. The distance between the machine and the wall must be more than 10 cm.
- To avoid vibrations during spinning. the machine lo crn should not be installed on soft floor coverings.

LEVEL ADJUSTMENT
The machine must stand perfectly level on all four feet to ensure safe and proper operation. Incorrect installation may cause vibrations and noise and may cause the machine to move about. To do these when the machine is not level:
- Using the spanner turn locknut in a clockwise direction. Then turn locknuts together with adjust feet to unscrew.
- Hold and adjust feet securely with a pipe wrench. Turn the locknut again using the spanner until it sits firmly up against the housing.

Note. Vibration and noise may occur if the locknuts do not sit firmly up against the houses.
DRAIN HOSE CONNECTION
- Direct into a sink If the outlet spigot has not been used before, remove any blanking plug that may be in place. Push the drain hose onto the spigot and secure it with a clip if required, ensure a loop is formed in the drain hose to prevent waste from the sink from entering the washing machine. If required, the drain hose can be extended to a length of 4 m.

- Connected securely to a standpipe Firstly form a hook at the end of the drain hose using the “U” piece supplied. Place the drain hose into your standpipe, which should have an internal diameter of approximately 30mm thus ensuring there is an air break between the drain hose and standpipe. When discharging into a standpipe ensure that the top of the standpipe is no more than 90cm and no less than 60cm above floor level.

WATER INLET CONNECTION
Connect the inlet hose supplied with the machine to a tap with a 3/4» thread. Do not use previously employed hoses. Installation should comply with local water authority and building regulations require men ts. When there is an inlet valve at the back of the machine, it must be
connected to a cold water supply. If there are two inlet valves, one is connected to a cold water supply and the other is connected to a hot water supply. Follow the indication in the picture below to complete the connection.
THE FUNCTIONS OF THE CONTROL PANEL

Digital display: This icon shows the time, speed, rinse times, Error codes.
DISPLAY
The display shows the current settings, options or relevant information.
BUTTONS
The following is the instruction of the buttons and their setting options.
1. Power
Press this button to turn the machine on or off.
2. Start/pause
Press this button to start or pause a wash cycle. To reload the laundry during a wash cycle, press this button for 3 seconds, and the machine will drain if the water level is too high. The reload function is unavailable if the temperature of the water is too high.
3. Speed
Press this button repeatedly to change the spin speed.
4. Temp
Press this button repeatedly to change the wash temperature.
5. Steam
After selecting the program, press this button to enter the special steam program. When the light below the , the icon on the panel lights up? it means that you have entered the steam program. The steam function produces high-temperature steam deep into the fabric of the clothes, the steam function can only be used with an IHI label on the clothes.
6. Delay
Press this button repeatedly to change the delay time.
7. Program
Press this button repeatedly to choose a different program.
8. Child lock (“Program”+”Speed”)
When the machine starts, press the II Program” and II Speed” buttons at the same time for a few seconds, and the light under the icon 11 e “is lighting, then the function works. Press the same buttons for a few seconds to cancel this function. When the function works, all buttons are not available.
Note. For your safety, Do not press the button and get out your clothes while the machine is running. Because the temperature of the water may be high and it may scald you. The door lock will open automatically at the end of a wash cycle while the temperature of the drum is cooling down.
PROGRAMS
Options and functions for programs

The procedure for selecting the steam function is as follows: Mixed, Eco 40-60, Anti-Allergy, and Drum Clean. Because the steam temperature is very high. To avoid damage to the clothes, the steam function can only be used with a label on the clothes.
HOW TO USE A WASHER
Before washing clothes for the first time, you must run a complete cycle without clothes. To do these:
- Connect the power and turn on the tap.

- Press the button to turn on the machine and choose the program «Eco 20°C».

- Press the button “Start/Pause”. It can remove the water out which left in the tub because of the manufacturer’s checking out.

WASHING PREPARATION
- Connect the inlet hose well and turn on the tap.
- After making sure the power socket is grounded reliably, insert the power plug into the power socket.
- Place the drain hose well.
PREPARATION OF CLOTHES
- Sort the laundry by color and by the care label. Most garments have a textile care label in the collar or side seam.
- Make sure all the pockets are empty, Foreign objects (e.g. nails, coins, paper clips, etc.) can cause damage to garments and components in the machine.
- Close any zips, fasten hooks and eyes, etc before washing (Pie. 1).

- Dark textiles often contain excess dye and should be washed separately several times before being included in a mixed load. Always wash whites and coloreds separately.
- Badly soiled areas, stains etc. should be pre-treated with liquid detergent, stain removers etc (Pie. 2).
- Turn over the clothes which pill easily and is with woolen surface before putting them into the machine (Pie. 3).
PUT CLOTHES INTO THE WASHER
Unfold the laundry and load loosely in the drum. Mixing both large and small items gives better wash results and also helps distribute the load evenly during spinning. The most efficient use of energy and water is achieved when a full load is washed. However, do not overload as this causes creases and reduces cleaning efficiency.
Make sure that no garments are nipped between the door and the seal.
USING THE DETERGENT DRAWER
- Open the drawer and add adequate detergent into the main wash compartment marked «l..!!i)) or «It.
- Add the fabric softener into the compartment marked«)) or«*))· Do not exceed the maximum level mark.
- Close the drawer. The right amount to dispenser will depend on the following:
- The quantity of laundry
- The soiling level of the laundry
- Lightly soiled No visible dirt or stains. Possibly slight body odour.
- Normally soiled Visibly dirty and/or just a few slight stains.
- Heavily soiled Visible dirt and stains and/or dried on soiling. The water hardness level.

It is recommended to use low foaming powder for all washing temperature programs.
WASHING STEPS
- Turn on the water tap, and connect the power.
- Open the door, and put the cloth into the drum one by one.
- Close the door, and put a suitable amount of detergent and fabric softener into the dispenser, then close the drawer.
- Choose a program you need .
- Press the” Start/Pause button to start the washing machine.
- When the cycle is finished, there is a warning tone sound.
Note. When the washing cycle is finished, the machine will change into standby mode. And the machine will be sleeping after 10 minutes without any control on the control panel.
Note. The machine is fitted with a balance control device, which ensures the machine is stable during the spin. To protect the machine, it will cut in if the laundry is not evenly distributed in the drum. The laundry is redistributed by reverse rotation of the drum. This may happen several times before the unbalance disappears and normal spinning can resume. If, after about 20 minutes, the laundry is still not evenly distributed in the drum, the machine will not spin. In this case, redistributed the load manually and reselect the spin program.
DOORLOCK
- When the machine is started , the door lock is locked
- When the temperature inside the durm is above 60°C, the door lock is locked.
- When the water is above a certain level, the door lock is locked. When the washing cycle is finished, the door lock is unlocked.
IMPORTANT: Do not try to open the door when the washing cycle is not finished or power supply is cut off during the washing cycle, because the temperature may be high and you may be scalded.
CLEANNESS AND MAINTENANCE
- Disconnect the machine from the ma ins electricity supply and withdraw the plug from the socket before cleaning the machine.
- The washing machine must not be hosed down.
Cleaning the exterior
Clean the exterior with a mild non-abrasive cleaning agent or soap and water using a well wrung-out cloth. Wipe dry wi th a soft cloth.
Do not use solvents, abrasive cleaners, glass cleaners or all-purpose cleaning agents. These might damage plastic surfaces and other components because of the chemicals they contain.
The washing drum
Clean the drum every 3 months by using the «Drum Clean» program.
Cleaning the drawer
Remove detergent residues regularly. Clear the drawer following these:
- Pull out the drawer until resistance is felt. Press down the release catch and at the same time pull the drawer right out of the machine.
- Remove the siphon from the compartment and clean it.
- Clean the dispenser using a brush and warm water.

Cleaning the drawer housing
Use a bottle brush to remove detergent residues inside the drawer housing.
Cleaning the water inlet filter
Use pointed nose pliers to withdraw the plastic filter. Clean, put back securely. These filters should be checked every 6 months or so, or more often if there are frequent interruptions to the water supply.
The filter must be put back in place after cleaning.
Cleaning the drain pump filter

- Disconnect the machine from the mains electricity supply and open the lower cover with a screwdriver.
- Place a container under the pump. Unscrew and remove the filter.
- Clean the filter carefully.
IMPORTANT: If the machine is exposed to temperatures below 0°C, certain precautions should be taken.
Note. The filter should be cleaned every 2 months or when there is fault that the «E03» is on the screen.
IMPORTANT
If the machine is exposed to temperatures below 0°C, certain precautions should be taken.
- Turn off the water tap.
- Unscrew the inlet hose.
- Unhook the drain hose from the rear support and position the end of this hose and that of the inlet hose in a bowl. Run the spin programme.
- Disconnect the appliance.
- Screw the inlet hose and reposition the drain hose.
- When you intend to start the machine up again, make sure that the room temperature is above O 0C.
TROUBLESHOOTING GUIDE


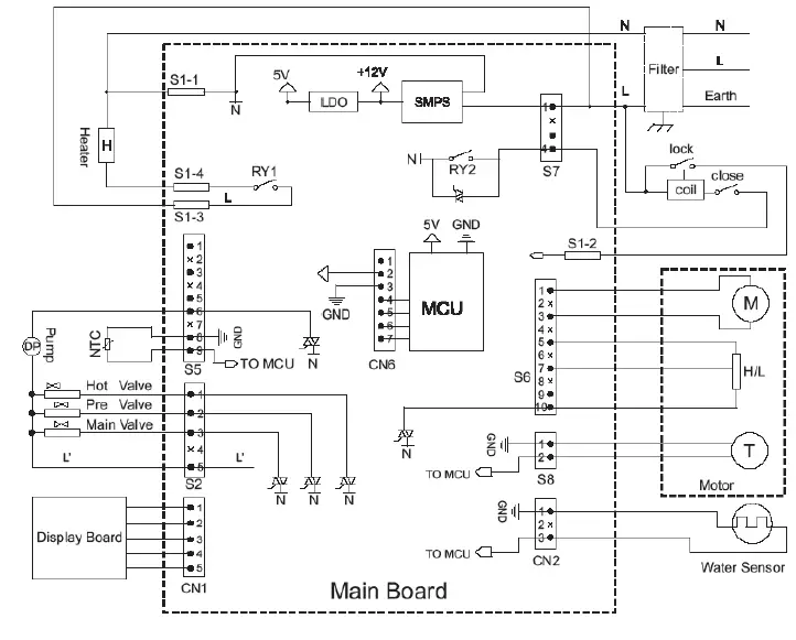
ELECTRIC DIAGRAM

CORRECT DISPOSAL OF THIS PRODUCT
This symbol on the product, or in its packaging. indicates that this product may not be treated as household waste. Instead, it should be taken to the appropriate waste collection point for the recycling of electrical and electronic equipment, By ensuring this product is disposed of correctly. you will help prevent potential negative consequences for the environment and human health, which could otherwise be caused by the inappropriate waste handing of this product, For more detailed information about the recycling of this product, please contact your local council, your household waste disposal service, or the shop where you purchased the product.
Warranty conditions
The plant guarantees the normal operation of the product within 12 months from the date of the sale, provided that the consumer complies with the rules of operation and care provided by this Manual.
The service life of the product is 5 years. In order to avoid any misunderstanding, we kindly ask you to @refully study the Owner’s Manual, thete1ms of wa1ranty, and check the correctness of filling the Warranty Card. The Warranty Card is valid only if the following information is correct and clearly stated: model, serial I number of the product, date of sale, color rolls of the company-seller, and signature of the buyer. The model and a serial number of the product must correspond to those specified in the Warranty Card. If these terms are violated, and if the information specified in the Warranty Card is changed, erased, or rewritten, the Warranty Card is considered invalid. Setup and installation (assembly, connection, etc) of the appliance are described in the attached documentation; they@nbe@rried out both by the user and by specialists having the necessary qualification sent by USC or selling companies (on a paid basis). In this case, the person (the institution) installing the appliance shall be responsible for the correctness and quality of install lat ion (setup). Please pay attention to the importance of the correct installation of the appliance, both for its reliable operation and for obtaining a warranty and free service. Require the installation specialist to enter all the necessary information about the installation in the Warranty Card. In case of failure of the appliance during the warranty period by the fault of the manufacturer, the owner is entitled to free warranty repair upon presentation of the correctly filled Warranty Card together with the appliance in the factory configuration packed in the original packaging to the warranty workshop or the place of its purchase. Satisfaction of the customer’s claim due to the fault of the manufacturer shall be made in accordance with the law On Protection of consumers rights». In the case of warranty repair, the warranty period shall be extended for the period of repair and shipment.
WARRANTY CARD
Dear Buyer! Congratulations on your purchase of the ARD ESTO brand appliance, which was designed and manufactured in accordance with the highest quality standards, and we thank you for choosing this particular instrument. We ask you to keep the coupon during the warranty period. When purchasing a product, require a full warranty card.
- Warranty service is carried out only if there is a correctly and clearly filled original warranty card, which indicates: the product model, date of sale, serial number, warranty service period, and the seller’s sea I. *
- The service life of household appliances is 5 years.
- The product is intended for consumer use. When using the product in commercial activities, the seller/ manufacturer does not bear warranty obligations, after-sales service is performed on a paid basis.
- Warranty repair is carried out within the period specified in the warranty card for the product in an authorized service center on the conditions and terms determined by applicable law.
- The product is withdrawn from the warranty in case of violation by the consumer of the operating rules set forth in the instruction manual.
- The product is removed from warranty service in the following cases:
- misuse and non-consumer use;
- mechanical damage;
- damage caused by the ingress of foreign objects, substances, liquids, or insects;
- damage caused by natural disasters (rain, wind, lightning, etc.), fire, domestic factors (excessive humidity, dust, aggressive environment, etc.)
- damage caused by non-compliance of power and cable network parameters with state standards and other similar factors;
- when operating equipment in the power supply network with a missing single ground loop;
- in case of violation of seals installed on the product;
- lack of a serial number of the device, or inability to identify it.
- The warranty does not cover consumables and accessories, as well as filters, shelves, drawers, stands, and other containers for storing products.
- The warranty period is 12 months from the date of sale.
The completeness of the product is checked. I have read the terms of the warranty service, no complaints. Customer Signature


















