ggm gastro EFK653 Series Electric deep fryer

Thank you for choosing our products. Please read the operating instructions carefully before using the appliance and only use it for its intended purpose.
Warning
Any modification or incorrect installation, adjustment, repair and maintenance may result in property damage or loss. If adjustment or repair is required, you should contact the supplier and all your requests will be handled by trained professionals.
Do not store petrol or other flammable liquids near this or any other appliance.
Warning: Fire hazard
The area where the appliance is installed must be kept away from flammable and combustible materials. This includes mops, rags, grease, wrapping paper and electric cables.
Instructions for electrical earthing
This unit is equipped with a three-pin (earth) plug to protect against the risk of contact and should be connected directly to a properly earthed three-pin socket. Do not cut or remove the earth pin from this plug.
Character
- A. With automatic temperature controller to select the correct level (50-190℃).
- B. With overtemperature protection. When the oil temperature is above the safe temperature condition, the protection can interrupt the automatic power (reset manually).
Basic parameters
| Description | Double tank deep fryer | Single tank deep fryer |
| Model | EFK653-8+8 | EFK653-8 |
| Voltage | 380-415V/50HZ | 380-415V/50HZ |
| Power | 4.5*2KW | 4.5KW |
| Tank number | 2 | 1 |
| Limited
temperature | 2301 | 2301 |
| Manual reset | <1701 | <1701 |
| Dimensions | 600*740*400 | 360*740*400 |
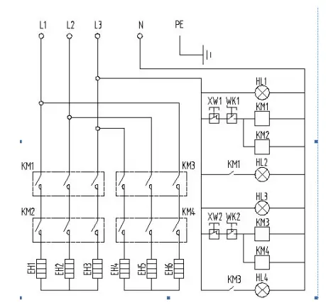
Diagram circuit

KM: AC contractor HL1 HL3: Operation indicator light HL2, HL4:Heating light WK: Thermostat XW: Temperature limiter
OPERATING INSTRUCTIONS
- A. First check the power to ensure that the supply voltage matches the operating voltage.
- B. Keep the oil level no higher than the highest oil level scale and no lower than the lowest in the oil tank.
- C. Connect the power supply, turn the temperature control knob anticlockwise to point to the red dot, now you can see that the yellow light is on (i.e. the heat pipe is working, the oil temperature in the tank is rising). When the oil temperature rises to the indicated temperature, the yellow light is on and the temperature controller automatically switches off the power supply (heat pipe no longer works). When the oil temperature has dropped to a reasonable level, the heat pipe starts to function again, yellow light illuminates. The cycling process could ensure the operating temperature in the given range
- D. Make sure that there is no water on the fuel filler cap to avoid damage from splashes caused by water drops into the hot oil.
- E. When frying the small dishes, you can choose the frying basket, the larger dishes. You could put them directly into the frying tank.
- F. When you have finished cooking, turn the temperature control knob anticlockwise to the lowest position and then switch off the power supply.
- G. Pure oil from the tank must not be used until the oil temperature has returned to normal. Switch off the power, take out the oil, take out the net, now you can clean the inner tank completely.
- H. Clean the oil tank and the heating pipe regularly to keep the appliance up to date.
- I. Attention: At a temperature of up to 230℃ (the highest operating temperature), the overtemperature protection button opens. Up to 170℃ (manual temperature reset), you can reset the above button manually.
- J. Fresh oil is good for your health; please do not use the used oil.
Installation
- A. Make sure that the operating voltage is suitable for the supply voltage.
- B. Connect the unit to the correct power supply and fuse.
- C. Make sure that the unit is connected to earth with a copper wire of more than 1.5 mm2 through a copper bolt under the cabinet.
- D. Before using the fryer, carefully check the voltage, the connection cable and the condition of the earthing.
- E. Just let professional staff install the equipment for you.
Daily check
Check the unit before and after use. Before use, make sure that the unit dose is not too low. Make sure that the power cord is not worn or damaged. During use, make sure that there is no unpleasant odor or unusual noise.
Important: Do not dispose of this manual.
This manual is considered part of the appliance and must be given to the owner or manager of the hotel or restaurant or the person responsible for training the operators of this appliance. It should be retained for future reference. Additional manuals are available from your local dealer.




















